Hallo Leute, nicht gleich wieder schimpfen. Hab mir den o.a. Trenntrafo besorgt (wieso? keine Ahnung) Wechselspannungsabnahme klappt einwandfrei, Volt- und Amperemeter zeigen richtige Werte an. Gleichsspannungsabgabe negativ-nichts zu messen. Hab dann an den Brückengleichrichter ein loses Kabel entdeckt. Nach dem Anlöten spielt sowohl Amperemeter verrückt (geht gleich auf 40 A), beim Voltmeter kein Ausschlag. Was kann defekt sein ? Welche Bauteile erkennt ihr bei den zwei Brückengleichrichtern : Kondensator, Widerstand und ?? Hab mir jetzt zwei Brückengleichrichter 1000 V, 30 A gekauft- geht das, reicht einer... tausend Fragen....vielleicht habt ihr ja paar Tipps !
Gleichrichter falsch angeschlossen? defekt? Dem Gleichrichter würde Kühlfläche helfen, wenn Du den wirklich mit 20A RMS belasten willst. Lackiertes Eisenblech ist nicht einmal im Ansatz dafür geeignet. btw: der Aufbau ist ja nett... aber diese Spannungen über solche Klemmen... und diese Ströme über solche Klemmen... nur weil es ein Trenntrafo ist bedeutet das nicht das belibiges Zeug aus der Bastelkiste verwendet werden soll... MiWi
Messe doch einfach die Brückengleichrichter durch, anstatt blind einfach neue einzusetzen, oder den Draht anzulöten. Offensichtlich hat einer von beiden einen kurzschließende Diodenstrecke. was sich doch wunderbar messen läßt. Und ja - da sind zwei C und ein R mit dran - könnte natürlch auch sein, daß einer der C's einen Kurzen hat (der R dagegen eher nicht, da ein Kurzer in einem R eher unwahrscheinlich ist).
@ MiWi (Gast) >btw: der Aufbau ist ja nett... >aber diese Spannungen über solche Klemmen... und diese Ströme über >solche Klemmen... nur weil es ein Trenntrafo ist bedeutet das nicht das >belibiges Zeug aus der Bastelkiste verwendet werden soll... Du tust ja so, als ob der TO das Ding designed hätte ...
Jens G. schrieb: > @ MiWi (Gast) > >>btw: der Aufbau ist ja nett... > >>aber diese Spannungen über solche Klemmen... und diese Ströme über >>solche Klemmen... nur weil es ein Trenntrafo ist bedeutet das nicht das >>belibiges Zeug aus der Bastelkiste verwendet werden soll... > > Du tust ja so, als ob der TO das Ding designed hätte ... Nö, hat er nicht, hat er ja geschrieben. Aber er hat 2 GLRs gekauft und möchte sie ev. einbauen. Also wird er auch die Befestigungsschrauben aufgemachen und wieder angeziehen.... Zusätzlich einen Kühlkörper einbauen ist nun auch nicht so ein Megaprojekt, vor allem wenn es in dem Bereich feigelt. Mangelnde Kühlung wäre ggfs eine Erklärung warum sowas ausfällt, denn eigentlich sind solche GLRs ziemlich robust. MiWi
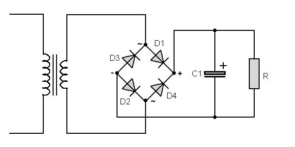
Hallo Leute, erstmal danke für die Antworten. Wie gesagt, an dem Teil hab ich gar nichts gemacht. Ist ja ein Produkt einer ehemaligen Firma. Hier war der Draht beim Öffnen des Gehäuses ab und ich habe Ihn dann wieder an dieser Stelle angelötet, weil er dahin wohl passt. Alle Anschlüsse der BG haben ja zwei Kabelanschlüsse. Ist es denn sinnvoll 2 BG anzuschließen oder reicht auch einer? Dienen die C zur Glättung ? Bekommt man da mehr als 230 Volt raus ?? Gruß Kalli
Kalli R. schrieb: > Hier war der Draht beim Öffnen des Gehäuses ab und ich habe Ihn dann > wieder an dieser Stelle angelötet, weil er dahin wohl passt. Und damit hast Du wohl einen Kurzschluss fabriziert. Einen "losen" Draht lötet man doch nicht irgendwohin, sondern isoliert ihn erst einmal. Wahrscheinlich hat der Kurzschlussstrom auch eine der Gleichrichterbrücken zerstört und jetztist ein weiterer Kurzschluss über die defekte Brücke vorhanden. Wenn irgendwo Kurzschlüsse auftreten, misst man erst einmal den ganzen Zirkus mit dem Ohmmeter durch, in schwierigen Fällen schaltet man erst einmal eine Glühbirne in die Zuleitung. Früher gab es die sog. "Prüftafeln" Die hatten u.A. eine mit einer Glühlampe "gebremste" Steckdose. Das war bei einer Fehlersuche recht hilfreich. Da diese Prüftafeln ohne Trenntrafo aufgebaut waren, gibt es sie natürlich nicht mehr. Kalli R. schrieb: > Ist es denn sinnvoll 2 BG anzuschließen oder reicht auch einer? Parallelschalten von Brücken wäre unsinnig, Dioden schaltet man nicht parallel. Kalli R. schrieb: > Dienen die C zur Glättung ? Folien-Cs dienen hier zum Abfangen von Spannungsspitzen,nicht zum Glätten. Dazu wären Elkos mit etwa 10000µF je Ampere Laststrom nötig. Kalli R. schrieb: > Bekommt man da mehr als 230 Volt raus ?? Am Lastkondensator kann die Spitzenspannung der 230V entstehen, also 325V, wenn die Brücken an der voll aufgedrehten Ausgangsspannung liegen.
da muss der Kurzschluss schon vorher drin gewesen sein, denn nach der Länge des Kabels konnte er nur an eine einzige Stelle passen. Der Verkäufer hat mir vorher ein Bild vom Innenleben gesandt, seltsamerweise war da das Kabel noch dran. Bei meiner Sichtung war es aber ab und durch den Transport kann das ja wohl nicht geschehen sein. Wieso sind den hier 2 BG verbaut, wenn das eh nichts nützt Gruß
Kalli R. schrieb: > da muss der Kurzschluss schon vorher drin gewesen sein, denn nach der > Länge des Kabels konnte er nur an eine einzige Stelle passen. Der > Verkäufer hat mir vorher ein Bild vom Innenleben gesandt, seltsamerweise > war da das Kabel noch dran. Bei meiner Sichtung war es aber ab und durch > den Transport kann das ja wohl nicht geschehen sein. Kann schon. Die "Löt"stellen sehen auch eher "geklebt" aus. Oder falls dir das nichts sagt: sie sehen nach kalten Lötstellen aus. Generell ist auch die Anbringung des 68nF Kondensators sehr gewöhnungs- bedürftig. Oder die direkte Parallelschaltung von zwei Gleichrichtern. Oder die fehlende Isolation der Lötstellen. Abgesehen davon wirkt der Aufbau relativ solide. OK, man hätte vielleicht Litze in mehreren Farben nehmen können.
Kalli R. schrieb: > Wieso sind den hier 2 BG verbaut, wenn das eh nichts nützt > Gruß Die sind parallel geschaltet, natürlich nützt das - zumindest wenn sie halbwegs identische Daten haben. Man verdoppelt damit zwar nicht die Strombelastbarkeit, aber die entstehende Wärme verteilt sich auf eine grössere Fläche und man kann einen Kühlkörper einsparen. Der ist nämlich wesentlich teurer als ein zweiter Brückengleichrichter. Na ja, im Dauerbetrieb kann dann schon mal einer abrauchen... Wenn sonst nirgendwo ein Kurzschluss vorliegt (merkwürdige +Buchse zu Frontplatte?!!) sind auf jeden Fall die (oder nur ein?) Brückengleichrichter defekt. Kondensator oder Widerstand jedenfalls nicht, die sähen anders aus nachdem sie von 40 A durchflossen wurden! Kalli R. schrieb: > Hab mir jetzt zwei Brückengleichrichter 1000 V, 30 A gekauft- geht das, > reicht einer... Ja, beide einbauen und gut! Trotzdem nicht stundenlang 50A aus der Kiste ziehen... Aber wie gesagt, vorher mal die schauen ob ein Kurzschluss bei den Gleichspannungsbuchsen an der Frontplatte vorliegt.
Kalli R. schrieb: > Wieso sind den hier 2 BG verbaut, wenn das eh nichts nützt Es gibt Leute, die auch LEDs oder Gleichrichterdioden parallel schalten. Ist aber nicht Standard der Technik. Bei 25A oder 30A Nennstrom muss das Gehäuse der Brücken auf eine maximal 25 Grad warme Kühlkörperfläche montiert sein. Die Grenzwerte an den DC- Anschlüssen sind offensichtlich ziemlich blauäugig von den AC-Anschlüssen übernommen worden. Übrigens: Was Du für einen Kurzschluss hältst ist womöglich der Anlaufstrom des Trafo. Solche Trafos mit 230x5 = 1150VA bringen fast immer Probleme beim Einschalten. Wenn Du hast, nimm ein längeres Verlängerungskabel (auf Trommel,25m oder gar 50m)unnd schließe hinter dem Kabel an. Dann wird der Anlaufstrom durch den Kabelwiderstand gebremst - und die Sicherungsautomaten geben Ruhe.
Kalli R. schrieb: > Der > Verkäufer hat mir vorher ein Bild vom Innenleben gesandt, seltsamerweise > war da das Kabel noch dran. Bei meiner Sichtung war es aber ab und durch > den Transport kann das ja wohl nicht geschehen sein. Hallo Kalli, da hast Du wohl Recht, der Defekt müsste dem Verkäufer bekannt gewesen sein. > > Wieso sind den hier 2 BG verbaut, wenn das eh nichts nützt > Gruß Sowas findet man erstaunlicherweise öfter. Der Konstrukteur überschätzte wahrscheinlich die thermische Kopplung. Oder er hatte tatsächlich keine Ahnung vom negativen Temperaturkoeffizienten von Dioden. Am besten ersetzt Du beide Brücken durch eine der Neuen und spendierst ihr einen Kühlkörper mit ~1,5 K/W. Nicht sparen, denn wenn man den vollen Strom (20A) nutzen möchte, ist mit 40 Watt zu rechnen.
Stichwort: Thermische Kopplung Ein Brückengleichrichter besteht aus zwei "Hablbrücken", die je aus zwei in Reihe geschalteten Dioden bestehen. Normalerweise kommt an jede Halbbrücke in die Mitte der Reihenschaltung der Dioden je eine Leitung vom Trafo. Die Enden der beiden Halbbbrücken sind miteinander verbunden und bilden dann + und -. Bei Parallelschaltung nimmt man dann das ganze nochmal und verbindet die Kontakte der beiden Brücken Eins zu Eins miteinaner. Die thermische Kopplung der beiden Brücken hat einen weiten Weg. Man kann zwei Brückenglichrichter auch anders parallelschalten. Man verbinde die beiden Wechselstromkontate einer Brücke miteinander und benutze eine Brücke als "verstärkte Halbbrücke" mit guter thermischer Kopplung innerhalb der Brücke. Das macht man mit beiden Brücken. Dann wird je einer der beiden Drähte vom Trafo an je eine Brücke angechlossen. So hat man eine "Nord-" und eine "Südbrücke" Im Prinzip ist es die gleiche Schaltung, nur daß die Parallel betriebenen Dioden nun im selben Gehäuse sitzen.
der schreckliche Sven schrieb: > der Defekt müsste dem Verkäufer bekannt gewesen > sein. Bei genauer Betrachtung fällt noch folgendes auf: Die Kabel an den Brückengleichrichtern sind doch etwas dillettantisch angelötet. An anderen Stellen im Gerät gibt es Steckverbinder, die an den Gleichrichtern auch möglich gewesen wären. Die Befestigungsschrauben sind zu kurz! Und vor allem der flache Kondensator ist sehr unprofessionell angelötet. Alles in allem drängt sich der Verdacht auf, daß der Vorbesitzer erfolglos daran herumgebastelt hat.
danke mal für die Infos. Wenn ich den Brückengleichrichter eingebaut habe, will ich natürlich auch einen passenden Elko und Widerstand einbauen, wie auf der Skizze. Welche Werte soll ich dazu verwenden ?? Oder brauch ich die beiden überhaupt nicht ! Gruß Kalli
Kalli R. schrieb: > Hab dann an den Brückengleichrichter ein loses > Kabel entdeckt. Vermutlich hat der Vorbesitzer die Dioden überlastet und deshalb abgelötet, weil er eh nur ~Strom brauchte.
Kalli R. schrieb: > Wenn ich den Brückengleichrichter eingebaut habe, will ich natürlich > auch einen passenden Elko und Widerstand einbauen, wie auf der Skizze. > Welche Werte soll ich dazu verwenden ?? Oder brauch ich die beiden > überhaupt nicht ! Der Widerstand in deiner Skizze soll die Last, also das anzuschließende "Gerät", darstellen. Wenn du hier einen echten Widerstand anschließt, baust du dir je nach Wert nur eine Heizung... Der Elko müsste, da die Spannung ja auf bis zu (gleichgerichtete) Netzspannung gestellt (nicht "geregelt") werden kann, mindestens 400V Spannungsfestigkeit haben. Und wenn du damit mehrere Ampere (bis 5A bei 240V sind angegeben) sinnvoll puffern willst, wird das relativ groß und teuer... Außerdem würde die eingestellte Spannung bei einer Verstellung immer etwas nacheilen, von weiteren größeren Problemen mal ganz abgesehen. Wenn du irgendwas stabilisiertes oder sogar geregeltes am Ausgang willst, ist das das falsche Gerät für dich, für geregelte Gleichspannung besser ein Labornetzteil verwenden.
Danke für die Hinweise---aber war das denn völlig sinnfrei von dem Vorbesitzer die C's und den R einzubauen ??
Die Kondensatoren über den Gleichrichterbrücken sind wohl nur zur Störunterdrückung gedacht, und der R dazu, die Cs zu entladen (sonst würde bei ausgeschaltetem Gerät eine Zeit lang eine gefährliche Spannung an den Klemmen anliegen). Ganz genau kann man das ohne genauen Schaltplan nicht sagen, ist aber das wahrscheinlichste, schon aufgrund der kleinen Werte der Cs. Ein echter Glättungs-Elko wäre z.B. der hier, wobei 400V schon mal knapp werden könnte: http://de.farnell.com/kemet/als70a183qs400/kondensat-alu-elko-18000uf-400v/dp/2729191 Davon bräuchtest du bei 5A schon ein paar, je nach gewünschter Restwelligkeit, geht ganz schön ins Geld. Außerdem würde das Laden beim Einschalten zum Problem werden, wäre ja quasi wie ein Kurzschluss am Anfang, man bräuchte also noch eine Softstart-Schaltung.
Kalli R. schrieb: > will ich natürlich > auch einen passenden Elko und Widerstand einbauen, Ein Elko? Wieso denn das? Zur Siebung? Du hast doch einen Stelltrafo, der im Bereich 0-60 Volt bis zu 20 Ampere liefern kann. Da wären dann 47000µF angesagt. Für den Bereich bis 240 Volt wäre das ein aberwitzig hoher Wert. (Noch dazu 400Volt...) Kalli R. schrieb: > Oder brauch ich die beiden > überhaupt nicht ! Das sehe ich auch so. Ein Sieb - oder Entstörkondensator gehört zum angeschlossenen Gerät.
Bitte melde dich an um einen Beitrag zu schreiben. Anmeldung ist kostenlos und dauert nur eine Minute.
Bestehender Account
Schon ein Account bei Google/GoogleMail? Keine Anmeldung erforderlich!
Mit Google-Account einloggen
Mit Google-Account einloggen
Noch kein Account? Hier anmelden.







