Hallo Community, ich habe eine Frage zu Einschaltstrombegrenzern und ich hoffe ihr könnt mir helfen. Wie kommen die Hersteller auf die maximale Kapazität, die mit dem Einschaltstrombegrenzer getrieben werden darf. Beispiel: http://www.schalk.de/messrelais/articles/ebn-2.html Dort ist ein 11,2 Ohm Widerstand verbaut, welcher nach 70 ms von einem Relais gebrückt wird. Wie kommen die nun auf die 120 µF bzw 60 µF? Hängt das mit den Sicherungsautomaten zusammen? Mit dem Relais oder womit? Danke für eure Hilfe
Ich denke das hängt mit der maximalen Stromtragfähigkeit von dem Strombegrenzer zusammen. Ist der Ladevorgang der Kapazität nicht rechtzeitig abgeschlossen (vor 70ms) wird der Begrenzer möglicherweise überlastet. Zeit tau=R*C und bei 5 tau ist der Ladevorgang ziemlich abgeschlossen. Die Rechnung geht aber bei 120uF und 11,2 Ohm leider nicht auf, daher ist das ganze von mir nur eine Vermutung. Gruß, Mathias
Mathias _. schrieb: > Die Rechnung geht aber bei 120uF und 11,2 Ohm leider nicht auf Du musst in diese Rechnung die Leistung (oder besser die mögliche "Kurzzeitenergieverarbeitbarkeit" bekannt als i²t ) des 11,2 Ohm Widerstands einbringen...
Lothar M. schrieb: > Du musst in diese Rechnung die Leistung (oder besser die mögliche > "Kurzzeitenergieverarbeitbarkeit" bekannt als i²t ) des 11,2 Ohm > Widerstands einbringen... Dort sind zwei Widerstände zu je 5,6 Ohm der Reihe KH214-8 von Vitrohm verbaut. https://www.buerklin.com/medias/sys_master/download/download/h5e/ha6/8891547844638/technical-data-sheet-vitrohm-kh214-810b-12r-de-20160422.pdf Da steht nichts zum Thema I²t.
Sheriff Silver schrieb: > Da steht nichts zum Thema I²t. Dann ist es eine Abschätzung/test oder Informationen die die Entwickler hatten und du nicht.
Lothar M. schrieb: > Mathias _. schrieb: >> Die Rechnung geht aber bei 120uF und 11,2 Ohm leider nicht auf > Du musst in diese Rechnung die Leistung (oder besser die mögliche > "Kurzzeitenergieverarbeitbarkeit" bekannt als i²t ) des 11,2 Ohm > Widerstands einbringen... Der Mann hat recht :-). Der Vorwiderstand (bei dir 11,2 Ohm) wird wohl ansonsten überlastet... https://books.google.de/books?id=ZeIfBAAAQBAJ&pg=PA197&lpg=PA197&dq=widerstand+Grenzlastintegral&source=bl&ots=va5TUF9_v0&sig=wVpKZ178yNHAOTHNQXxYN3xW1xw&hl=de&sa=X&ved=0ahUKEwj79M35wePXAhWDnRoKHXAHBH4Q6AEIJjAA#v=onepage&q=widerstand%20Grenzlastintegral&f=false
@Mathias __ (mathias1988) >Ich denke das hängt mit der maximalen Stromtragfähigkeit von dem >Strombegrenzer zusammen. Nicht ganz, es ist die Kurzzeit-Energietragfähigkeit. > Ist der Ladevorgang der Kapazität nicht >rechtzeitig abgeschlossen (vor 70ms) wird der Begrenzer möglicherweise >überlastet. Jain. Die Zeit ist zweitrangig, entscheidend ist die Energie. Wenn man einen leeren Kondensator per Vorwiderstand auflädt, wird ebenso viel Energie im Vorwiderstand in Wärme umgesetzt wie im geladenen Kondensator gespeichert ist (Wirkungsgrad 50%). Da dieser Vorgang bei so einem Einschaltstrombegrenzer sehr schnell geht (ein paar Dutzend ms, nur wenige 50 Hz Zyklen), muss die gesamte Wärme im Widerstandskörper aufgenommen werden, ohne daß die Temperatur zu sehr ansteigt. Dafür nimmt man am besten Pulswiderstände, bei denn der gesamte Widerstandskörper aus einer leitfähigen Masse besteht 8Volumenwiderstände). Drahtwiderstände sind nicht so gut, weil dort nur der Draht die Wärme schnell aufnehmen kann, die Wärmeleitung in die Keramik dauert länger. Schichtwiderstände sind hier die vollkommen falsche Wahl.
Falk B. schrieb: > Drahtwiderstände sind nicht so gut, weil dort nur der Draht die Wärme > schnell aufnehmen kann... > Schichtwiderstände sind hier die vollkommen falsche Wahl. Das kann ich aus einem zufällig groß angelegten Feldversuch(*) mit gut 2000 Geräten bestätigen... ;-) (*)vom Bestücker wurden mangels eindeutiger Spezifikation 4W-Schicht- statt 4W-Drahtwiderstände eingebaut.
Ich habe jetzt viel mit Formeln und Zahlen hantiert und recherchiert, aber auf die angegebenen Werte für die Kpazitäten komm ich nicht im geringsten. Wie soll ich denn das mögliche Grenzlastintegral des Widerstands mit dem Kondensator verwurschteln. Auch eine Simulation hat keine Erleuchtung gebracht.
@ Sheriff Silver (Gast) >Wie soll ich denn das mögliche Grenzlastintegral des Widerstands mit dem >Kondensator verwurschteln. Über die maximal zulässige Pulsenergie. Die wird aber meist nur bei Pulswiderständen im Datenblatt angegeben.
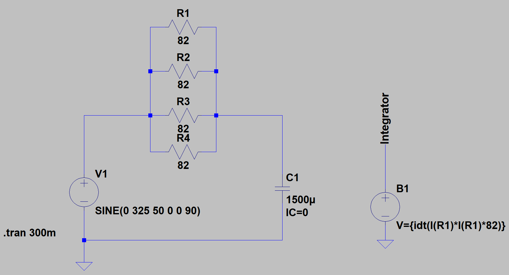
Update: In dem genannten Einschaltstrombegrenzer sind vier 82 Ohm Widerstände als Einschaltstrombegrenzung parallel geschaltet. Genau genommen SBCHE 6 mit 7 W (http://www.te.com/commerce/DocumentDelivery/DDEController?Action=srchrtrv&DocNm=1773442-9_Fixed_Resistors&DocType=CS&DocLang=) Das Ergibt in Summe 20.5 Ohm. Ich habe hier ähnliche Widerstände liegen (9W), welche eine Impulsbelastbarkeit 85 J aufweisen. Wenn ich das Ersatzschaltbild bestehend aus den 4 Widerständen und einem C von 1500 µF in LTspice simuliere, dann bekomme ich eine umgesetzte Energie in der Einschaltzeit von 300 ms von 190 J pro Widerstand. Selbst wenn ich die Kapazität weiter erhöhe, dann erhalte ich die gleichen Werte. Das ist ja auch logisch, da mit steigender Kapazität der Widerstand der selbigen kleiner wird und damit nur noch der ohmsche Widerstand zum tragen kommt und da wird in der Zeit immer die gleiche Energie umgesetzt. Im Anhang findet ihr die Simulation. Dennoch weiß ich nicht, wie die auf die 1500 µF kommen.
@ Sheriff Silver (Gast) >Wenn ich das Ersatzschaltbild bestehend aus den 4 Widerständen und einem >C von 1500 µF in LTspice simuliere, dann bekomme ich eine umgesetzte >Energie in der Einschaltzeit von 300 ms von 190 J pro Widerstand. Die Einschaltzeit ist egal, man muss bis zur vollen Aufladung simulieren. Wobei man es hier auch einfach rechnen kann. E = 1/2 C U^2. > Selbst >wenn ich die Kapazität weiter erhöhe, dann erhalte ich die gleichen >Werte. Dann stimmt was nicht. > Das ist ja auch logisch, da mit steigender Kapazität der >Widerstand der selbigen kleiner wird und damit nur noch der ohmsche >Widerstand zum tragen kommt und da wird in der Zeit immer die gleiche >Energie umgesetzt. Falsch.
@Sheriff Silver (Gast) >> Falsch. >Wechselspannung? Z=1/(2*pi*f*C)? Das gilt nur bei echter Wechselspannung ohne nichtlineare Bauteile, also ohne Gleichrichter.
Falk B. schrieb: > Das gilt nur bei echter Wechselspannung ohne nichtlineare Bauteile, also > ohne Gleichrichter. Und was ist bei meinem Aufbau keine echte Wechselspannung? Vllt schaust du mal in die Simulation :)
Der Kondensator sitzt nicht hinter einem Gleichrichter, sondern an Wechselspannung? (Ein ungepolter Kondensator also - kein ELKO?)
Sheriff Silver schrieb: > Vllt schaust du mal in die Simulation :) Die von mir erfragte Information sollte nicht erst nach einem LTSpice Download für potentielle Helfer zugänglich sein(!).
DNS schrieb: > Der Kondensator sitzt nicht hinter einem Gleichrichter, sondern an > Wechselspannung? (Ein ungepolter Kondensator also - kein ELKO?) Entsprechendes Bild zur Simulation für die Leute, die kein LTspice zur Hand haben :)
Ich blick nicht durch: - 11.2 und 20.5 Ohm - 60, 120 und 1500µF - 70 und 300ms Was denn nun, und um welchen Begrenzer genau geht es? Ein 1500µF Kondensator hat 2.1 Ohm Blindwiderstand. Da liegen an den Widerständen knapp 99% der Netzspannung. Ein größerer Kondenensator kann die Verlustleistung an den Widerständen kaum noch erhöhen.
Sheriff Silver schrieb: > Und was ist bei meinem Aufbau keine echte Wechselspannung? Vllt schaust > du mal in die Simulation :) In deiner Simulation ist alles echte Wechselspannung. Das hat dann allerdings nichts mit deiner Eingangsfrage zu tun. Dort ging es darum, wie die Hersteller des Einschaltstrombegrenzers auf eine maximale kapazitive Last kommen. Deren maximale kapazitive Last ist nämlich die kapazitive Last hinter einem Gleichrichter (wie es bei Schaltnetzteilen... üblich ist). Dort ist es sinnvoll, denn Einschaltstrom zu begrenzen, denn sobald sich der Kondensator einmal aufgeladen hat geht der Strom von selbst auf "gesunde" Werte zurück. Für diese Konstellation hat der Hersteller die maximale Lastkapazität spezifiziert und zwar auf Basis der Pulsbelastbarkeit der Widerstände, wie von anderen schon ausführlich beschrieben wurde. Schau dir den skizzierten Stromverlauf auf den Seiten des Einschaltstrombegrenzers an. Die Skizze ist zwar ungenau, aber es geht dort klar um das einmalige Aufladen des Kondensators (d.h. der Kondensator sitzt hinter einem Gleichrichter). Mit einem Wechselstrom durch eine kapazitive Last hat das nichts zu tun. Für den von dir simulierten Fall ist die Spezifikation des Herstellers nicht gedacht - da wäre der Strom nach der siebten Halbwelle nämlich noch genau so groß wie in der ersten. .
Sheriff Silver schrieb: > Dort sind zwei Widerstände zu je 5,6 Ohm der Reihe KH214-8 von Vitrohm > verbaut. Nimm das Datenblatt der Nachfolgerserie: http://www.vitrohm.com/content/files/vitrohm_series_khs_-_201612.pdf ca. 75J sind die Grenze (vmtl. ab 20°C) die ältere Serie ist evtl. etwas schwächer (Nennleistung lt. DBL ist meist 1W höher) Nominal gerechnet (230V, 2x5.6Ohm, 120µF, 70ms, 50Hz) entstehen nur 25J je Widerstand. Worst Case (Netzspannung +10%; Widerstandswerte R1 -10%, R2 +10%; Kondensator +20%; 60Hz) sinds je nach Phasenlage 60J an R2. Toleranz der Zeitsteuerung Worst Case grob +20% (+14ms). Toleranz der Relaisanzugszeit grob +5ms. Macht 76J. Und der Temperaturkoeffizient der Widerstände liegt lt. DBL bei ‐20 ± 60 ppm/K. Könnte dann bis auf ca. 82J am schwächsten Widerstand hochgehen. Dann noch die ältere (vmtl. schwächere Widerstandsserie), Umgebungstemperaturen bis 45°C, schnelle Schaltzyklen und das Kurzleistungsintegral landet bei 65..70J. Passt eigentlich ganz gut zusammen. Auch im US-Netz (60Hz) muss sehr viel zusammenkommen um die Widerstände zu überlasten. Die theoretischen Extrema lassen sich durch Kontrollen entschärfen. Und was letztenendes im "Datenblatt" steht / vorgegaukelt wird ist nochmal ne ganz andere Sache. Den Fall eines Eingangskondensators für ein Schaltnetzteil hab ich mir nicht angesehen.
Stephan schrieb: > Was denn nun, und um welchen Begrenzer genau geht es? Entschuldigt bitte. Ich habe mich vertan. Bei der angehangenen Simulation handelt es sich um einen Einschaltstrombegrenzer von Camtec. http://www.camtec-netzteile.de/data/1/camtec_esb101_d062016-01-0.pdf Dieser hat die angesprochenen vier 82 Ohm Widerstände verbaut. Achim S. schrieb: > In deiner Simulation ist alles echte Wechselspannung. Das hat dann > allerdings nichts mit deiner Eingangsfrage zu tun. Dort ging es darum, > wie die Hersteller des Einschaltstrombegrenzers auf eine maximale > kapazitive Last kommen. Deren maximale kapazitive Last ist nämlich die > kapazitive Last hinter einem Gleichrichter (wie es bei > Schaltnetzteilen... üblich ist). > > Dort ist es sinnvoll, denn Einschaltstrom zu begrenzen, denn sobald sich > der Kondensator einmal aufgeladen hat geht der Strom von selbst auf > "gesunde" Werte zurück. Für diese Konstellation hat der Hersteller die > maximale Lastkapazität spezifiziert und zwar auf Basis der > Pulsbelastbarkeit der Widerstände, wie von anderen schon ausführlich > beschrieben wurde. Bei diesem Fall habe ich doch aber das Problem, dass sich der Kondensator nach dem Gleichrichter immer wieder entläd, ich aber nich sagen kann, wie er entladen wird, weil man die hintere Schaltung nicht kennt. Das bedeutet ich kann nur von einem Kondensator hinter dem Gleichrichter ausgehen. Wenn dieser geladen wird, geht irgendwann der Ladestrom gegen 0 und die Belastung der Widerstände ebenfalls. Camtec gibt diesbezüglich keine Angaben an, wo sich die Kapazität befindet.
Sheriff Silver schrieb: > Bei diesem Fall habe ich doch aber das Problem, dass sich der > Kondensator nach dem Gleichrichter immer wieder entläd, ich aber nich > sagen kann, wie er entladen wird, weil man die hintere Schaltung nicht > kennt. Das bedeutet ich kann nur von einem Kondensator hinter dem > Gleichrichter ausgehen. Genau. Und nur für das Aufladen des Kondensators ist die Einschaltstrombegrenzung zuständig - weil die ansonsten einen Monsterstromstoß macht. Der dauerhafte Strom für die dahinter angeschlossene Last ist wesentlich kleiner, und fällt bei der Einschaltstrombegrenzung kaum ins Gewicht (der ist eher für die Sicherung von Interesse). Deshalb wird eine maximal zulässige Kapazität spezifiiert. Sheriff Silver schrieb: > Wenn dieser geladen wird, geht irgendwann der > Ladestrom gegen 0 und die Belastung der Widerstände ebenfalls. Wegen des Entladestroms geht die Belastung nicht ganz gegen Null. Für die Widerstände ist relevant, welche Gesamtenergie sie während dieses 70ms-Pulses wegstecken mussten. Sheriff Silver schrieb: > Bei der angehangenen > Simulation handelt es sich um einen Einschaltstrombegrenzer von Camtec. Dort kannst du dir Abb. 7 und 8 ansehen. Dann siehst du, dass es auch dort um einen Kondensator hinter einem Gleichrichter geht.
Achim S. schrieb: > Dort kannst du dir Abb. 7 und 8 ansehen. Dann siehst du, dass es auch > dort um einen Kondensator hinter einem Gleichrichter geht. Ja, dort sieht man, wie (Zitat pdf)... "...das Netzteil sauber in den Nennbetrieb startet und den Strom pulsförmig dem Netz entnimmt." Auf den Bildern also die typisch pulsförmige Stromaufnahme eines Gleichrichters mit Siebkondensator. Sogenannte "Nachladespitzen". Trotz der vollmundigen Beweihräucherung des Netzteiles 1kW aus eigener Produktion wundert mich allerdings schon, daß so ein 1kW Netzteil ohne PFC "noch existieren darf".
Achim S. schrieb: > Genau. Und nur für das Aufladen des Kondensators ist die > Einschaltstrombegrenzung zuständig - weil die ansonsten einen > Monsterstromstoß macht. Der dauerhafte Strom für die dahinter > angeschlossene Last ist wesentlich kleiner, und fällt bei der > Einschaltstrombegrenzung kaum ins Gewicht (der ist eher für die > Sicherung von Interesse). Deshalb wird eine maximal zulässige Kapazität > spezifiiert. Nochmal: es geht um den Einschaltstrombegrenzer von Camtec. Wie man trotzdem auf 1500µ kommt, versteh ich nicht. Im Anhang habe ich dazu nochmal die Simulation mit entsprechenden Gleichrichter. Da werden in den 300ms über den Widerständen auch nur 15.4 J umgesetzt. Ich denke es ist mehr oder weniger ein Kompromis, da der vorgeschaltete Gleichrichter auch nicht zu sehr belastet werden darf. Zusätzlich spielt bestimmt die maximale Spannung (Netzschwankungen) und die Frequenz mit rein. Ich muss darüber nochmal nachdenken. Ich danke für eure Hilfe und für eure Geduld.
Sheriff Silver schrieb: > Ich denke es ist mehr oder weniger ein Kompromis, da der vorgeschaltete > Gleichrichter auch nicht zu sehr belastet werden darf. Ich meinte nicht Gleichrichter, sondern Leistungsschutzschalter.
Sheriff Silver schrieb: > Da werden > in den 300ms über den Widerständen auch nur 15.4 J umgesetzt. Du hast ja auch keine Last. Wenn der Kondensator voll ist, fließt kein Strom mehr. Also musst Du bei der Simulation noch einen Lastwiderstand parallel schalten.
Sheriff Silver schrieb: > Ich denke es ist mehr oder weniger ein Kompromis, da der vorgeschaltete > Gleichrichter auch nicht zu sehr belastet werden darf. Zusätzlich spielt > bestimmt die maximale Spannung (Netzschwankungen) und die Frequenz mit > rein. Ich muss darüber nochmal nachdenken. Die Rechnung ist prinzipiell sehr einfach und wurde oben auch schon mal erklärt. Man schaut, wie viel Energie im Kondensator gespeichert wird, wenn er auf die Spitze der Netzspannung aufgeladen wird. Die selbe Energie müssen die Vorwiderstände schlucken. Also: 1/2*C*U^2=1/2*1,5mF*(325V)^2=79J Das ist ungefähr das Vierfache deines Werts (Vierfach weil 4 Widerstände, ungefähr, weil der Kondensator in 300ms nicht vollständig aufgeladen wird und weil ich ignoriere, dass an den Dioden auch etwas Leistung hängenbleibt). Also knapp 20J pro Widerstand ist nicht nichts, das muss das Teil erst mal wegstecken. Und das möglichst auch dann noch, wenn zwischen den Schaltvorgängen nicht beliebig viel Zeit liegt, und die Widerstände beim erneuten Einschalten noch "nachglühen" vom letzten Schaltvorgang.
Bitte melde dich an um einen Beitrag zu schreiben. Anmeldung ist kostenlos und dauert nur eine Minute.
Bestehender Account
Schon ein Account bei Google/GoogleMail? Keine Anmeldung erforderlich!
Mit Google-Account einloggen
Mit Google-Account einloggen
Noch kein Account? Hier anmelden.

