Moin alle zusammen, ich sitze gerade an meinem ersten großen AVR Projekt und brauche mal von euch bitte eine Antwort. Ich bin gerade an der Mindestbeschaltung beschäftigt und habe einen LC Filter für die AD- Wandlung drangemacht. Jetzt sehe ich aber, dass mein ATmega32u4 einen zweiten AVCC hat. Kann ich diesen Port direkt mit dem ersten LC-Filter verbinden oder braucht der einen eigenen LC-Filter? Ein Bild habe ich mal angehängt. Außerdem habe ich die Massefläche des Analogteiles vom Rest des digitalen Teils getrennt. Laut Recherche soll man das machen wegen den schnellen Schaltvorgängen der digitalen Komponenten. MFG
So wie ich das Datenblatt im Kopf habe sind alle VCC zusammen, und der AVCC ist per 100 Ohm am VCC angeschlossen und hat einen eigenen 100nF als Buffer. Der ARef ist alleine mit einem 100nF. Nicht vergessen, alle GND, alle VCC, und alle AVCC muessen angeschlossen werden.
Falls es nicht auf die letzten ADC-Bits ankommt, reicht eine Mindestbeschaltung. Ansonsten Analog- und Digigital-VCC über separate Spannungsregler und GND über Ferrit-Filter trennen. So kenne zumindest ich das.
AVR_Flüsterer schrieb: > Kann > ich diesen Port direkt mit dem ersten LC-Filter verbinden oder braucht > der einen eigenen LC-Filter? Im DB steht zu dem LC-Filter unter einem Bild (24-10): "The same circuitry should be used for AVCC filtering on the ADC8-ADC13 side." Die ADC 0-7 und 8-13 sind vermutlich getrennt an die AVCCs angeschlossen. Wenn du ADC-Inputs von beiden Blöcken nutzen willst, dann kann eine getrennte Filterung ein wenig Verbesserung bringen. Ob es zwingend notwendig ist? Glaube ich nicht ...
Bitte die Kondensatoren am Quarz ändern! 100nF ist drastisch zu viel, üblich sind 10pF bis 20pF.
Thomas O. schrieb: > Ich verwende immer 2 getrennte LC-Filter für VCC und AVCC. Warum das? Vcc braucht normalerweise keinen Filter sondern nur den obligatorischen Entkopplungskondensator. Tatsächlich befindet sich der LC-Filter zwischen dem Vcc- und AVcc-Anschluß, um die Störungen, die erster durch impulsförmige Stromaufnahme auf der Vcc-Rail verursacht, von letzterem fern zu halten.
Also ich habe jetzt 2 Filter eingebaut. Bild habe ich angehängt. Eine Frage hätte ich noch. Sind die GND-Pins alle gleich oder gibt es welche für den analogen und digitalen Teil? Durch das Datenblatt bin ich nicht schlauer geworden :( LG
Axel S. schrieb: >> Ich verwende immer 2 getrennte LC-Filter für VCC und AVCC. > > Warum das? Weil ich immer damit rechne das etwas Störungen auf die Leitung gelangen können und fahre damit ganz gut z.B. verwende ich auf meinen Platinen im Hausbus keinen Spannungsregler und trotz der zig Meter Zuleitung läuft alles stabil, zusätzlich fungiert die erste Spule als Begrenzungswiderstand für die Z-Diode.
Was du da machst, schadet wohl nicht, ansonsten sind halt die Versorgungsspannungsanschlüsse teilweise doppelt vorhanden. Haben aber die gleiche Funktion. Datenblatt lesen hilft manchmal: AVCC is the supply voltage pin (input) for all (!) the A/D Converter channels. If the ADC is not used, it should be externally connected to VCC. If the ADC is used, it should be connected to VCC through a low-pass filter. GND gibt's nur für USB extra.
Jacko schrieb: > Was du da machst, schadet wohl nicht, ansonsten sind halt die > Versorgungsspannungsanschlüsse teilweise doppelt vorhanden. > Haben aber die gleiche Funktion. > > Datenblatt lesen hilft manchmal: > > AVCC is the supply voltage pin (input) for all (!) the A/D Converter > channels. If the ADC is not used, it should be externally connected > to VCC. If the ADC is used, it should be connected to VCC through > a low-pass filter. > > GND gibt's nur für USB extra. Ich habe das Datenblatt vor mir. Ich habe ein Screenshot gemacht von dem, was ich meine. Gehören nun die Pins Nr. 34, 35 und 43 zum analogen Teil des AVRs? Im Screenshot wurde darüber ein Analog Ground Plane verlegt.
Pin 34 sicher nicht, das ist VCC. Der GND an Pin 43 wird sicherlich näher an den Analogteil gehen als andere GND-Pins. Irgendwelche Blockkondensatoren an AVCC und AREF sind mit kurzer Leitung zu Pin 43 am besten angeschlossen. Pin 43 ist GND und letztlich intern mit den anderen GND-Pins verbunden und das muss extern auch so sein. Falls nicht, muss es irgendwo im Datenblatt erwähnt werden --> suche! Ich würde alle GNDs direkt auf eine ausreichend niederohmige GND-Plane legen. Man könnte natürlich diesen Pin auf die Bezugsmasse der ADC-Quellsignale legen, aber auch dabei müssen sie mit den anderen Massen verbunden werden. Das mag was bringen, vor allem dann, wenn man es nicht schafft, die GND-Ströme der digitalen Signale vom Weg des GNDs der Analogsignale fernzuhalten. Ob das bei einem 10-Bit ADC schon eine große Relevanz hat, bezweifle ich allerdings.
AVR_Flüsterer schrieb: > Also ich habe jetzt 2 Filter eingebaut. Bild habe ich angehängt. 2 Induktivitäten für die beiden AVcc-Anschlüsse sind vermutlich nicht verkehrt. Ich habe das jetzt nicht nachgeschlagen, aber üblicherweise sind alle Vcc- und alle AVcc-Pins untereinander auf dem Chip verbunden. Die Filterwirkung von zwei externen Filtern ist dann nicht besser als die von einem. Aber schaden wird es schonmal nicht. > Eine Frage hätte ich noch. Sind die GND-Pins alle gleich oder gibt es > welche für den analogen und digitalen Teil? Durch das Datenblatt bin ich > nicht schlauer geworden :( Schau dir die Pin-Nummern an. xVcc und GND sind jeweils Paare. Andererseits sind chip-intern alle GND-Anschlüsse verbunden. Thomas O. schrieb: > Axel S. schrieb: >>> Ich verwende immer 2 getrennte LC-Filter für VCC und AVCC. >> >> Warum das? > > Weil ich immer damit rechne das etwas Störungen auf die Leitung gelangen > können und fahre damit ganz gut z.B. verwende ich auf meinen Platinen im > Hausbus keinen Spannungsregler und trotz der zig Meter Zuleitung läuft > alles stabil, zusätzlich fungiert die erste Spule als > Begrenzungswiderstand für die Z-Diode. OK. Dann ist das aber eine ganz andere Baustelle. Störungen von der Platine fernzuhalten ist natürlich ein valider Grund für einen weiteren Filter. Wobei ich das als Kaskade machen würde: Versorgungsspannungsanschluß -> Filter 1 -> Vcc -> Filter 2 -> AVcc
Habe gerade nochmal nachgesehen habe sogar einen Hauptfilter und dann paralle einen für VCC und AVCC. Platine sieht nicht besonderst hübsch aus, da ich da einige male mit sehr hoher Temperatur drüber bin, funktioniert aber. Also auf L1,L2 und L3 achten. L1 verwende ich 100µH und L2 und L3 sind es 10µH
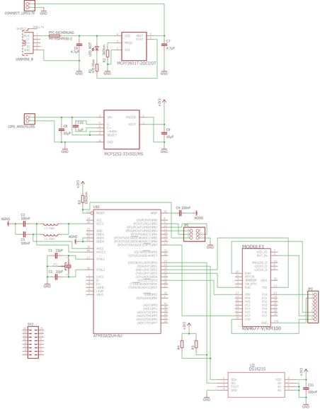
Hallo nochmals, ich habe mein aktuellen Schaltplan angehängt. Es ist noch nicht fertig. Das Datenblatt macht für mich gar kein Sinn, wenn die GNDs so oder so digital alle miteinander verbunden sind. Dann kann ich mir das Analog Ground Plane gleich sparen. Ich werde es dann halt entsprechend abändern. Danke für eure Ratschläge. MfG
AVR_Flüsterer schrieb: > Also ich habe jetzt 2 Filter eingebaut. Bild habe ich angehängt. du saugst also die AVCC Versorgung aus dem 2ten VCC Anschluß, kann man machen ist aber nicht im Sinne des Erfinders. Alle VCC sollen versorgt werden und nicht als Quelle dienen, das kann u.U. ins Auge gehen.
11,9 MB für jene Schaltplan ist bestimmt ein neuer Rekord. Beim nächsten mal wählst du beim Exportieren in Eagle bitte das Dateiformat .PNG aus.
Thomas O. schrieb: > 11,9 MB für jene Schaltplan ist bestimmt ein neuer Rekord. Beim nächsten > mal wählst du beim Exportieren in Eagle bitte das Dateiformat .PNG aus. Und konvertierst den Schaltplan nicht aus JPEG nach PNG, sondern erzeugst das PNG direkt aus dem Screenshot-Tool. Man sollte seine Werkzeuge kennen: Fotos aus dem echten Leben in JPEG. Screenshots und Computerzeichnungen als PNG. > 11,9 MB für jene Schaltplan ist bestimmt ein neuer Rekord. @ AVR_Flüsterer: Ich habe den Plan jetzt leider einen Schritt zu weit verkleinert. Häng ihn bitte nochmal als PNG(!!) an.
Habe ich doch geschrieben direkt aus Eagle als PNG exportieren da braucht man dann auch kein Screenshot Tool. Eagle ist nicht mein Werkzeug verwende seit einiger Zeit KiCAD.
Hallo, ich habe die Mindestbeschaltung vom AVR fertig. Ich hoffe, dass es so passt. Ich habe das Bild dieses Mal als .png angehängt. Ich habe aber noch eine Frage. Als Programmieradapter benutze ich ein "mysmartusb light". Die Programmierspannung kann ich zwischen 3V und 5V wechseln. Mein AVR wird mit 3.3V betrieben, damit ich mir das zusätzliche Levelshifting zu anderen ICs sparen kann. Kann ich mit dem Programmieradapter, den ich auf 3V einstelle, den AVR noch programmieren? MfG
Bitte melde dich an um einen Beitrag zu schreiben. Anmeldung ist kostenlos und dauert nur eine Minute.
Bestehender Account
Schon ein Account bei Google/GoogleMail? Keine Anmeldung erforderlich!
Mit Google-Account einloggen
Mit Google-Account einloggen
Noch kein Account? Hier anmelden.





