Wo finde ih bei diesem Encoder den Switch, DLK und DT? https://m.distrelec.ch/de/drehschalter-knitter-switch-merp-12-24-126-m9-gr/p/13584680?q=Encoder&filter_Breite~~mm=12.4&page=1&origPos=32&origPageSize=25&simi=99.82 Vielen Dank
Das steht doch alles im DaBla, das Du selber verlinkt hast... Gruss Chregu
William schrieb: > Wo finde ih bei diesem Encoder den Switch, DLK und DT? Augen aufmachen und damit ins Datenblatt gucken (Download unter "Downloads"). Was ist dein Problem?
Beitrag #5471952 wurde von einem Moderator gelöscht.
Ich finde es auf dem Datenblatt eben nicht.. Bzw verstehe nicht, wo ich suf dem Datenblatt schauen muss.
Beitrag #5471957 wurde von einem Moderator gelöscht.
Harte Worte, aber mir ging's auch durch den Kopf. :-) Glaube Troll! Gruss Chregu
Hi >Ich finde es auf dem Datenblatt eben nicht.. Bzw verstehe nicht, wo ich >suf dem Datenblatt schauen muss. Wo steht denn im Datanblatt A, B, C und D, E? MfG Spess
William schrieb: > Ich finde es auf dem Datenblatt eben nicht.. Bzw verstehe nicht, wo ich > suf dem Datenblatt schauen muss. Was suchst du überhabt? Was ist "es"? Das Ding hat drei Schalter, einer davon ist ein Taster und was du mit "DLK und DT" meinst, ist mir absolut schleierhaft.
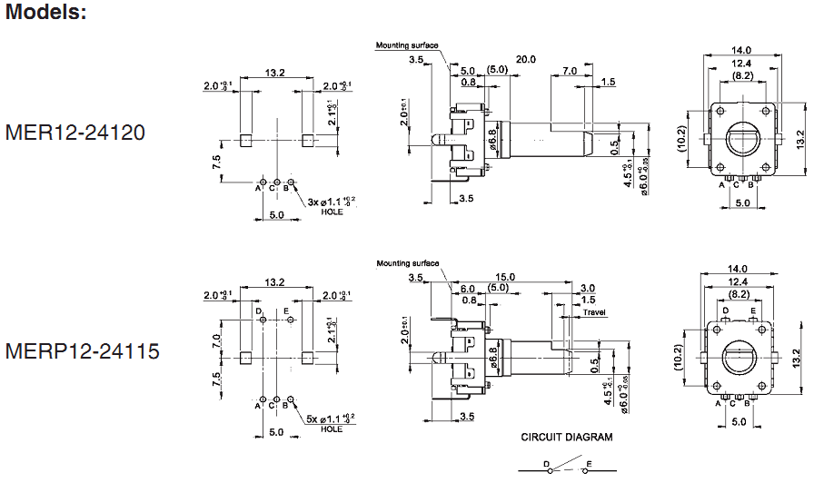
Hallo, spess53 schrieb: > Wo steht denn im Datanblatt A, B, C und D, E? steht an der Zeichung des Encoders, Lupe mitbringen. AB und BC im Signaldiagramm, DE muß man wohl vermuten, naja bleibt ja nicht soviel für den Taster übrig. Gruß aus Berlin Michael
Hi >steht an der Zeichung des Encoders, Lupe mitbringen. >AB und BC im Signaldiagramm, DE muß man wohl vermuten, naja bleibt ja >nicht soviel für den Taster übrig. Das war eigentlich als Wochenendaufgabe für den TO gedacht. MfG Spess
spess53 schrieb: > Wo steht denn im Datanblatt A, B, C und D, E? Bei der beleuchteten Version gibt es lt. Datenblatt D und E gar nirgends. Such mal nach ABC und 1234
> was du mit "DLK und DT" meinst, ist mir absolut schleierhaft. CLK und DT sind die beim Chinesen üblichen Bezeichnungen der beiden Ausgänge und finden sich dann so in den Arduinoprogrammen wieder. Typisch sind da gleich noch pullup-Widerstände auf den Platinchen. In der Glanzleistung eines übersichtlichen Datenblattes dürfte C = GND sein und CLK / DT sind A und B. Ich lege die beiden so auf, wie es von der Leitung am besten passt, dreht es falschrum, tausche ich die zwei Pins in der Software. Beim Taster wird entweder D oder E mit C (GND) verbunden, der andere entspricht dann China "SW". Michael U. schrieb: > DE muß man wohl vermuten Nö, das ist unter der Skizze abgebildet!
William schrieb: > DLK und DT? Md M. schrieb: > Wolfgang schrieb: >> was du mit >> "DLK und DT" meinst, ist mir absolut schleierhaft. Copy&Paste will irgendwie auch gekonnt sein. Wenn man das so verhunzt, kannst du nicht erwarten, dass das noch irgend jemand versteht. dl_K/dt ist die Geschwindigkeit - steht doch da.
Wolfgang schrieb: > dl_K/dt ist die Geschwindigkeit - steht doch da. Das war aber auch nicht als Behauptung von mir gedacht, hab es bloß für möglich gehalten, dass das gemeint ist. Manfreds Erklärung klingt auch nicht schlecht.
Md M. schrieb: > Manfreds Erklärung klingt auch nicht schlecht. Passt aber nicht zum "DLK" des TO. Vielleicht äußert er sich mal, wo er das her hat und was er damit will. Manfred schrieb: > Michael U. schrieb: >> DE muß man wohl vermuten > > Nö, das ist unter der Skizze abgebildet! Falsche Skizze. Die Typenbezeichnung "MERP 12 24 126 M9 GR" gehört zum beleuchteten Typ und der hat 7 Anschlüsse
Wolfgang schrieb: > Die Typenbezeichnung "MERP 12 24 126 M9 GR" gehört zum > beleuchteten Typ und der hat 7 Anschlüsse Der Link von William führt auf ein Datenblatt MER12-24120 / MERP12-24115, nichts mit Beleuchtung oder "1234". Der 24115 scheint das gleiche Pinout zu haben wie die Chinesen. Das ist eh Kindergarten Kasperletheater: Wenn ich das Datenblatt nicht verstehe, kann ich die drei Kontakte per Durchgangspieper binnen zwei Minuten ausmessen.
Manfred schrieb: > Der Link von William führt auf ein Datenblatt MER12-24120 / > MERP12-24115, nichts mit Beleuchtung oder "1234". Falsch. Der Link führt auf die Produktseite eines Drehgebers, der die Hersteller Typenbezeichnung "MERP 12 24 126 M9 GR" trägt. Mit der Lese- und Textverständniskompetenz scheint es hier schlechter bestellt zu sein, als es die Anfrage des TO vermuten lässt.
Manfred schrieb: > ... nichts mit Beleuchtung oder "1234". p.s. Wie würdest du denn "Illuminated Encoder" übersetzen? Sind meine Englishkenntnisse schon so eingerostet, obwohl ich täglich damit umgehe?
Wolfgang schrieb: > Falsch. Der Link führt auf die Produktseite eines Drehgebers, der die > Hersteller Typenbezeichnung "MERP 12 24 126 M9 GR" trägt. Stimmt, das klappe ich auf und lade das Datenblatt. Tatsächlich habe ich übersehen, dass es zwei Seiten hat und Deine 1234 auf Seite zwei auftauchen. A-C / B-C sind dennoch eindeutig, bei 1234 darf man raten, wo LED und Taster aufliegen. Wolfgang schrieb: > Sind meine Englishkenntnisse schon so eingerostet, obwohl ich täglich damit umgehe? Beruhige Dich wieder, auch mein Englisch ist hinreichend, am Telefon technische Sachverhalte zu erklären oder mit ein paar Leuten im Saal eine Systemschulung zu halten. Hat William (Gast) erfolgreich getrollt oder kommt er hier nochmal zum Vorschein?
Manfred schrieb: > A-C / B-C sind dennoch eindeutig, bei 1234 darf man raten, wo LED und > Taster aufliegen. Dann sind wir uns jetzt ja einig und spess53 wird da auch mitziehen ;-)
Hi
>Dann sind wir uns jetzt ja einig und spess53 wird da auch mitziehen
Willst du mich jetzt auch noch in diese, leider mitlerweile, übliche
Krümelkackerei mit einbeziehen? Das Thema war für mich schon seit
etlichen Beiträgen erledigt.
MfG Spess
spess53 schrieb: > Willst du mich jetzt auch noch ... Von dir stammt doch, der völlig irreführende Hinweis auf D und E, die es bei dem vom TO verlinkten Encoder gar nicht gibt ...
Hi >Von dir stammt doch, der völlig irreführende Hinweis auf D und E, die es >bei dem vom TO verlinkten Encoder gar nicht gibt ... MERP12-24115 S.179 (die Seite mit der 8 im gelben Feld) steht kein Symbol mit D-E an den Schalterkontakten? Vielleicht habe ich auch die Frage nach 'Switch' des TOs falsch interpretiert? Mfg Spess
spess53 schrieb: > MERP12-24115 S.179 (die Seite mit der 8 im gelben Feld) steht kein > Symbol mit D-E an den Schalterkontakten? Bei dem Encoder des TO handelt es sich aber um einen anderen Encoder, wenn du die Diskussion verfolgt hast - nämlich im den beleuchteten Typ "MERP 12 24 126 M9 GR", dessen Anschlussanordnung und Typenschlüssel auf der S.180 (Blatt2) dargestellt ist.
Hi >Bei dem Encoder des TO handelt es sich aber um einen anderen Encoder, >wenn du die Diskussion verfolgt hast - nämlich im den beleuchteten Typ >"MERP 12 24 126 M9 GR", dessen Anschlussanordnung und Typenschlüssel auf >der S.180 (Blatt2) dargestellt ist. Wo steht das in den beiden Beiträgen des TOs: Beitrag "Wie lese ich dieses Datenblatt eines Encoders?" Beitrag "Re: Wie lese ich dieses Datenblatt eines Encoders?"? MfG Spess
spess53 schrieb: > Wo steht das in den beiden Beiträgen des TOs: Lies dir den Thread einfach nochmal durch. Er verlinkt die Produktseite von Distrelect, auf der angegeben ist "Herst.-Teile-Nr. MERP 12 24 126 M9 GR". Daraus habe ich mir erlaubt zu schließen, dass der TO diesen Typ meint und es sich um den beleuchteten Typ mit 7 Anschlüssen handelt, weil anders der Typschlüssel nicht zuzuordnen ist. Alleine die Angabe der LED-Farben in der Typenbezeichnung lässt da doch keinen Interpretationsspielraum.
Bei Knitter-Switch findet sich das Datenblatt eines ähnlichen Types, allerdings mit 3 LED (RGB), bei dem die Pinbelegung (3-5Pins) vernünftig angegeben ist. http://www.knitter-switch.com/var/pms/model-1052/MERP12-24225%20M.pdf In Analogie dazu wäre die Arbeitshypthese: Pin 1 - Kathode LED1 Pin 2 - Kathode LED2 Pin 3 - Taster Pin 4 - gemeinsamer Anschluss (Anode LED 1/2 und Taster) Das muss beim MERP 12 24 126 M9 GR nicht so sein, sollte sich aber leicht rausfinden lassen (Multimeter mit LED-tauglicher Diodenprüffunktion oder Netzteil 5V mit 1kOhm Vorwiderstand).
Wolfgang schrieb: > sollte sich aber leicht rausfinden lassen (Multimeter mit LED-tauglicher > Diodenprüffunktion oder Netzteil 5V mit 1kOhm Vorwiderstand). Es wurde alles gesagt, nur noch nicht von jedem! William unterdessen klatscht sich seinen dicken Bauch vor lauter Lachen und stopft sich eine weitere Tüte Chips in selbigen ...
Hi >Er verlinkt die Produktseite von Distrelect, auf der angegeben ist >"Herst.-Teile-Nr. MERP 12 24 126 M9 GR". Daraus habe ich mir erlaubt zu >schließen, dass der TO diesen Typ meint und es sich um den beleuchteten >Typ mit 7 Anschlüssen handelt, weil anders der Typschlüssel nicht >zuzuordnen ist. Alleine die Angabe der LED-Farben in der >Typenbezeichnung lässt da doch keinen Interpretationsspielraum. OK. Das hatte ich so nicht beachtet. Aber vielleich meldet sich der To sich nochmal und klärt das Ganze. MfG Spess
Leider finde ich immer noch nicht, was ich will... Könnte mir jemand ein Screenshot des Datenblattes machen mit der markierten Info? Bitte Vielen Dank
William schrieb: > Könnte mir jemand ein Screenshot des Datenblattes machen mit der > markierten Info? Dann formuliere bitte mal ganz sauber, was du wissen möchtest.
Warum seid ihr so anfängerunfreundlich?! Du sollst einen Screenshot machen. Ist das schon zu schwer für dich?!
William schrieb: > Warum seid ihr so anfängerunfreundlich?! > Du sollst einen Screenshot machen. Ist das schon zu schwer für dich?! Möchtest Du Unterstützung bekommen oder hier herumpampsen? Du hast nach den drei Leitungen gefragt, das ist im Thread wohl schon erklärt. Wenn das für Dich nicht genügt, definiere Deine Frage präziser. Weiter vorne wurde nach dem genauen Typ gefragt: Hast Du einen Drehencoder mit LED, mit zwei LEDs oder ohne?
Manfred, bist du nicht ganz richtig um Kopp?! Du sollst im Screenshot die Info markieren!
Du elender Volltrottel, wo muss ich im Datenblatt schauen?
William schrieb: > wo muss ich im Datenblatt schauen? Das kann dir keiner sagen, weil keiner weiß, was du suchst. Wenn das, was du suchst, tatsächlich "DLK" und "DT" heißt, musst du erklären, was das sein soll. Aber ich fürchte jetzt bist du eh auf dich allein gestellt. Viel Glück.
Wie lese ich ein Datenblatt? Ich brauche es in meiner Diplomarbeit. Bisher keine Lust zum Lernen gehabt.
William schrieb: > Wie lese ich ein Datenblatt? Ich brauche es in meiner Diplomarbeit. Quatsch. Versuch's ohne.
Ach Leute, früher war alles besser. Nicht nur die Zukunft, auch die Trolle! :( Gast=Gast?
Bitte melde dich an um einen Beitrag zu schreiben. Anmeldung ist kostenlos und dauert nur eine Minute.
Bestehender Account
Schon ein Account bei Google/GoogleMail? Keine Anmeldung erforderlich!
Mit Google-Account einloggen
Mit Google-Account einloggen
Noch kein Account? Hier anmelden.






