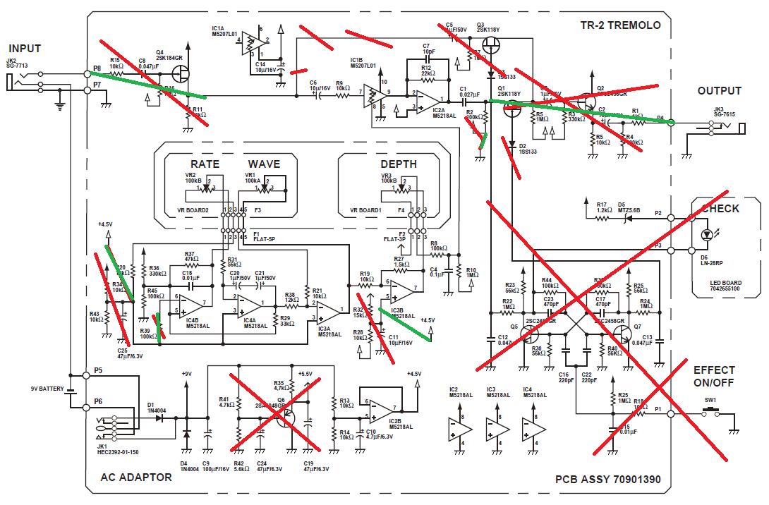
Hallo, ich möchte mir die im Anhang befindliche Schaltung aufbauen. Ich habe ein paar Änderungen eingezeichnet, die ich durchführen möchte. Das Original verwendet einen Transistorbypass. Den baue ich um, zu einem True-Bypass mit mech. Schaltern. Alles was nicht benötigt wird, habe ich rot durchgestrichen. Grün sind von mir gemachte Änderungen. Diese sind hauptlich bei den Hilfsspannungen. Es gab z.B. zweimal 4.5V, die ich nun miteinander (opamp) verbunden habe. Werden meine Änderungen so (prinzipiell) funktionieren?
Entschuldigung, der Beitrag sollte eigentlich in analoge Forum.
Soweit ich es übersehe, ja, wobei ich nicht ganz verstehe, warum Du den offset bei der Steuerschaltung für den VCA rausgenommen hast.
Was meinst du genau? Ich muss natürlich noch am Pin 7 von OTA das Signal um 4.5V Gleichspannung erhöhen. Meinst du das?
Für den direkten Anschluss einer Gitarre ist der Sourcefollower am Eingang keine schlechte Idee. Da ich im Moment kein Datenblatt des M5207 auftreiben kann, weiss ich nicht, wie hoch die Eingangsimpedanz des Chips ist.
Guitarrero schrieb: > Werden meine Änderungen so (prinzipiell) funktionieren? Hmm, der teure M5207 arbeitet (unipolar) von 7V (nicht 4 wie im Datenblatt steht, das gehört eine Zeile höher als +/-4) bis 32V, wenn man in deine Schaltung mit 9V reingeht, eine Diode, macht 8.3V, dann reicht das bei einem stabilisierten Steckernezteil, wird aber bei einer Batterie schwer, die hat 9V nur im Laden und lässt dann während der Benutzung bis auf 5.6V nach. Man will ja wohl nicht immer halbvolle 9V Batterien tauschen. Ich würde 2 9V Blöcke nehmen, dann entfällt auch die Erzeugung der virtuellen Masse und die Koppelkondensatoren müssen keinen Gleichspannungsoffset überbrücken mit Einshcltplopp. Wenn man die doch haben will: Die kann der M5207 alleine, er hat schn die Spannungsteiler drin, mit einem Elko stabilisieren wie im Datenblatt "single power source is used" gezeigt und alles ist gut. Dein C1 ist als Ausgangskondensator bei unbekannt niederohmiger Ausgangslast etwas klein geraten. Ob die Steuerung mit Rate, Wave und Depth nach deinen Änderungen noch funktioniert, habe ich wegen Unübersichtlichkeit nicht betrachtet.
Michael B. schrieb: > 9V nur im Laden und lässt dann während der > Benutzung bis auf 5.6V nach. Wieso? Michael B. schrieb: > Ich würde 2 9V Blöcke nehmen, dann entfällt auch die Erzeugung der > virtuellen Masse und die Koppelkondensatoren müssen keinen > Gleichspannungsoffset überbrücken mit Einshcltplopp. Das möchte ich nun eigentlich überhaupt nicht. Michael B. schrieb: > Ob die Steuerung mit Rate, Wave und Depth nach deinen Änderungen noch > funktioniert, habe ich wegen Unübersichtlichkeit nicht betrachtet. Was ist denn unübersichtlich? Michael B. schrieb: > Dein C1 ist als Ausgangskondensator bei unbekannt niederohmiger > Ausgangslast etwas klein geraten. Den würde ich auf 1uF vergrößern.
Bitte melde dich an um einen Beitrag zu schreiben. Anmeldung ist kostenlos und dauert nur eine Minute.
Bestehender Account
Schon ein Account bei Google/GoogleMail? Keine Anmeldung erforderlich!
Mit Google-Account einloggen
Mit Google-Account einloggen
Noch kein Account? Hier anmelden.
