Hallo Leute, ich arbeite zur Zeit an einem empfindlichen Photodiodenverstärker. Die Schaltung besteht aus Transimpedanzwandler, nachfolgende Verstärkerstufen, Filter und AGC-Stufe. Dazu kommt noch eine rauscharme Spannungsversorgung. Die Schaltung funktioniert soweit, es gibt nur ein Problem - beim Einschalten kommt es leicht zu einem Latch-Up. Anstelle von normalen ~70mA werden fast 1A gezogen was einen Phasenübergang (fest - gasförmig) des Spannungsreglers zur Folge hat. Verhindern lässt sich das, indem zuerst die postive und dann die negative Spannungsversorgung eingeschaltet wird. Doch auch hier kommt es während der kurzen Zeit in der nur die positive Spannung anliegt zu einem unangenehm hohen Stromverbrauch. Wie geht man damit um? Wie machen das die Profis? Alex
Alex G. schrieb: > Wie machen das die Profis? Die suchen den Fehler. z.B. indem sie die Schaltung Teil für Teil abklemmen, bis der Latchup Effekt verschwindet, oder alternativ Teil für Teil in Betrieb nehmen bis der Latchup auftritt. Um dazu nicht Unmengen an Spannungsregler in den gasförmigen Aggregatszustand zu überführen hilft eine passend eingestellte Strombegrenzung der Versorgung. Wenn das Teilsystem gefunden ist, hilft oft das Datenblatt der Bauteile weiter warum es ggf. zu Latchup Effekten kommt.
Nebel Stocherer schrieb: > Die Profis zeigen einen Schaltplan. Kein Scherz, es gibt momentan keinen - sorry. Muss aber noch gemacht werden, kommt also noch.
Alex G. schrieb: > Kein Scherz, es gibt momentan keinen - sorry. Ohne Schaltplan gibts auch keinen sinnvollen Lösungsvorschlag. Latch-Effekte können u.a. entstehen, wenn du Signale an die Eingänge eines ICs legst, bevor dieses mit Spannung versorgt wird.
@Alex G. (alex94) >> Die Profis zeigen einen Schaltplan. >Kein Scherz, es gibt momentan keinen - sorry. Muss aber noch gemacht >werden, kommt also noch. Das ist selbst für Bastler Pfusch^3. Und DU wunderst dich, daß du Probleme hast?
Alex G. schrieb: > Kein Scherz, es gibt momentan keinen - sorry. In diesem Fehlen liegt wohl auch der Hund (der Fehler) begraben.
R7 ist zu klein. Würde ihn doppelt so groß machen ;-) Aber interessante Montageart für einen IC..
Der Watson meint, Käfer mögen es vielleicht nicht, wenn man sie auf den Rücken legt und mit Drähten festbindet...
Alex G. schrieb: > Die Schaltung funktioniert soweit, es gibt nur ein Problem - beim > Einschalten kommt es leicht zu einem Latch-Up. Anstelle von normalen > ~70mA werden fast 1A Das ist ja ein cooler Strick. :-) (Ich sehe fast nur Kondensatoren.) Welches IC ist den dafür verantwortlich? Müsste doch warm werden - obwohl gut gekühlt sind die ja mit dem Rücken auf der Kupferfläche. LG old.
Sherlock schrieb: > Der Watson meint, Käfer mögen es vielleicht nicht, wenn man sie auf den > Rücken legt und mit Drähten festbindet... Da haben wir den Bug doch gefunden.
> Wie machen das die Profis?
Vor allem haben die mal die Strombegrenzung ihres Labornetzteils auf
100mA gestellt. :-)
Olaf
Mach mal jeweils eine "starke" Schottky-Diode antiparallel zur +Versorgung und -Versorgung. Hintergrund: Wemm an ICs hat die mit +V und -V versorgt werden, dann zieht es eventuell die -V über 0V. Wenn dann einzelne Eingänge hart auf Masse liegen besteht latchup-Gefahr.
MiMa schrieb: > R7 ist zu klein. Würde ihn doppelt so groß machen ;-) Das hast Du falsch abgelesen. Das ist "immer" der R42! https://de.wikipedia.org/wiki/42_(Antwort) > Aber interessante Montageart für einen IC.. Das ist die in HF-Schaltungen gern benutzte "dead bug"-Methode (ernsthaft).
Alex G. schrieb: [Foto von Drahtverhau] (...) > Nebel Stocherer schrieb: >> Die Profis zeigen einen Schaltplan. > Kein Scherz, es gibt momentan keinen - sorry. YMMD. Wie baut man denn so einen Verstärker, ohne zumindest eine Handskizze der Schaltung zu haben? Ich schwanke zwischen Bewunderung und Ungläubigkeit.
Aus der W. schrieb: > Welches IC ist den dafür verantwortlich? Müsste doch > warm werden - obwohl gut gekühlt sind die ja mit dem > Rücken auf der Kupferfläche. Ja deswegen konnte ich den Schuldigen noch nicht ertasten :) Olaf schrieb: > Vor allem haben die mal die Strombegrenzung ihres Labornetzteils auf > 100mA gestellt. :-) Hab nirgendwo geschrieben wie oft das bisher passiert ist. Lol Helmut S. schrieb: > Mach mal jeweils eine "starke" Schottky-Diode antiparallel zur > +Versorgung und -Versorgung. Werde ich versuchen. Dankeschön. Nebel Stocherer schrieb: > Ich bin mir sicher dass R42 falsch dimensioniert ist. Schaltplan kommt heute Abend. Vielen Dank schonmal für die Antworten.
Harald W. schrieb: > Das hast Du falsch abgelesen. Das ist "immer" der R42! > https://de.wikipedia.org/wiki/42_(Antwort) Da bin ich wohl im Layout eine Zeile verrutscht Alex G. schrieb: > Schaltplan kommt heute Abend. Wirklich alles aus dem Kopf aufgebaut/überlegt/berechnet?
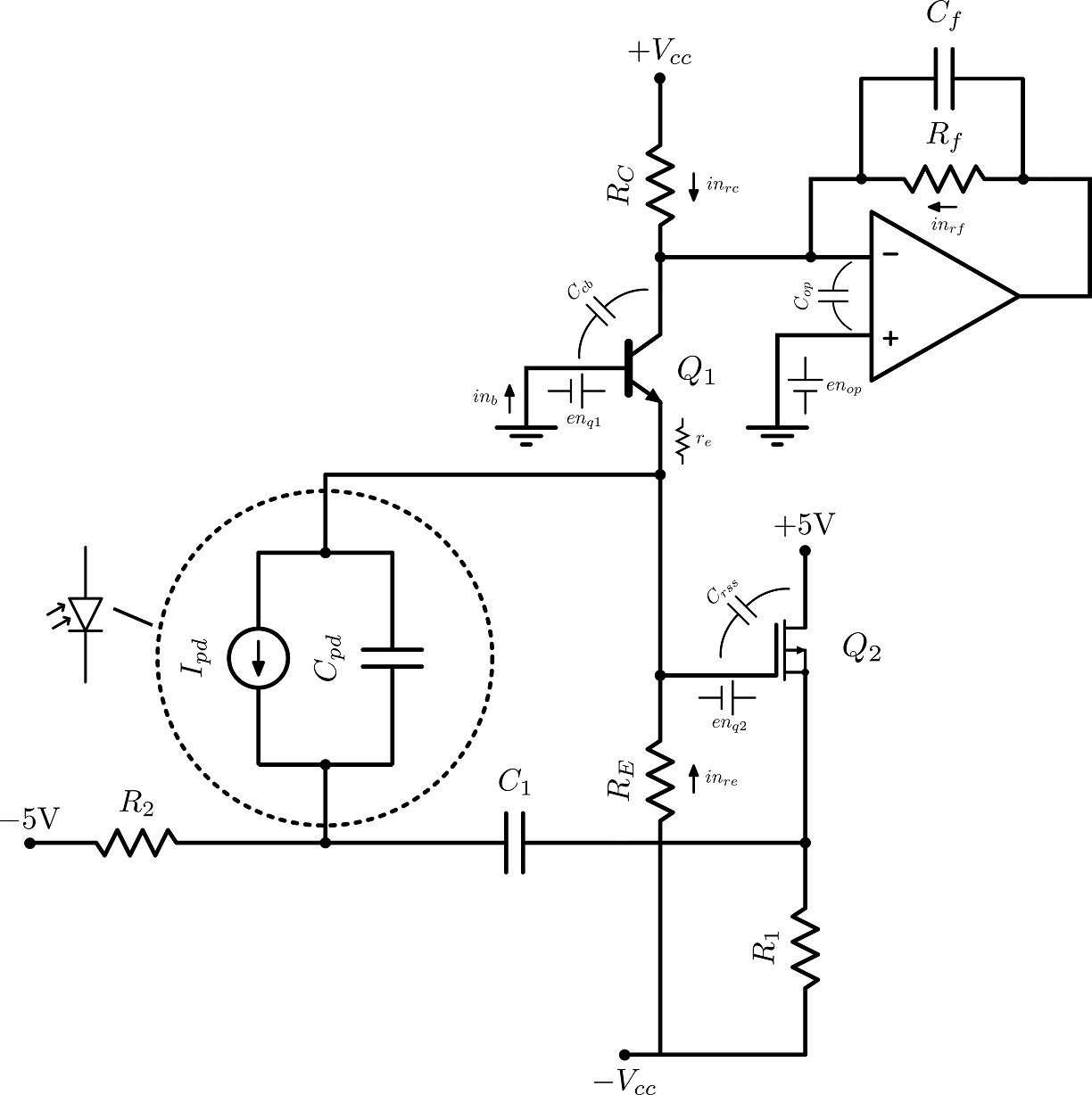
MiMa schrieb: > Wirklich alles aus dem Kopf aufgebaut/überlegt/berechnet? Nein natürlich nicht. Allerdings nichts vollständiges. Auch wurden viele Werte "on the fly" angepasst. Die meiste Mühe steckt in der ersten Stufe. Dazu existiert auch einiges an Material.
Lt. Plan ist Q2 ein PMOS, der mit Drain an +5V und mit Source über R1 an -Vcc angeschlossen ist. Die intrinsische Diode ist damit in Flussrichtung geschaltet. Soll das so sein? Wie groß ist R1? Welche Spannung liegt an? Wird der warm?
Der inv-Eingang kann bis zu -0V7 unter GND gezogen werden. Ob es daran liegt? Dieser Beitrag ist gut: Beitrag "Re: Latch-Up beim einschalten" LG old.
Bitte melde dich an um einen Beitrag zu schreiben. Anmeldung ist kostenlos und dauert nur eine Minute.
Bestehender Account
Schon ein Account bei Google/GoogleMail? Keine Anmeldung erforderlich!
Mit Google-Account einloggen
Mit Google-Account einloggen
Noch kein Account? Hier anmelden.

