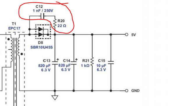
Bei Schaltungsbeispielen zu Schaltnetzeilen findet man an der sekundärseitigen Ausgangsdiode häufig eine parallele RC Beschaltung. Kann mir jemand erläutern welchen Zweck diese erfüllt und wie man diese richtig auslegt? Manchmal ist auch alternativ eine Induktivität in Reihe geschaltet. Sollte man eine solche auch gleich mit einbauen?
Bei deiner Schaltung ist es ein Hochpass-Filter Es gibt noch den Tiefpass-Filter da sind R und C getauscht. Mehr auf: https://de.wikipedia.org/wiki/RC-Glied https://www.loetstelle.net/grundlagen/rcglied/rcglied.html
EMV Beschaltung...kann die Abstrahlung reduzieren. Muss man im Labor testen. Geht aber auf den Wirkungsgrad....
goehte schrieb: > Kann mir jemand erläutern welchen Zweck diese erfüllt verringert die Umschaltgeschwindigkeit der Diode und damit EMV. Georg
Das übliche: "Switching supplies may incorporate snubber circuits to absorb some of the energy in voltage spikes generated during switching action, reducing the overvoltage stress on the switch and diode. However, a snubber cannot eliminate the power loss caused by the spikes. The snubber network resistors dissipate the power otherwise dissipated in the switch or rectifier diode. " MfG
Im Sperrfall fliesst ein Strom Rückwärts durch die Diode, bis die Ladungsträger ausgeräumt sind. Das heizt die Dioden auf. Das RC Glied entlastet die Dioden zu Lasten der Effizienz und verbessert das EMI Verhalten (Schwingungen im Mhz Bereich beim Sperren). Bei simplen 50Hz Gleichrichtern sieht man sowas auch manchmal. Da ist das nur für EMI. Da kann man keine generellen Empfehlungen geben. Es gibt einige Methoden das in den Griff zu bekommen. Pseudo Resonantes Schalten, SiC Dioden etc. pp. Oft genug braucht man da garnix und das RC Glied ist nur als unbestückte Option vorgesehen.
Es gibt auch nicht-dissipative Entlastungsnetzwerke (non dissipative snubber) um die Energie aus dem Kondensator wiederzugewinnen. Bekanntes Beispiel beim Flyback:
1 | o--+-----------. .-->|--o |
2 | | )|( Dr |
3 | - Dc )|( |
4 | ^ | '------o |
5 | | Csn | |
6 | +---||------+ |
7 | | | |
8 | ) Ld | |
9 | ) | |
10 | | ||-+ entnommen |
11 | - ||<- VL Schaltnetzteile |
12 | ^ Dd -||-+ T. Dürbaum |
13 | | | EMF.EEI.fau.de |
14 | o--+-----------+ |
Rainer S. schrieb: > Bei deiner Schaltung ist es ein Hochpass-Filter > Es gibt noch den Tiefpass-Filter da sind R und C getauscht. Und ich hatte Realsatiere im Kopf - dann kamen die Links...
Bitte melde dich an um einen Beitrag zu schreiben. Anmeldung ist kostenlos und dauert nur eine Minute.
Bestehender Account
Schon ein Account bei Google/GoogleMail? Keine Anmeldung erforderlich!
Mit Google-Account einloggen
Mit Google-Account einloggen
Noch kein Account? Hier anmelden.
