Guten Tag, ich möchte mit 3 Tastern ein 24V Signal schalten. Das heisst von meiner Schaltung soll ein Kabel weggehen mit 4 adern. 3 mal schalten 1mal GND. Die Schaltung soll über ein Netzteil Versorgt werden. Geschaltet werden sollen 24V kleinsignal Relais. Die Funktion soll so aussehen, Taster1 kurz gedrückt Ader1 Signal High und soll High bleiben. 2 und 3 LOW Taster2 kurz gedrückt Ader 2 High soll High bleiben. 1 und 3 Low Taster3 kurz gedrückt ader 3 soll High bleiben. High 1 und 2 Low wie würdet ihr das machen, gibt es dafür vielleicht ein Ic ? Mfg Huber M.
Mit geeigneten Hilfskontakte in den Relais, braucht man da über haut keine zusätzliche Elektronik. -> Selbsthaltung (Schließer überbrückt den Taster) und eine gegenseitige Verriegelung, über einen Öffner der jeweiligen anderen Relais im Selbsthaltungskreis.
Michael H. schrieb: > Taster3 kurz gedrückt ader 3 soll High bleiben. High 1 und 2 Low Daß bei Taster 3 die Funktion anders ist (statt "1 und 2 low" steht da ja "high 1 und 2 low" - interpretierbar als "1 high, 2 low"), ist entweder Absicht, oder ein Tippfehler. ?
Michael H. schrieb: > wie würdet ihr das machen, 1. Drehschalter mit 3 Stellungen. 2. Tastenagregat mit gegenseitiger Entriegelung. 3. Relais mit Hilfskontakten(Öffner). BtW. Brauchst du "Make befor Break" oder "Break befor Make"?
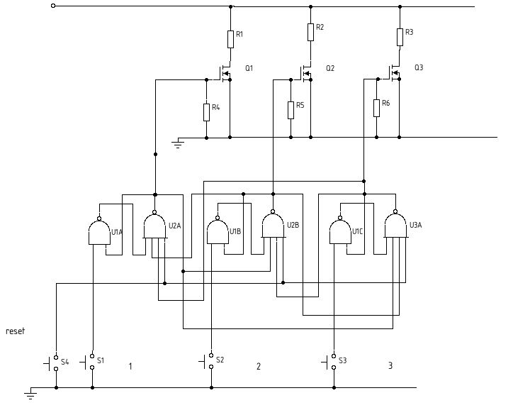
4. klassische Logik Bspw. 1x4011, 1 1/2 4012, Resetlogik wg. definiertem Einschalten und Vesorgung fehlen. --- evtl. auch mit drei-Eingangs-Nand wenn ein bestimmter Einschalt-Zustand gewuenscht ist, Mono an entsprechen Eingang 5. μC 6. SPS Sinu..... 7. ....
Michael H. schrieb: > wie würdet ihr das machen, gibt es dafür vielleicht ein Ic ? Das ATtiny85 könnte das vielleicht gerade noch schaffen ...
Untergliederung in Aufbau: mechanisch wie elektrisch die Schaltstelle mit den Tastern und deren Verschaltung, dann der Übertragungsweg als Kabel und am anderen Ende dann die ausführenden Aktoren? Alles wirkt miteinander und muß in dem Konzept beachtet werden, auch wenn das Kabel länger oder bewegl. wie gefährdet gegen Bruch oder Schnitt sein sollte. Sind jetzt aber keine großartigen Anforderungen? Die Steuerstelle mit den 3 Tastern soll dann auch noch einen U-Versorgung haben, also ein Gerät mit Netzteil an sich selbst sein? Warum so viel Aufwand? Ohne weitere Erklärungen nur schwer ratsam. V.a. wegen dem Aufwand ..
Bitte melde dich an um einen Beitrag zu schreiben. Anmeldung ist kostenlos und dauert nur eine Minute.
Bestehender Account
Schon ein Account bei Google/GoogleMail? Keine Anmeldung erforderlich!
Mit Google-Account einloggen
Mit Google-Account einloggen
Noch kein Account? Hier anmelden.
