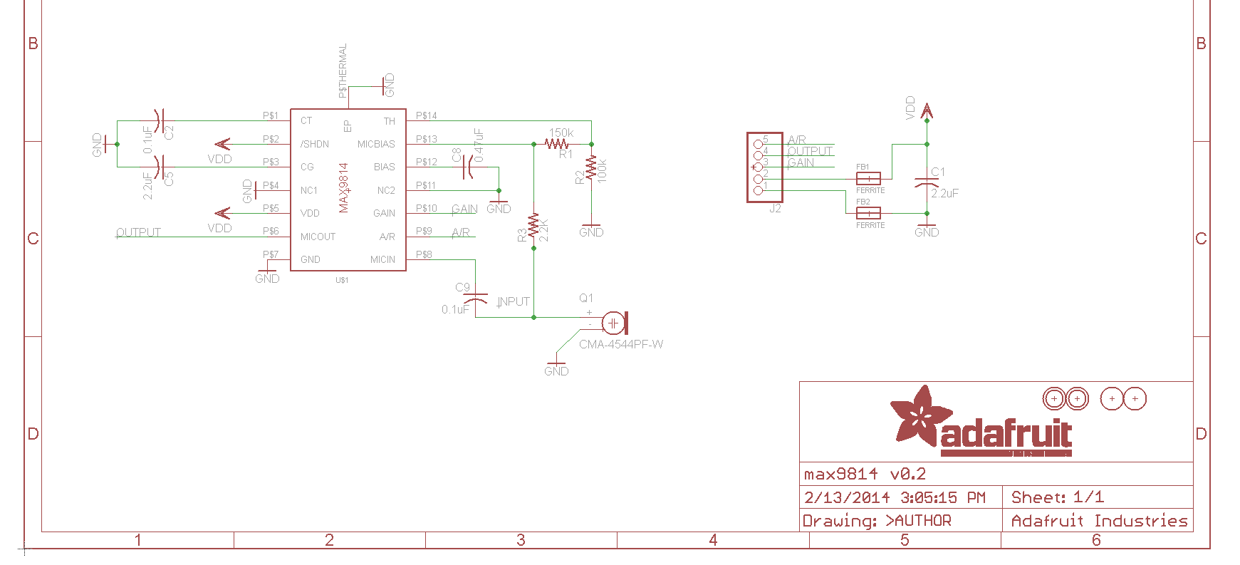
Hallo zusammen, ich betreibe einen max9814 auf einem adafruit-Breakoutboard an einer "unsauberen" Spannungsversorgung, was ein entsprechendes Spektrum an Störgeräuschen zu Folge hat. Meine Idee war jetzt ein LC-Filter vorzuschalten. Nach f=1/(2pi*sqrt(LC)) mache ich L und C richtig fett, sagen wir 100mH und 1000µF und basteln uns so eine Grenzfrequenz von 16Hz. Allerdings haben ja so große Kapazitäten und Induktivitäten auch noch anderen "parasitäre" Eigenschaften welche der Wirksamkeit des Filters (abblocken von hohen Frequenzen) eher unzuträglich sein könnten. Wie wählt man also in diesem Fall die Bauteile richtig wenn nicht nach der o.g. Formel, bzw. welche "parasitären" Kennwerte von L&C sind hier wichtig zu beachten? Vielen Dank im voraus!
Bernd.B schrieb: > Wie wählt man also in diesem Fall die Bauteile richtig > wenn nicht nach der o.g. Formel, Nach der Eigenresonanz (=Serienresonanz). > bzw. welche "parasitären" Kennwerte von L&C sind hier > wichtig zu beachten? Die Eigenresonanzfrequenz.
Moin, Die Spule sollte eine niedrige Guete aufweisen. Also so niedrig, dass es eigentlich schon eher ein "induktiv gefaerbter" Widerstand ist. Sonst werden Stoerungen, die bei der Resonanzfrequenz liegen noch verstaerkt. Gruss WK
Egon D. schrieb: > Eigenresonanz (=Serienresonanz) Das stimmt (im großen und ganzen*) beim C, nicht aber bei der L. (Es gibt verschieden akkurate Arten ESBs/Ersatzschaltbilder. Im Grunde geht es darum, was gerade [aktuelle/s Frage bzw. Problem] von großem Einfluß ist, und was wiederum vernachlässigbar.) Beim C / Kondensator ist es (einfaches ESB) eine m.o.w. simple Serienresonanz. ESL und auch ESR liegen nämlich mit der idealen Kapazität C in Reihe. Genauer betrachtet kommt noch etwas hinzu: Der Leckstrom fließt direkt durchs Dielektrikum, darum liegt auch im exakteren ESB ein Widerstand parallel zum C. Das ändert natürlich nicht die Art der Resonanz. Bei der L / Induktivität jedoch liegt (einfaches ESB) eine ideale Spule + DC- (= Draht-) Widerstand zwar seriell, aber der EPC (der parasitäre Kondensator) liegt zu jener Serienschaltung parallel - was zu einer Parallelresonanz führt. Und wie zuvor gibt es auch hier wieder ein etwas exakteres ESB. Bei diesem wird der idealen Spule noch ein Widerstand parallel geschaltet, der die Kern- ("Eisen-") Verluste darstellt. Erneut ändern beide Ergänzungen natürlich nicht die Art der Resonanz. Bernd.B schrieb: > mache ich L und C richtig fett Bernd.B schrieb: > Wie wählt man also in diesem Fall die Bauteile richtig Da z.B. Drosseln mit recht hoher Induktivität, jedoch auch noch sehr geringer EPC (und folglich hoher Resonanzfrequenz) ziemlich teuer werden könnten, wird sowohl die Dimensionierung (L-/C-Wert) wie auch die Auswahl der Typen eine Frage der Form und Amplitude der Störung sein müssen. Und auch eine Frage des erlaubten Pegels nach dem Filter (der wiederum von der Schaltung abhängt). HTH erst mal...
Ach ja: Für die Spule eines LC-TP-Filters gibt es wenig Hoffnung, wenn sie hohe parasitäre Parallelkapazität hat - sie ist "HF-durchlässig" - und den EPC zu sperren + die L durchlässig lassen ist unmöglich. Beim Kondensator dieser Schaltung sieht es meist anders aus. Benötigt man nämlich sowohl hohe Kapazität, als auch niedrige ESR und ESL Werte (niedriger als es der gewählte / verfügbare C-Typ mit ausreichend hoher Kapazität bietet), kann man sich hier mit der Parallelschaltung zweier oder gar noch mehrerer Typen/Arten von Kondensatoren behelfen. Das wissen zwar die meisten schon, aber erwähnenswert ist es doch.
sehr kurz angebunden schrieb: > Egon D. schrieb: >> Eigenresonanz (=Serienresonanz) > > Das stimmt (im großen und ganzen*) beim C, nicht > aber bei der L. Du hast Recht; ich hätte die Klammer weglassen sollen. Eigenresonanz stimmt immer :)
Vielen Dank für die super Erklärungen... Frage: -Finde ich die zugehörigen Werte der angesprochenen ESBs in einem Datenblatt von einem C oder L ? Danke!
Bitte melde dich an um einen Beitrag zu schreiben. Anmeldung ist kostenlos und dauert nur eine Minute.
Bestehender Account
Schon ein Account bei Google/GoogleMail? Keine Anmeldung erforderlich!
Mit Google-Account einloggen
Mit Google-Account einloggen
Noch kein Account? Hier anmelden.
