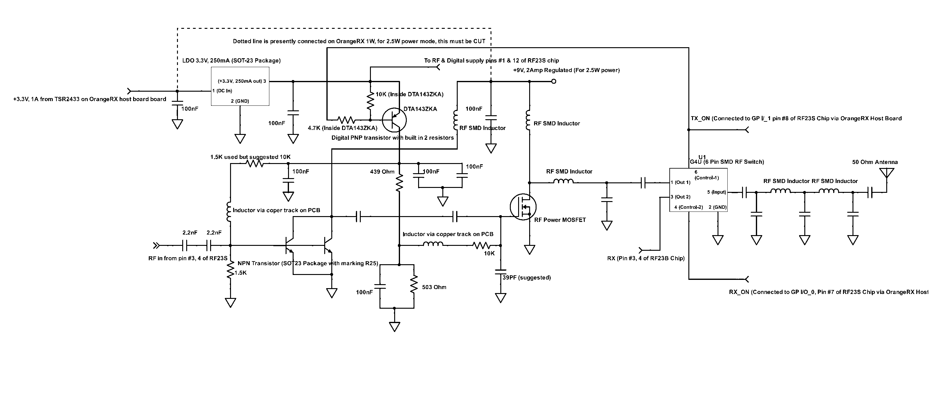
Hi, wenn man dem Endstufentransistor einfach die Versorgungsspannung wegnimmt, scheint noch etwas HF über die Basis-Kollektor Strecke zum TRX-Schalter zu fließen. Ist das HF-technisch noch OK, oder wird die Schaltung dann zu einem Störsender?
Das Ding dürfte dann Oberwellen ohne Ende produzieren.
> wird die Schaltung dann zu einem Störsender?
[x]
Warum nicht einfach ein Dämpfungsglied an den Antennenausgang?
Felix U. schrieb: > Warum nicht einfach ein Dämpfungsglied an den Antennenausgang? Da es sich um einen Sender handelt, brauchst du eins, was die Leistung aushält. Besser ist es in diesem Falle, in den Signaleingang ein Dämpfungsglied zu schalten.
Wolle schrieb: > Besser ist es in diesem Falle, in den Signaleingang ein > Dämpfungsglied zu schalten. Ist es bei diesen RF Transistoren nicht so, dass die auch eine relativ eng definierte Eingangs-Signalleistung brauchen?
Felix U. schrieb: > Ist es bei diesen RF Transistoren nicht so, dass die auch eine relativ > eng definierte Eingangs-Signalleistung brauchen? nur wenn sie im C-Betrieb laufen. Das hier scheint aber eher B-Betrieb zu sein, da die HF Transistoren eine Vorspannung an der Basis bekommen. Allerdings muss auch im B-Betrieb der Zusamenhang zwischen Ein und Ausgangsleistung nicht zwingend ein linearer sein. Ralph Berres
Hier mal was Museal-Dinosaurierhaftes, mit der durch Drehung der inneren Spule die übertragene Leistung eingestellt werden kann. (Hochleistungssender Königs-Wusterhausen)
Das Ding heißt Variometer und wird für variable (oh Wunder!) Induktivitäten benutzt. Die Abbildung oben zeigt bestimmt einen Teil des Anpassnetzwerks für die Antenne. Sicher kann man damit auch den Kopplungsgrad zweier Stufen "variieren"... Ein PIN-Dioden-Abschwächer am Eingang der Vortreiberstufe ist sicherlich einfacher zu realisieren. Viele Grüße! Sven
IT-Archivar schrieb: > Hier mal was Museal-Dinosaurierhaftes, mit der durch Drehung der inneren > Spule die übertragene Leistung eingestellt werden kann. Das konntest du mit Röhrenendstufen machen, die haben dann allenfalls mal rote Backen bekommen, aber mit Halbleiter-Endstufe geht das so einfach nicht. Da steigt sofort die Verlustleistung an, was den Tod für den Halbleiter bedeuten kann. Ich würde eher die Ansteuerung des FETs reduzieren, was laut Schaltbild nicht sehr schwierig sein wird. Das Gate des Endtransistors wird im Plan über zwei in Serie geschaltete C (warum auch immer) realisiert, dort dazwischen würde ich ein Poti nach Masse setzen und die Ansteuerung regeln.
Hallo, > wenn man dem Endstufentransistor einfach die Versorgungsspannung > wegnimmt, > scheint noch etwas HF über die Basis-Kollektor Strecke zum TRX-Schalter > zu fließen. Wenn ich die Frage richtig verstehe willst Du dem RF-Mosfet die Versorgungsspannung klauen aber weiterhin den Rest betreiben. Da es sich um ein MOS Transistor (vermutlich LDMos) handelt bekommt man schon mal keinen Basis-Kollektor-Strom sondern Gate-Drain/Source-Strom. Wenn Du den Transistor kennst kannst Du im Datenblatt die Kapazität bei Vds=0V nachsehen und abschätzen wie viel Leistung dort kapazitiv koppelt. Dann gibt es ja aber auch noch den Schalter der im RX-Modus entsprechend dämpft. Es könnte also durchaus sein, dass man ausreichend wenig Leistung abstrahlt. > Ist das HF-technisch noch OK, oder wird die Schaltung dann zu einem > Störsender? Das kommt wie gesagt ein bisschen auf den Transistor an und welchen Pegel man noch tolerieren kann. Problematischer könnte aber sein, dass der Schalter zwischen TX und RX keine unendliche Isolation hat und man die gekoppelte RF über den Schalter in den RX bekommt und es dort zu Störungen oder sogar Blocking kommt. Wenn Du sicher gehen willst und die RF aus irgendwelchen Gründen nicht abschalten kannst, könnte man sie am Gate mit einer PIN-Diode kurzschließen wenn die Versorgungsspannung nicht vorhanden ist. Müsste mit weniger als einer handvoll Bauteilen realisierbar sein. Viele Grüße, Martin Laabs
Bitte melde dich an um einen Beitrag zu schreiben. Anmeldung ist kostenlos und dauert nur eine Minute.
Bestehender Account
Schon ein Account bei Google/GoogleMail? Keine Anmeldung erforderlich!
Mit Google-Account einloggen
Mit Google-Account einloggen
Noch kein Account? Hier anmelden.

