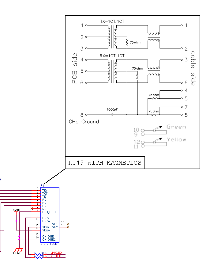
Guten Morgen, ich hab schon öfters nach RJ45-Buchsen mit integriertem Übertrager gesucht, aber irgendwie gibts die Buchsen mit der angegebenen Teilebezeichnung bei z.B. Mouser nie. Im Anhang ist ein Bild mit der Innenbeschaltung. Sollte man lieber normale RJ45-Buchsen mit extra Übertrager verwenden? Oder kennt jemand einen passenden Typen, den man auch bei Mouser bekommt? Vielen Dank für Hilfe! Mampf
ohne LED http://www.segor.de/#Q=08B0-1X1T-06F%253BBELFUSE&M=1 mit LED http://www.segor.de/#Q=7499011216A%253BWuerth&M=1 http://www.segor.de/#Q=SI-60024-F&M=1
Hmm, die 2*75R werden bei einer (unbeabsichtigten) passiven POE Speisung ziemlich warm...
LAN-Heizung schrieb: > die 2*75R werden bei einer (unbeabsichtigten) passiven POE Speisung > ziemlich warm... Deshalb ist das auch nicht erlaubt. Wer einfach so 48V in ein Lankabel einspeist sollte, sich der Konsequenzen bewusst sein!
Mampf F. schrieb: > ollte man lieber normale RJ45-Buchsen mit extra Übertrager verwenden? Ist eigentlich immer erheblich billiger. Übertrager gibts wie Sand am Mehr und Buchsen auch. Integrierte Buchsen und Übertrager nimmt man eigentlich nur wenn man keinen Platz oder zuviel Geld hat.
Bitte melde dich an um einen Beitrag zu schreiben. Anmeldung ist kostenlos und dauert nur eine Minute.
Bestehender Account
Schon ein Account bei Google/GoogleMail? Keine Anmeldung erforderlich!
Mit Google-Account einloggen
Mit Google-Account einloggen
Noch kein Account? Hier anmelden.
