Hallo, setze das Teil eigentlich schon öfters ein, aber in Verbindung mit einen Controller. Jetzt wollte ein Mikrobahner nur ein Modul an ein Autosoundsystem anschließen, hat 200 Watt könnte auch 400 Watt sein, im Kofferraum. Es sollen 4 Sounds direkt mit Taster abrufbar sein. Das sollte aber das Modul ohne Controller ermöglichen. Habe erst mal an ADKey1 und 2 je einen Taster. Segment 1 und Segment 5. an IO1 u. IO2 auch einen Taster. Ich kann nach einschalten im Segment 1 oder Segment 5 einen Titel direkt aufrufen. Wie kann ich aber die Titel bewusst dem Segmenten zuordnen, damit ich noch andere Titel direkt zuordnen kann. Es sollten also nach einschalten der Versorgungsspannung mindestens 4 Titel direkt aufrufbar sein. Danach weiterhin sollen die Titel dann auch ohne abschalten der Versorgungsspannung den Tastern zugeordnet bleiben. http://www.picaxe.com/docs/spe033.pdf
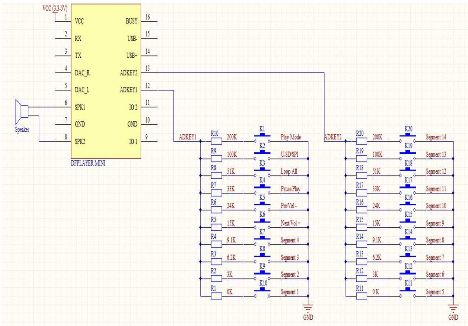
Siehe Seite 8 Kapitel "3.5. Key Ports" Durch Verwenden von entsprechenden Widerständen kannst du bis zu 14 Segmenten direkt anspringen. Auf Seite 11 "Figure 4.5 Ad key connect refer" findest du einen verständlichen Schaltplan.
Mick schrieb: > Auf Seite 11 "Figure 4.5 Ad key connect refer" findest du einen > verständlichen Schaltplan. Danke, aber dies war nicht mein Problem. Z.B. wenn ich hundert Mp3 Dateien 000-099.Mp3 auf die SD Karte mache, in welchen Segment steht welche Datei, damit ich sie direkt mit einen Taster aufrufen kann. Besser 16 Dateien mit direkter Tastenzuordnung!
Segement 1-14 sind die ersten 14 Dateien die gespeichert werden. Egal wie die heißen und wo die sind.
Jens M. schrieb: > Segement 1-14 sind die ersten 14 Dateien die gespeichert werden. > Egal wie die heißen und wo die sind. wenn das stimmt ist das Problem gelöst! Danke ..werde es Morgen testen.
Ja, die Dateien werden nach Abspeicherreihenfolge "indexiert". Am besten jede Datei einzeln auf die SD Karte kopieren.
Hallo Mick, das ist natürlich wichtig zu wissen! Gruß
Bitte melde dich an um einen Beitrag zu schreiben. Anmeldung ist kostenlos und dauert nur eine Minute.
Bestehender Account
Schon ein Account bei Google/GoogleMail? Keine Anmeldung erforderlich!
Mit Google-Account einloggen
Mit Google-Account einloggen
Noch kein Account? Hier anmelden.
