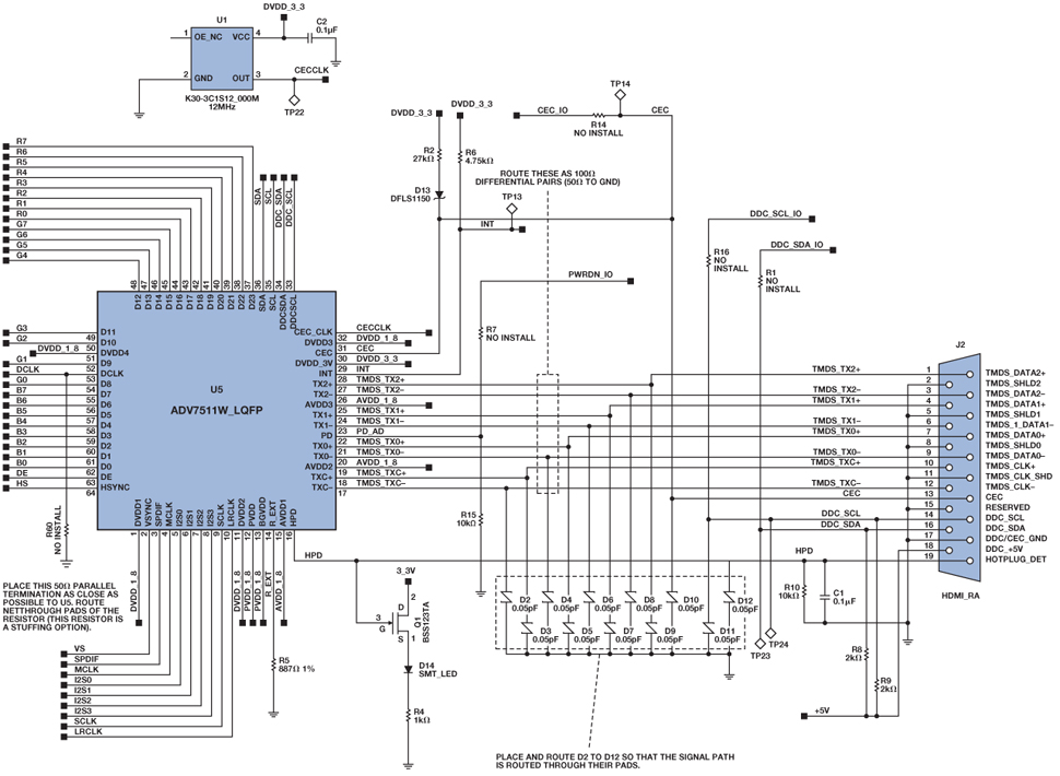
Nabend zusammen, ich wollte Mal kurz fragen welche Schlagsymbole das unten in der Mitte sind. Ich meine diese spiegelverkehrten Zs. Sollen das Z- Dioden sein? Bin mir leider nicht sicher. Wäre cool wenn einer von euch mir das sagen kann.
Das sind ESD-Schutzdioden, im Prinzip Z-Dioden mit sehr kleiner Kapazität, um schnelle Datensignale möglichts wenig zu beeinflussen. Höchstwahrscheinlich je 2 Stück antiseriell.
Leitungsführung, das sind keine (extra) Bauteile. Oben steht 'route as differential pair' damit ist sicherlich die Leitungsführung gemeint und durch diese parallele Anordnung soll sich dann auch der dort angegebene 'Kapazitätsbelag' ergeben.
.. schrieb: > Leitungsführung, das sind keine (extra) Bauteile. > > Oben steht 'route as differential pair' damit ist sicherlich die > Leitungsführung gemeint und durch diese parallele Anordnung soll sich > dann auch der dort angegebene 'Kapazitätsbelag' ergeben. Mh ne, das scheint aber nicht zu stimmen was ich da gerade erzählt habe. Gerade wenn man das kleingedruckte unten berücksichtigt. (route through their pads dann ergibt D wieder einen Sinn) Mmh, sorry für die Versicherung.
Morgen, habe noch eine Frage zu dem Schaltsymbol von der ESD Diode. Und zwar benutze ich kicad, aber ich habe kein Symbole gefunden, das dem Schaltzeiten auf dem Schaltplan entspricht. Kann mir einer sagen, welches aus der kicad .lib dafür nehmen kann?
Keine CAE-Lib enthält alle auf der Welt erhältlichen Bauelemente. Und das Schaltzeichen ist auch eher ungewöhnlich. Entweder du hast den Typ aus deinem Schaltplan (ich habe da keine Bezeichnung entnehmen können) oder du suchst dir eine passende aus (Suchmaschine: "ESD Protection Diode"). Dort findest du dann auch alternativ verwendete Schaltzeichen. Und wenn keines der in Frage kommenden Typen in KiCad vorhanden ist, dann bleibt eben nur noch, das Symbol und den Footprint selber zu erstellen. Ich kenne KiCad nur vom Namen, bin mir aber sicher, dass das dort auch möglich ist. Die 0.05pF sind recht anspruchsvoll, aber zeigen, dass die Datenleitungen offenbar empfindlich auf kapazitive Belastung sind - zumindest meinte das der Entwickler des obigen Planes. Es gibt nur wenige Dioden, die deutlich unter 1pF liegen. Weiter wichtig ist die Spannung, auch die ist nicht angegeben. Das hängt davon ab, was die angeschlossenen Bauelemente vertragen. BTW: dein Post ist im falschen Forum - hier werden nur Projekte vorgestellt und dokumentiert.
HildeK schrieb: > BTW: dein Post ist im falschen Forum - hier werden nur Projekte > vorgestellt und dokumentiert. Ach, während ich schreib hat ein Mod es vorschoben ...
Raoul N. schrieb: > Kann mir einer sagen, > welches aus der kicad .lib dafür nehmen kann? Das zwar nicht. Aber bevor Du mindestens fünf Minuten lang nach einem passenden Bauteil suchst, warum zeichnest Du nicht kurz selber eins? Das dauert inkl. Einarbeitung etwa vier Minuten.
Hi, aufgrund der Beschreibung müssten zwei Forderungen an das Bauteil und die Montage erfüllt sein. "...place and route D2 to D12 so that their signal path is routed through their pads..." Zuerst dachte ich an einen Durchführungskondensator zum Abblocken von Stör-HF. Aber gleichzeitig soll das Bauteil noch Spannungsspitzen entfernen. Leider ist die Typenbezeichnung nicht angegeben. ciao gustav
Bitte melde dich an um einen Beitrag zu schreiben. Anmeldung ist kostenlos und dauert nur eine Minute.
Bestehender Account
Schon ein Account bei Google/GoogleMail? Keine Anmeldung erforderlich!
Mit Google-Account einloggen
Mit Google-Account einloggen
Noch kein Account? Hier anmelden.
