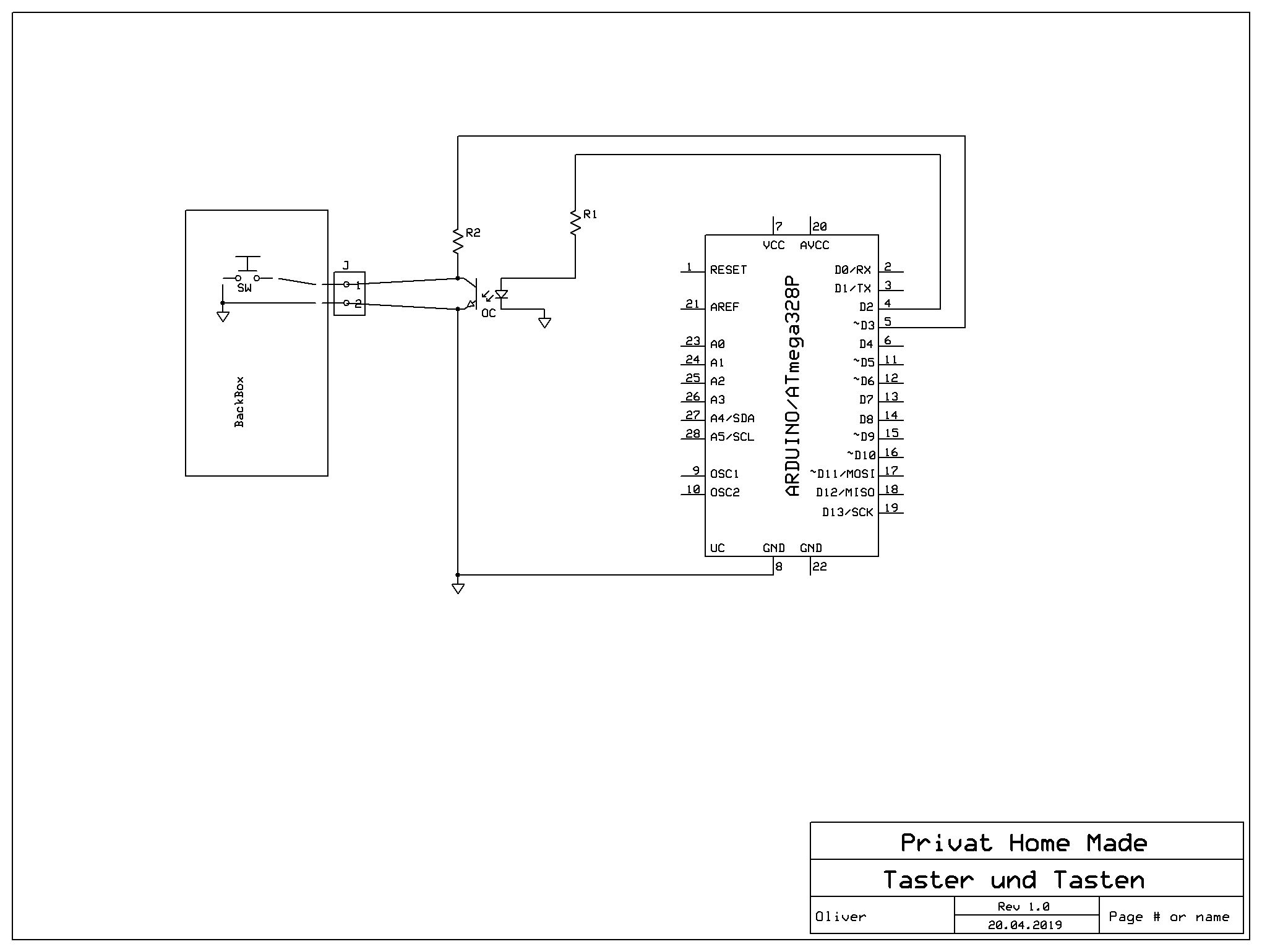
Mal so eine Frage ins Forum, wie kann ich ein Taster ab fragen um drauf zu reagieren oder ihn betätigen mit dem mC? Wäre das so wie im Bild möglich? Oder gäbe es da noch besser Lösungen? Oder müsste ich ein Relais benutzen zum Tasten? Ohne wäre mir lieber, da ich dann alles recht klein verpacken könnte und hoffe nur 3,3v benötige. Der Controller würde über Seriell dann weiter gehen oder erhalten, das ist aber jetzt nebensächlich, ich hätte nur gerne den Tipp für den Taster abfragen und Remote Betätigung.. Danke Ps.: das Programm zum Zeichen der Skizze habe ich heute zum ersten mal benutzt ;-)
Deine Frage lässt sich so nicht beantworten, weil Informationen zum Kontext fehlen. Zweifellos ist es für den Mikrocontroller sinnlos, seinen eigenen Taster fernzusteuern. Wir brauchen also Infos dźu den nicht gezeigten Dingen, die da noch dran hängen.
warum ein Opto-Koppler, wenn man ihn nicht nutzt um etwas galvanisch zu trennen?
oh, ok, es ist eine kleine Funksenderschaltung die per 12V Batterie betreiben wird. Der Taster ist nach außen schon über die zwei Pin geführt. Ich konnte auch messen, dass wenn ich den Taster Drücke die beiden Pin kurz geschlossen werden. Wenn ich die extern verbinde die auch ein Impuls gesendet.
User schrieb: > warum ein Opto-Koppler, wenn man ihn nicht nutzt um etwas galvanisch zu > trennen? Dachte wegen Schutz der Portpin, Ausgang / Eingang oder geht das auch mit nur einem Portpin?
Oliver R. schrieb: > Dachte wegen Schutz der Portpin Da ist aber kein Schutz, eine Leitung geht direkt vom Funksender zum Mikrocontroller (über R2, aber der schützt wohl kaum). Welche Spannung liegt am Taster im nicht gedrückten Zustand an? Wie viel Strom fließt, wenn du die beiden Anschlüsse des Funksender miteinander verbindest? Achtung: Die Messung kann eventuell ein Oszilloskop erfordern, falls sie pulsiert.
Oliver R. schrieb: > geht das auch mit nur einem Portpin? Ja, sehr wahrscheinlich. Wenn du vom Prozessor aus 'drückst' weißt du das ja, ansonsten kann der Ausgang auch ein Eingang sein und den Zustand lesen. Aber alles hängt von der Beantwortung dieser Frage ab: Stefanus F. schrieb: > Welche Spannung liegt am Taster im nicht gedrückten Zustand an? > Wie viel Strom fließt, wenn du die beiden Anschlüsse des Funksender > miteinander verbindest?
Hi, im nicht gedrückten Zustand 2,8v und kleiner 1mA beim drücken/überbrücken mit Ampermessung und es sendet dann auch.
Oliver R. schrieb: > Hi, im nicht gedrückten Zustand 2,8v und kleiner 1mA beim > drücken/überbrücken mit Ampermessung und es sendet dann auch. Dann kannst du die Leitung direkt mit einem I/O Pin vom µC verbinden. Als Eingang konfiguriert liest er den Zustand des Tasters. Als Ausgang mit LOW Pegel konfiguriert betätigt er den Taster.
Wie groß ist die Spannung bei HIGH an einem Ausgang deines Arduino?
HildeK schrieb: > Wie groß ist die Spannung bei HIGH an einem Ausgang deines > Arduino? Spielt keine Rolle, er soll ja nur den LOW Pegel nutzen. Das ist natürlich wichtig, sende nicht versehentlich einen High Pegel! Eventuell kannst du sicherheitsheitshalber einen Schutzwiderstand in Reihe schalten. Ich würde mal 220 Ohm versuchen.
Stefanus F. schrieb: > Dann kannst du die Leitung direkt mit einem I/O Pin vom µC verbinden. > Als Eingang konfiguriert liest er den Zustand des Tasters. Als Ausgang > mit LOW Pegel konfiguriert betätigt er den Taster. Darauf wollte ich hinaus, weiß aber nicht, mit welcher IO dieser Arduino arbeitet. Ein wenig wundert mich, dass dort nicht die 12V auftauchen. Und er muss dann noch den gemeinsamen GND finden ...
Stefanus F. schrieb: > Spielt keine Rolle, er soll ja nur den LOW Pegel nutzen. Doch schon. Er will ja auch lesen und wenn der Arduino mit 5V laufen sollte, dann kann es sein, dass in beiden Zuständen nur LOW gelesen wird.
Der Controller sollte mit 5v arbeiten, der arduino war nur als Beispiel ich wollte einen 2313 oder noch kleiner nutzen, wenn möglich wollte ich auch auf 3,3v. Doch zuerst mal das mit dem Taster. Gemeinsame Masse hatte ich in der Schaltung angedeutet.
Was jetzt? Mit beiden Spannungen wahlweise? Mit 3.3V als Controllerversorgung ist das genau so lösbar, wie Stefanus F. geschrieben hat. Du solltest allerdings dafür sorgen, dass der Prozessor versorgt ist, wenn der batteriebetriebene Sender angeschlossen ist. Mit 5V Versorgung muss man den Pin als AD-Eingang oder Komparatoreingang umdefinieren, um den Tastenzustand zu messen. Oder genau im Datenblatt nachschauen, ob die 2.8V noch als HIGH erkannt werden können - das weiß ich auswendig auch nicht.
Oliver R. schrieb: > ich wollte einen 2313 An einen Eingang der Taster. An einem Ausgang der Switch.... Da geheh ich aber mit Elton "Das ist mir zu einfach". ?-/
Teo D. schrieb: > An einen Eingang der Taster. An einem Ausgang der Switch.... Da geheh > ich aber mit Elton "Das ist mir zu einfach". ?-/ Klar, aber der Wunsch war auch so: Oliver R. schrieb: > geht das auch mit nur einem Portpin?
HildeK schrieb: > Klar, aber der Wunsch war auch so: > > Oliver R. schrieb: >> geht das auch mit nur einem Portpin? Hab mich etwas missverständlich Ausgedrückt. Mit "zu einfach" meinte ich mein Verständnis der eigentlichen Frage. Nu is alles klar, Danke. :) Nur eins noch am Rande. Mein Vorschlag braucht auch nur einen Taster....
cool, danke für die Info, habe jetzt eine Port-pin verwendet und lese in eine. Wenn Low dann Info per Serial raus, ja die 2,8 werden bei 5V noch als High erkannt. Habe eine 220 Widerstand eingebaut und es geht, per Serial In und den Port auf Low Ausgang geht auch, Cool, Danke
Oliver R. schrieb: > ja die 2,8 werden bei 5V noch > als High erkannt. Laut Datenblatt ist das Limit bei 0,7*VCC, also 3,5V. Bei der Automotivevariante bei 0.6*VCC, also bei 3.0V. D.h., dein High wird nicht unter allen Umständen als solches erkannt.
Oliver R. schrieb: > ja die 2,8 werden bei 5V noch als High erkannt. Das ist nur ganz knapp über der halben Versorgungsspannung. Das das überhaupt geht, wundert mich. Nimm eine 3V oder 3,3V Spannungsversorgung, dann haut es sicher hin.
Bitte melde dich an um einen Beitrag zu schreiben. Anmeldung ist kostenlos und dauert nur eine Minute.
Bestehender Account
Schon ein Account bei Google/GoogleMail? Keine Anmeldung erforderlich!
Mit Google-Account einloggen
Mit Google-Account einloggen
Noch kein Account? Hier anmelden.
