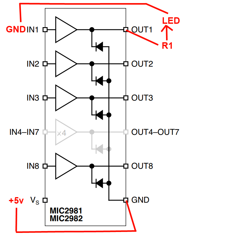
Hallo Leute, ich habe ein Verständnißproblem mit dem MIC2981: Die LED leuchtet auch wenn ich die Verbindung GND -> IN1 trenne. Mir ist klar das ich da noch einen Fehler habe, nur wo? Anstelle der LED soll später ein Relais damit geschalten werden Gruß Jochen
Wenn du +5 Volt an den Masseeingang des Chips anschliesst, darfst du dich über Fehlfunktionen nicht wundern. Ich würde mal die Versorgung und die LED umpolen.
Matthias S. schrieb: > Wenn du +5 Volt an den Masseeingang des Chips anschliesst, darfst du > dich über Fehlfunktionen nicht wundern. Ich würde mal die Versorgung und > die LED umpolen. Danke dir. Irgendwie die ganze Zeit übersehen.
Bitte melde dich an um einen Beitrag zu schreiben. Anmeldung ist kostenlos und dauert nur eine Minute.
Bestehender Account
Schon ein Account bei Google/GoogleMail? Keine Anmeldung erforderlich!
Mit Google-Account einloggen
Mit Google-Account einloggen
Noch kein Account? Hier anmelden.
