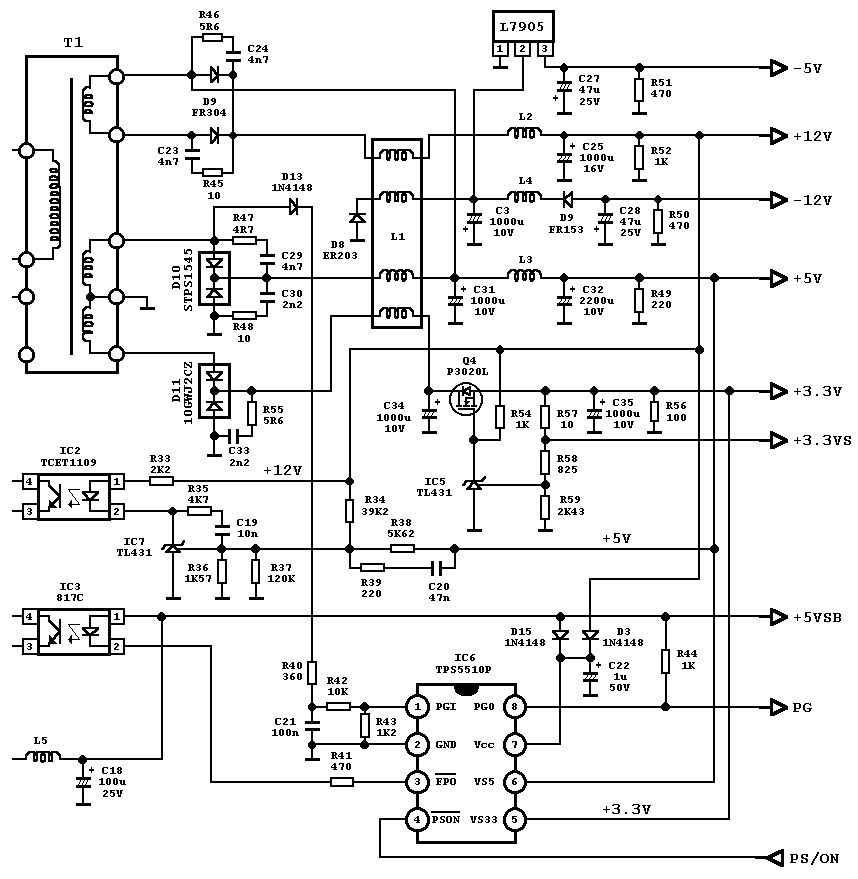
Hallo Leute, ich habe hier ein ATX Netzteil von OCZ, Modell OCZ550FTY, mit dem verschiedene Mainboards nicht mehr "starten". Alle Ausgangsspannungen liegen stabil in den Toleranzgrenzen. Als Spannungsmonitor wird ein PS224 benutzt. Nach einigen Messungen steht fest: Power Good Output (PGO) ist 0 V, da Power Good Input (PGI) zu niedrig ist (0,4 V). Ich zog das PGI auf 3,3 V und PGO war darauf hin bei 5 V. Nun frage ich mich, warum PGI zu niedrig ist, obwohl alle Spannungs stabil anliegen!? Ich habe durch Gucken und Messen einen Schaltplan erstellt. Der müsste soweit korrekt sein. Dort sieht man, das zwischen der Anode der Diode und Masse 12,2 V abfällt, über der Diode in Durchlassrichtung 2 V. Nach diversen weiteren Spannungsabfällen an Kondensatoren und Widerständen fällt also nur noch 0,4 V am PGI ab. Laut Datenblatt ist das natürlich zu wenig. Es müsste mind. 1,25 V sein, so wie ich das sehe. Woher kommt das also? Ich dachte mir, die 2 V an der Diode sind zuviel. Kann das sein? In eingebautem Zustand ergab der Diodentest 0,7 V. Ich wollte sie nun auslöten und im ausgelöteten Zustand nochmals testen. Leider war ich unvorsichtig und die Kontakte an der Diode sind abgegangen. Nun gibt es garkein Kontakt mehr und ich brauche eine neue Diode. Also es ergeben sich 2 Fragen: 1) Woran kann es liegen, dass die Spannung am PGI zu gering ist, obwohl doch alle alle anderen Spannungen korrekt sind? 2) Was für eine Diode kann ich als Ersatz nehmen? Leider gibt es keine Beschriftung. Ich hoffe die gegebene Daten und das ESB reichen aus, um eine passende zu finden. Ich liefere noch gerne weiter Infos, falls erforderlich. Schöne Grüße
Ohne die Werte für die beiden Serienwiderstände und Rpgi zu kennen, bleibt mir nur die Empfehlung für eine 2,7V Zenerdiode. Das käme dann ungefähr hin, denn es fallen 0,7V an D308 ab, und dann eben 2,7V an der Z-Diode. Macht zusammen etwa 3,4V und damit bleibt ein Rest von 1,6V für PGI. Kennt man den Wert von Rpgi, kann man natürlich auch einen Widerstand statt der Diode so ausrechnen, das man auf die gewünschte Spannung an PGI kommt.
@moe D308 ist eine ganz normale 1N4148. Anhand der Widerstandswerte kann man dann ausrechnen, welche Mindestspannung an C314 erwartet wird. An C314 auch mal im AC Messbereich messen, ob ein ripple vorhanden ist, bzw. einen kleinen Elko testweise drüberlöten. Frank
Matthias S. schrieb: > Ohne die Werte für die beiden Serienwiderstände und Rpgi zu kennen, > bleibt mir nur die Empfehlung für eine 2,7V Zenerdiode. Das käme dann > ungefähr hin, denn es fallen 0,7V an D308 ab, und dann eben 2,7V an der > Z-Diode. Macht zusammen etwa 3,4V und damit bleibt ein Rest von 1,6V für > PGI. > Kennt man den Wert von Rpgi, kann man natürlich auch einen Widerstand > statt der Diode so ausrechnen, das man auf die gewünschte Spannung an > PGI kommt. Danke für die Antwort. Die Widerstandswerte sind folgende (Code+nachgemessen):
Und noch ne Beobachtung, die ich schonmal gemacht hab aber nicht erwähnt hab bzw. nich dran gedacht hab: ich hab jetzt zusätzlich zum NT-Lüfter und nem Optischen Laufwerk ne Graka als Last drangehängt. Sobald ich von Stand-by auf run stelle (Pwr on = 0) dreht sich der Lüfter der Graka in voller Geschwindigkeit. Die Graka ist ok. Eine andere Graka wurde ebenfalls angeklemmt und dort ist das gleiche. Die Ist-Versorgungsspannungen am PS224 sind aber alle weiterhin korrekt. Ggfs. geben die anderen Werte mehr Auskunft? Die Spannung am RI-Pin (Current sense setting, geh im PS224 in einen Block, der mit "Constant Current Source Iref" bezeichnet ist), ist im Stand-Bye bei 3,83 V, im Betrieb bei 1,246 V. Vcc springt von 4,57 V im Stand-By auf 11,61 V im Betrieb. [Frank] schrieb: > @moe > D308 ist eine ganz normale 1N4148. Anhand der Widerstandswerte kann man > dann ausrechnen, welche Mindestspannung an C314 erwartet wird. An C314 > auch mal im AC Messbereich messen, ob ein ripple vorhanden ist, bzw. > einen kleinen Elko testweise drüberlöten. > > Frank Ich hab die Dimensionen mal ungefähr ausgemessen. Sie ist ca. 3 mm lang, ggfs etwas kürzer. Könnten 2,7....3,0 mm sein. und in etwa 1,5...1,8 mm breit. könnte also tatsächlich eine 1N4148 1206 sein. Da ich ich grad keine da hab ist der Pfad unterbrochen und ich kann keine Spannung über C314 messen. Aber ich werde mir spätestens morgen ein paar davon besorgen, eine einlöten und dann nochmal messen. Evtl. mach ich das heute noch und werde dann berichten. Danke für eure Antworten. Schöne Grüße
Matthias S. schrieb: > Empfehlung für eine 2,7V Zenerdiode. Das käme dann > ungefähr hin, denn es fallen 0,7V an D308 ab, und dann eben 2,7V an der > Z-Diode. Macht zusammen etwa 3,4V und damit bleibt ein Rest von 1,6V für > PGI. Soweit ich das verstanden habe hat moe über D308 (definitiv keine ZD, Flussrichtung im Layout) 2V gemessen. Das könnte eine Falschmessung gewewsen sein, ein DMM ist kein Scope. Von einem Umbau (auf zwei Dioden) würde ich abraten. Weiterhin hängt diese Diode auch nicht am 5V, sondern am 12V-Kreis. @ moe: Bitte um Bestätigung, dein ps224.png sagt ja etwas anderes. ps224, DSAZIHA2X000120059.pdf, hoffentlich als direct-link für alle interessierten erreichbar, Versuch macht kluch: https://www.datasheetarchive.com/pdf/download.php?id=9a9ef533b08868fcd3868318fe86d2ce8cf43e&type=P&term=ic%2520PS224 [Frank] schrieb: > D308 ist eine ganz normale 1N4148. Ich bilde mir ein im Layout R315 (00T) als 0 Ohm zu erkennen. Je nach zustand der Glättungselkos im NT muss das arme Ding Rippleströme ertragen, Testweise würde ich eher zu einer 1N4000-Klasse tendieren. > einen kleinen Elko testweise drüberlöten. Würde auch ich empfehlen, womöglich ist C314 (wg dicken Rippelstömen) gestorben.
Schon mal was von der Maschengleichung gehört? Ich frag nur weil keine der Maschengleichungen in deinem "Schaltplan" erfüllt ist und damit ist das Ding kompletter Müll.
2 Cent schrieb: > Soweit ich das verstanden habe hat moe über D308 (definitiv keine ZD, > Flussrichtung im Layout) 2V gemessen. Das könnte eine Falschmessung > gewewsen sein, ein DMM ist kein Scope. Von einem Umbau (auf zwei Dioden) > würde ich abraten. richtig. 2V über der D308. Über R315 quasi nix. Würde auch die Maschengleichung erfüllen. 2 Cent schrieb: > Weiterhin hängt diese Diode auch nicht am 5V, sondern am 12V-Kreis. > @ moe: Bitte um Bestätigung, dein ps224.png sagt ja etwas anderes. Ja genau. Die hängt am 12 V kreis. Von der Anode von D308 gegen Masse messe ich 12,22 V. So isses doch auch im Schaltplan. 2 Cent schrieb: > Ich bilde mir ein im Layout R315 (00T) als 0 Ohm zu erkennen. Je nach > zustand der Glättungselkos im NT muss das arme Ding Rippleströme > ertragen, Testweise würde ich eher zu einer 1N4000-Klasse tendieren. R315 hat 10 Ohm. 2 Cent schrieb: >> einen kleinen Elko testweise drüberlöten. > Würde auch ich empfehlen, womöglich ist C314 (wg dicken Rippelstömen) > gestorben. Welche Spannung und Kapazität würdet ihr empfehlen? Hab hier noch so einige rumliegen. Hannes J. schrieb: > Schon mal was von der Maschengleichung gehört? Ich frag nur weil keine > der Maschengleichungen in deinem "Schaltplan" erfüllt ist und damit ist > das Ding kompletter Müll. 12,2-10,33-2 = 0,2 (also fast 0) 10,33 -0,4-1,1-8,3 = 0,53 (also fast 0) Was soll daran die Maschengleichung nicht erfüllen?
moe schrieb: > R315 = 10Ohm LOL, sowas habe ich schon befürchtet, danke fürs nachmessen der "00T". moe schrieb: > zusätzlich zum NT-Lüfter > und nem Optischen Laufwerk ne Graka als Last drangehängt. Sobald ich von > Stand-by auf run stelle (Pwr on = 0) dreht sich der Lüfter der Graka in > voller Geschwindigkeit. Die Graka ist ok. Eine andere Graka wurde > ebenfalls angeklemmt und dort ist das gleiche. Hat nichts zu sagen, die Grakas warten bestimmt auf ihre initiale Programmierung. Als Last würde ich eher KFZ-Glühlampen empfehlen.
moe schrieb: > 12,2-10,33-2 = 0,2 (also fast 0) > 10,33 -0,4-1,1-8,3 = 0,53 (also fast 0) > > Was soll daran die Maschengleichung nicht erfüllen? Also bei deiner ersten Masche hast du noch ein R vergessen, nix 0,2. Und selbst ohne den fällt laut deinen Messungen schon mehr Spannung ab als überhaupt da ist. Und 0,5 ist nun wirklich nicht fast 0. Die Maschengleichung sagt ja nicht "ungefähr irgendwie fast gleich 0". Sie wird nicht erfüllt und das fällt dir nicht mal auf. Was ist los mit dir? Und womit hast du das Teil überhaupt gemalt? Mit Paint? Wo sind wir hier?!
moe schrieb: > Die Widerstandswerte sind folgende (Code+nachgemessen): Hast du die auch einzeln gemessen oder in der Schaltung drin?
2 Cent schrieb: > LOL, sowas habe ich schon befürchtet, danke fürs nachmessen der "00T". Also ich hab im verbauten Zustand gemessen. Dreht man das 00T um wird ne 100 draus ;D würde ja dann mit 10 Ohm passen. Warum haste das befürchtet? 2 Cent schrieb: > Hat nichts zu sagen, die Grakas warten bestimmt auf ihre initiale > Programmierung. Als Last würde ich eher KFZ-Glühlampen empfehlen. Ah ok. Hannes J. schrieb: > Also bei deiner ersten Masche hast du noch ein R vergessen, nix 0,2. Den hab ich nicht vergessen. Dort fällt nahezu 0 V ab. Hannes J. schrieb: > Und > selbst ohne den fällt laut deinen Messungen schon mehr Spannung ab als > überhaupt da ist. Und 0,5 ist nun wirklich nicht fast 0. Die > Maschengleichung sagt ja nicht "ungefähr irgendwie fast gleich 0". Sie > wird nicht erfüllt und das fällt dir nicht mal auf. Was ist los mit dir? Das hier sind alles Messwerte, die ich mit einem Handmultimeter gemacht hab. Teilweise auch gerundet bzw die 3. Nachkommastelle nicht angegeben etc. Das liegt imho in der Messtoleranz. Ich kann gerne nochmal alles ganz genau nachmessen. Aber ist meiner Meinung nach überflüssig denn die Werte reichen aus um qualifizierte Aussagen zu treffen. Die Maschengleichungen sind nicht gleich kompletter Müll. Denkst du echt ich kann die bis auf die 3. Nachkommastelle durch Messen zu 100 % bestätigen? So ein Schwachsinn. Also bitte. Nein. Kein Paint. Aber was vergleichbares. Bist Du nur hier um zu stänkern? ^ geh weiter bitte Hannes J. schrieb: > Hast du die auch einzeln gemessen oder in der Schaltung drin? Alle verbaut in der Schaltung. Aber wie ich schrieb habe ich die Werte auch anhand der Codes nachvollzogen und die berechneten/angegebenen Werte stimmen mit den gemessenen Werten überein.
2 Cent schrieb: > dein ps224.png sagt ja etwas anderes Von dem bin ich ausgegangen. Wenn das alles statt an 5V an 12V hängt, ist das alles etwas anders.
Hannes J. schrieb: > Ich frag nur weil keine > der Maschengleichungen in deinem "Schaltplan" erfüllt ist und damit ist > das Ding kompletter Müll. Bitte nicht übertreiben, wegen Ripple kanns mit einem DMM sowieso nicht exakt stimmen. Hat moe ja auch relativiert. Besser eine "suboptimale Fehlmassung", als garkeine Messung. "kompletter Müll" ist es nur, wenn man es zusätzlich falsch interpretiert. moe schrieb: > Welche Spannung und Kapazität würdet ihr empfehlen? Nach deinen weiteren Posts ergibt das bis hierhin irgendwie alles keinen Sinn. Ooops, deinem Spannungsteiler nach zu Urteilen sollten dort (weit) mehr als 30V anliegen, klingt sehr seltsam! Zeichne bitte mal die 12V-Ausgangselkos (bzw welche Spannungsfestigkeit die Elkos dieses Kreises??? haben) und die Leistungsdioden+Trafo in dein Schaltbild hinein. ???Vielleicht ist dieser Kreis nur NT-intern??? Ein Komplettschaltbild wäre hilfreich, lässt sich sowas auftreiben? moe schrieb: > 2 Cent schrieb: >> LOL, sowas habe ich schon befürchtet, danke fürs nachmessen der "00T". > > Also ich hab im verbauten Zustand gemessen. Dreht man das 00T um wird ne > 100 draus ;D würde ja dann mit 10 Ohm passen. Warum haste das > befürchtet? Weil dann, Aufgrund der verkehrten Einbaulage, die Elektronen rausfallen könnten. Spass beiseite, weiter im Takt... moe schrieb: > Hannes J. schrieb: >> Hast du die auch einzeln gemessen oder in der Schaltung drin? > > Alle verbaut in der Schaltung. Aber wie ich schrieb habe ich die Werte > auch anhand der Codes nachvollzogen und die berechneten/angegebenen > Werte stimmen mit den gemessenen Werten überein. Ergibt Sinn, hätte ich genauso getan.
moe schrieb: > Teilweise auch gerundet bzw die 3. Nachkommastelle nicht angegeben > etc. Also durch Rundung der 3. Nachkommastelle von 4 Werten entstehen bei dir Fehler bis zu 0,5. Na das ja interessant. Aber klar. 0,5 ist bei dir ja auch fast 0 und erfüllt damit die Maschengleichung. :D
2 Cent schrieb: > Ooops, deinem Spannungsteiler nach zu Urteilen sollten dort (weit) mehr > als 30V anliegen, klingt sehr seltsam! Aber warum? Wenn man das als Spannungsteiler betrachtet, fällt über der gesamten Teilschaltung 12,2 V ab. Davon 2 V über den "oberen" Teil mit D308 und R315 in Reihe. Der "untere" Teil 10,2 V über C314 und parallel dazu ebenfalls über die restlichen Bauteile: R906+R902+(R901||C902) 2 Cent schrieb: > Zeichne bitte mal die 12V-Ausgangselkos (bzw welche Spannungsfestigkeit > die Elkos dieses Kreises??? haben) und die Leistungsdioden+Trafo in dein > Schaltbild hinein. ???Vielleicht ist dieser Kreis nur NT-intern??? Ein > Komplettschaltbild wäre hilfreich, lässt sich sowas auftreiben? Das ist nicht so einfach. Ein Schaltbild hab ich nirgends gefunden. Was ich auf die Schnelle sagen kann: der Elko, der am 12 V Ausgang sitzt, hat 2200µF und ne Spannungsfestigkeit von 16 V. Zwischen dem Elko und dem Trafo ist dann noch u.a. ne Spule sowie 2 Schottky-Dioden. Die Kathoden der Dioden sind mit der Anode von D308 verbunden. Ich kann morgen mal versuchen das Schaltbild entsprechend zu erweitern.
moe schrieb: > 2 Cent schrieb: >> Ooops, deinem Spannungsteiler nach zu Urteilen sollten dort (weit) mehr >> als 30V anliegen, klingt sehr seltsam! > > Aber warum? Im Betrieb müssen am PGI deutlich über 1,25 anliegen. > Wenn man das als Spannungsteiler betrachtet, fällt über der > gesamten Teilschaltung 12,2 V ab. Davon 2 V über den "oberen" Teil mit > D308 und R315 in Reihe. Nope, nicht "oberer Teil des Spannungsteilers. R315 dient zum Schutz der Diode (beim Einschalten und wegen Ripple), als Strombegrenzung sozusagen. C314 wird auf den Spitzenwert aufgeladen. > Der "untere" Teil 10,2 V über C314 und parallel > dazu ebenfalls über die restlichen Bauteile: R906+R902+(R901||C902) Nach deiner Zeichnung sehe ich das als Spannungsteiler R906+R902 im Verhältnis zu R901. Also Spannungsteiler 22,7 zu 1. (k herausgekürzt) > 2 Cent schrieb: >> Zeichne bitte mal die 12V-Ausgangselkos (bzw welche Spannungsfestigkeit >> die Elkos dieses Kreises??? haben) und die Leistungsdioden+Trafo in dein >> Schaltbild hinein. ???Vielleicht ist dieser Kreis nur NT-intern??? Ein >> Komplettschaltbild wäre hilfreich, lässt sich sowas auftreiben? > > Das ist nicht so einfach. Ja leider. Niemand hat gesagt das es einfach sein wird deinen missglückten Reperaturversuch zu begradigen, um zumindest den Status "kaputt, startet nicht" wiederherzustellen. Die Fragen "welche Diode", und "welcher Kondensator testweise" sind im Moment kaum zu beantworten, sorry, ist halt so. > Ein Schaltbild hab ich nirgends gefunden. Schade. > Was ich auf die Schnelle sagen kann: der Elko, der am 12 V Ausgang sitzt, > hat 2200µF und ne Spannungsfestigkeit von 16 V. Dort sind Elkos mit 16V zu erwarten, trifft aber nicht den Kern meiner Fragerei. "auf die Schnelle" ist hier sowieso garnichts zu erreichen, reperatur eines SNT kann hässlich werden. > Zwischen dem Elko und > dem Trafo ist dann noch u.a. ne Spule sowie 2 Schottky-Dioden. Die > Kathoden der Dioden sind mit der Anode von D308 verbunden. Ich kann > morgen mal versuchen das Schaltbild entsprechend zu erweitern. Yepp.
2 Cent schrieb: > Im Betrieb müssen am PGI deutlich über 1,25 anliegen. Ja das weiß ich. Und jetzt hab ich auch verstanden was du mit 2 Cent schrieb: > Ooops, deinem Spannungsteiler nach zu Urteilen sollten dort (weit) mehr > als 30V anliegen, klingt sehr seltsam! gemeint hast. 2 Cent schrieb: > Nach deiner Zeichnung sehe ich das als Spannungsteiler R906+R902 im > Verhältnis zu R901. Also Spannungsteiler 22,7 zu 1. (k herausgekürzt) Ja ok. Das sehe ich auch so. 2 Cent schrieb: > Ja leider. Niemand hat gesagt das es einfach sein wird deinen > missglückten Reperaturversuch zu begradigen, um zumindest den Status > "kaputt, startet nicht" wiederherzustellen. Der Status kaputt, startet nicht, ist nach wie vor unverändert vorhanden. Das Fehlen der Diode hat nichts geändert. "Nur" dass ich halt ne neue brauche ^ . Aber den Status hab ich genauer beschrieben. Danke an alle Helfenden und ne gute Nacht
moe schrieb: > Was für eine Diode kann ich als Ersatz nehmen? An deiner Schaltung ist was faul. Wenn an PGI 1.25V ankommen sollen, müsste die Spannung vor der Diode zumindest 18V betragen. 6 Bauteile über deiner ausgelöteten ist noch eine Diode mit einem weissen Strich. Die Diode ist eine normale 1N4148 https://www.tme.eu/Document/8a0f4bd1d0e0495ebb1834ba060fbfa0/CD4148.pdf http://www.farnell.com/datasheets/2044155.pdf
moe schrieb: > Der Status kaputt, startet nicht, ist nach wie vor unverändert > vorhanden. Das Fehlen der Diode hat nichts geändert. "Nur" dass ich halt > ne neue brauche ^ . Das Fehlen dieser Diode wird eine Notausveroderung nicht unterbrechen oder jetzt ändern, aber ums irgendwann einmal vernünftig zum laufen bringen zu wollen wirst du tatsächlich nicht um "eine neue" herumkommen. > Aber den Status hab ich genauer beschrieben. Darauf müssen hier alle Helfer bauen, Fehlerbeschreibung/Messbeschreibung sollte halt "genau" sein. Genauer als genau gibts nicht, ansonsten helfen Rüchfragen. Bis jetzt klappt das ja prima. Michael B. schrieb: > moe schrieb: >> Was für eine Diode kann ich als Ersatz nehmen? > > An deiner Schaltung ist was faul. Anscheinend. Lasssen wir ihn das Überschlafen. > Wenn an PGI 1.25V ankommen sollen, müsste die Spannung vor der Diode > zumindest 18V betragen. Wie kommst du auf 18V? Habe ich mich dermassen verschätzt? > 6 Bauteile über deiner ausgelöteten ist noch eine Diode mit einem > weissen Strich. Gut gesehen, und jetzt vielleicht eine dumme Frage, aber: haben nicht viele Dioden einen weissen Strich? Worauf willst du hinaus? Wie kann einer wie ich, oder der TO deinen Gedanken folgen? > Die Diode ist eine normale 1N4148 > https://www.tme.eu/Document/8a0f4bd1d0e0495ebb1834ba060fbfa0/CD4148.pdf > http://www.farnell.com/datasheets/2044155.pdf Auch hier: Bitte um Herleitung, wie kommt "man" darauf? Ist jede Diode "mit einem weissen Strich" immer eine 1N4148?
2 Cent schrieb: > Wie kommst du auf 18V? Rechenfehler. Habe mit 1k1 und 8k3 gerechnet. 2 Cent schrieb: > haben nicht viele Dioden einen weissen Strich? Nein. Ganz ohne Text ist selten. Lediglich BB219 in DO35. Man muss erst mal das Gehäuse rausfinden, 0805. 2 Cent schrieb: > wie kommt "man" darauf? Dann machst du eine Google Bildersuche "diode 0805 white" und findest sie, und findest gleich daß 0603 und 1210 genau so markiert wären.
Michael B. schrieb: > 2 Cent schrieb: >> wie kommt "man" darauf? > > Dann machst du eine Google Bildersuche "diode 0805 white" > und findest sie, und findest gleich daß 0603 und 1210 > genau so markiert wären. Jetzt kapier ich die Idee dahinter, du versuchst es also nach optischem Ausschlussprinzip, um herauszufinden welche Diode es nicht sein kann, weil Google keine passenden Bilder findet. In dem Fall würde ich die vorgeschlagene TS4148 RYG ebenfalls ausschliessen, weil auf den Farbbildern des TO die Gehäusefarbe (zumindest für meine Augen) nicht als grün ("Green compound") erkennbar ist. Michael B. schrieb: > 2 Cent schrieb: >> haben nicht viele Dioden einen weissen Strich? > > Nein. Ganz ohne Text ist selten. Lediglich BB219 in DO35. > Man muss erst mal das Gehäuse rausfinden, 0805. Ob es uns hier gemeinsam gelingen wird eine funktionierende Ersatzdiode -ganz ohne Text- zu finden? Ich bin am zweifeln, speziell was die 1n4148-Klasse angeht, immerhin muss das Ding Pulsströme gleichrichten, und hat zur Strombegrenzung vom Netzteilhersteller einen "00T" (running gag) spendiert bekommen, um Diode und Kondensator gegen den Tod durch Überstrom zu schützen. Auch wenns overkill sein könnte schlage ich mal die folgende Kampfklasse im SOD-123 vor: https://www.reichelt.de/schottkydiode-40-v-0-5-a-sod-123-mbr-0540t1g-ons-p219521.html?&trstct=pol_1
2 Cent schrieb: > Auch wenns overkill sein könnte schlage ich mal die folgende Kampfklasse > im SOD-123 vor: Eine Schottky wenn es u.A. auf den Spannungsbfall ankommt weil der sicherlich im Spannungsteiler mit eingerechnet ist ? Grober Unsinn. Zumal es sicher nicht die verbaute Diode ist, die OnSemi hat das Marking B4? und ist lasergraviert statt weiss bedruckt.
@moe Im Anhang ist mal ein Schaltbild (sekundär) eines konventionellen Netzteils. Das PGI Signal wird immer aus der Wechselspannung erzeugt. Das R906 und R902 in Reihe sind, halte ich für falsch (so etwas macht man nur im HV-Kreis). Am besten noch einmal in Ruhe die Leiterbahnen verfolgen. Für C902 kann man etwas zwischen 100nF und 1uF nehmen. Und bei Gelegenheit die Widerstandswerte des Spannungsteilers nennen. Frank
Michael B. schrieb: > 2 Cent schrieb: >> Auch wenns overkill sein könnte schlage ich mal die folgende Kampfklasse >> im SOD-123 vor: > > Eine Schottky wenn es u.A. auf den Spannungsbfall ankommt weil der > sicherlich im Spannungsteiler mit eingerechnet ist ? Nö, aber wegen Einschaltstrom. > Zumal es sicher nicht die verbaute Diode ist, die OnSemi hat das Marking > B4? und ist lasergraviert statt weiss bedruckt. Ist das ein Problem? [Frank] schrieb: > Im Anhang ist mal ein Schaltbild Mit Strombegrenzung 360 Ohm (R40) an einem 5V-Kreis. Nach der (zugegeben womöglich falschen) Info hier, bis jetzt: 10 Ohm an einem 12V-Kreis. hinz schrieb: > https://www.tme.eu/de/details/1n4148-1206/universaldioden-smd/dc-components/cd4148w-1206c/?brutto=1&gclid=EAIaIQobChMInbj4wr6T4gIVQzPTCh3GqQfSEAQYAiABEgL--fD_BwE Selbige welche Michael B. schon vorgeschlagen hatte.
2 Cent schrieb: > aber ums irgendwann einmal vernünftig zum laufen > bringen zu wollen wirst du tatsächlich nicht um "eine neue" herumkommen. Japp. Das ist mir klar. Es sei denn ich ziehe PGI künstlich hoch ;P [Frank] schrieb: > @moe > Im Anhang ist mal ein Schaltbild (sekundär) eines konventionellen > Netzteils. Das PGI Signal wird immer aus der Wechselspannung erzeugt. Jo danke. Das habe ich auch gefunden und als Referenz gekommen. Natürlich mit dem Wissen, dass da Einiges anders ist. Aber es gibt einen guten Überblick und Anhaltspunkte. [Frank] schrieb: > Das R906 und R902 in Reihe sind, halte ich für falsch (so etwas macht > man nur im HV-Kreis). Am besten noch einmal in Ruhe die Leiterbahnen > verfolgen. Wie ich es drehe und wende, die beiden sind meinen Messungen nach in Reihe. Ich kann leider nicht die Spannungen messen wegen der fehlenden Diode. [Frank] schrieb: > Und > bei Gelegenheit die Widerstandswerte des Spannungsteilers nennen. Habe ich oben schon hingeschrieben und im neuen Schaltplan stehen sie auch nochmal. Wie ihr schon gesehen habt hab ich nun einen neuen Schaltplan nach bestem Wissen erstellt. Ich muss selbst sagen ich bin nicht komplett zufrieden mit damit. V.a. was die Spannungen direkt am Trafo sowie R301, C301A und C301B betreffen. AC/DC.... da blick ich noch nicht recht durch muss ich gestehen. Auch, dass über die R302 0 V abfallen ist ja etwas merkwürdig ^ Ich kann gerne nochmal diverse Werte nachmessen wenn gewünscht.
Die Induktivität obererer Teil L302 sorgt also für eine Nadelhöhe von >30V, angenommen. Was D308 angeht: ich bin überstimmt. Frank, Michael, und Hinz(hat 3 Stimmen) sagen: 1N4148. Also 5:1 gegen mich :D Vorschlag zur Güte: Nimm eine solche, die hält 75V aus. Beim Laden des C315 sollte der Strom in Impulsform 500mA besser nicht überschreiten, also ersetze R315 durch (30V/0,5)= 60Ohm, besser 220 Ohm. Oder, wegen der einfacheren Durchführbarkeit; 220Ohm in Reihe zur 1N4148. Am Spannungsteilerverhältnis (23k) ändert das praktisch nix. Das Ändert zwar das Timing beim Starten, aber nur minimalst; ich denke (Bauchgefühl ohne den genauen Wert von C902 zu kennen) das Timing wird hauptsächlich durch C902, also hinter dem Spannungsteiler, stattfinden. (Und hängt natürlich auch von den Ausgangselkos ab) Dann kommen wir zu C314, respektabel dem parallel testweisen dazu: Spannungsfestigkeit für einen ersten Test 50V aufwärts als Vorschlag. 1uF sollten erstmal ausreichen. Die tatsächliche Spannung kannste problemlos mit DMM messen.
... und wenns damit rennt, also ein defekter C314 die Ursache gewesen war, dann solltest du C305 mal kritisch betrachten, der "bremst" die Spikes welche auf C314 runhämmerten, als R315 10Ohm hatte.
2 Cent schrieb: > Was D308 angeht: ich bin überstimmt. Frank, Michael, und Hinz(hat 3 > Stimmen) sagen: 1N4148. Also 5:1 gegen mich :D =D die Mehrheit hat immer Recht ,P Hab nun die neue Diode eingebaut. Folgen für die Spannungen: - Über der neuen D308 fällt nun 24,8 V in Sperrrichtung ab - Über C314 36,8 V - Über R906 31,22 V - Über R902 4,17 V - Über R901, C901 und PGI je 1,555 V - PGO ist nun bei 5,07 V - Vcc 12,28 V Bedeutet? War die Diode kaputt? Oder es war eine andere Diode drin? Kann ich das so lassen? ;D 2 Cent schrieb: > Beim Laden des > C315 Welcher C315? 2 Cent schrieb: > also ersetze R315 durch (30V/0,5)= 60Ohm, besser 220 Ohm. Oder, wegen > der einfacheren Durchführbarkeit; 220Ohm in Reihe zur 1N4148. Also einfach R315 durch einen 220 Ohm ersetzen? 2 Cent schrieb: > Dann kommen wir zu C314, respektabel dem parallel testweisen dazu: > Spannungsfestigkeit für einen ersten Test 50V aufwärts als Vorschlag. > 1uF sollten erstmal ausreichen. Die tatsächliche Spannung kannste > problemlos mit DMM messen. 2 Cent schrieb: > ... und wenns damit rennt, also ein defekter C314 die Ursache gewesen > war, dann solltest du C305 mal kritisch betrachten, der "bremst" die > Spikes welche auf C314 runhämmerten, als R315 10Ohm hatte. Alles klar. Werde ich mal machen. Danke. 2 Cent schrieb: > als R315 10Ohm hatte. Meinste der is hin?
Der besseren Übersichtlichkeit halber hier der neue Schaltplan mit den entsprechenden Spannungen.
moe schrieb: > Bedeutet? War die Diode kaputt? Oder es war eine andere Diode drin? > Kann ich das so lassen? ;D Sieht jetzt so aus: nur die Diode war anscheinend kaputt. > Welcher C315? Schreibfehler, C314 war gemeint. > 2 Cent schrieb: >> also ersetze R315 durch (30V/0,5)= 60Ohm, besser 220 Ohm. Oder, wegen >> der einfacheren Durchführbarkeit; 220Ohm in Reihe zur 1N4148. > > Also einfach R315 durch einen 220 Ohm ersetzen? Das hatte ich vorgeschlagen zur Einschaltstrombegrenzung an der Stelle. Da deine neue 1n4148 mit 10 Ohm überlebt hat:= könntest du es so lassen wie es ist. In meiner Paranoia habe ich mich offensichtlich in der Last verschätzt, C314 hat ja nicht tausende uF, sondern wesentlich weniger, somit hat die Diode "leichtes Spiel" den Kondensator aufzuladen. Allerdings: die Diode ging ja irgendwann kaputt, die Frage jetzt: warum? -? Entweder mit nur 10 Ohm doch extrem hart an der Grenze -? oder C314 ist kurzzeitig durchgeschlagen, und hat dabei die Diode gehimmelt -? Ausgangselko C305 zu grosser ESR Wie auch immer: Als Fazit würde ich den R315 vergrösssern, um diesen Teil der problematik zukünftig zu entschärfen. > 2 Cent schrieb: >> Dann kommen wir zu C314, respektabel dem parallel testweisen dazu: >> Spannungsfestigkeit für einen ersten Test 50V aufwärts als Vorschlag. >> 1uF sollten erstmal ausreichen. Die tatsächliche Spannung kannste >> problemlos mit DMM messen. Das hat sich wohl erledigt, im Moment sehen die Spannungen ja vernünftig aus. > 2 Cent schrieb: >> ... und wenns damit rennt, also ein defekter C314 die Ursache gewesen >> war, dann solltest du C305 mal kritisch betrachten, der "bremst" die >> Spikes welche auf C314 runhämmerten, als R315 10Ohm hatte. > > Alles klar. Werde ich mal machen. Danke. Gut. Du kannst testweise auch einfach etwa dieselbe Klasse (wirklich kurze Kabelage, keine lange Leitung) parallel dazuklemmen. > 2 Cent schrieb: >> als R315 10Ohm hatte. > > Meinste der is hin? Nein, den kriegste nicht kaputt (ok, du schon, aber nur beim misshandeln scnr). Ich meinte: der ist mit nur 10Ohm gefährlich klein für eine 1n4148., sO Michael B. schrieb: > Und, geht's damit wieder ? Das ist die Frage aller Fragen, moe wird kaum drumherumkommen einen Rechner dranzuhängen, wird schon schief gehen :D
Michael B. schrieb: > Und, geht's damit wieder ? noch nicht getestet. mach ich morgen. 2 Cent schrieb: > In meiner Paranoia habe ich mich offensichtlich in der Last > verschätzt ;D alles klar 2 Cent schrieb: > Allerdings: die Diode ging ja irgendwann kaputt, die Frage jetzt: warum? Genau 2 Cent schrieb: > Wie auch immer: Als Fazit würde ich den R315 vergrösssern, um diesen > Teil der problematik zukünftig zu entschärfen. Ok. Das ist ja nix großes. Kann ich machen. 2 Cent schrieb: > (ok, du schon, aber nur beim misshandeln > scnr) =D Du hast Recht. Ich hab schon so einiges kaputt bekommen ,P 2 Cent schrieb: > Ich meinte: der ist mit nur 10Ohm gefährlich klein für eine > 1n4148., sO Ja ok. Kommt n größerer rein wenn nichts dagegen spricht. 2 Cent schrieb: > Das ist die Frage aller Fragen, moe wird kaum drumherumkommen einen > Rechner dranzuhängen, wird schon schief gehen :D Ich werde es gleich mal morgen nachm Frühstück in meinen PC testen und dann bescheid geben. Jedenfalls schonmal vielen Dank an alle für eure Hilfe.
So. PC läuft mit dem NT. Mal gucken wie lange? ;P Ansonsten werde ich noch den Widerstand wie vorgeschlagen ersetzen. Wenns trotzdem nochmal kaputt geht hört ihr wieder von mir ;D Besten Dank für eure Hilfe. Jetzt kommt das nächste NT dran ;P
Bitte melde dich an um einen Beitrag zu schreiben. Anmeldung ist kostenlos und dauert nur eine Minute.
Bestehender Account
Schon ein Account bei Google/GoogleMail? Keine Anmeldung erforderlich!
Mit Google-Account einloggen
Mit Google-Account einloggen
Noch kein Account? Hier anmelden.





