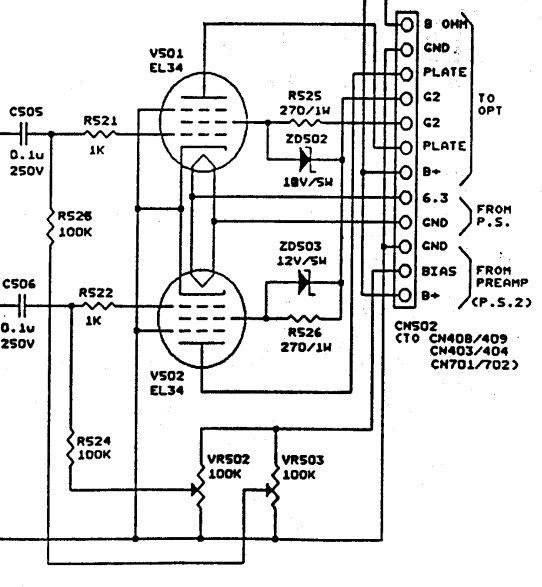
Hallo Welche Variante ist zu empfehlen, habe im Netz beide gesehen!? Gruß
Hi, kommt auf die Schaltung an: http://www.jogis-roehrenbude.de/EL34-Story/EL34-Seite2-Dateien/EL34-Daten.htm ciao gustav
Falls das ein kompletter Umbau auf Kathodenbias wird, würde ich die linke Variante nehmen, bei einem kleinen Messwiderstand für den Kathodenstrom ist es ziemlich egal und ich würde die Variante nehmen, die mechanisch besser passt.
Löt Z. schrieb: > Welche Variante ist zu empfehlen, habe im Netz beide gesehen!? Vielleicht hilft dies weiter: Das Bild im Anhang ist ein Auszug aus der zusaetzlich angehaengten PDF-Datei. Alles entnommen aus der Elliott Sound Products - Webpage http://sound.whsites.net/index2.html
Tom schrieb: > Falls das ein kompletter Umbau auf Kathodenbias wird, würde ich die > linke Variante nehmen, Bei vielen Röhren ist ja m.W. diese Verbindung bereits innerhalb der Röhre angebracht.
Einen Kathodenwiderstand rüstet man nicht einfach so nach. Entweder die Schaltung hat einen oder hat keinen. Bremsgitter nicht an Katode habe ich noch nicht gesehen.
Peter D. schrieb: > Bremsgitter nicht an Katode habe ich noch nicht gesehen. das kann ich zwar auch nicht bestätigen aber auch nicht widersprechen. Die Frage bleibt, was will der TO erreichen? eine Gegenkopplung oder eine Arbeitspunktstabilisierung? bei ersterem genügt der R bei letzterem sollte ein C über den Kathodenwiderstand um eine AC Gegenkopplung aufzuheben. Peter D. schrieb: > Einen Kathodenwiderstand rüstet man nicht einfach so nach. eben
Löt Z. schrieb: > habe im Netz beide gesehen!? Wo? Das Bremsgitter hat kaum Steuerwirkung und soll lediglich den bei Tetroden auftretenden Kennlinienknick vermeiden, wenn im dynamischen Betrieb die Anodenspannung die Schirmgitterspannung unterschreitet. https://de.wikipedia.org/wiki/Bremsgitter Wenn man die Bremsgitterspannung negativ macht, wirkt das wie eine Reduktion der Ug2, reduziert also den möglichen Anodenstrom, was bei Leistungsverstärkern i.A. unerwünscht ist. Ausnahme ist z.B. die Ug3-Modulation von Senderendstufen, aber da geht es um Ug3-Steuerspannungen in der Größenordnung von 300Vss und mehr. Grundsätzlich sind die Röhren für Betrieb mit Ug3=0, d.h. direkte Verbindung mit der Kathode konstruiert und bei vielen Pentoden ist G3 intern auch schon mit K verbunden. Das ist günstig, weil es hilft die schädliche Rückwirkungskapazität Ca-g1 zu verringern und wegen der stets auftretenden parasitären Leitungsinduktvitär sind kurze Verbindungen generell anzustreben. Überdies ist G3 nicht bei allen EL34 in Form einer Gitterspirale vorhanden, sondern es gibt da auch Bündeltetroden. Wie sich dort die Veränderung der elektronenoptischen Eigenschaften durch eine von Null abweichende Ug3 auswirkt, weiss ich nict.
Bitte melde dich an um einen Beitrag zu schreiben. Anmeldung ist kostenlos und dauert nur eine Minute.
Bestehender Account
Schon ein Account bei Google/GoogleMail? Keine Anmeldung erforderlich!
Mit Google-Account einloggen
Mit Google-Account einloggen
Noch kein Account? Hier anmelden.



