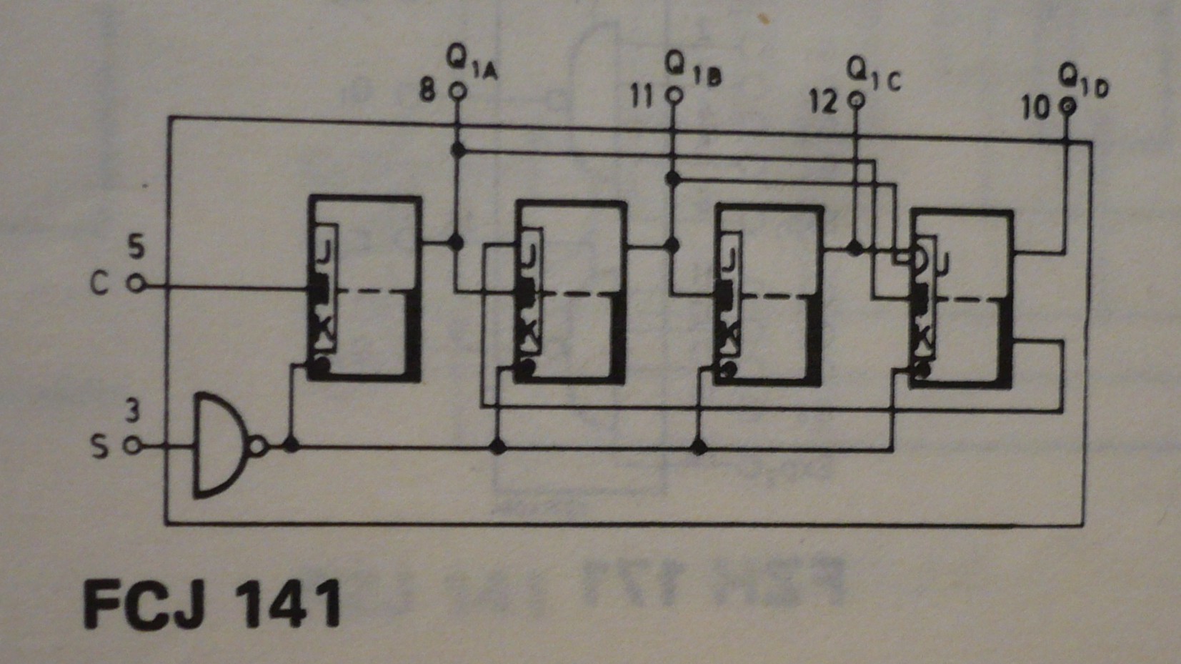
Hallo Community, ich suche zu dem Bauteil FCJ141 eine Anschlussbelegung oder Datenblatt. Es handelt sich dabei um einen Zählerbaustein, wahrscheinlich von Siemens aus den 70er Jahren. Kennt jemand von euch diesen Typ von Baustein? Viele Grüße Leo
Leo schrieb: > ich suche zu dem Bauteil FCJ141 eine Anschlussbelegung oder Datenblatt. > Es handelt sich dabei um einen Zählerbaustein, wahrscheinlich von > Siemens aus den 70er Jahren. Stammt von Valvo, DTL-Logik von ganz lang her. Muss mal sehen ob ich noch ein Datenbuch aus der Zeit finde.
Hallo Hinz, vielen Dank für deine Mühe. Das Foto welches du angehängt hast, hilft mir schon mal weiter. Falls du doch noch ein vollständiges Pin-Out finden solltest, wäre ich dir sehr dankbar. Nochmals vielen Dank! Viele Grüße Leo
Leo schrieb: > Falls du doch noch ein vollständiges Pin-Out finden solltest, wäre ich > dir sehr dankbar. Versorgungsspannung und GND wirst du wohl leicht finden, und die restlichen Pins sind nicht beschaltet.
Leo schrieb: > Es handelt sich dabei um einen Zählerbaustein, wahrscheinlich von > Siemens aus den 70er Jahren. Eher aus den 60ern. Ich habe ihn bei Valvo gefunden: "Asynchrone Zähldekade im 8-4-2-1 Code" Versorgung ist aber genau andersrum als bei TTL und später üblich: 14= GND, 7= +6V +/-5%
Bitte melde dich an um einen Beitrag zu schreiben. Anmeldung ist kostenlos und dauert nur eine Minute.
Bestehender Account
Schon ein Account bei Google/GoogleMail? Keine Anmeldung erforderlich!
Mit Google-Account einloggen
Mit Google-Account einloggen
Noch kein Account? Hier anmelden.
