Hallo, für das Atari Videospiel Pong "E" suche ich das Manual und die Stromlaufpläne. MfG
Hallo, verbindlichen Dank für die URL zu den Unterlagen. Leider ist die Qualität nicht optimal (Blatt 3), so daß ich weiter suche. MfG
Hallo, dieser kurze Bildausschnitt zeigt die schlechte Qualität des Blatt 3 der PDF-Datei. MfG
Hallo, danke für die URL zum schärferen Blatt 3. Jetzt fehlt noch Blatt 5. MfG
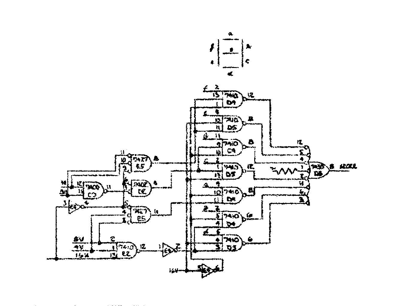
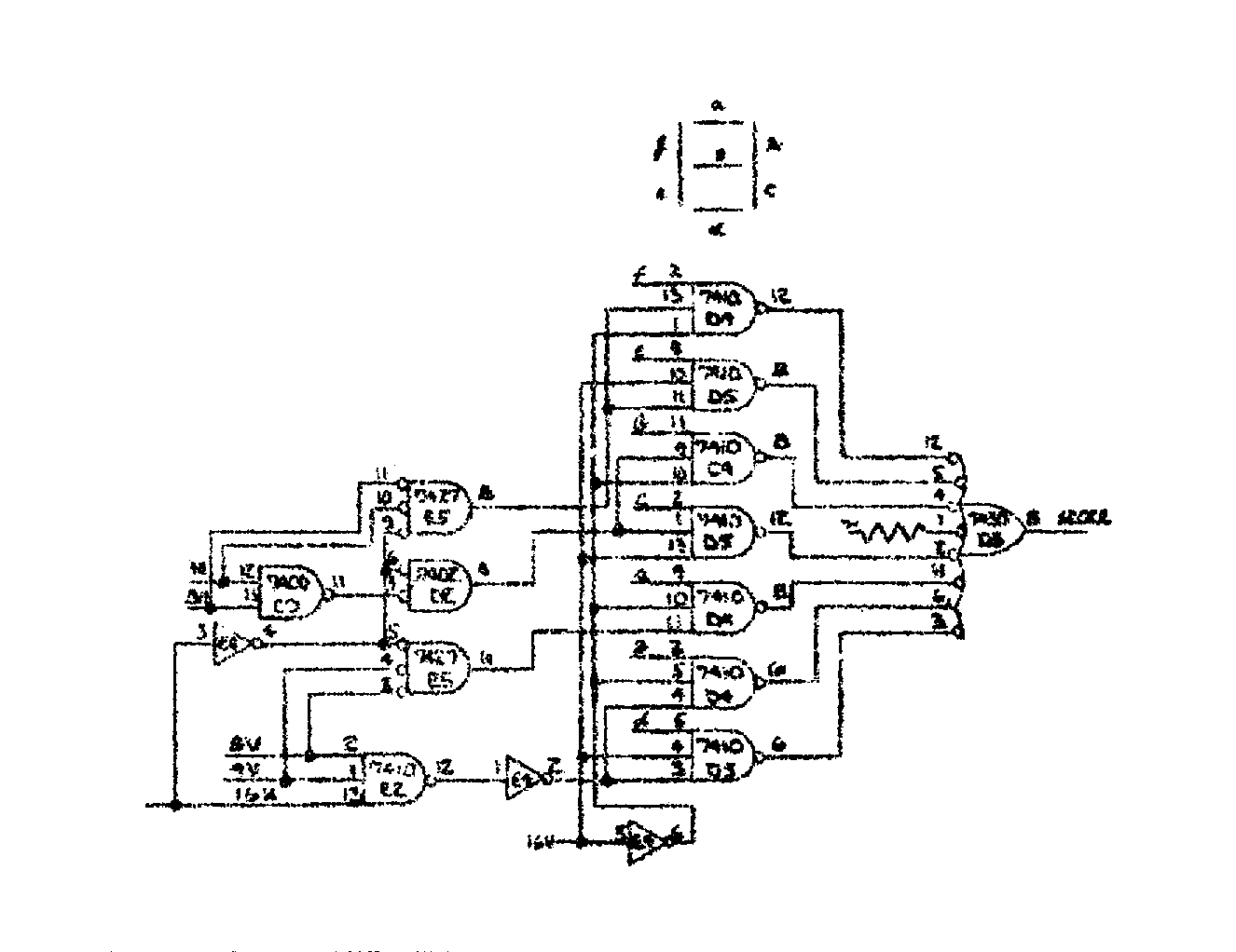
Hallo, diese Schaltung hätte das Potential einer Testfrage. Ich kenne aber das Ergebnis nicht. Also, was bewirken die Segmente der Anzeige an den Eingängen der NAND-Gatter 7410? MfG
Da scheint ein BCD-Code mit der 7Seg.Anzeige auf Übereinstimmung geprüft zu werden. Ja, das waren noch verrückte Zeiten. :) PS: Hab ich bestanden? ;P
Hallo Theo, als Datum auf der Zeichnung steht 4-17-74. Zu diesem Thema, gibt es da Tags zum Googeln? MfG
Michael B. schrieb: > danke für die URL zum schärferen Blatt 3. > Jetzt fehlt noch Blatt 5. Blatt5=Blatt3
Teo D. schrieb: > Da scheint ein BCD-Code mit der 7Seg.Anzeige auf Übereinstimmung geprüft > zu werden. Vermutlich ein bischen anders: Rechts werden die Segmente der anzuzeigenden Ziffer angeliefert, und links kommen von Zeilen und Spaltenzählern die Koordinaten aller Segmente, an denen dann bei Übereinstimmung das Videosignal aufgetastet wird.
Hallo Hinz, es existiert eine 5 Blatt PDF Datei mit Stromlaufplänen auf Blatt 3 und 5. Deine URL zeigt nur das Blatt 5 als *.jpg Datei an. MfG
Hallo Hp M, ich bin erst am Anfang meiner Untersuchung, um dass zu verstehen. Mfg
Hp M. schrieb: > Vermutlich ein bischen anders: > Rechts werden die Segmente der anzuzeigenden Ziffer angeliefert, und > links kommen von Zeilen und Spaltenzählern die Koordinaten aller > Segmente, an denen dann bei Übereinstimmung das Videosignal aufgetastet > wird. Das macht deutlich mehr Sinn, wenn man bedenkt dass dies für ein VideoGame ist. PS: Danke für das "ein bischen anders" :)
Hallo, durch Zufall habe ich diese PDF von Dr.H.Holden entdeckt. http://worldphaco.com/uploads/LAWN_TENNIS.pdf Die hatte ich mir schon am 13.3.2016 angesehen, aber nicht weiter verfolgt. MfG
Michael B. schrieb: > es existiert eine 5 Blatt PDF Datei mit > Stromlaufplänen auf Blatt 3 und 5. Und die sind offensichtlich identisch.
Hallo Hinz, die Blätter 3+5 sind tatsächlich identisch. Da kann ich mich voll auf die jpg Datei D1ORa konzentrieren. MfG
Bitte melde dich an um einen Beitrag zu schreiben. Anmeldung ist kostenlos und dauert nur eine Minute.
Bestehender Account
Schon ein Account bei Google/GoogleMail? Keine Anmeldung erforderlich!
Mit Google-Account einloggen
Mit Google-Account einloggen
Noch kein Account? Hier anmelden.

