Hallo, ich möchte meine Optimum B23 Pro 400V Tischbohrmaschine mit einem Frequenzumrichter ausrüsten. Dazu wollte ich zuerst den Schaltplan der Verdrahtung aufzeichnen. Vom Bedienfeld weg verschwindet eine Mantelleitung mit 3 Adern (weiß, braun, blau) in der Maschine. Welches Bauteil kann an dem Kabel angeschlossen sein (rot markiert)? Und wieso kann das überhaupt funktionieren? Der ganze Schaltungsteil rechts floated doch an einem Draht. Was übersehe ich hier? Vielleicht kann mir jemand auf die Sprünge helfen. (Ich bitte meine Werkstattzeichnung zu entschuldigen.) Danke, Martin
Der Schaltplan ist sowieso komplett falsch, weil so nicht mal das Motorschütz anziehen kann (es kann keinen Strom bekommen solange es nicht angezogen ist).
Es gibt keinen Schütz. Die Netzzuleitung geht auf den kombinierten Unterspannungsauslöser/Bedienschalter mit rot/grünen Tasten. Dann folgt der Drehrichtungsumschalter und Motor.
Martin S. schrieb: > Welches Bauteil kann an dem Kabel angeschlossen sein (rot markiert)? Ab und zu helfen Bilder...
Martin S. schrieb: > Es gibt keinen Schütz. Eigentlich schon. > Die Netzzuleitung geht auf den kombinierten > Unterspannungsauslöser/Bedienschalter mit rot/grünen Tasten. Da steckt das "Schütz" drin. Dessen Spule bekommt intern L1, und benötigt an A1 noch einen der anderen Aussenleiter (L2 oder L3). In diese Leitung schleift man dann noch weitere Sicherheitsschalter (z.B. auch einen Übertemperaturschalter) ein. Du hast also den Schaltplan nicht korrekt aufgenommen.
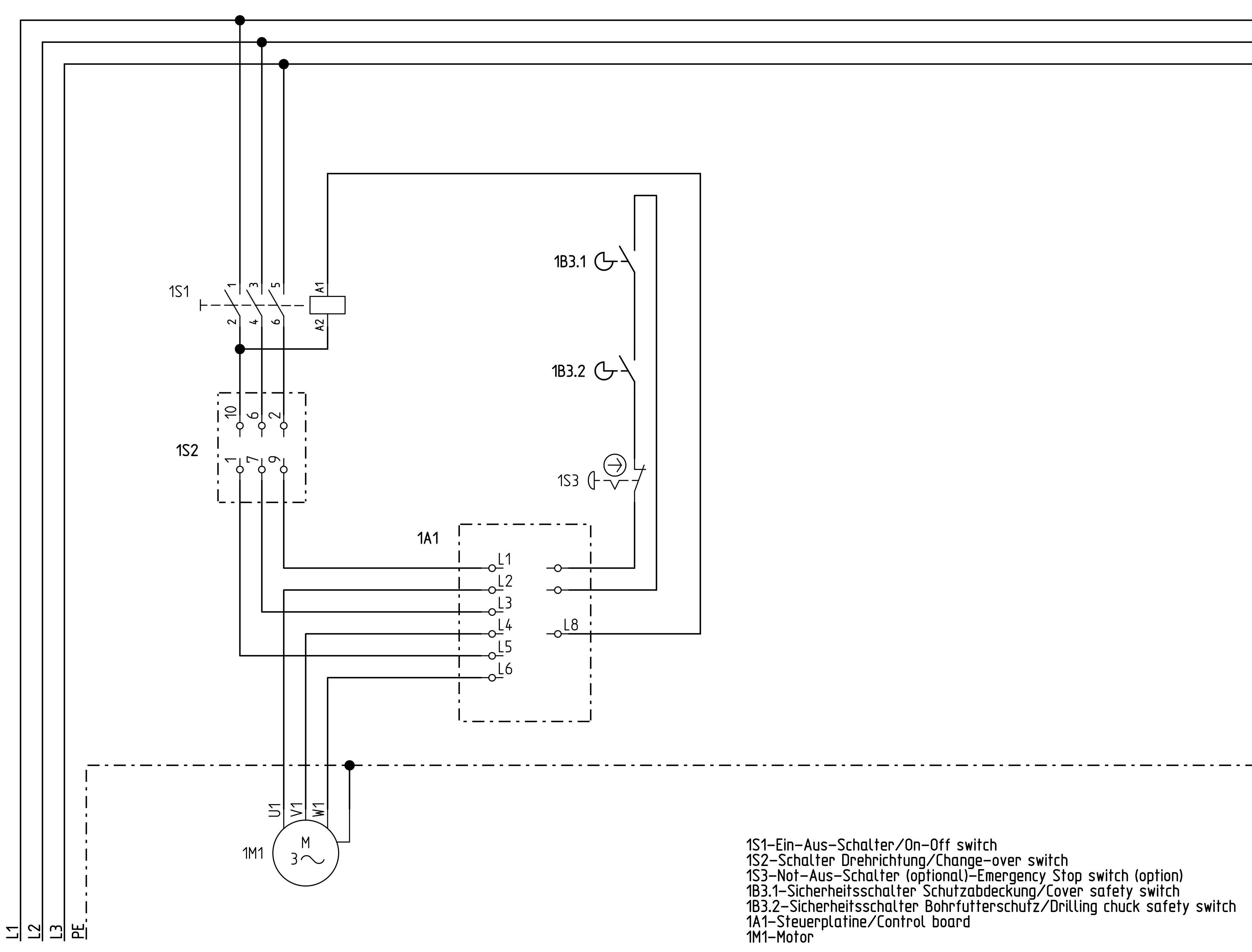
Ist in der Bedinungsanleitung kein schaltplan? Ich hab gerade mal online geschaut, https://www.granit-parts.cz/product/datasheet/bd/BA-382_DE_20141127.PDF ist das die richtige Maschine?
Ben B. schrieb: > weil so nicht mal das > Motorschütz anziehen kann (es kann keinen Strom bekommen solange es > nicht angezogen ist). Das Motorschütz ist der Schalter, das Schütz wird vom Bediener mit dem Grünen Knopf gedrückt und hält sich dann selbst.
Danke für den Link zur Anleitung mit Schaltplan (siehe Anhang). Dieser Schaltplan ist korrekt, ich hatte übersehen dass das vermeintliche Motorkabel (nachdem es ebenfalls verschwindet) nicht direkt zum Motor geht, sondern gemeinsam mit der anderen Mantelleitung zur Steuerplatine. Ich messe 10V DC am geöffneten Notaus bei gedrückt gehaltenem Ein-Schalter. Also ist da ein Netzteil drinnen. Wenn ich die in der Maschine verborgene Steuerplatine unangetastet lasse und mit dem Frequenzumrichter versorge, kann das gutgehen? Oder komme ich nicht umher die Platine auszubauen?
Habe meine B17 Pro auch auf FU umgebaut. Von der alten Verkabelung brauchst du eigentlich nichts mehr. Not-Aus Riemendeckel und Schutzscheibenkontakt ist eine Offnerschleife, die kommt dann auf den FU. Der Ein-Ausschalter kommt weg und ein kraus naimer für Links- Rechtslauf hin. Ein gutes Drahtpoti für denn Sollwert und fertig.
Den Drehrichtungsumschalter wollte ich weiterverwenden (dann als Eingang für den FU) und statt dem bisherigen Ein/Aus einen Kippschalter für Ein/Aus + Poti. Die Frage ob ich die in der Maschine verbaute Steuerplatine mit dem Ausgang eines Frequenzumrichters beaufschlagen kann bleibt offen. Ich habe kein gutes Gefühl dass da nichts abraucht wenn Frequenzen ankommen, für die sie nicht ausgelegt. Ist da ein Trafo verbaut? Macht das was?
Das Problem ist ja gerade dass ich an die Steuerplatine nicht herankomme ohne die Riemenräder abzuziehen was ich ungern machen würde. Die einfachste Lösung wäre eine zusätzliche Leitung zum Motor zu legen und die Platine brach liegen zu lassen. Gibts bessere Vorschläge?
Martin S. schrieb: > Die einfachste Lösung wäre eine zusätzliche Leitung zum Motor zu legen > und die Platine brach liegen zu lassen. Dann mach das. > Gibts bessere Vorschläge? Wohl nicht.
Martin S. schrieb: > Den Drehrichtungsumschalter wollte ich weiterverwenden (dann als Eingang > für den FU) Ganz schlechte Idee. Du kannst nicht einfach umschalten und denken, das das das Drehfeld vom Motor ändert. Wenn der FU das kann, dann bietet er Dir die Möglichkeit des rechts-Linkslaufs. Notaus, Deckelkontakt muss man in den FU einverdrahten.
Martin S. schrieb: > Die Frage ob ich die in der Maschine verbaute Steuerplatine mit dem > Ausgang eines Frequenzumrichters beaufschlagen kann bleibt offen. Ich > habe kein gutes Gefühl dass da nichts abraucht wenn Frequenzen ankommen > für die sie nicht ausgelegt. Die Lösung befindet sich in der Bedienungsanleitung auf Seite 71. (FU 1Q1 ist nach Steuerplatine)
Achsoooooo das soll ein Einschalttaster sein... okay. Mit dieser Steuerung müsste der FU zwischen die Steuerplatine und den Motor. Allerdings wird der dann jedes Mal abgeschaltet, man sollte sich einen Typen mit analoger Sollwertvorgabe (Drehzahl/Frequenz) suchen und da ein Poti dranhängen, dann funktioniert das wunderbar.
Sven L. schrieb: > Martin S. schrieb: >> Den Drehrichtungsumschalter wollte ich weiterverwenden (dann als Eingang >> für den FU) > > Ganz schlechte Idee. Du kannst nicht einfach umschalten und denken, das > das das Drehfeld vom Motor ändert. Wenn der FU das kann, dann bietet er > Dir die Möglichkeit des rechts-Linkslaufs. > > Notaus, Deckelkontakt muss man in den FU einverdrahten. So habe ich das nicht gemeint, ich wollte den Schalter natürlich verwenden und den Logikeingang des FU umzuschalten. Wenn ich den FU nach der Steuerplatine anschließe (wie im PDF), bleibt der Motor dann schnell genug stehen wenn ich auf den Notaus drücke, oder müsste ich dann warten bis dem FU der Saft seiner internen Elkos ausgeht? Das würde dafür sprechen den Öffnerkreis and den FU zu verdrahten. Die Unterspannungsauslösung A1 würde ich dann einfach auf L2 oder L3 hängen.
Das kommt auf den FU an, allerdings werden die Dreh- und Fräsantriebe bei größeren Maschinen meistens nicht durch NotAus festgesetzt sondern laufen frei aus. Nur die Achsantriebe werden festgesetzt. Versuch einen FU mit Gleichstrombremsung zu bekommen wenn's sowas gibt (habe ich noch nie nach gesucht, nie gebraucht) und schau nach ob der der Motor bei Netzausfall runterbremst.
Ben B. schrieb: > schau nach ob der > der Motor bei Netzausfall runterbremst. Steht in der Bedienungsanleitung: ACHTUNG! Auch nach dem Betätigen des NOTAUS-Schlagschalters dreht die Bohrspindel, abhängig von der eingestellten Drehzahl, noch einige Sekunden weiter.
Hier sind Bilder vom Typenschild des Motors, Frequenzumrichter und Unterspannungsschalter. > Steht in der Bedienungsanleitung: > ACHTUNG! Auch nach dem Betätigen des NOTAUS-Schlagschalters dreht die > Bohrspindel, abhängig von der eingestellten Drehzahl, noch einige > Sekunden weiter. Ich könnte das Abbremsen schneller machen indem ich 3 Lastwiderstände als Bremse an den Motor schalte, sobald der Notaus gedrückt wird. Hm, muss mal überlegen ob mir das den Zusatzaufwand Wert ist.
Martin S. schrieb: > Ich könnte das Abbremsen schneller machen indem ich 3 Lastwiderstände > als Bremse an den Motor schalte, sobald der Notaus gedrückt wird. Bringt bei einem Induktionsmotor nichts. Kann der FU keine DC-Bremse?
Ben B. schrieb: > Das kommt auf den FU an, allerdings werden die Dreh- und Fräsantriebe > bei größeren Maschinen meistens nicht durch NotAus festgesetzt sondern > laufen frei aus. Nur die Achsantriebe werden festgesetzt. Du verwechselst NotAus mit NotHalt. Beim NotHalt wird die Maschine aktiv bis zum Stillstand gebremst, bekommt aber noch Energie. (In diesem Fall elektrische) Beim NotAus wird einfach die Energie abgeschaltet, was zum freien Auslaufen der Antriebe führt. Sven L. schrieb: > Notaus, Deckelkontakt muss man in den FU einverdrahten. Was (alleine) nicht zugelassen ist. Ein Umrichter ist keine Sicherheitseinrichtung. (Ausnahmen bestätigen die Regel, kosten aber geschätzt das fünf bis zehnfache eines normalen Umrichters) Ein NotAus muss die Energie direkt abschalten, in diesem Fall durch ein Netzschütz vor dem Umrichter. Das Selbe gilt auch für den Deckelschalter. Einen Kontakt des Netsschützes führt man dann auf den Freigabeeingang des FU. Die im Zwischenkreis gespeicherte Energie reicht normalerweise aus, um die Maschine gezielt still zu setzen, wenn dieser entsprechend parametriert ist.
Martin S. schrieb: > Hier sind Bilder vom Typenschild des Motors, Frequenzumrichter und Ein Lenze... Du hast das dazugehörige Bedienteil zum Einstellen der FU-Parameter? Drehen wird sich das ohne vermutlich auch schon, aber ob das dann für den Motor passt, ist was anderes...
Frank B. schrieb: > Was (alleine) nicht zugelassen ist. Ein Umrichter ist keine > Sicherheitseinrichtung. Danke für die Ergänzung. Ich hatte irgendwie anders im Kopf, da manche FU nicht mögen, wenn man sie hart abschaltet. Vermutlich wird aber jeder Hersteller von FU genau schreiben, wie der FU korrekt zu beschalten ist.
Bitte melde dich an um einen Beitrag zu schreiben. Anmeldung ist kostenlos und dauert nur eine Minute.
Bestehender Account
Schon ein Account bei Google/GoogleMail? Keine Anmeldung erforderlich!
Mit Google-Account einloggen
Mit Google-Account einloggen
Noch kein Account? Hier anmelden.





