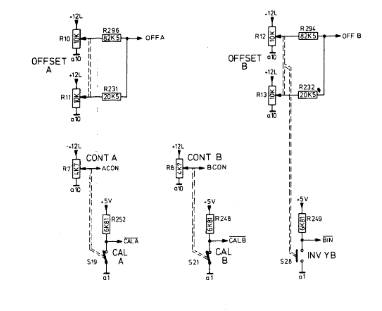
Hallo zusammen, ich bin durch Zufall zu einem Philips PM 3311 gekommen. Einige Potis waren schwergängig, das ließ sich aber mit Reinigungsspray und Versiegelung wieder beheben. Nur ein Poti will nicht. OFFSET Kanal B. Dual 10K mit Pull Schalter. Kann mir einer von euch sagen, was die Funktion PULL FOR -B tut? Invertiert die einfach Eingang B? Habe mir Anleitung und Service Manual runtergeladen, wurde bei dieser Funktion aber nicht wirklich schlau daraus. Es scheinen bei beiden auch Seiten zu fehlen. Würde mich freuen, wenn jemand früher damit gearbeitet hat und mir helfen kann. Wenn ich die Funktion gar nicht brauche, könnte ich ein normales 2 x 10 K Poti einbauen und alles wäre gut. Vielen Dank, Kai
Kai G. schrieb: > Invertiert die einfach Eingang B? Davon würde ich mal ausgehen. Beta (Β oder β) wird oft als Symbol für den Verstärkungsfaktor verwendet.
Kai G. schrieb: > Einige Potis waren schwergängig, das ließ sich aber mit Reinigungsspray > und Versiegelung wieder beheben. Was meinst du mit "Versiegelung" (eines Potis) ?
Habe mir das eben im Schaltplan noch mal angesehen. Muss das wirklich 10K haben? Scheint nur ein Spannungsteiler zu sein. Mit anderen Werten könnte ich auch ein Pull Poti bekommen.
Kai G. schrieb: > Mit anderen Werten könnte ich auch ein Pull Poti bekommen. Ich würde es versuchen.
Bitte melde dich an um einen Beitrag zu schreiben. Anmeldung ist kostenlos und dauert nur eine Minute.
Bestehender Account
Schon ein Account bei Google/GoogleMail? Keine Anmeldung erforderlich!
Mit Google-Account einloggen
Mit Google-Account einloggen
Noch kein Account? Hier anmelden.
