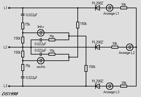
Hi, habe hier folgende Schaltung wie auch hier: https://www.elektrikforen.de/threads/schaltung-drehfeldanzeige.11402/ dargestellt. Ich habe das in einen CEE Stecker eingebaut, funktioniert auch soweit sehr gut. Ich würde nun noch gern das ganze so modifizieren das ich zusätzlich den N mit anschließen kann, falls mal 2 Phasen nicht da wären oder eben der N. Was müsste ich ändern, erweitern? Danke Gruß DS http://www.radio-ghe.com/neuetechnik/glimmla.htm
Ist doch in der Schaltung auf deinem Link mit drauf: http://www.radio-ghe.com/neuetechnik/glimmla.htm ganz rechts.
Kann ich am dem Sternpunkt einfach N anschließen und fertig? Die Schaltung ist doch für 3Phasen ohne N ausgelegt? Danke DS
Quisfrage: Wie gross wird die Spannungsdifferenz zwischen dem Punkt X und N sein?
Harlekin schrieb: > Quisfrage: Wie gross wird die Spannungsdifferenz zwischen dem Punkt X > und N sein? Quisfrage2: Welche Glimmlampen werden in der Originalschaltung leuchten falls L1 und L2 ausgefallen sind, L3 aber nicht? Wird das durch einen N Leiter Anschluss besser oder schlechter?
Bitte melde dich an um einen Beitrag zu schreiben. Anmeldung ist kostenlos und dauert nur eine Minute.
Bestehender Account
Schon ein Account bei Google/GoogleMail? Keine Anmeldung erforderlich!
Mit Google-Account einloggen
Mit Google-Account einloggen
Noch kein Account? Hier anmelden.

