Hey, Ich habe in meinem Garten 2 LED Streifen die mit einer 12v Autobatterie Laufen und ein Paar selbstgebaute Musikboxen, die ich gerne zusammen spielen lassen würde, ich stelle mir das so vor, dass man mit Einem Schalter für die lichter zwischen lichtorgel und Normal wechseln kann. Leider kommt aus dem Audio Verstärker maximal 6v und das reicht nicht für die LED Streifen desswegen will ich an der Stelle einen Verstärker Bauen der das Signal auf ca. 12v bringt. Es sollte natürlich kein high end Verstärker sein. Hat jemand eine Idee?
1 | IRF4905 LED-Streifen |
2 | .------------. |
3 | 12V S D | ___ | |
4 | o---------------o--------+^+--||___|---. | |
5 | | ||| | | | |
6 | | === | V ->| |
7 | .-. G | | - | |
8 | 10K| |<---o----' | | | |
9 | | | | | | | |
10 | '-' | | V ->| |
11 | 1uF | | | - | |
12 | Musik || | | | | | |
13 | o--------||-----)-----' | | | |
14 | || | | | | |
15 | Minus | | | | |
16 | o--------------o-------------|--------' | |
17 | '------------' |
18 | (created by AACircuit v1.28.6 beta 04/19/05 www.tech-chat.de) |
Ich hab bei mir noch 3 andere Transistoren gefunden und zwar einen KIA7809A, einen L7806CV und ein LM317T kann ich auch einen davon benutzen
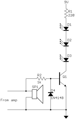
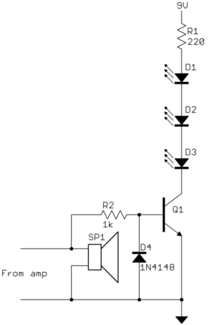
Auf meinem Smartphone kann ich aus Axels Schaltung nur Hieroglyphen erkennen. Deshalb hier nochmal eine ähnliche Schaltung mit Transistor als Bilddatei. Da du zwei LED-Streifen hast, kannst du diese Schaltung gleich zweimal mit je einer Frequenzweiche aufbauen. Für die tiefen Frequenzen kommt parallel zur Diode noch ein 1uF Elko und für die zweite Schaltung, mit den hohen Frequenzen, kommt in Serie zum 1k Widerstand noch ein 47nF Kondensator. Einfacher geht's nicht. 🙂
Pckyy P. schrieb: > Ich hab bei mir noch 3 andere Transistoren gefunden und zwar einen > KIA7809A, einen L7806CV und ein LM317T kann ich auch einen davon > benutzen Nein, das sind Spannungsregler!
Pckyy P. schrieb: > Ich hab bei mir noch 3 andere Transistoren gefunden und zwar einen > KIA7809A, einen L7806CV und ein LM317T kann ich auch einen davon > benutzen Das sind Spannungsregler un keine Transistoren^^
ACHSOOO Ich hab jetzt noch ein paar bc546b und nen ztx751 in einer alten platine gefunden das sind ganz sicher welche 💪😁
Pckyy P. schrieb: > ACHSOOO > Ich hab jetzt noch ein paar bc546b und nen ztx751 in einer alten platine > gefunden das sind ganz sicher welche 💪😁 Zu mickrig.
Pckyy P. schrieb: > Was meinst du mit mickrig Die werden an der Aufgabe ihren magischen Rauch verlieren.
Kann man einfach mehrere Transistoren jeweils an emitter base und collector aneinander löten
Pckyy P. schrieb: > Kann man einfach mehrere Transistoren jeweils an emitter base und > collector aneinander löten Besorg dir am besten geeignete Typen, alles andere ist wahrscheinlich nicht zielführend.
Pckyy P. schrieb: > was bedeutet der Pfeil? Der Pfeil bedeutet, dass es sich um einen N-Channel-Mosfet handelt.
Jens schrieb: > Der Pfeil bedeutet, dass es sich um einen N-Channel-Mosfet handelt. Nee, hier ist es der Schleifer eines 10k-Potis.
Bitte melde dich an um einen Beitrag zu schreiben. Anmeldung ist kostenlos und dauert nur eine Minute.
Bestehender Account
Schon ein Account bei Google/GoogleMail? Keine Anmeldung erforderlich!
Mit Google-Account einloggen
Mit Google-Account einloggen
Noch kein Account? Hier anmelden.


