Ich hatte schlechte Erfahrungen mit Ersatzakkus für ein Samsung Galaxy S4 Smartphone und Motorola L7 Mobiltelefon. Der angeblich neue Samsung Originalakku blähte sich nach 3 Monaten auf und hatte von Anfang an keine längere Laufzeit als meine alter Akku. Für das L7 hatte ich einen billigen Ersatzakku gekauft und auch dieser hält kaum länger als mein alter. Nun geht es mir darum, die tatsächliche Kapazität zu bestimmen. Da es wohl nur eine Li-Ionen-Zelle ist (3,7 V), wäre meine Idee, die Kontakte mit einem Akkuladegerät (Opus BT-C3100) zu verbinden, das eine Funktion zur Kapazitätsbestimmung der Aakkus besitzt. Ich habe nur Bedenken, was die Ladeschlussspannung und Entladeschlussspannung betrifft. Hat das jemand mal probiert?
Wolfgang S. schrieb: > Da es > wohl nur eine Li-Ionen-Zelle ist (3,7 V), wäre meine Idee, die Kontakte > mit einem Akkuladegerät (Opus BT-C3100) zu verbinden, das eine Funktion > zur Kapazitätsbestimmung der Aakkus besitzt. Ich habe nur Bedenken, was > die Ladeschlussspannung und Entladeschlussspannung betrifft. Stelle die max. Ladespannung auf 4,2V und die min. Entladespannung auf 3,2V ein, den Entladestrom würde ich auf 500mA begrenzen. Zu beachten ist, die Verbindung möglichst kurz und niederohmig zu halten, das auch an den Kontakten.
Ich habe hier verschiedene aeltere Li-Ion-Akkus die ich in der Regel so teste wie im Anhang gezeigt. Wichtig ist das USB-Voltmeter mit dem Oled-display zu verwenden :das funktioniert auch noch mit 3.5V. Abschaltspannung etc laesst sich im "Servicemenue" einstellen.Genauigkeit ist mehr als ausreichend. Die elektronische Last funktioniert sehr gut und der Entladestrom ist einfach einzustellen. https://www.ebay.de/itm/USB-Charger-Doctor-Current-Voltage-LCD-Display-Detector-Voltmeter-Ammeter-Tester/382600939829?hash=item5914cb0935:g:h9oAAOSwtItbzcs6 https://www.ebay.de/itm/NEW-USB-Adjustable-Constant-Current-electronic-load-Tester-for-QC2-0-Power-Bank/381696016093?hash=item58dedafedd:g:xBUAAOSwhOVXf4pZ Manche werden hier die Nase ruempfen aber der Aufbau tut exakt das was ich will: Kapazitaet bestimmen..... Natuerlich kann man auch hochwertige alleskoennende PiPaPo-Lade/Entladegeraete kaufen....
Danke für diese Idee. Ich habe zwar ein USB-Messgerät, aber das UM34C funktioniert erst ab 4,0 V und eine Abschaltspannung kann man dort nicht einstellen. Für das verlinkte Gerät bei eBay wird zwar auch eine Betriebsspannung von 4-30 V angezeigt, aber wenn ich nach dem Aufdruck "USB Safety Tester" suche finde ich das Modell J7-t, das von 3-30 V funktionieren soll. Ist es dieses Teil? Ich habe aber nirgendwo gefunden, wie man eine Abschaltspannung einstellen kann. Hast du einen Link dazu?
Ralf X. schrieb: > Stelle die max. Ladespannung auf 4,2V und die min. Entladespannung auf > 3,2V ein, den Entladestrom würde ich auf 500mA begrenzen. > Zu beachten ist, die Verbindung möglichst kurz und niederohmig zu > halten, das auch an den Kontakten. Die Entladeschlussspannung des Ladegeräts lässt sich nicht einstellen. Das müsste ich mal messen. Ladeschluss soll aber bei 4,2 V liegen.
Wolfgang S. schrieb: > Ralf X. schrieb: > >> Stelle die max. Ladespannung auf 4,2V und die min. Entladespannung auf >> 3,2V ein, den Entladestrom würde ich auf 500mA begrenzen. >> Zu beachten ist, die Verbindung möglichst kurz und niederohmig zu >> halten, das auch an den Kontakten. > > Die Entladeschlussspannung des Ladegeräts lässt sich nicht einstellen. > Das müsste ich mal messen. Ladeschluss soll aber bei 4,2 V liegen. Dann ist das Ladegerät doch noch etwas einfacher, als beim kurzen Überfliegen zu vermuten war. Macht aber auch nichts, für eine oberflähliche Beurteilung Deines Akkus ist es auch so geeignet. Wichtig ist lediglich die Qualität der Verbindung, damit dort keine zu hohe Spannung und damit Leistung abfällt und das Ergebnis verfälscht. Und dass der Akku nach dem Entladetest direkt wieder aufgeladen wird. Bevor Du zusätzlich zu irgendwelchen USB-Bastellösungen greifst, solltest Du Dich fragen, wozu Du etwas nutzen kannst und willst.
Toxic schrieb: > Manche werden hier die Nase ruempfen aber der Aufbau tut exakt das was > ich will: Kapazitaet bestimmen..... Zu Recht kann man da die Nase rümpfen! Die von Dir benutzte/verlinkte einstellbare Konstandlast soll lt. "Datenblatt" zwischen 3,7 und 13V arbeiten, wobei zwischen Akku über den USB-Tester bis zum Lastbaustein auch noch etwas Spannung abfällt. Bei meinen letzten Kapazitätsmessreihen über die Zeit wurden unter(!) 3,7V noch 50% bis knapp 80%% der Gesamtkapazität des Akkus gezogen! Dabei verhalten sich die verschiedenen Zellen äusserst unterschiedlich. Eine Zelle z.B. brachte zwischen 3,7 auf 3,6V 29,1%, auf 3,5V 10,8%, auf 3,4V 5%, auf 3,3V 2,3%, grosser Schritt auf 2,8V 7,4%, also 76,2% unter 3,7V. Andere Zelle: von 3,7 auf 3,6V 14,6%, auf 3,5V 22,1%, auf 3,4V 13,8%, grosser Schritt bis runter auf 2,8V nur noch 3,5%, gesamt unter 3,7V 54%. Also ein ganz anderes Verhalten.
Wolfgang S. schrieb: > Der angeblich neue Samsung > Originalakku blähte sich nach 3 Monaten auf War das nicht ein 3,8V Akku? Dann wäre die Ladeschlussspannung bei über 4,2V. Wenn der Fälscher 3,7V Chemie verwendet ist das wohl nicht so gut..
Ralf X. schrieb: > Zu Recht kann man da die Nase rümpfen! Alrighty then - dann soll der User halt fuer einen einzelnen Zellentest ein schickes uC-gesteuertes Schnickschnackgeraet kaufen. Aber egal: veilleicht interessiert dich der Link hier: http://www.lygte-info.dk/ Wolfgang S. schrieb: > "USB Safety Tester" suche finde ich das Modell J7-t, das von 3-30 V > funktionieren soll. Ist es dieses Teil? Ich habe aber nirgendwo > gefunden, wie man eine Abschaltspannung einstellen kann. Hast du einen > Link dazu? Ich habe im Anhang das Manual des USB-Testers angehaengt(gescanntes Manual...) Dazu noch Testergebnisse fuer die elektronische Last und dem Safety Tester.Gemacht hat dies der "lytge" im obigen Link Man sieht schoen wo mit etwas mehr Ungenauigkeit zu rechnen ist. Einen Link zu dem Tester und dem meinigen habe ich gerade nicht,aber ich denke fast, dass der von mir im ersten Posting verlinkte Tester die gleiche Software benutzt..... Ehrlich gesagt war ich damals ueberrascht,das man im Servicemue zusaetzlich Einstellungen vornehmen kann,die von den Ebay-Sellern nicht erwaehnt werden. Ich habe uebrigens auch so ein etwas besser USBmeterchen mit Farbdisplay - feine Sache,leider funktionieren sie nur ab 4V. Was deine 3.8V Samsung Akku angeht,check das hier: https://batteryuniversity.com/learn/article/confusion_with_voltages
Toxic schrieb: > Ralf X. schrieb: >> Zu Recht kann man da die Nase rümpfen! > > Alrighty then - dann soll der User halt fuer einen einzelnen Zellentest > ein schickes uC-gesteuertes Schnickschnackgeraet kaufen. Der TO HAT ein Opus BT-C3100, das für SEINEN geschilderten Zweck völlig ausreichend ist. Der muss sich also gar nichts mehr kaufen. Ich habe aber auch absolut nichts gegen die kleinen weitgehend fertigen Helferlein für ein paar Euros, liegen bei mir auch rum und werden auch immer wieder mal eingesetzt. Oder Fertigmodule, meist ohne Gehäuse, oder beschaltet/verdrahtet in kleinen "Tupperdosen" versenkt, wobei die "Tupperdose" auch eine Plaste- oder Holz-Verpackung sein kann, die an sich und insb. woanders sofort in die gelbe Tonne wandern würde. WENN jemand wie DU öfters mit der Messung der Akku-Kapazität zu tun hast und eh zumindest "Bastler" bist, sollte Du doch extrem an der Lade-/Entladekurve interessiert sein, um einen Akku zu beurteilen. Allerdings musst Du dafür auch *kein" "schickes uC-gesteuertes Schnickschnackgeraet" kaufen, sondern kannst Dir das auch billigst selber bauen und da ist ein kleiner µC sehr hilfreich. ICH bevorzuge da den Arduino-Nano-Clon ab ~1,50€ mit seinen 8 Analog- und 14 Digital E/A. Dazu pro gleichzeitig zu messender Entladekapazität zwei Widerstände und ein Relais, zwei Widerstände und etwas Draht, zusammen bei 0,50 bis 1,-€. Und mit dem Nano sind vier gleichzeitige, aber unabhängige Messungen möglich, solange man dafür gleichzeitig einen PC, Notebook oder Android-Smartphone zur Verfügung stellt. Mit xxternem NT und einem weiteren Relais und FET + C pro Akku kann man damit auch eine "intelligente" Ladeschaltung realisieren und ist ggf. immer noch unter 10,-€ für das gesamte Projekt. Man kann auch noch zwei bis drei Euros in eine drahtlose Datenübermittlung investieren, oder in eine Speicherung auf eine Speicherkarte, etc.. Nebenbei: Wie ja schon geschildert, habe ich selber diverse Fertigbausteine, auch mit Einstellmöglichkeiten über die typischen blauen Spindelwiderstände. ICH weiss, dass man an denen nicht allzu oft drehen sollte. Ein µC hat mir bisher noch nie einen neuen Befehl übel genommen. Aber nochmals: Alles kommt immer darauf an, wo und wofür man etwas einsetzen möchte. Der TO HAT ein halbwegs gutes Lade-/entlade-Testgerät und will EINEN Akku beurteilen. Dafür ist ER absolut genügend ausgerüstet. > Aber egal: veilleicht interessiert dich der Link hier: > http://www.lygte-info.dk/ Nein, Dein Link, den Du täglich mehrfach bringst, interessiert mich nicht die Bohne. Inzwischen ordne ich das auch eher als Spam ein.
Ralf X. schrieb: > Der TO HAT ein Opus BT-C3100, das für SEINEN geschilderten Zweck völlig > ausreichend ist. > Der muss sich also gar nichts mehr kaufen. Ups - hatte ich uebersehen.Na dann koennen ja meine Postings geloescht werden.Leider tun das die Moderatoren hier nicht. Ralf X. schrieb: > WENN jemand wie DU öfters mit der Messung der Akku-Kapazität zu tun 3 mal im Jahr - um alte Akkus zu testen. Ralf X. schrieb: > ICH bevorzuge da den Arduino-Nano-Clon ab ~1,50€ mit seinen 8 Analog- > und 14 Digital E/A. Ja die sind die toll - von denen habe ich mehr als 4 davon herumliegen. Ralf X. schrieb: > Nein, Dein Link, den Du täglich mehrfach bringst, interessiert mich > nicht die Bohne. > Inzwischen ordne ich das auch eher als Spam ein. Bitte tief durchatmen. Ich bin dir gegenueber in keinster Weise ausfaellig geworden und habe auch nicht vor weiter mit dir zu kommunizieren. Meine Postings gelten - galten - hauptsaechlich einzig und allein dem TO Bevor hier wieder ein Gestaenkere ausbricht und den Thread verunstaltet ziehe ich mich freiwillig zurueck.
Toxic schrieb: > Ralf X. schrieb: >> Der TO HAT ein Opus BT-C3100, das für SEINEN geschilderten Zweck völlig >> ausreichend ist. >> Der muss sich also gar nichts mehr kaufen. > > Ups - hatte ich uebersehen.Na dann koennen ja meine Postings geloescht > werden.Leider tun das die Moderatoren hier nicht. Wieso leider? Andere geben sich Mühe, Dir zu antworten, auch wenn ggf. vom Threadthema abweicht. Soll das durch die Moderation alles in den Müll wandern, wenn es jemand wünscht? Oder sollen die Antworten dann ohne Bezug stehen bleiben? Oder soll sich ein Mod 10 Minuten damit beschäftigen, was er streicht und was nicht? > Ralf X. schrieb: >> WENN jemand wie DU öfters mit der Messung der Akku-Kapazität zu tun > > 3 mal im Jahr - um alte Akkus zu testen. Wow, dreimal im Jahr? Und dafür hast Du Dir extra das "Equipment" angeschafft? Oder was machst Du ansonsten damit? > Ralf X. schrieb: >> ICH bevorzuge da den Arduino-Nano-Clon ab ~1,50€ mit seinen 8 Analog- >> und 14 Digital E/A. > > Ja die sind die toll - von denen habe ich mehr als 4 davon herumliegen. Damit die Lade-/Entladekurve aufzuzeichnen, wäre bedeutend sinnvoller, als sie rumliegen zu lassen. :-) > Ralf X. schrieb: >> Nein, Dein Link, den Du täglich mehrfach bringst, interessiert mich >> nicht die Bohne. >> Inzwischen ordne ich das auch eher als Spam ein. > > Bitte tief durchatmen. > Ich bin dir gegenueber in keinster Weise ausfaellig geworden und habe > auch nicht vor weiter mit dir zu kommunizieren. Keiner von uns beiden ist ausfällig geworden. Aber Du scheinst schnell beleidigt zu sein. In einem Forum sind Antwortkommentare universell, eine einseitige Unterbrechung der Kommunikation zu einem eintelnen Teilnehmer ist daher nicht zu realisieren. > Meine Postings gelten - galten - hauptsaechlich einzig und allein dem TO Dann kann Dir nur besonders ans Herz legen, vor Deinen Antworten die anstehenden Fragen auch genau zu lesen und zu verstehen, bevor Du einen Link zu Deinem dänischen Bettenlager konstruierst. :-)
Wolfgang S. schrieb: > Hat das jemand mal probiert? Nein, bevor ich einen verdächtigen Akku messe, wiege ich ihn. Fake-Akkus haben oft zu wenig Material und sind daher leichter. Wiegen dauert Sekunden.
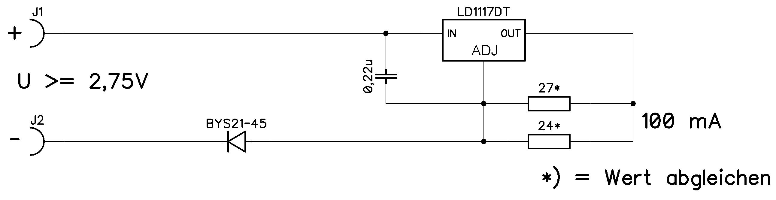
Eine simple Konstantstromlast kann man mit LM1117 aufbauen. Vor Jahren habe ich die einfach angeklemmt und alle Stunde / halbe Stunde und kürzer manuell die Spannung aufgeschrieben. Natürlich vergisst man das dann zum Ende hin und quält den Akku in die Tiefentladung, so dass ich mir dann etwas ordenliches selbst gebaut habe.
Toxic schrieb: > Aber egal: veilleicht interessiert dich der Link hier: > http://www.lygte-info.dk/ Gerade heute habe ich zu der Seite des Dänen gefunden, da ich irritiert von dem seltsamen Verhalten des Opus BC-T3100 war. Ich habe eine Ladung des L7 Akkus damit durchführen wollen. Mit zwei Multimetern parallel und in Reihe dazu. Ich habe es abgebrochen, da bei nur noch 50 mA Strom die Spannung von 4,20 v auf 4,17 V (Opus) sank und das Multimeter 0,05 bis 0,16 V mehr anzeigte ohne dass die Ladung beendet wurde. Außerdem zappelten die Messwerte nervös. Der Däne beschrieb in seinem Test, dass ein älter Li-Ionen-Akku ebenfalls mit sehr hohen Spannungen geladen wurde und am Ende mitunter die Spannung stark hin- und her wanderte. Scheint ein fleißiges Kerlchen zu sein, bei dem Umfang seiner Tests. Ich habe nun mit einem Aplic Gerät die Ladung durchführen können. Dort wurden auch vernünftige Spannungen angezeigt. > Ich habe im Anhang das Manual des USB-Testers angehaengt(gescanntes > Manual...) > Dazu noch Testergebnisse fuer die elektronische Last und dem Safety > Tester.Gemacht hat dies der "lytge" im obigen Link. Herzlichen Dank dafür. > Was deine 3.8V Samsung Akku angeht,check das hier: > https://batteryuniversity.com/learn/article/confusion_with_voltages Heißt das, der Samsung S4 Akku wird bis 4,35 V geladen? Edit: Hab' gerade Ladegeräte für das externe Laden der S4 Akkus gefunden. Ladespannung 4,35 V. Also den Schalter im Opus betätigen.
Bitte melde dich an um einen Beitrag zu schreiben. Anmeldung ist kostenlos und dauert nur eine Minute.
Bestehender Account
Schon ein Account bei Google/GoogleMail? Keine Anmeldung erforderlich!
Mit Google-Account einloggen
Mit Google-Account einloggen
Noch kein Account? Hier anmelden.



