Hallo! Ich hätte eine Frage: Habe einen Multifunctionstester TC-1 mit dem ich sehr zufrieden bin! Was mich ein wenig stört ist das etwas klein geratene mehrfarbige 3,5 Zoll TFT-Display .Ich dachte da an ein ca.9-10 Zoll Display. Gäbe es da vernünftige, evt. fertige Lösungen?
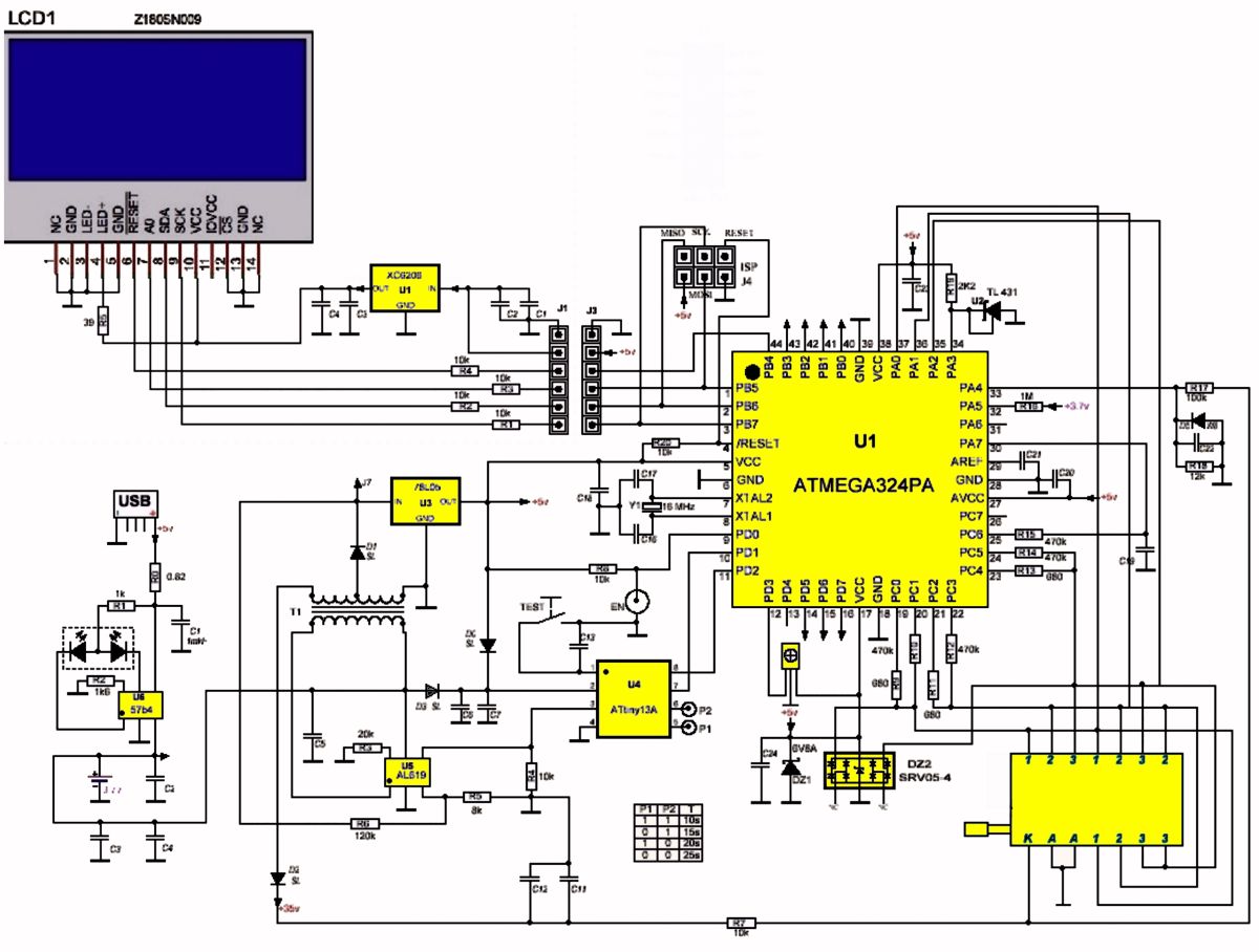
Oskar K. schrieb: > Ich dachte da an ein ca.9-10 Zoll Display. Gäbe es da > vernünftige, evt. fertige Lösungen? Also als Plug&Play wirst du da wohl nichts finden. Das Display (Z180SN009) hat wohl ein ST7735S Controller verbaut, der Treiber für die Ansteuerung im ATMEGA32 ist darauf ausgelegt. Theoretisch wäre folgends möglich: Du nimmst dir ein µC und tust so als wärst du der ST7735S und interpretierst die Daten und steuerst dann das große Display an. Das ist aber auch nicht eben mal so zusammengebastelt - aber möglich.
Kleb eine Lupe von einem Diabetrachter ueber das Display. Das ist fuer dich wohl realistischer machbar.
Bitte melde dich an um einen Beitrag zu schreiben. Anmeldung ist kostenlos und dauert nur eine Minute.
Bestehender Account
Schon ein Account bei Google/GoogleMail? Keine Anmeldung erforderlich!
Mit Google-Account einloggen
Mit Google-Account einloggen
Noch kein Account? Hier anmelden.

