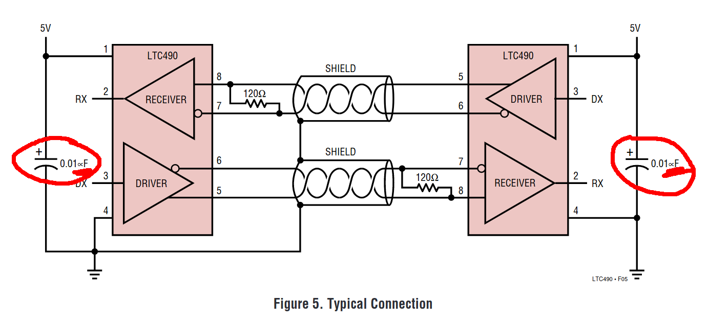
Liebe Kollegen, im Datenblatt vom LTC490 ist diese Beschaltung angegeben. Der Kondensatorwert gibt mir ein Rätsel auf. Es sieht aus wie 0,01µF als Elko. So kleine Werte als Elko kenn ich nicht. Dieses komische Symbol, das aussieht wie ein unendlich Zeichen habe ich auch an anderer Stelle gefunden. Z.B. bei "Low Power: ICC = 300 [hier das Zeichen]A Typical". Ich habe es als µ - Zeichen interpretiert. Wer hat Erfahrung mit dem LTC490 und kann mir sagen, welchen Wert er für diesen Elko genommen hat? Von Abfangen von Spitzen würde es doch auch ein Standard 100nF Stützko tun, oder? Lieben Gruß
Mit dem Zeichensatz Deines PDF-Viewers muß was im argen sein. Bei mir wird in https://www.analog.com/media/en/technical-documentation/data-sheets/490fb.pdf ein µ angezeigt. Daß das mit dem + kompletter Humbug ist, versteht sich bei 10nF von selbst.
Chris schrieb: > würde es doch auch ein Standard 100nF Stützko tun, oder? Ja. Auch die hier angegebenen 10n tun es. Andere stehen mehr auf 22 oder 47nF :-)
Chris schrieb: > Ich habe es als µ - Zeichen interpretiert. So ist es auch. Und natürlich ist ein MLCC hier richtig.
Bitte melde dich an um einen Beitrag zu schreiben. Anmeldung ist kostenlos und dauert nur eine Minute.
Bestehender Account
Schon ein Account bei Google/GoogleMail? Keine Anmeldung erforderlich!
Mit Google-Account einloggen
Mit Google-Account einloggen
Noch kein Account? Hier anmelden.
