Moin zusammen, ich würde gerne gerne ähnlich wie in der Abbildung so Light Cans von Ape nachbauen. Diese sollen aber nur die RGBW LED, einen Atmega zum dimmen und Farbwahl haben. Bei Aliexpress habe ich zumindestens vom aussehen her sehr ähnliche LEDS gefunden wie man bei den Daten sieht(https://de.aliexpress.com/item/33006545474.html). Jetzt zu meinem Hauptproblem. Ich suche dafür etwas halbwegs kompaktes womit ich die 4 Konstantstromquellen und für die LEDs erzeugen und alle auch dimmen kann. Bisher bin ich da gelandet, das ich mir 4 einzelne Konstantstromquellen bauen und diese dann alle einzeln per Mosfet/Transistor dimmen werde. Gibt es hierfür noch keinen Treiber wo man einfach die 4 LEDs anschließen kann und alles über I2C oder SPI im Treiberbaustein einstellen kann? Irgendwas kompaktes? Bin für alle Vorschläge offen. Gruß Peter
Hi, RGBW LEDs sind nichts weiter als eine RGB-LED (z.B. WS2812) in der zusätzlich eine RGB-LED (z.B. WS2812) im gleichen Gehäuse verbaut ist. Man kann bei den Leuchtmitteln halt R, G und B bestimmen und die Intensität von weiß. Du kannst halt eine Kombination von immer 2xWS2812 nehmen, die 2. WS2812 immer in dem weiß leuchten lassen, wie es angenehm ist und die erste WS2812 macht farbe. Wie man das macht kann man recht gut ind der NeoPixel lib sehen ;) gruß, michi (:
Micha W. schrieb: > RGBW LEDs sind nichts weiter als eine RGB-LED (z.B. WS2812) in der > zusätzlich eine RGB-LED (z.B. WS2812) im gleichen Gehäuse verbaut ist. Sorry, aber das ist zum einen Unsinn und zum anderen komplett falsch. Die LEDs um die es geht sind 4 ganz normale LEDs in einem Gehäuse ohne eingebauten Chip zum Ansteuern. WS2812 sind auch keine LEDs sondern Chips zum Ansteuern von 3 FarbLEDs, der SK6812 kann 4 FarbLEDs und wird gerne genommen wenn es um RGBW geht. Die Chips werden dann mit den LEDs in einem Gehäuse verbaut und als seriell-ansteuerbare LEDs verkauft. Aber um die geht es hier nicht.
Peter schrieb: > Irgendwas kompaktes? Du solltest auch einen Plan machen, wo du die Verlustleistung lässt. Alleine die RGBW-LED dürfte bei voller Leistung gut 6W in Form von Heizleistung abgeben wollen. Sonst ist ihr nur ein kurzes Leben vergönnt.
Micha W. schrieb: > Du kannst halt eine Kombination von immer 2xWS2812 nehmen, die 2. WS2812 > immer in dem weiß leuchten lassen, wie es angenehm ist und die erste > WS2812 macht farbe. Das ist Schwachsinn. Das Weiß in RGBW-LEDs ist ein echtes weiß. Hast du mal mit einem aus rot, grün und blau gemischten Weiß etwas beleuchtet? Eine Leichenhalle ist ein reines Regenbogenparadies dagegen. RGB-Weiß besteht aus drei Peaks im Spektrum, eben r, g und b, das führt zu einem gefühlt negativen Farbwiedergabeindex. Ein echtes Weiß hat keine Peaks, sondern ein gleichmäßiges Spektrum. Je gleichmäßiger, desto besser die Farbwiedergabe. Ich kann zuhause gerne mal schauen, was Ape Labs in seinen LightCans verwendet hat. Ich hab da ein paar Stück von. Ansonsten gibt es viele Konstantstrom-LED-Treiber-ICs mit PWM-Eingang von TI und Maxim und den anderen üblichen Verdächtigen
Sebastian R. schrieb: > Ich kann zuhause gerne mal schauen, was Ape Labs in seinen LightCans > verwendet hat. Ich hab da ein paar Stück von. Das hört sich sehr cool an. Vielleicht auch paar Detailaufnahmen, das man sieht was die an Treibern und co. verbaut haben?
Wenn ein AVR in jede Lampe soll, kann mit dem man am besten den Farbraum HSV zum Stellen nehmen und RGB zum Setzen. Meist gibt man ja von außen (Poti, Server, Funk, IR) Hue und Sat vor und will dann nur noch dimmen. W wird ohne Hue und Sat nur mit V angesteuert. Um die serielle Ansteuerung zu machen, einfach den UART TX vom 1. AVR an RX vom 2. AVR, dessen TX dann an RX vom 3.. Oder halt I2C, aber will man tatsächlich gesetzte Farben rücklesen? Protokoll für den WRGB-Setzwert ist 32bit - 8bit V für White (Intensität) - 8bit H für RGB (Farbe) - 8bit S für RGB (Sättigung) - 8bit V für RGB (Intensität) Protokoll für den WRGB-Stellwert (8-bit PWM) ist 32bit - 8bit für White - 24bit RGB Hardware über 4 PWMs + MOSFET, ein Mega88 dürfte dafür ausreichen und hat sogar noch einen Timer für die sonstige Zeitsteuerung (Systick o.ä.) übrig. Da braucht man keinen extra Baustein mit LED-Treiber-Gedöns dazu. Sebastian R. schrieb: > Hast du mal mit einem aus rot, grün und blau gemischten Weiß etwas > beleuchtet? Eine Leichenhalle ist ein reines Regenbogenparadies dagegen. :-)) Mit wenig Blauanteil und der Saturation kann man einiges rauskitzeln, aber klar, die spektralen Eigenschaften lassen sich nicht überlisten.
Sebastian R. schrieb: > Ein echtes Weiß hat keine Peaks, Den Peak bei 460nm kannst du schlecht weg diskutieren.
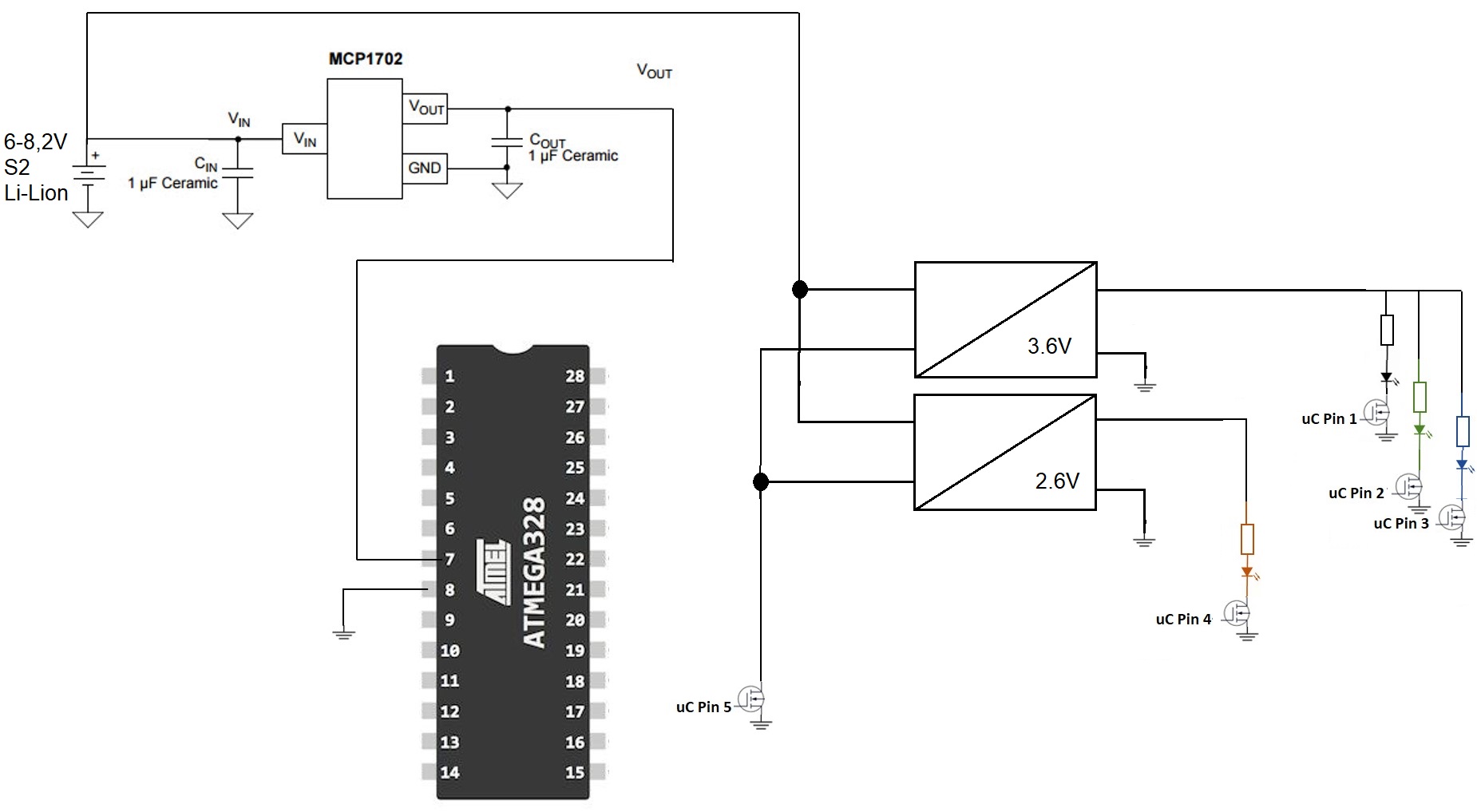
StanleyQBrick schrieb: > Um die serielle Ansteuerung zu machen, einfach den UART TX vom 1. AVR an > RX vom 2. AVR, dessen TX dann an RX vom 3.. Oder halt I2C, aber will man > tatsächlich gesetzte Farben rücklesen? Nicht falsch verstehen.ich will die Controller nicht miteinander verbinden. Das war nur gedacht, um z.b. einem Led Treiberbaustein z.b.die PWM-Werte rüber zu schicken. StanleyQBrick schrieb: > Hardware über 4 PWMs + MOSFET, ein Mega88 dürfte dafür ausreichen Und womit begrenze ich dann den Strom? Da es Akku betrieben werden soll ändert sich ja auch meine Spannung. Vermutlich von 6-8,2V
Peter schrieb: > Und womit begrenze ich dann den Strom? Da es Akku betrieben werden soll > ändert sich ja auch meine Spannung. Vermutlich von 6-8,2V Nimm doch einen (mehrere) Stepdownwandler, der eine konstante Spannung liefert, und dann zur Strombegrenzung einen Widerstand. Habe allerdings tatsächlich überlesen, daß es über Akkus laufen soll. (Nachtrag zum Hue: normalerweise hat H 0...360 Grad im HSV. Wenn man aber den Farbwinkel kleiner als 60 wählt - z.B. 43 -, paßt es beinahe mit 0...255. Zum Ausgleich kann man feinere Abstufungen in S und V machen, also anstatt 0...100 auch 0...255).
StanleyQBrick schrieb: > Nimm doch einen (mehrere) Stepdownwandler, der eine konstante Spannung > liefert, und dann zur Strombegrenzung einen Widerstand. Und warum nicht einen Step-Down-Wandler, der direkt den Strom regelt?
Hab gerade den Step-down Wandler gefunden. Mit zwei Stück sollte ich doch eigentlich hinkommen. https://www.ebay.de/itm/283971290752 Müsste doch grob so mit dem Aufbau gehen oder nicht?
Ich denke, in diesem speziellen Fall ist es okay, wenn ich mal ein nicht verkleinertes Bild anhänge. Rechts sind anscheinend 4 MOSFETs (Marking in Richtung "17JEQ") Ansonsten lässt sich so auf den ersten Blick nicht erkennen, wie sie es gelöst haben. Etwaige Schaltregler werden dann vermutlich im Controller (ATXMega32U) abgebildet. Ein paar Shunt-Widerstände mit 0.1R gibt es auch
Peter schrieb: > Ebay-Artikel Nr. 283971290752 Die 75 ct-Klasse müsste es genauso gut tun https://www.ebay.com/itm/114235602305
Peter schrieb: > Hab gerade den Step-down Wandler gefunden. Mit zwei Stück sollte ich > doch eigentlich hinkommen. Es gibt auch mini 560, die 5A können. Aber der mini 360 (3A) müßte taugen. Bei aliexpress kriegst Du zu dem Preis 10 Stück. > Müsste doch grob so mit dem Aufbau gehen oder nicht? Grob schon. Ich nehme an, mit dem Pin5-MOSFET willst Du die Masse zu den Stepdowns abklemmen, um im Standby Strom zu sparen. Weiß nicht, ob das so geht. Da müssen die Spezis ran oder Du probierst es aus. Allgemein kann man den MOSFETs noch kleine Widerstände zwischen Gate und AVR-Pin spendieren (~10 - 100 Ohm), um den Umladestrom zu begrenzen. Außerdem noch 10kOhm bis 100kOhm von Gate gegen Masse, um sie bei offenem AVR-Pin sicher abzuschalten.
Und für die MOSFETs auf geeignete Vgs (Gate-Threshold-Spannung) achten, sollte bei 3.3V am AVR ein Typ mit ungefähr 1-2V Vgs sein. Zum Beispiel IRLML2502 sollte gehen.
StanleyQBrick schrieb: > Grob schon. Ich nehme an, mit dem Pin5-MOSFET willst Du die Masse zu den > Stepdowns abklemmen, um im Standby Strom zu sparen. Weiß nicht, ob das > so geht. Da müssen die Spezis ran oder Du probierst es aus. Sooh schlimm sind die 0.3µA (max 3µA), die der MP2307 im Shutdown zieht, doch nun wirklich nicht. https://cdn-shop.adafruit.com/datasheets/MP2307_r1.9.pdf Da muss es schon einen anderen triftigen Grund geben, um über solch windige Konstruktionen nachzudenken.
Bitte melde dich an um einen Beitrag zu schreiben. Anmeldung ist kostenlos und dauert nur eine Minute.
Bestehender Account
Schon ein Account bei Google/GoogleMail? Keine Anmeldung erforderlich!
Mit Google-Account einloggen
Mit Google-Account einloggen
Noch kein Account? Hier anmelden.




