Hallo, hat noch jemand eine Idee wo ich einen Schaltplan eines alten ELV EProm Emulators EPS1 bekommen kann. Habe einen defekt am Reset-Ausgang des Emus. Oder ein Schaltplanschnipsel....? Habe ein Foto des invertierten Ausganges /RESET angehängt.Da ist ein Schaltransistor mit dem Code " IL x" oder "1L x" Was ist das für ein Type? Danke im Vorraus. mfg Roger
Roger P. schrieb: > Habe einen defekt am Reset-Ausgang des Emus. Ich würde einen NPN (BC548) für /RESET und einen PNP (BC548) für RESET nehmen. Aber man sollte sich mal anschauen, warum der kaputtgegangen sein könnte.
wenn ich mich richtig erinnere hatte der 2 Resets einen Low activen (NPN) der wohl bei dir gestorben ist und einen Hi aktiven mit einem PNP. Ist schon zu lange her. Hab das Teil um die Jahrtausendwende selbst besessen.
Hallo, danke für die AW'ten. Ja der eine /RST ist defekt. der andere RST ist Ok. Werde den Trasnistor ersetzen ... Roger
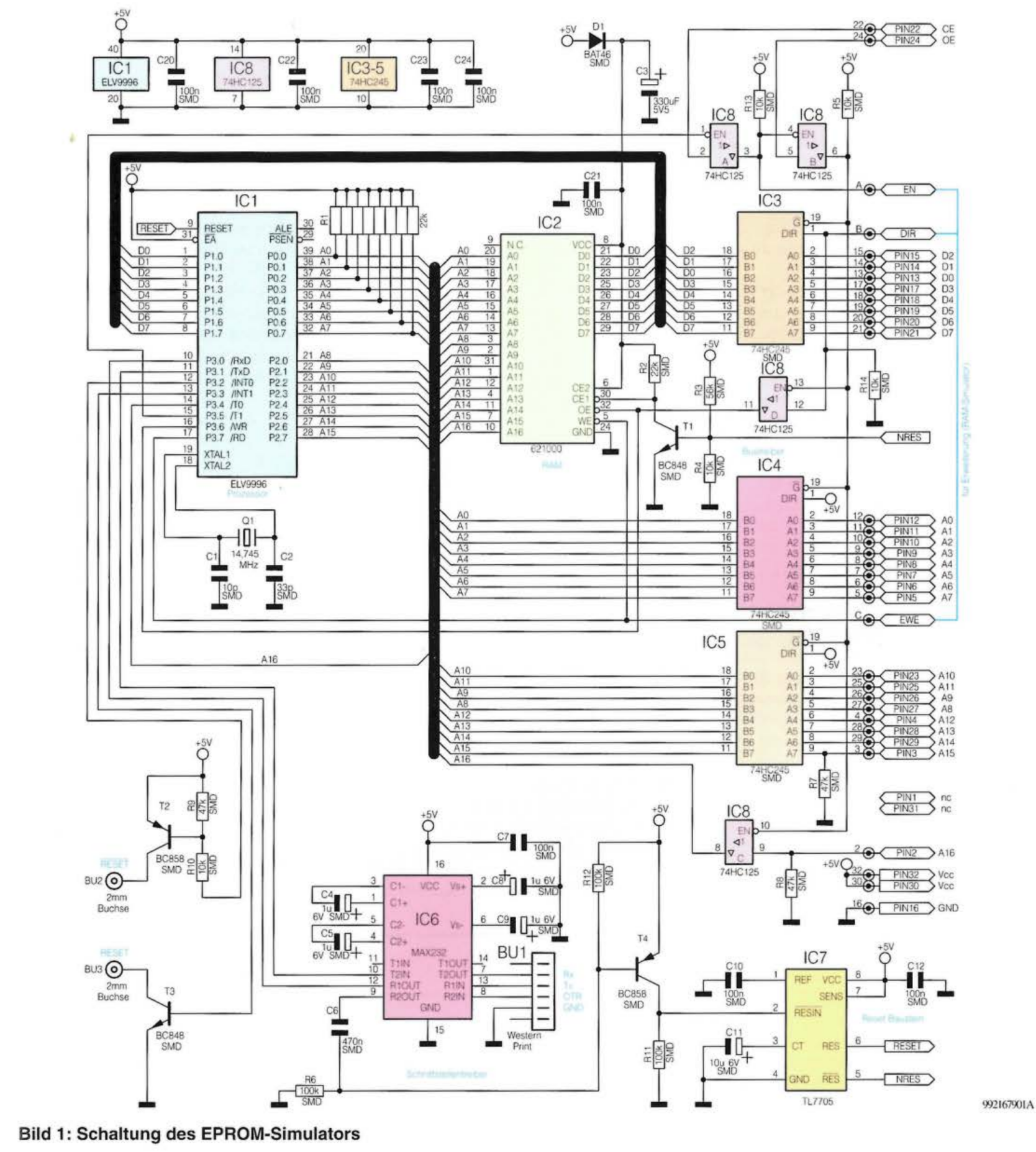
Ich habe den Schaltplan gefunden. Hoffentlich ist das wichtigste lesbar...
Bitte melde dich an um einen Beitrag zu schreiben. Anmeldung ist kostenlos und dauert nur eine Minute.
Bestehender Account
Schon ein Account bei Google/GoogleMail? Keine Anmeldung erforderlich!
Mit Google-Account einloggen
Mit Google-Account einloggen
Noch kein Account? Hier anmelden.



