Moin! Ich habe hier einen Staubsauger Motor den ich für meine Zwecke etwas mehr drosseln möchte, als die original Steuerung es erlaubt. Bei dieser sind zwei Leiter abgerauchte, ob das einen Einfluss darauf hat? Vielleicht kann mir jemand mit ein paar Worten die Steuerung erklären sodass ich verstehe was die durchtrennen Leiter für einen Einfluss haben und wie ich den Motor in einen für mich passendem Bereich drosseln kann. Vielen Dank schon mal!
Hallo, Klar kann dir wer helfen, aber um uns es ein bisschen einfacher zu machen. -Name Produkt oder sonst Angaben die du findest. -Versorgung (Spannung? AC? DC?) -Bilder von Vorder- und Rückseite am besten aus gleichem Winkel machen. -Bilder von Verbauten IC's (in deimem Fall dem Tyristor) machen. Wenn es ein 230V Staubsauer ist, wird es bestimmt eine "Phasenanschnitt" Steuerung (zum googln) sein. Sollte relative einfach sein die "begrenzungsWiderstände" aus zu tauschen und neuen Pmin/Pmax zu bestimmten. Gruß
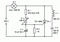
Da ist nix abgeraucht. Die Leiterbahnen sind bewußt getrennt. Das ist eine Widerstandkette für den Einstellbereich. Trennen und Brücken der Verbindungen in Bild 2 ändert den Stellbereich.
Schaltung ist eher die hier: https://makingcircuits.com/wp-content/uploads/2015/11/simpletriaclampdimmerswitchcircuit.png
David D. schrieb: > Bei dieser sind zwei Leiter abgerauchte, ob das einen Einfluss darauf > hat? Die sind absichtlich durchtrennt, wohl umdie Maximalleistung EU konform zu begrenzen. > Vielleicht kann mir jemand mit ein paar Worten die Steuerung Klassische Dimmer Phasenanschnittschaltung, neben dem Poti auch mit Festwiderstandsleiter. http://www.soloelectronica.net/triac/APPCHP6.PDF Vermutlich reicht es, dan grauen Kondensator vom 100nF Kapazitätswert her zu vergrössern, denn ein passenderes höherohmiges Poti wird schwerer beschaffbar sein.
David D. schrieb: > Ich habe hier einen Staubsauger Motor den ich für meine Zwecke etwas > mehr drosseln möchte, als die original Steuerung es erlaubt. Schlechte Idee. So eine Phasenanschnittregelung (Eigentlich Steuerung) kann den Motor in einem recht weiten Bereich steuern. Allerdings ist es ziemlich sicher ein Allstrommotor, ergo ein Reihenschlussmotor. Siehe https://de.wikipedia.org/wiki/Einphasen-Reihenschlussmotor Der dreht ohne Belastung deutlich höher als mit Belastung. Auch braucht der Motor sehr wahrscheinlich den erzeugten Luftstrom zur eigenen Kühlung, genau wie die Steuerung wahrscheinlich im Luftstrom liegt. Den Motor also mit sehr niedriger Drehzahl betreiben zu wollen ist also wegen Kühlung und schlechtem Drehmomentverhalten suboptimal. Wenn das also mehr als ein bischen Experiment werden soll, dann solltest du vieleicht sagen was du machen willst, dann kann dir vieleicht jemand Tipps geben wie du das am besten erreichen kannst.
Wie soll man Dir da blos helfen - ohne passendes Schaltbild/Bauteilwerte (auch Poti!) sowie Motordaten?
Bitte melde dich an um einen Beitrag zu schreiben. Anmeldung ist kostenlos und dauert nur eine Minute.
Bestehender Account
Schon ein Account bei Google/GoogleMail? Keine Anmeldung erforderlich!
Mit Google-Account einloggen
Mit Google-Account einloggen
Noch kein Account? Hier anmelden.



