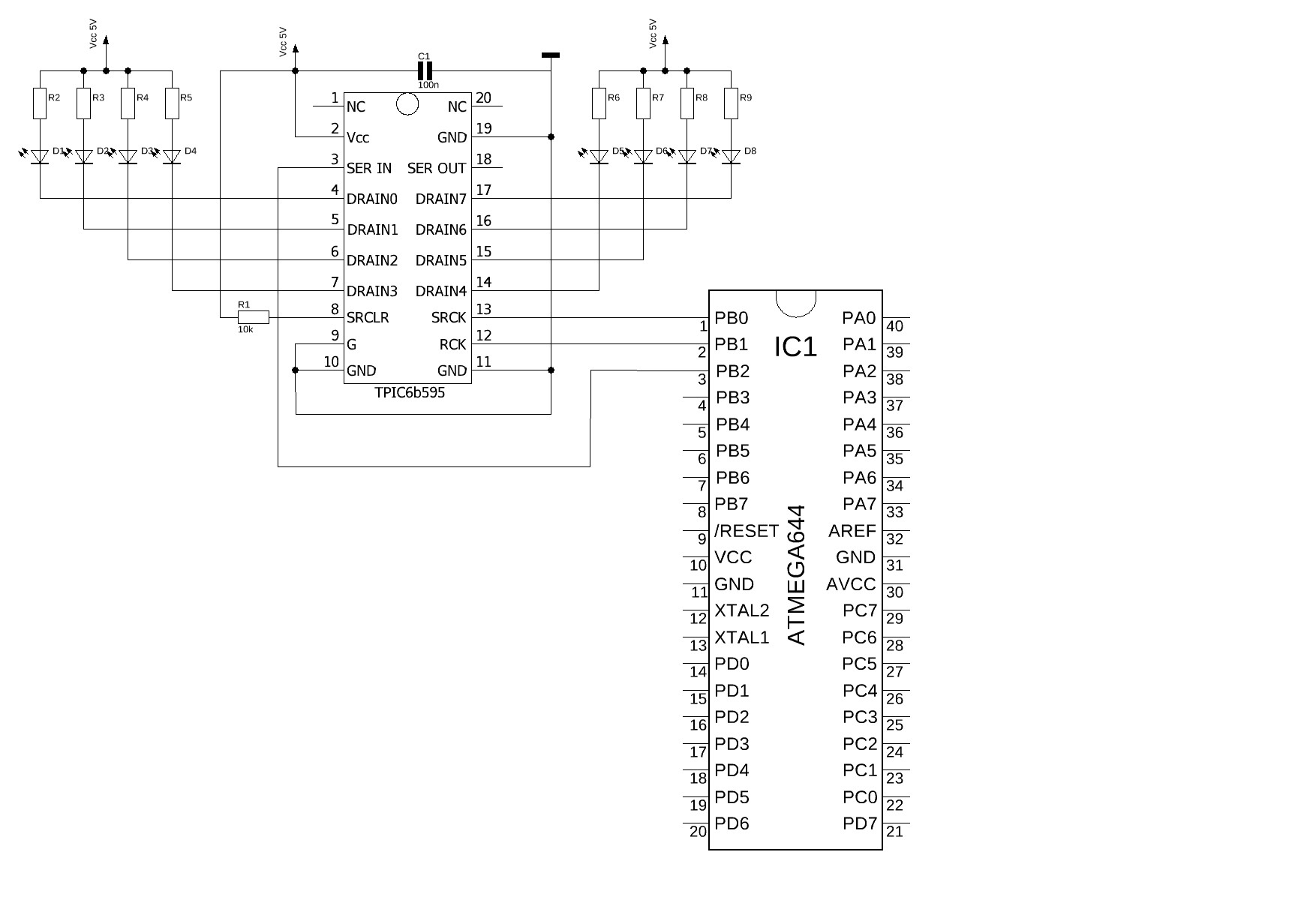
Für alle die das Schieberegister TPIC5b595 nicht per SPI ansteuern wollen, hier ein kleines Software Beispiel mit Schaltplan. Das Schieberegister kann bis zu 150mA bei max. 50V zu Ground schalten (MOSFET).
Darauf hat die Welt gewartet. Eine "device library", welche mit ein paar IOs ein paar Bits raustaktet . . .
      Beitrag #6980905 wurde von einem Moderator gelöscht.
  
      
      
Falk B. schrieb: > Darauf hat die Welt gewartet. Eine "device library", welche mit > ein paar > IOs ein paar Bits raustaktet . . . Ich weiß... nur Spielzeug... aber für Anfänger sicherlich ganz nett. :P
112kB? Ernsthaft?
6,33kB? Immer noch mächtig gewaltig. Jungs, es handelt sich um ein wenig Bitbanging...
Matthias S. schrieb: > 6,33kB? Immer noch mächtig gewaltig. Jungs, es handelt sich um ein wenig > Bitbanging... … und einen Schaltplan.
Matthias S. schrieb: > 6,33kB? Immer noch mächtig gewaltig. Jungs, es handelt sich um ein wenig > Bitbanging... Schon mal ins Archiv geschaut? Ein schwarz/weiß Schaltplan als JPG . . .
      Beitrag #7038060 wurde von einem Moderator gelöscht.
  
    
    
        
Bitte melde dich an um einen Beitrag zu schreiben. Anmeldung ist kostenlos und dauert nur eine Minute.
  
  Bestehender Account
  
  
  
  Schon ein Account bei Google/GoogleMail? Keine Anmeldung erforderlich!
Mit Google-Account einloggen
Mit Google-Account einloggen
  Noch kein Account? Hier anmelden.

