... s. Bilder ??? Oder irgendwas womit ich auf 1/10" kommen könnte?
Wahllos rausgesuchte Beispiele: ICM-42688 (LGA-14): https://www.digikey.de/de/products/detail/chip-quik-inc/PA0101C/12352152 MCP2518FD (SOIC-14): https://www.digikey.de/de/products/detail/aries-electronics/LCQT-SOIC14/4754591
Moin, Yamaichi hat Sockel fuer die unmoeglichsten Packages. Sind aber wahrscheinlich etwas teurer als Pollin. Gruss WK
Ich habe jetzt nicht die Pins nachgezählt, aber ebay ist voll mit solchen Adapter-PCBs mit den unterschiedlichsten SMD-Rastern. https://www.ebay.de/itm/152377273056 Wenn man etwas warten kann, gibts die direkt beim Chinesen auch billiger. Oft sind das doppelseitige Platinen, die z.B. auf der einen Seite ein 1,27mm Raster haben und auf der anderen Seite 0,65mm. Oder andere Paarungen. Wenn man etwas mehr Geld anlegt, kann man auch Testfassungen bekommen, z.B. https://www.ebay.de/itm/273967392228
Oder "einfach" mit einem Tropfen Heißkleber den IC umgekehrt (oder mit hochgebogenen Pins, falls er welche hat) auf eine Lochrasterplatine und dann mit Fädeldraht die Anschlüsse auf das 2,54mm Raster herausführen.
Dergute W. schrieb: > Moin, > > Yamaichi hat Sockel fuer die unmoeglichsten Packages. Sind aber > wahrscheinlich etwas teurer als Pollin. > > Gruss > WK Je nach Package kann man ein Vermögen für solche Burn-In-Sockets hinlegen, wir haben mal für einen BGA so ein Teil benötigt und der Sockel hat knapp 400€ gekostet. Ich weiß aber nicht ob der von Yamaichi war, könnte auch Enplas oder Sensata gewesen sein (oder vielleicht doch ein anderer, wir haben das Zeug damals in rauen Mengen benötigt)
Ist möglich aber bei seltenen Teilen/Abständen muss man auf die "großen Industrielieferanten" ausweichen. Ich suche seit 2 Jahren ein Adapter (4 Pins in Reihe) 1 mm SMD auf 2.54 mm Lötpints für eine Papierkabel das an einen Touchfeld hängt. Den Anschluss für das Kabel haben ich bekommen inzwischen. Aber da mir der Umgang in diesen Forum mit persönlichen Daten gegen den Strich geht, traue ich mich nicht die via Mouser - Sammelbestellung zu bestellen. Der hat nämlich so eine Adapter. Also werde ich irgendwann in nächster Zeit die wohl selbst mal auf einer Platine mit anlegen und selbst ätzen. Eine Idee die ich persönlich den TO auch empfehlen würde. Mit KICAD o.ä. das Teil ausdrücken, mit einer UV-Lampe belichten und mit einen ca. 20 Euro teuren Ätzset man eben selbst ätzen. Alternativ. Die üblichen Platinenhersteller die man hier so nennt.
Haha,
> Mouser - Sammelbestellung
Der Schlaumeier ist zu doof mal selber was bei Mauser zu bestellen.
Vermutlich hat er eine ... igitt ... schlechte Bonitaet.
Mauser schrieb: > Der Schlaumeier ist zu doof mal selber was bei Mauser zu bestellen. > Vermutlich hat er eine ... igitt ... schlechte Bonitaet. Mein Bonität reicht völlig aus. Deren Mindestbestellwert ist mir aber bedeutend zu hoch. Ich mache das als Hobby. Da sind 80 Euro ne ca. 2-3 Monate Eta.
Schlaumaier schrieb: > Ich suche seit 2 Jahren ein Adapter > traue ich mich nicht die via Mouser - Sammelbestellung zu > bestellen. ALso das ist selbst für Deine Verhältnisse echt ein Brüller 😂
Max M. schrieb: > ALso das ist selbst für Deine Verhältnisse echt ein Brüller 😂 Wieso. ?? Vertrauen muss man sich verdienen. Und dumme Sprüche und Co. hier sind nicht gerade vertrauenswürdig. Mir hat schon oft auf den Markt was gefallen. Aber wieso sollte ich jemand trauen da. ??? Ich habe keine Datenbank wer mich hier beleidigt + so. Also kaufe ich einfach hier nix. Ebay (Da habe ich die 1 mm pin-Stecker her) + Amazone + einige andere Händler liefern 99.6 % aller Sachen die ich brauche. Für den Rest. Wie oben beschrieben , Platine halt mal eben selbst machen.
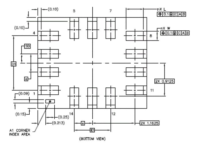
Andre G. schrieb: > Oder "einfach" mit einem Tropfen Heißkleber den IC umgekehrt (oder mit > hochgebogenen Pins, falls er welche hat) auf eine Lochrasterplatine und > dann mit Fädeldraht die Anschlüsse auf das 2,54mm Raster herausführen. Dieser Tipp ist m.E. der erste Tipp, den ich ausprobieren werde wenn ich den MCP2518FD einsetze. Für Entwicklungen mit dem ICM-42688 kann ich mir nicht vorstellen, dass man mit "üblichen Bordmitteln" daran etwas anlöten kann (ich kann nicht mittels einem Mikroskop löten). Das Teil ist 3 x 2,5 mm groß, woran 14 Pins angebracht sind (s. Bilder e ist der lead pitch = 0,5 mm und W die lead width = 0,25 mm). Da ist es wahrscheinlich sinnvoller, ein Dev-Kit zu kaufen. Vielen, vielen Dank für Eure Hinweise! MfG MM
Bitte melde dich an um einen Beitrag zu schreiben. Anmeldung ist kostenlos und dauert nur eine Minute.
Bestehender Account
Schon ein Account bei Google/GoogleMail? Keine Anmeldung erforderlich!
Mit Google-Account einloggen
Mit Google-Account einloggen
Noch kein Account? Hier anmelden.



