Ich brauche zum Test eines Datenerfassungssystems eine programmierbare Spannung als 3-Phasensystem, also 3x 230V. Das Datenerfassungssystem misst die 3 Phasen und eliminiert Störungen aller Art. Damit das getestet werden kann, wäre eine Aperatur hilfreich, mit der ich die Störungen generieren kann. Meine Labornetzteile machen aber nur 30V :-( Wer kennt ein System, mit dem ich das machen kann und das man bestellen kann? Leistung wird keine gefordert, es reichen ein paar mA. Oder sollte man einfach 3 Trafos rückwärts nutzen?
Thomas U. schrieb: > Oder sollte man einfach 3 Trafos rückwärts nutzen? Diese in Sternpunktschaltung verwenden.
Wenn Deine Netzteile 30V / 50 Hz + simulierte Störungen schon können, wären drei Trafos eine einfache Lösung. Da die Trafos aber auch eine Übertragungsfunktion haben, solltest Du diese kennen/messen um den Ausgang Deiner Netzteile ggf entsprechend Vorverzerren .. Alternativ Verstärker, die die nur Dir bekannte Bandbreite und maximale Spannung liefern .. Für einen 2kV Spike braucht es dann ggf auch wieder Leistung ;)
Thomas U. schrieb: > eine Aperatur Schreib besser "ein Gerät", denn "Aperatur" ist der "Apertur" näher als der "Apparatur": https://www.google.com/search?q=apertur https://www.google.com/search?q=apparatur Thomas U. schrieb: > Ich brauche zum Test eines Datenerfassungssystems eine programmierbare > Spannung als 3-Phasensystem, also 3x 230V Kauf fertige ESD-Injektoren samt der passenden Netznachbildung. Die haben genormte Störprofile drauf. Die Kunden werden sowas verlangen. Und wenn es die Kunden nicht tun, dann die Normen... https://www.google.com/search?q=leitungsgebundene+störungen+netznachbildung Oder andersrum: wenn du sowas selber entwickeln willst, dann spielst du ganz allein in einer Liga, wo schon viele, viel Ingenieursmannjahre z.B. bei R&S vergraben wurden. Du wirst dieses KnowHow nicht einfach so nebenher aufbauen.
Ergo70 schrieb: > https://romantrapp.at/?page_id=619 Danke für den Tipp. Der Generator ist an sich nicht schlecht, bietet mir aber wohl nicht die Möglichkeit, (meine) Störungen einzuleiten. Henrik V. schrieb: > Wenn Deine Netzteile 30V / 50 Hz + simulierte Störungen schon können, > wären drei Trafos eine einfache Lösung. Ja, die Störungen habe ich als file. Müssen nur noch in die Netzteile. > Da die Trafos aber auch eine Übertragungsfunktion haben, solltest Du > diese kennen/messen um den Ausgang Deiner Netzteile ggf entsprechend > Vorverzerren .. Ist auch angedacht. Lothar M. schrieb: > Kauf fertige ESD-Injektoren samt der passenden Netznachbildung Der Kunde hat das. Ich brauche was für daheim. Henrik V. schrieb: > Für einen 2kV Spike braucht es dann ggf auch wieder Leistung ;) So arg brauche ich es nicht :-)
FY8300(S)? Keine Ahnung, ob das was taugt, aber es ist billig und hat 3 Kanäle.
Damit sollte es funktionieren, zum kaufen wird es Dir aber zu teuer sein: https://www.omicronenergy.com/de/produkte/cmc-353/ Wird man sicherlich aber auch leihen können.
Hast du keinen 3-Phasenanschluß im Haus? Oder kannst du ihn anderweitig nutzen? So selten ist das ja auch nicht.
> Das Datenerfassungssystem misst die 3 Phasen > und eliminiert Störungen aller Art. Damit kann man nichts anfangen. Ein stundenlanger Stromausfall ist auch eine Störung, wie will man das ohne dicke USV eleminieren? Ansonsten besorg Dir einen Drehstromanschluss und einen 1..2kW dicken 400V Trafo, wickel eine oder zwei Phasen 1..2mal mit um dem Kern. Wenn man den den sonst unbelasteten Trafo hinterher unter Inkaufnahme des starken Verschleiß eines Schützes zwischen zwei Phasen ein- und ausschaltet wie ein Maschinengewehr, erhält man genug Störungen... mit etwas Glück fliegt sogar der LSS.
michael_ schrieb: > Hast du keinen 3-Phasenanschluß im Haus? > Oder kannst du ihn anderweitig nutzen? Damit kannst Du aber keine schnellen Spannungs- und Phasenänderungen machen.
Du kannst doch da nach Lust und Laune R, C, L einschleifen. Oder über Triac unmögliche Zustände erzeugen.
Drei schrieb: > FY8300(S)? Keine Ahnung, ob das was taugt, aber es ist billig und hat 3 > Kanäle. Das wäre aber nur der Signalgenerator und dafür sollte es eine preiswertere Lösung geben. Ich bin aber noch am Nachdenken, wie ich das mache. So etwas wie Analog Discovery wäre nicht schlecht, nur in Billig, wenn es geht. Das Teil wird verbaut, verkapselt und dann nicht mehr angefasst. michael_ schrieb: > Hast du keinen 3-Phasenanschluß im Haus? > Oder kannst du ihn anderweitig nutzen? Das darf nicht ans Netz. Keinesfalls. Und es wäre dann auch nicht mobil. Volker S. schrieb: > Damit kannst Du aber keine schnellen Spannungs- und Phasenänderungen > machen. ... und keine Frequenzen manipulieren. Ich möchte u.a. Frequenzschwankungen erzeugen.
Ben B. schrieb: >> Das Datenerfassungssystem misst die 3 Phasen >> und eliminiert Störungen aller Art. > Damit kann man nichts anfangen. Ein stundenlanger Stromausfall ist auch > eine Störung, wie will man das ohne dicke USV eleminieren? Darum geht es nicht. Ist etwas komplizierter. Kundenprojekt. Ich brauche nur etwas, was - möglichst transportabel (die neue Anforderung) - die 3 Phasen erzeugt und als mobile Testaparatur von einem Techniker wo drangehalten werden kann. Das kleinste was ich mir bisher vorstellen kann, wäre ein Arduino oder AVR oder auch ein Raspberry, der die Daten vorort an der Anlage von einem Notebook bekommt, sich diese batteriegepuffert merkt und sie als Spannungen abspielt, dann eine Verstärkereinheit, die 230V daraus macht.
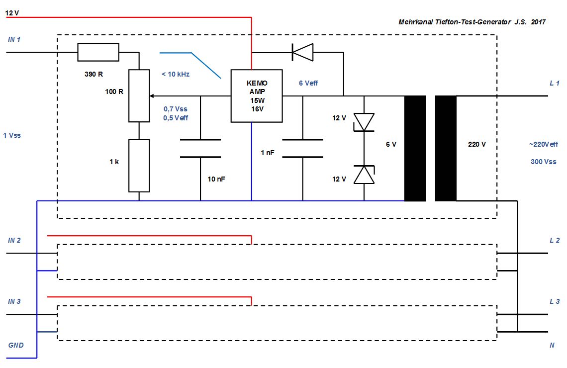
Das ist eine alte Schaltung u.a. zum Test eines 3-Phasenfilters. Habe ich auch gerade wieder hervorgekramt und war in der allerersten Version mal für ein 120V-Lautsprechersignal ausgelegt worden. Arbeitete mit einem Audio-Verstärker-Modul - auf einen Print-Trafo. Dessen Spannungsrückwirkung ist mit Z-Dioden begrenzt, weil der dahinter hängende Sinusfilter ziemlich Leistung aufnimmt und Spannung zurückschieben kann. Die Diode über dem Verstärker ist zu dessen Schutz wenn die Versorgung weggehen sollte. Der C am Ausgang passt die Impedanz für die Höhen etwas an. 1Vss am Eingang entsprechen gut 6 Veff am Trafo und es kamen dann genau 300Vss raus. Wurde mit dem Poti am Eingang justiert. Trafo hatte 18VA, gut halb genutzt mit Reserve für Oberwellen. Der maximaler Eingangspegel (Audio, 1,4V ) führte zu knapp 400V. Die 1,4Vss kommen aus einem bass-optimierten PDM-Wandler eines FPGA bei 3.3V - kapazitiv angekoppelt, wegen Symmetrie. Daher auch noch ein zusätzlicher Tiefpass am Eingang. In der ersten Version war es einfach ein DAC / Audio-Eingang. Das 120V-Original konnte immerhin 12W, brauchte aber dicke ELA-Übertrager. Bei dem gewählten Trafo und AMP kann das Teil wegen der Fehlanpassung nur so um die 5W pro Kanal schätze ich. Aufpassen muss man wegen dem Verstärkermodul; arbeiten teilweise erst ab 40Hz aufwärts.
Thomas U. schrieb: > der die Daten vorort an der Anlage von > einem Notebook bekommt, sich diese batteriegepuffert merkt und sie als > Spannungen abspielt Das klingt jetzt aber irgendwie anders als dein erster Beitrag. Also suchst du ein Gerät, dass Netzstörungen korrekt nachbilden kann? In der Aufnahme aus dem realen Netz kann quasi "alles" drin sein, Rundsteuersignale, Schieflast, Phasenverschiebung, Überspannung, nicht-sinusförmige Belastung, Impulse, ... Das sind ja nun deutlich andere Anforderungen, als ein 3-Phasen Sinus Generator mit zufälligem Störimpuls. Vor allem werden die "interessanten" Störungen im Netz ordentlich Wumms haben, das nachzubilden wird nicht einfach. Mach dir am besten ein paar Gedanken zu dem Thema: Welche Grenzfrequenz und Anstiegszeit brauchst du, wie sehr darf die Simulation von einer realen Störung abweichen, ...? Wie weit darfst du eigentlich in das Messsystem eingreifen, bzw. gibt es einen Test-Port? Aus den 230V werden doch bestimmt irgendwo wieder ADC-freundliche z.B. 0..5V. Kannst du die Simulation direkt dort einspeisen und dir den Umweg über 230V sparen? Dann wäre das jetzt nur noch ein Thema für 3 schnelle DACs.
Sieht mir momentan relativ böse aus, was da nötig scheint: FU 3P Stufe, viel höherfrequenter als andere FUs arbeitend, damit man diverse Verzerrungen und so komische Sachen wie überlagerte Rundsteuersignale so halbwegs "abbilden" kann. Also sowas wie eine dreiphasige Klasse D Stufe sozusagen, fähig auch Rechtecke mit einigen kHz mit unterzukriegen, und geschaltet daher mit einigen hundert kHz, damit das Ausgangs-LC-Filter klein genug sein kann, sowas mitzumachen. Oder gleich HV Linearverstärker? Das war aber noch gar nicht das Schlimmste, was nämlich wäre: VDC(ZK) & Sperrspannung (FETs/IGBTs) >= V_peak(Spannungsspitzen) Und Spannungsspitzen im Netz können iirc bis 5kV oder so haben, zumindest wird alles in Netzteilen mit verstärkter oder doppelter Isolierung für bis zu 4-5kV Spannungsspitzen ausgelegt... Klingt also alles recht abenteuerlich bzw. schwer mach- und auch nicht unbedingt ganz leicht bezahlbar - von der Notwendigkeit es selbst zu entwickeln mal ganz abgesehen (außer jemand kennt eine realgetreue & mobile 3P Netznachbildung "zum bestellen" - das tue ich leider nicht). Andre schrieb: > gibt es > einen Test-Port? Aus den 230V werden doch bestimmt irgendwo wieder > ADC-freundliche z.B. 0..5V. Kannst du die Simulation direkt dort > einspeisen und dir den Umweg über 230V sparen? Das klänge schon weit besser.
Thomas U. schrieb: > Henrik V. schrieb: >> Für einen 2kV Spike braucht es dann ggf auch wieder Leistung ;) > So arg brauche ich es nicht :-) Ach so, na dann. Aber ein 3P HV D-Amp ist immer noch "was nicht erhältliches", fürchte ich.
pong schrieb: > Oder gleich HV Linearverstärker? Ähem... : Thomas U. schrieb: > Leistung wird keine gefordert, es reichen ein paar mA. mA <-> kA pong schrieb: > Und Spannungsspitzen im Netz können iirc bis 5kV Das müsste sich mit einem Zündunterbrecher einkoppeln lassen. 50Hz-Trafo und ein kleiner keramischer Kondi, so wie beim Ethernet over Power.
Tatsächlich benötige ich keine besonders hohe Leistung. Ich muss nur die Messeinrichtungen bedienen können, bei jeweils abgeklemmtem Leitungsnetz. Die Messeinrichtung muss vorher getestet werden. Und ich möchte sie hier im Platz testen können. Die Wellenformen, die hineingeschickt werden müssen, brauchen auch keine kV zu haben und irgendwelche Normen einzuhalten. Die Leistungsbeurteilung und die Lasttests, also das Beschicken mit voller Power, macht der Kunde mit einer eigenen Anlage. Die ist aber stationär. Ich probiere das nun mit den Transformatoren.
Wenn als Störsignal das Audiospektrum ausreicht, wäre einer der TDA-Digitalverstärker-Module wohl das Beste. Die gibt es im Netz in allen Klassen für AC und DC Speisung mit 1 - 5 Kanälen. Man kann auch einen Stereo nehmen und brücken - einige aber nur seriell. Das sollte aber mit der Trafoimpedanz sogar besser passen, meine ich. Oder verpasst dem zweiten Kanal einen höher transformierenden Übertrager für die hochfrequenten Störungen, die schmalbandiger sind, aber mehr Spannung brauchen. Einige dieser Module haben auch bluetooth-Audio, was eine Funksteuerung ermöglichen soll. Allerdings kann ich nicht sagen, wie reproduzierbar das mit 3 Phasen ist, wenn mehr als ein Modul eingesetzt wird. Ein einziges Stereopaar untereinander funktioniert sehr gut. Wenn ich es bauen müsste, würde ich Stereo bluetooth mit 96kHz überragen und hinten mit einem FPGA oder DSP in 4 x 48kHz wandeln. Ein Kanal könnte man für die Störungen nehmen, eventuell sogar als wave und FFT-transformiert in der Frequenz um einige Oktaven hochgesetzt, um hoch genug zu kommen.
Bitte melde dich an um einen Beitrag zu schreiben. Anmeldung ist kostenlos und dauert nur eine Minute.
Bestehender Account
Schon ein Account bei Google/GoogleMail? Keine Anmeldung erforderlich!
Mit Google-Account einloggen
Mit Google-Account einloggen
Noch kein Account? Hier anmelden.
