Wo ist Pin 1? Ich finde keine Einkerbung, Punkt oder eine abgeflachte Stelle. Der Baustein ist ein 74HC86. MFG andreas
Andreas R. schrieb: > Ich finde keine Einkerbung, Punkt oder eine abgeflachte Stelle. Fotografiere das Ding mal von der Seite, so dass die Pins rechts und links wegstehen. Wenn da eine Kante steiler und eine flacher ist, dann weiß ich wo der Pin 1 ist.
Andreas R. schrieb: > Wo ist Pin 1? > Ich finde keine Einkerbung, Punkt oder eine abgeflachte Stelle. > Der Baustein ist ein 74HC86. Weshalb teilst Du den Chip auf 2 (schlechte) Fotos auf? Lothar M. schrieb: > Fotografiere das Ding mal von der Seite, so dass die Pins rechts und > links wegstehen. Wenn da eine Kante steiler und eine flacher ist, dann > weiß ich wo der Pin 1 ist. Das sieht man eigentlich auch so, obwohl die Fotos nicht so toll sind. Du hast natürlich trotzdem Recht, das würde man auf Fotos aus einer anderen Perspektive besser sehen können;-) H. H. schrieb: > Beschriftung lesbar drehen, dann ist links unten Pin 1. Bitte schön;-) https://www.mikrocontroller.net/attachment/564118/Pin1.jpg
Beitrag #7132973 wurde von einem Moderator gelöscht.
Christian B. schrieb: > Auf dem zweiten Bild ist der Punkt doch rechts unten zu erkennen, meine > ich. Nicht unbedingt als Kerbe, sondern als Aufdruck ? Sparmassnahme ? ? abgeätzt und neu getypt ?
Das kann auch einfach nur Dreck sein. Die "Qualität" der Bilder lässt keine Eindeutigkeit zu.
Rente mit 76 schrieb: >> ? abgeätzt und neu getypt ? > Lohnt sich echt bei dem dargestellten Teil. Wer den Cent nicht ehrt ist die Rente in Euro nicht wert. Also wenn da 10000 unverkäufliche LS aus ner Insolvenzentrümpelung geborgen sind, lohnt sich ein Um-labeln schon. Das Ganze noch als Brooker-Ware ohne Garantie rausgeballert und wieder ist ein Asiate glücklich und kann seinen drei Konkubinen jeweils einen Topf voll Bosintang extra mitbringen. Frag mal die Retro-Szene was da an gefakten 'Antiquischäden' im Umlauf ist.
Andreas R. schrieb: > Wo ist Pin 1? Eine Seite vom IC ist angeschrägt. Wenn die unten ist, passt auch die Schrift. Links ist dann Pin 1..
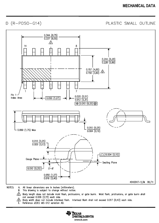
Die Screenshots da oben sind übrigens aus dem Datenblatt, das im Startbeitrag automatisch verlinkt wird. Schon auf der 2. Seite wird klar, dass der Pin1 beim SO14 nicht mit einem Punkt markiert wird. Die Textorientierung ist ein starkes Indiz, aber im Datenblatt nicht definiert.
Lothar M. schrieb: > Die Textorientierung ist ein starkes Indiz, aber im Datenblatt nicht > definiert. Auch im Datenblatt von SGS? So sieht das Marking nämlich aus...
H. H. schrieb: > Auch im Datenblatt von SGS? Finde ich grad keines. Und schon gleich gar keines aus 1986 ;-) Aber bei TI ist auch keine Zuordnung definiert. Wohl aber bei Diodes. Es gibt also beide Varianten...
Naja, das ist das NXP-Datenblatt. Auf dem Bild kann man sich in der zweiten Zeile ein SGS-Logo erraten. Ich würde nicht vom Datenblatt eines Herstellers auf Bauteile eines anderen Herstellers schließen, schon gar nicht, wenn die auch noch anständig alt sind. SGS gibt es als eigenständigen Hersteller ja nun auch schon ein paar Tage nicht mehr; wenn jemand ein SGS-Datenbuch von 1987 hat, könnte man ja nach dem Datenblatt schauen.
Wenn das Ding eine Schräge hat, dann auf der gleichen Seite wie bei den anderen Herstellern.
MaWin schrieb: > Eine Seite vom IC ist angeschrägt. Der echte MaWin wüsste, dass es "Fase" heißt. Mit "F".
> Das Ganze noch als Brooker-Ware ohne Garantie rausgeballert und wieder ist > ein
Asiate glücklich
Kannst du mir eine Connection zu ihm machen? Ich habe hier so einiges
rumzuliegen, was weg muss.
Das sind die falschen. Die sind schon längst einen Schritt weiter. Die brauchen keine Ware mehr, um dir was zu verkaufen.
Da ne Story das selbst billige OpAmps gefäscht werden: https://halestrom.net/darksleep/blog/038_fakeopamp/ heise hatte auch einen Artikel darüber, da wird auch der Pin 1 Punkt als Verdachtsmoment beschrieben: https://www.heise.de/select/ct/2021/27/2116816080828814388
DerEgon schrieb: > Das kann auch einfach nur Dreck sein. Die "Qualität" der Bilder > lässt keine Eindeutigkeit zu. Ah ja! Ist das so?
Man staune, an was die heutige Jugend so scheitert. Am Pin-1 eines TTL-IC? Die Chinesen lachen sich daran dumm und dämlich. Ich auch :-) Ansonsten auf einen China-Programmer legen. Der sagt dem Dau, ob er die Mindestanforderung an so einen Chip erfüllt. Gefälscht ist der sowieso.
michael_ schrieb: > Die Chinesen lachen sich daran dumm und dämlich. > Ich auch :-) Du bist froh dumm und dämlich zu sein.
Bitte melde dich an um einen Beitrag zu schreiben. Anmeldung ist kostenlos und dauert nur eine Minute.
Bestehender Account
Schon ein Account bei Google/GoogleMail? Keine Anmeldung erforderlich!
Mit Google-Account einloggen
Mit Google-Account einloggen
Noch kein Account? Hier anmelden.







