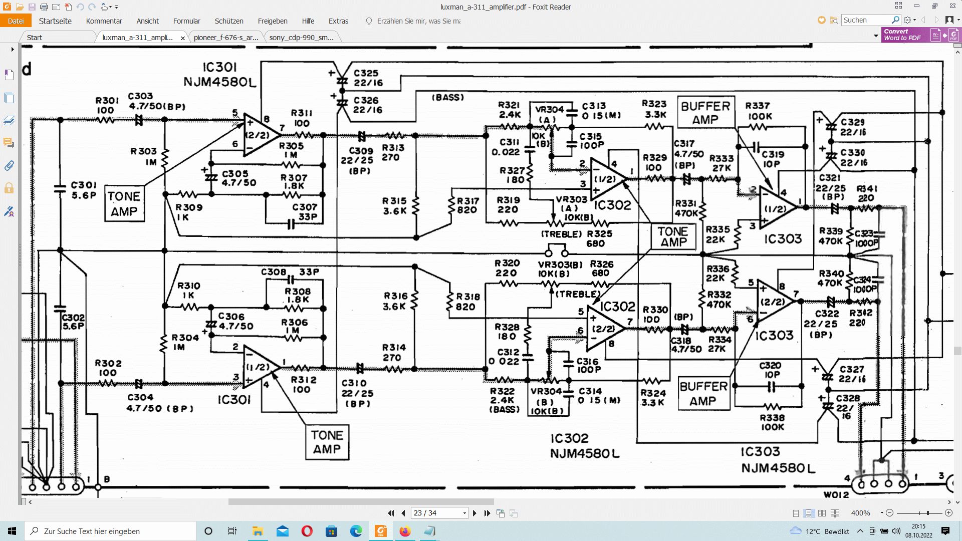
Hallo allerseits ich möchte mal zum Besten geben, wie ich den Luxman A311 - Vollverstärker repariert habe. Als Nebeneffekt habe ich einen Testlautsprecher geschrottet. Der Verstärker ist im Prospekt von 1991/92 zu finden mit etwa 40..60W je nach Lautsprecherimpedanz. 2x 6800µF/50V-Elkos an der Endstufe. Im Prinzip funktionierte alles, man konnte von allen Eingängen Musik hören, nur beim Drehen des Baß-Klangregel-Knopfes im Bereich der Mitte, wo er einrastet, da gab es oft einen mehr oder weniger starken Knacks im rechten Lautsprecher, nicht immer gleichartig. Klar, ein Wackelkontakt. So lange das nicht so schlimm war, wollte ich es ertragen. Mit der Zeit wurde der Knacks aber zum herben Schlag für den Baßlautsprecher, dessen Membran sich weit bewegte. Eingestellt war "Nachtlautstärke". Es kam mir vor, als käme die volle Betriebsspannung raus. Die Schutzschaltung schaltete das Relais ab. Ich stellte den Verstärker weg, um zu vermeiden, daß die Lautsprecher noch beschädigt werden. Ich studierte das Schaltbild. https://elektrotanya.com/luxman_a-311_amplifier.pdf/download.html Die Schleifer des Baßsteller-Potis gehen direkt an die invertierenden Eingänge der nachfolgenden Operationsverstärker. Lautstärke- und Balance-Steller sind weiter vorne, also links davon im Schaltbild angebracht. Setzt der Kontakt am Schleifer aus, liegt der invertierende Eingang offen und vermutlich geht der OPV-Ausgang gegen eine der Betriebsspannungen. Der 100pF-Kondensator nützt da auch nicht viel. Dahinter kommt direkt die Endstufe und nicht der runter gedrehte Lautstärke-Steller. Idee: Mangels Ersatzpoti 10 kOhm könnten zwei Widerstände helfen, die ich da parallel zum Poti einbaue, also vom Schleifer zum einen Ende und vom Schleifer zum anderen Ende. Als Wert würfelte ich mir 22 kOhm herbei. Die Klangregel-Charakteristik sollte sich nicht zu sehr verändern, aber "offen" soll der Signalweg noch perfekt erhalten bleiben. Beide Kanäle sollen die gleiche Veränderung erfahren, damit "Stereo" noch vernünftig funktioniert. Der Schalter für CD-Direkt ist auch nicht vorne dran. Es gibt keinen Schalter, der Balance-Steller und alle Klangsteller überbrückt. Im Schaltplan-Ausschnitt sieht man den Klangsteller mit Puffer-Verstärker links mit IC301. Aus seinem niederohmigen Ausgang wird der Klangsteller mit IC302 versorgt, danch erfolgt wieder ein Puffer-Verstärker mit IC303, damit das Signal niederohmig an die Endstufe weiter gereicht werden kann. Um mal vorzugreifen: Am Ende haben die Widerstände den Erfolg gebracht. Es kracht überhaupt nicht mehr und zumindest mit den Testlautsprechern arbeiteten die Klangsteller wie gewohnt. Die besseren Lautsprecher waren noch nicht dran. Frequenzgang kann ich hier nur sehr umständlich messen. Um den Eingriff vorzunehmen, mußte ich von unten an die Platine vorne unten heran kommen. Diese mußte raus und dafür muß man die Front abbauen. Es genügt, die Front zu lösen, aber ohne die Platine hinter den Tasten zu entfernen. Raus muß auch der Netzschalter, die Muttern von den Potis müssen ab, sowie die Platine mit dem Gleichrichter, den A-B-Schaltern und der Kopfhörerbuchse. Diese ist mit drei Schrauben befestigt, wobei zwei davon so eine Kontaktfläche auf der Platine oben und unten haben, damit es gut Kontakt gibt zum Gehäuse. Die OPVs liegen links wo die vielen Elkos zu sehen sind. Das sind Bipolar-Elkos im Signalweg, wie es sich gehört. Die Platine habe ich ausgebaut bekommen, konnte sie hoch klappen ohne daß irgendein Draht oder Stecker abgezogen werden mußte. Es waren also alle Verbindungen noch dran. Die Widerstände anzubringen war keine große Kunst. So sollte nun vor dem Zusammenbau der Verstärker mal zeigen, wie sich die neuen Widerstände auswirken. Je nachdem hätte ich nochmals den Wert geändert, z.B. größere eingebaut, die die Charakteristik noch weniger verändern. Signal dran. Ich habe darauf geachtet, daß nirgends unerwünschte Kontakte entstehen und schaltete Strom dran. Nichts passierte. In der 220V-Position des Spannungswählers gingen nach Minuten wenigstens die LEDs an, ohne daß das Relais einschaltete. Das habe ich dann mehrfach wiederholt. Dann schraubte ich die untere Platine wieder an, die an den Schraublöchern die Extra-Kontakte hatte. Eingeschaltet und gewartet. Oh Schreck, es brüllt! Darauf war ich nicht vorebereitet bis ich das abstellen konnte, hatte es schon den einen Baßlautsprecher zerstört. Die Schwingspule war auseinander und er kratzte stark. Waren nur die wertlosen Testlautsprecher vom Sperrmüll, aber Nutzwert hatten sie inzwischen bekommen. 5 Sekunden haben gereicht, um den 5-Watt-Lautsprecher zu schrotten, der Hochtöner geht noch. Der Verstärker ist gewöhnlich schon in 9-Uhr-Stellung des Lautstärke-Knopfes gut laut. Da hatte ich ihn wohl schon drüber raus gedreht. Danach habe ich die Widerstände so gelassen und den Verstärker wieder zusammen geschraubt. Noch zur Innenansicht: Der hartnäckige Staub ist von den spendablen Vorbesitzern, die anscheinend Teppiche und evtl ein Haustier hatten. Druckluft ist bei mir nicht einsatzbereit. Unter dem freien Teil der großen Platine werden die Audiosignale erst mal von ganz hinten nach ganz vorne zu den Steckern, dann über die Kabel in die Front auf die senkrechte Platine zu den Tasten geführt. Von dort wieder runter zur ausgebauten Klangsteller-Platine. Die Platine mit der Schrift ist nur drauf geklebt. Erkenntnis: Ohne daß die Platine angeschraubt ist, schaltet das Lautsprecherrelais nicht ein und sogar die Steuerung der LEDs setzt aus. Es ging dabei nichts kaputt, aber die Verbindung zum Chassis darf also nicht fehlen. Einzige Frage: Ist das oft/immer bei Industriegeräten so der Fall? Daß es so einen gravierenden Unterschied macht, ob die Platine frei drin ist oder angeschraubt, hätte ich nicht erwartet. Ich dachte, solche Kontakte zum Chassis sollen hauptsächlich das Brummen vermeiden. mit freundlichem Gruß
Christian S. schrieb: > Ich dachte, solche Kontakte zum > Chassis sollen hauptsächlich das Brummen vermeiden. Das finde ich jetzt auch merkwürdig! Besonders wo die so einen werbewirksamen Aufriss um ihre sternförmige Stromversorgung machen... Ich persönlich würde da die Steckverbinder prüfen und ggf. ein paar Brücken zwischen den Platinen einlöten. Die Schraubverbindung an das Blech hält nicht ewig, mit etwas Korrosion fängst du dir da tolle Effekte ein.
Ich hätte noch die leise Vermutung anzubieten, daß die DC-Überwachung angeschlagen haben könnte, weil vielleicht eine Gleichspannung von 200 mV oder ähnlich am Ausgang aufgetaucht sein könnte aufgrund schlechter Masse. Aber gemessen habe ich nichts, da das Relais aus war und ich nicht ohne Kenntnis bei den Ausgangstransistoren herumstochern wollte. Einmal abgerutscht... mfg
Christian S. schrieb: > Noch zur Innenansicht: Der hartnäckige Staub ist von den spendablen > Vorbesitzern, die anscheinend Teppiche und evtl ein Haustier hatten. Lass das mal nicht Rudi lesen, dann muss er in die Badewanne (der Verstärker, nicht der TO). :)
Er wird auch gleich alle Elkos auswechseln. mfg
Christian S. schrieb: > Luxman A311 - Vollverstärker repariert habe. Naja, zurechtgemurkst. > Mangels Ersatzpoti Warum? Gängige Bauart, kann man bestellen. Oder öffnen und aufbereiten. > könnten zwei Widerstände helfen Aber nur hilfsweise, bis das Ersatzpoti da ist, weil das hier... > Die Klangregel-Charakteristik sollte sich nicht zu sehr verändern ...eine Fehleinschätzung ist. > Ohne daß die Platine angeschraubt ist, schaltet das Lautsprecherrelais > nicht ein und sogar die Steuerung der LEDs setzt aus. Das darf nicht passieren, da ist noch was anderes faul. Die Steckverbinder wie in Luxman_A311_grosse_Platine.JPG linksseitig zu sehen setzen gerne mal aus und/oder der nicht routinierte Bastler reisst beim Zerlegen gerne mal dran, ohne es merken.
Andre schrieb: > Besonders wo die so einen > werbewirksamen Aufriss um ihre sternförmige Stromversorgung machen... Die auch tatsächlich so ausgeführt wird. Die im Schaltbild angedeuteten Verbindungen findet man auch so im Layout wieder.
Danke für die Einschätzung. Bestellen werde ich vermutlich erst im nächsten Jahr wieder mengenmäßig beim Elektronikversand. Das Poti hätte ich vermutlich nicht ohne irgendwelche Zerstörungen heraus bekommen, deshalb die Methode mit den Widerständen. Da fehlt mir noch Entlötequipment und Erfahrung. Das Poti dürfte ein Standardmodell sein. Vielleicht werde ich es irgendwann mal ersetzen. Den Verstärker kann ich wieder einsetzen und darauf kam es an. Natürlich kann man auf höherem Niveau reparieren als ich es hier gezeigt habe. Solche Geschichten kommen bei mir nur alle paar Jahre mal vor. mfg
Für meinen Geschmack war das zu viel Text für die kleine Änderung. Dennoch freue ich ich mich, dass es noch Leute gibt, die solche Tipps teilen. Dafür ist das Internet doch gemacht, finde ich.
Christian S. schrieb: > 5 Sekunden haben gereicht, > um den 5-Watt-Lautsprecher zu schrotten Ein 5W-Lautsprecher an einem 40W Verstärker, sehr leichtsinnig. Der Lautsprecher sollte immer gut Reserve haben gegenüber dem Verstärker. Man steckt ja auch keine 115V-Birne in ne 230V Steckdose.
Peter D. schrieb: > Ein 5W-Lautsprecher an einem 40W Verstärker Das ist für Testzwecke völlig Latte, solange man nicht aufdreht. > Man steckt ja auch keine 115V-Birne in ne 230V Steckdose. Äpfel, Birnen. Wie üblich.
Bitte melde dich an um einen Beitrag zu schreiben. Anmeldung ist kostenlos und dauert nur eine Minute.
Bestehender Account
Schon ein Account bei Google/GoogleMail? Keine Anmeldung erforderlich!
Mit Google-Account einloggen
Mit Google-Account einloggen
Noch kein Account? Hier anmelden.


