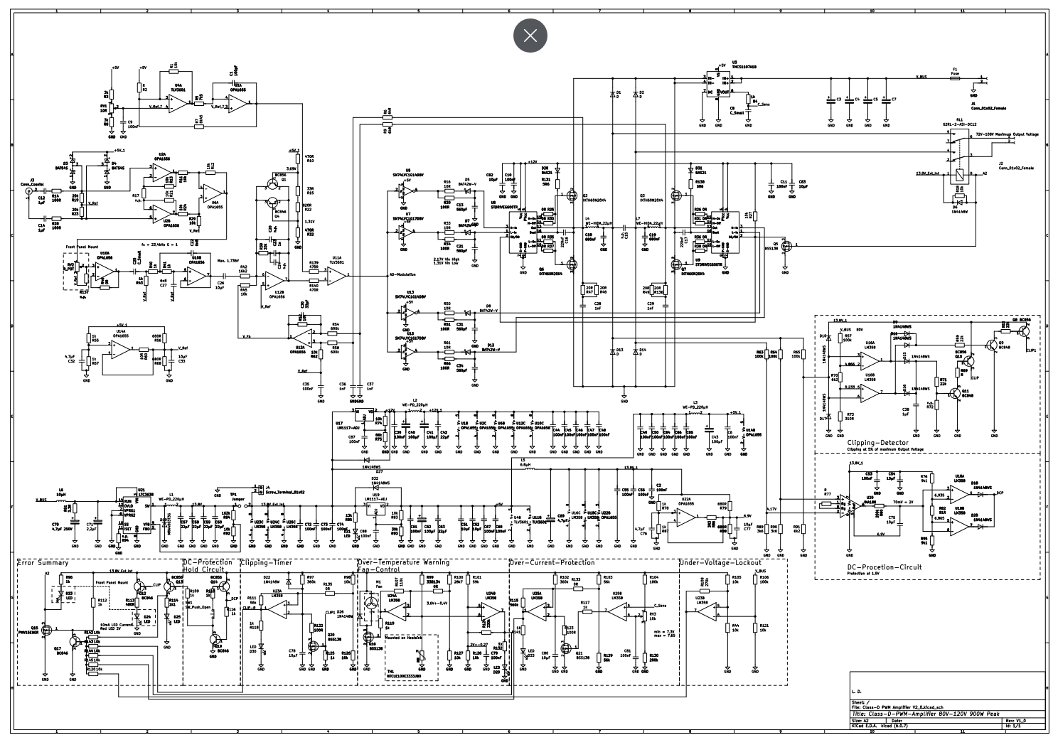
Hallo an alle, ich habe in letzter Zeit einen Schaltplan für eine Endstufe gebastelt. Es handelt sich um einen Class D Verstärker der von 80 bis 120V arbeiten kann. Allerdings sind mir beim "entwerfen" schoneinmal fehler unterlaufen. Ich würde mich freuen wenn ein paar von euch sich den Schaltplan anschauen könnten und vielleicht ein paar Vorschläge haben oder vielleicht sogar Fehler finden. Es handelt sich um eine Feedbacktopologie die ich aus einem Rensas Papier entnommen habe (mit geringerer Betriebsspannung (etwa 24V)). Dabei wird eine H-Brücke über 2 Mosfet Halbbrückentreiber gesteuert. Das Feedback erfolgt über einen Tiefpass und einem Differenzverstärker welches auf dem Error Amp zurückgekoppelt wird. (PI-Regler). Die Transistoren sollen den Tastgrad begrenzen damit der Bootstrap immer funktioniert. Die Schutzschaltungen auf der rechten Seite sollen ein Clip vom Signal vermeiden welches dem maximalen tastgrad (95 bzw. 5%) entspricht. Dafür wird ein Signal abgetastet. Da sich die Schaltung auch über eine Gleichspannungsquelle versogt werden soll, sind die Schutzschaltungen mit Operations/Instrumentenverstärkern ausgelegt. Die hohe Versorgungspannung soll über einen speziellen Buck-Converter erfolgen. Simuliert wurde der Regelkreis im groben. Leider musste ich ein paar Bauteile anpassen (weil nicht lieferbar). Falls Fragen sind oder verständnisprobleme (oder mehr Eckdaten) würde ich mich freuen wenn ihr diese einfach stellt damit ich sie beantworten kann. Mir geht es hauptsächlich erstmal um das Schematische bzw. die Topologie. Die Dimensionierung ist zweitrangig aber falls etwas aufällt gerne auch das. Vielen Dank!
Luca schrieb: > Vorschläge Wegwerfen, volldigital mit DSP bauen oder gleich einen der zahlreich vorhandenen Class-D Verstärker ICs verwenden. Du hast da derart viel analoges Georgel drinnen, das Du durch die Schaltflanken extreme Störungen haben wirst. Durch den diskreten Aufbau ist das Teil groß und sammelt wirklich alles an Störungen ein. Das läuft vermutlich nie vernünftig. 120V? Welche Leistung hast Du vor?
Denkst du tatsächlich, dass sich irgendjemand tagelang mit deinem Elaborat auseinandersetzt? Wie bereits erwähnt - es gibt gefühlt hunderte fertige D-Verstärker. Da ist für jeden Geschmack etwas dabei. Auch hierbei gibt es einen gewissen intellektuellen Anspruch, das zum sicheren Laufen zu bekommen, wenn du darauf anspielst.
An die 900 Watt. Ursprünglich wollte ich erstmal mit kleineren Spannugnen anfangen und schauen was passiert. Ansonsten würde mich interessieren was am kritischsten ist. In meinen Augen das Layout der Platine. Schaltungstechnisch denke ich müsste ich Erfahrung sammeln und nachbessern. Falls du einen Verbesserungsvorschlag hast wäre das hilfreich. Habe tatsächlich über den TPA3255 nachgedacht. Die Betriebsspannung war mir allerdings etwas niedrig.
Luca schrieb: > Falls du einen Verbesserungsvorschlag hast Max M. schrieb: > Wegwerfen, volldigital mit DSP bauen
Luca schrieb: > Habe tatsächlich über den TPA3255 nachgedacht. Die > Betriebsspannung war mir allerdings etwas niedrig. "Bridged Bridge" - zwei Vollbrücken isoliert versorgt. Zwei davon im Mono Modus, einer invertiert angesteuert* und von zwei separaten Trafos oder -wicklungen versorgt, würden jeder 450W zusammen in einen 4-Ohm Speaker leisten können. *Du weißt sicher, wie man einen invertierenden Verstärker macht. Zusammen mit dem identischen OPV-Typ geschaltet als nichtinvertierender Puffer hat man dann zwei schön präzise gegenläufige Signale. Das Ganze bringt man noch in einem geschirmten Abschnitt des Gesamtgehäuses unter, wenn es denn in dieses soll. Bestimmt auch nicht ganz ohne, aber einfacher machbar als das bish. Vorhaben.
Bernd G. schrieb: > Denkst du tatsächlich, dass sich irgendjemand tagelang mit deinem > Elaborat auseinandersetzt? Angemerkt sei, das die Typbezeichnungen bei den Chips nicht zu lesen sind. Irgendwie scheint die Ansteuerung der Gatedriver nicht ganz plausibel. https://e2e.ti.com/blogs_/b/behind_the_wheel/posts/48v-systems-driving-power-mosfets-efficiently-and-robustly Für diese Leistungen fehlt eine wichtige Komponente und zwar der Softstart. Dir fliegt sonst der Leistungsstufenteil um die Ohren. Die Mosfets müssen beim Einschalten erst mal eine kurze Zeit alle zuverlässig gesperrt sein. Die Sperre muss auch zuschlagen, wenn der Verstärker im Frequenzbereich von über 16kHz anfängt zu schwingen. Layout wurde schon genannt.
900W diskret aufgebauter Class-D-amp ist sportlich. Hast Du schon mal was mit kleineren Leistungen zuverlässig zum Laufen gebracht? Vermutlich nicht, zumindest nicht in diskreter Technik. Es stimmt schon, die integrierten Lösungen a la TPA3255 hören so bei 50V Betriebsspannung auf, darüber gibt es bislang wohl nur diskret. Wenn Du diesen Weg gehen willst stehst vor einer länglichen Lernphase und solltest für eine gute Durchlüftung Deiner Bastelwerkstatt sorgen damit der reichlich entstehende magische Rauch nicht zu einer gesundheitlichen Gefahr wird. Oder anders gesagt: Ich sehe keinerlei Schutzmassnahmen wie Spitzenstrombegrenzung, Kurzschlußschutz, Übertemperaturschutz, Einschaltplopp-Unterdrückung usw - alles features, die so ein TPA3255 schon mitbringt - und die meiner Erfahrung nach in der Praxis auch ausgezeichnet funktionieren.
Kleines Beispiel aus der Praxis: In den letzten Jahren habe ich eine Reihe von selbst entwickelten TPA3255-Boards bestückt und in Betrieb genommen. Gelegentlich liessen diese sich nicht einschalten. Dazu muß man wissen, dass beim Kaltstart eine Testroutine durchlaufen wird, die erstmal alles Mögliche überprüft. Tritt ein Fehler auf, bleibt die Endstufe tot. Tja, nach längerem Suchen fand ich eine Lötbrücke zwischen einem IC-Ausgangspin und der benachbarten Betriebsspannung. Die habe ich entfernt. Und danach lief das Teil einwandfrei. Bekommst Du das in diskreter Technik - bei doppelter Betriebsspannung - auch hin?
Bitte melde dich an um einen Beitrag zu schreiben. Anmeldung ist kostenlos und dauert nur eine Minute.
Bestehender Account
Schon ein Account bei Google/GoogleMail? Keine Anmeldung erforderlich!
Mit Google-Account einloggen
Mit Google-Account einloggen
Noch kein Account? Hier anmelden.



