Hallo, ich möchte mit diskreten Bauteilen der 74HCxxx Baureihe eine Schaltung mit folgender Funktion entwerfen: Zwei Eingänge high aktiv A und B. Ein Ausgang Q. Wenn einer oder beide Eingänge aus >>> Q aus Wenn beide Eingänge ein >>> Q ein Wenn beide Eingänge ein, dann ein Eingang aus, dann wieder ein >> Q bleibt aus !!! Habe mir zum simulieren der Logik das Programm Atanua https://solhsa.com/atanua/downloads.html installiert. Ein sehr schönes und einfach zu bedienendes Programm. Aber ich bekomme die Funktion einfach nicht hin.
Irgendwie werde ich aus deinem Text nicht schlau. Ist das reine kombinatorische Logik? Dann klingt es nach XOR (Exklusiv-Oder) Wenn da der vorherige Zustand noch mit reinspielt, dann male mal ein Diagramm mit 3 Grafen parallel, die deine Prosa visualisieren.
Du brauchst wohl zusätzlich noch einen Speicher, Aktiv. Wenn beide Eingänge aus >>> Q aus und Aktiv ein Wenn beide Eingänge ein und Aktiv ein >>> Q ein Wenn ein Eingang aus >>> Q aus und Aktiv aus
Gerald B. schrieb: > Irgendwie werde ich aus deinem Text nicht schlau. Ist das reine > kombinatorische Logik? Dann klingt es nach XOR (Exklusiv-Oder) > Wenn da der vorherige Zustand noch mit reinspielt, dann male mal ein > Diagramm mit 3 Grafen parallel, die deine Prosa visualisieren. Hauptsache rumgemeckert, das dann mit "dein Prosa versteht man nicht" rechtfertigen. DIESES Prosa ist wirklich einfach. Wenn du das nicht verstehst, solltest du vielleicht nicht schon morgens Bier trinken.
Wf88 schrieb: > Gerald B. schrieb: >> Irgendwie werde ich aus deinem Text nicht schlau. Ist das reine >> kombinatorische Logik? Dann klingt es nach XOR (Exklusiv-Oder) >> Wenn da der vorherige Zustand noch mit reinspielt, dann male mal ein >> Diagramm mit 3 Grafen parallel, die deine Prosa visualisieren. > > Hauptsache rumgemeckert, das dann mit "dein Prosa versteht man nicht" > rechtfertigen. DIESES Prosa ist wirklich einfach. Nö, ist sie nicht. Und die Grafik ist malen nach Zahlen. > Wenn du das nicht verstehst, solltest du vielleicht nicht schon > morgens Bier trinken. Und Du solltest nicht so einen Schwachsinn schreiben.
Dirk F. schrieb: > Wenn einer oder beide Eingänge aus >>> Q aus > Wenn beide Eingänge ein >>> Q ein Dann wäre es ein normales XOR (Bild 1). Dirk F. schrieb: > Wenn beide Eingänge ein, dann ein Eingang aus, dann wieder ein >> Q > bleibt aus !!! Dann ist es ein XOR mit RC-Glied (Bild 2).
Wf88 schrieb: > Hauptsache rumgemeckert, Sind Deine bisher 187 verfassten Beiträge alle so wertvoll? Oder hast Du in 2 Wochen seit Anmeldung nur Nebelkerzen abgeschossen?
Enrico E. schrieb: > Dann ist es ein XOR mit RC-Glied (Bild 2). Also dann möchte ich das mal anders beschreiben: Die Schaltung wird an einem 2-kanaligen Not Aus Schalter angeschlossen (Signale A und B). Jeder der beiden Öffner kann die Last abschalten. Kommt es zum Verkleben eines der beiden Öffner, dann wird die Last über den anderen Kontakt abgeschaltet. Ein erneutes Wiedereinschalten über den funktionsfähigen Kontakt muss dann verhindert werden. Eingangs-Logik eines Sicherheitsrelais.
Beitrag #7577101 wurde von einem Moderator gelöscht.
Dirk F. schrieb: > Wenn einer oder beide Eingänge aus >>> Q aus > Wenn beide Eingänge ein >>> Q ein > Wenn beide Eingänge ein, dann ein Eingang aus, dann wieder ein >> Q > bleibt aus !!!
1 | A -----+---| \ '08 |
2 | | | )--+----------| \ '08 |
3 | B --+--(---| / | ____ | )-- Q |
4 | | | +--|S Q|--| / |
5 | | +---|_\ | | |
6 | | |_ )o----|R___| aus '02 |
7 | +------| / '02 aufgebautes RS FF |
https://www.elektronik-kompendium.de/public/schaerer/rsff1.htm
Hallo Michael, danke für Deinen Vorschlag. Habe die Schaltung simuliert. Funktioniert aber leider nicht.
Wf88 schrieb: > DIESES Prosa ist wirklich einfach. Bei einer strukturierten Vorgehensweise würde man die Prosa erstmal in eine angemessene Form bringen, z.B. in Form einer Logiktabelle, statt mit bunten Tastern und LEDs rumzuprobieren und zu hoffen, dass es zufällig irgendwann funktioniert.
Sorry Fehler. Aber mit den AND anstelle der NANDs gehts immer noch nicht.
Dirk F. schrieb: > Sorry Fehler. > Aber mit den AND anstelle der NANDs gehts immer noch nicht. Was auch immer nicht geht. Vermutlich deine Wünsche zu erraten in deiner unvollständigen unlogischen Beschreibung. Logikschaltungen können nur Logik.
Dirk F. schrieb: > Die Schaltung wird an einem 2-kanaligen Not Aus Schalter angeschlossen > (Signale A und B). > Jeder der beiden Öffner kann die Last abschalten. > Kommt es zum Verkleben eines der beiden Öffner, dann wird die Last über > den anderen Kontakt abgeschaltet. > Ein erneutes Wiedereinschalten über den funktionsfähigen Kontakt muss > dann verhindert werden. Kontakte in Reihe schalten. > Eingangs-Logik eines Sicherheitsrelais. 74xx-Logik ist nicht fail-safe genug für sicherheitsrelevante Anwendungen.
Michael B. schrieb: > Was auch immer nicht geht. Vermutlich deine Wünsche zu erraten in deiner > unvollständigen unlogischen Beschreibung. Zeitlicher Ablauf : A B Q ------- 0 0 0 1 0 0 1 1 1 1 0 0 1 1 0 Sollzustand Q bleibt aus. Istzustand der Schalter Q wird wieder eingeschaltet. 1 1 1
Dirk F. schrieb: > HaJo schrieb: >> Kontakte in Reihe schalten. > Löst das Problem nicht. An welcher Stelle?
Mit Deiner Prosa beschreibst Du ein einfaches UND-Glied mit 2 Eingängen.
HaJo schrieb: > 74xx-Logik ist nicht fail-safe genug für sicherheitsrelevante > Anwendungen. Früher gab es ja mal von Siemens die LSL(LangsameStörsichereLogik) für sicherheisrelevante Schaltungen. Gibts die eigentlich immer noch oder gibt es da einen moderneren Ersatz dafür?
HaJo schrieb: > An welcher Stelle? Das Wiedereinschalten der Last über einen funktionsfähigen Kontakt nachdem der andere Kontakt dauerhaft kurzgeschlossen ist.
Michael K. schrieb: > Mit Deiner Prosa beschreibst Du ein einfaches UND-Glied mit 2 Eingängen. Sorry, das war Unfug. Einfach ignorieren bitte. Konnte es nicht mehr bearbeiten. Du brauchst nach dem UND noch ein FlipFlop mit Reset-Eingang.
Michael K. schrieb: > Mit Deiner Prosa beschreibst Du ein einfaches UND-Glied mit 2 Eingängen. Dann versuch ich es nochmal: A B Q 0 0 0 Not Aus Taster mit 2 Öffnern (A B) ist eingedrückt. Lastspannung Q aus 1 1 1 Not Aus Taster herausgezogen. Lastspannung Q ein. 0 0 0 Eindrücken des Not-Aus Tasters. Beide Kontakte öffnen 1 1 1 Wieder einschalten. OK 1 0 0 Eindrücken des Not-Aus Tasters. Kontakt A öffnet nicht wegen Fehler. Last wird abgeschaltet 1 1 0 Erneuter Versuch einzuschalten. Last darf nicht eingeschaltet werden !!! Diese Funktion sollte die Schaltung haben.
Michael K. schrieb: > Du brauchst nach dem UND noch ein FlipFlop mit Reset-Eingang. Nach welchem AND ?
Das sollte am besten mit einem selbsthaltenden Relais umgesetzt werden, mit Logik drumherum.
So einfach wie du dir das vorstellt geht das nicht, schon wegen des Prellens der Kontakte. Und völlig synchron werden die beiden auch nicht sein.
H. H. schrieb: > So einfach wie du dir das vorstellt geht das nicht, schon wegen > des > Prellens der Kontakte. Und völlig synchron werden die beiden auch nicht > sein. Stimmt. Kontaktprellen habe ich noch gar nicht bedacht.... Danke.
Beitrag #7577194 wurde von einem Moderator gelöscht.
Jörg R. schrieb: > Sind Deine bisher 187 verfassten Beiträge alle so wertvoll? > Oder hast Du in 2 Wochen seit Anmeldung nur Nebelkerzen abgeschossen? Schau nochmal genauer hin. Keine 2 Wochen. 1 Jahr und 2 Wochen.
Wf88 schrieb: > Jörg R. schrieb: >> Sind Deine bisher 187 verfassten Beiträge alle so wertvoll? >> Oder hast Du in 2 Wochen seit Anmeldung nur Nebelkerzen abgeschossen? > > Schau nochmal genauer hin. Keine 2 Wochen. 1 Jahr und 2 Wochen. Ändert aber nichts am dämlichen Inhalt Deines Kommentars. Und jemandem zu unterstellen schon morgens Bier zu trinken ist unterste Schublade.
Jörg R. schrieb: > Und jemandem > zu unterstellen schon morgens Bier zu trinken ist unterste Schublade. Was ist denn daran Falsch?
Björn W. schrieb: > Jörg R. schrieb: >> Und jemandem >> zu unterstellen schon morgens Bier zu trinken ist unterste Schublade. > > Was ist denn daran Falsch? In der untersten Schublade ist es zu kalt.
Du brauchst einen Merker für den Error Status. A und B auf ein X-Or, sobald A oder B aber nicht beide kommen, setzt du ein RS Flipflop welches den Ausgang Q dauerhaft unterbricht. Du brauchst dann noch einen Taster um den Error wieder zurück zu setzen. Das Freigeben von Q (A&B) sowie das Erlangen des Error Status (A XOR B) sollten jeweils mit einem Zeitglied versehen werden (Monoflop) Dann sollte es gehen... TS
So etwa Sorry, aus dem RS FF muss natürlich Q nicht verwendet werden...
Hallo Torsten, danke für Deinen Schaltungsvorschlag. Es kann aber sein, dass beim Einschalten A und B nicht gleichzeitig 1 werden. Dann würde der Fehler unberechtigt aktiviert werden.
Dirk F. schrieb: > Es kann aber sein, dass beim Einschalten A und B nicht gleichzeitig 1 > werden. Bei mechanischen Kontakten ist das die Regel, daß da viele µs Unterschied bestehen. Für CMOS-Logikschaltungen sind µs eine Ewigkeit. Und das Prellen kommt natürlich noch hinzu. Daher nimmt man heutzutage für solche Aufgaben MCs mit Timerinterrupt, da kann man die Zeitbedingungen bequem einstellen. Alles kürzer als 100ms kann mal als gleichzeitig auswerten.
Dirk F. schrieb: > Dann würde der Fehler unberechtigt aktiviert werden. Nein, da das Zeitglied erst nach x ms aktiv wird, bis dahin sind sie gleich... Peter D. schrieb: > Und das Prellen kommt natürlich noch hinzu. Dafür ist das obere Zeitglied... lässt sich ganz einfach mit einem Tiefpass und einem Schmitt-Trigger aufbauen... Entprellung halt, aber eben erst nach den ersten Verknüpfungen...
Thorsten S. schrieb: > Nein, da das Zeitglied erst nach x ms aktiv wird, bis dahin sind sie > gleich... Hallo Torsten, das untere Zeitglied müsste entsprechend lange gewählt werden um Diskrepanzen von A und B bein Einschalten zu unterdrücken. Leider wirkt sich diese Zeit aber auch auf das Zeitliche Verhalten beim Ausschalten über 1 Kanal im Fehlerfall aus.
Peter D. schrieb: > Daher nimmt man heutzutage für solche Aufgaben MCs mit Timerinterrupt, > da kann man die Zeitbedingungen bequem einstellen. Alles kürzer als > 100ms kann mal als gleichzeitig auswerten. Ja, aber das (mit Microcontroller) dann vom TÜV zertifizieren zu lassen, in ne ganz andere Hausnummer....
Dirk F. schrieb: > Leider wirkt sich diese Zeit aber auch auf das Zeitliche Verhalten beim > Ausschalten über 1 Kanal im Fehlerfall aus. Nö, dafür ist das obere Zeitglied. Es geht dort maximal um wenige Millisekunden...
Für Not-Aus Geschichten gibt es extra von PILZ zertifiziert Relais... Da würde ich eh immer was kaufen, ist am ende billiger... https://www.pilz.com/de-DE/produkte/schaltgeraete/sicherheitsrelais-sicherheitsschaltgeraete/pnozsigma-sicherheitsrelais https://www.pilz.com/de-DE/produkte/schaltgeraete/sicherheitsrelais-sicherheitsschaltgeraete Beginnend schon mit der Überschrift hier, wäre wohl "TÜV konforme und Abnahmefähige Not-Aus Schaltung für professionellen Einsatz gesucht" besser gewesen... Das hier ist wieder mal so ein "Popel aus der Nase pulen" Ding...
Wenn eine Schaltung nicht genau definiert und getestet ist, ist der Aufbau mit diskreter Logik nicht vorteilhaft. Jede Schaltungsaenderung bedingt Umbau der Schaltung. Ein kleiner uC oder programmierbare Logik ist hilfreich.
Dirk F. schrieb: > Ja, aber das (mit Microcontroller) dann vom TÜV zertifizieren zu lassen, > in ne ganz andere Hausnummer.... Das dürfte von der konkreten Anwendung abhängen, d.h. welche Gefahr davon ausgeht. Z.B. für ein AKW wird der TÜV auch niemals Deine Bastelei mit CMOS-Gattern zulassen.
Peter D. schrieb: > für ein AKW Am besten mal beschreiben worum es hier überhaupt geht und was wirklich gewollt ist, sonst rätseln hier alle noch stundenlang weiter...
Thorsten S. schrieb: > Am besten mal beschreiben worum es hier überhaupt geht und was wirklich > gewollt ist, sonst rätseln hier alle noch stundenlang weiter... Sicherheitslevel SIL2
Dirk F. schrieb: > Thorsten S. schrieb: >> Am besten mal beschreiben worum es hier überhaupt geht und was wirklich >> gewollt ist, sonst rätseln hier alle noch stundenlang weiter... > > Sicherheitslevel SIL2 Und wofür?
Bei Relaistechnik benötigt man keinen zusätzlichen Resettaster und der Gleichzeitigkeitsfaktor beim Drücken des Notausschalters spielt keine Rolle mehr. Lediglich das Relais K3 ist eine 12V Variante, weil hier ein RC-Zeitglied vorgeschaltet ist, damit K4 bequem in Selbsthaltung gehen kann. Der Motor soll nur die zu schützende Anlage symbolisieren.
Dirk F. schrieb: > Die Schaltung wird an einem 2-kanaligen Not Aus Schalter angeschlossen > Kommt es zum Verkleben eines der beiden Öffner, dann wird die Last über > den anderen Kontakt abgeschaltet. > Ein erneutes Wiedereinschalten über den funktionsfähigen Kontakt muss > dann verhindert werden. Wenn der Notausschalter kaputt ist, dann ist es notwendig den auszutauschen.
Markus schrieb: > Wenn der Notausschalter kaputt ist, dann ist es notwendig den > auszutauschen. Ja klar. Aber er muss noch abschalten können, aber nicht mehr einschalten.
Dirk F. schrieb: > Wenn einer oder beide Eingänge aus >>> Q aus > Wenn beide Eingänge ein >>> Q ein > Wenn beide Eingänge ein, dann ein Eingang aus, dann wieder ein >> Q > bleibt aus !!! So hätte ich das jetzt verstanden. Wenn die LED einmal an war müssen erst beide Eingänge LOW sein, bevor die erneut an gehen darf.
Markus M. schrieb: > Wenn die LED einmal an war müssen erst beide Eingänge LOW sein, bevor > die erneut an gehen darf. Nein. Wenn die LED an ist, dann muss einer der beiden Eingänge=0 diese ausschalten. Ein erneutes Einschalten ist erst wieder möglich, nachdem beide Eingänge aus waren.
Dirk F. schrieb: > Nein. Wenn die LED an ist, dann muss einer der beiden Eingänge=0 diese > ausschalten. > Ein erneutes Einschalten ist erst wieder möglich, nachdem beide Eingänge > aus waren. Dann teste doch mal meine Schltung, die Projektdatei habe ich doch angehängt ;-) Es braucht zwingend ein zweites RS Flipflop um zu merken ob der Ausgang Einschaltberechtigt ist.
Markus M. schrieb: > So hätte ich das jetzt verstanden. Markus. 100 Punkte. Du hast es verstanden. Habe Deine Schaltung selber nochmal eingegeben. Funktioniert !
Nur noch die Eigänge per Optokoppler galvanisch trennen und entprellen, sonst klappt die Schaltung in der Realität nicht.
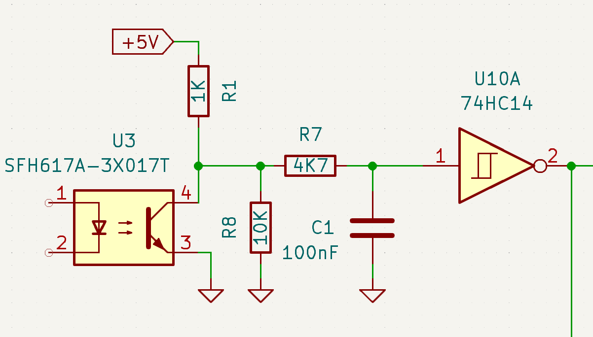
Markus M. schrieb: > Nur noch die Eingänge per Optokoppler galvanisch trennen und entprellen, > sonst klappt die Schaltung in der Realität nicht. Optokoppler: Ja wird vorgesehen. Entprellen: Hier würde ich zwischen Optokoppler und den Logic Eingängen ein R-C vorsehen wollen.
Dirk F. schrieb: > 100 Punkte. Klasse! Jetzt könnte man noch die Schaltung durch die Anwendung des "De Morganschen Gesetzes" vereinfachen. Dann bräuchte man keine 4 ICs mehr, sondern nur noch 3. Außerdem wären dann an den Notaus-Eingängen automatisch Schmitt-Trigger Gatter, die ein RC-Glied zum Entprellen zuläßen. Ich sehe gerade, das dass UND-Gatter in der Mitte keine Schmitt-Trigger Funktion hat. Dann bleibt es also doch so oder so bei 4 ICs.
HaJo schrieb: > 74xx-Logik ist nicht fail-safe genug für sicherheitsrelevante > Anwendungen. Warum ? Wenn es zweikanalig getrennt mit Fehlererkennung ausgeführt wird.
Moderne Not-Halt Eingänge liefern den Strom für die Not-Halt Taster 2-Kanalig. Dabei werden diese Ausgänge getaktet um den korrekten Anschluss feststellen zu können. Damit kann nicht mehr Kanal 1 / 2 vertauscht anschließen oder Brücken oder 24V an die Eingänge legen. Das mit einfach 74xx Bausteinen zu realisieren ist nicht einfach. Diese Taktung kann man für Geräte ausschalten, die den Not-Halt Taster fest an 24V verdrahtet haben, sollte man jedoch vermeiden, bzw. diese Geräte auf extra Eingänge der Savety Steuerung legen. Sollte man eine komplexe Maschine mit mehreren Stationen, Nothalt, Zugangstür usw. haben, dann empfiehlt es sich gleich eine Sicherheits-Steuerung zu verwenden, wie z.B. eine Siemens F-CPU mit speziellen F-IO Karten und nicht die ganzen Not-Halt einfach in Reihe zu schalten. Bei Not-Halt und Selbstbau, das nicht vom TÜV Zertifiziert wurde ist man bei einem Fehler (Unfall) fällig für das Gefängnis, bzw. dein Geld ist dann komplett weg. Einfache Not-Halt Steuerungen von z.B. Pilz kosten jetzt wirklich nicht viel. So ein Nachbau kannst du ja machen, überhaupt kein Thema (z.B. als Übung oder Demo-Board), jedoch setze es bitte nicht an einer Maschine ein, die andere Menschen als du selbst bedienen. Beispiel: https://www.pilz.com/de-DE/eshop/Schaltger%C3%A4te/Sicherheitsrelais-Sicherheitsschaltger%C3%A4te/PNOZsigma-Sicherheitsrelais/%C3%9Cberwachung-von-Not-Halt-Schutzt%C3%BCren-Lichtschranken/PNOZ-s3-24VDC-2-n-o/p/750103
Bitte melde dich an um einen Beitrag zu schreiben. Anmeldung ist kostenlos und dauert nur eine Minute.
Bestehender Account
Schon ein Account bei Google/GoogleMail? Keine Anmeldung erforderlich!
Mit Google-Account einloggen
Mit Google-Account einloggen
Noch kein Account? Hier anmelden.










