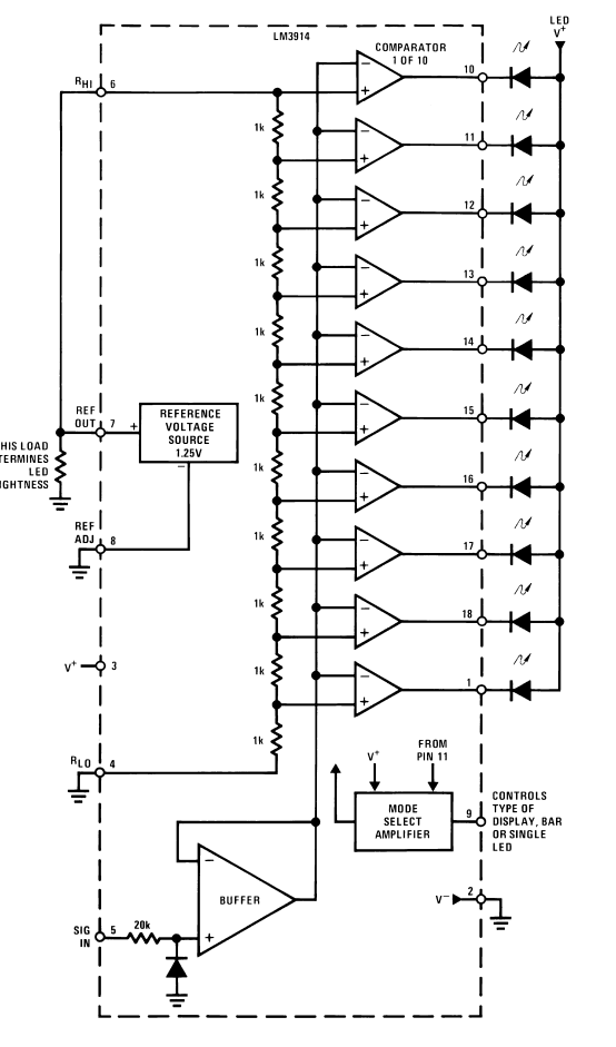
https://www.ti.com/lit/ds/symlink/lm3914.pdf Hallo zusammen, hat jemand Erfahrung damit den LM3914 als einen flash ADC zu misbrauchen? Ich möchte in bestimten Momenten eine etwa nur 10 µs andauernde Analogspannung zu erfassen, (in 10 Stufen reichts) indem ich die LEDs-Ausgänge mit µC Ports einlese. Datenblatt sagt nichts über Input-Outputs propagation delay, hat jemand schon ausprobiert? (Dass es open collectors sind weiss ich, und ich weiss wie ich sie in µC Ports reinkriege, das ist nicht das Thema). Vielen Dank für Eure Erfahrungswerte in voraus.
Michal P. schrieb: > 10µs ... in 10 Stufen reicht Also 4 Bit. Da findet sich ganz leicht ein hinreichend schneller "richtiger" ADC... > den LM3914 als einen flash ADC zu misbrauchen? > Datenblatt sagt nichts über Input-Outputs propagation delay Der ist für Anzeigen für die Augen gedacht. Da ist Zeit völlig irrelevant, 10 ms sind auf jeden Fall schnell genug. Deshalb ist da nichts spezifiziert. Und ich würde mich niemals auf etwas verlassen, das im Datenblatt nicht spezifiziert ist. BTW: Ich würde mich da auch nicht darauf verlassen, dass immer alle Augänge gleich schnell umschalten. Für einen richtigen Flash-Wandler fehlt da also noch ein Signal, das sagt "jetzt sind die ausgänge gültig".
Moin, Michal P. schrieb: > Datenblatt sagt nichts über > Input-Outputs propagation delay, hat jemand schon ausprobiert? Naja, wenn das Datenblatt nix drueber aussagt, kannst du dich auch nicht drauf verlassen. D.h. kann sein, dass es geht, kann sein, dass es nicht geht. Und am lustigsten: Kann sein, dass es nur manchmal geht (bestimmte Hersteller/Chargen, Datum enthaelt eine Primzahl, Schuhgroesse des Entwicklers...) Gruss WK
Danke für eure Meinungen! "Da findet sich ganz leicht ein hinreichend schneller "richtiger" ADC" - ja, mit mehrfach höherem Preis, die LMs kriegt man im Centbereich nachgeschmissen und bei mir kommt Bau ...zig Module in Frage. Die Bedenken vs. "kann gehen, kann auch nicht" verstehe ich voll. Das Funktionsschaltbild ist sehr versprechend weil das Eingangssignal nur durch einen Buffer und Komparator direkt zum Ausgangspin eilt, deswegen die schräge Idee.
Michal P. schrieb: > (Dass es > open collectors sind weiss ich, Es sind vor allem einstellbare Stromquellen.
Michal P. schrieb: > "Da findet sich ganz leicht ein hinreichend schneller > "richtiger" ADC" - ja, mit mehrfach höherem Preis Der Preis war nicht in deiner Anforderungsliste. > die LMs kriegt man im Centbereich nachgeschmissen Sie sind garantiert zu langsam, um der Eingangsspannung zuverlässig zu folgen. Und wie gesagt: da het jeder Komparator seine eigene unterschiedliche Durchlaufzeit. Michal P. schrieb: > eine etwa nur 10 µs andauernde Analogspannung zu erfassen Das heißt im Grunde: du solltest mindestens mit 500kHz abtasten, um das Signal sicher zu erfassen. Meine Kandidaten wären der ADC081S101 oder der ADS7888. Alternativ könntest du statt deines Lösungsansatzes auch mal deine Aufgabe beschreiben. Evtl. findet sich ein anderer Weg zur Problemlösung. BTW: zitieren geht hier einfach über 1. den Text markieren 2. auf Link "Markierten Text zitieren" drücken
Lothar M. schrieb: > Und ich würde mich niemals auf etwas verlassen, das im Datenblatt nicht > spezifiziert ist. Zumal der LM3914 inzwischen von mehreren Chinesen hergestellt^Wgefälscht wird. XD3914(XinLuda)/HT3914(HTCSemi)/LM3914 Aber 10us Signale zu erfassen sind auch für echte Komparatoren der Zeit, LM339, sportlich. Vergiss also den Ansatz.
Michal P. schrieb: > Ich möchte in bestimten Momenten eine etwa nur 10 µs andauernde > Analogspannung zu erfassen, (in 10 Stufen reichts) indem ich die > LEDs-Ausgänge mit µC Ports einlese. Ziemlich unwirtschaftlich: 10 Portleitungen, wo für BCD = binary coded decimal vier Leitungen genügen würden.
Michal P. schrieb: > Die Bedenken vs. "kann gehen, kann auch nicht" verstehe ich voll. Das > Funktionsschaltbild ist sehr versprechend weil das Eingangssignal nur > durch einen Buffer und Komparator direkt zum Ausgangspin eilt Das Prinzip Schaltbild heißt nicht umsonst so. Es zeigt wesentliche Details eben gerade nicht. Es gibt keine Angaben, in welcher Technologie der Logikteil des LM3914 gefertigt ist. Der A277 aus der DDR, der im wesentlichen die gleiche Funktion hatte, war z.B. in I²L aufgebaut. Und das ist grottenlahm bzw. wird durch die Wahl eines kleinen Injektionsstroms lahm gemacht. Hat dadurch aber dann auch einen geringen Stromverbrauch. Ich würde beim LM3914 ebenfalls auf I²L tippen. Der Logikbedarf für die Punkt-/Bandumschaltung ist groß genug dafür. Mit den Stromquellen für den direkten Anschluß der LED und den analogen Komponenten (Komparatoren, Band-Gap-Referenz) ist I²L ebenfalls kompatibel. Und besonders schnell muß es für die unsprüngliche Anwendung ja nicht sein.
Man könnte ja direkt einen (billich, willich) µC nehmen, welcher alle 2µs einen ADC Wert liefern kann.
Michal P. schrieb: > hat jemand schon ausprobiert? Ich hätte das als Erstes selbst mal vermessen, wenn sich mir die Frage gestellt hätte!
Michal P. schrieb: > Ich möchte in bestimten Momenten eine etwa nur 10 µs > andauernde Analogspannung zu erfassen, (in 10 Stufen reichts) indem ich > die LEDs-Ausgänge mit µC Ports einlese. Man kann sich auch eine S&H Stufe extern bauen und dann beliebig langsam mittels SAR DAC + Komparator messen. Als DAC kann man einen PWM-Ausgang nutzen. Hat dein Mikrocontroller keinen internen ADC? Aber auch der selbstgestrickte SAR-ADC braucht weniger Pins als deine Methode (S&H, PWM-Ausgang, 1x Komparator)
Falk B. schrieb: > und dann beliebig langsam mittels SAR DAC + Komparator messen. Man sollte allerdings schon schnell genug fertig sein, um den nächsten Analogwert nach 10µs samplen zu können. Und da stelle ich mir den vom Timer kommenden PWM-Ausgang zu langsam vor. Ob es ausreicht, nur den Maximalwert zu samplen und zu wandeln hatte ich implizit schon gefragt als ich nach der zugrundeliegenden Aufgabe fragte. Aber wie gesagt: da muss man im Grunde gar nichts basteln. Es gibt Bauteile, die kosten weniger als man in die eigene Bastelei an Zeit und Geld hineinstecken müsste. Und diese Bauteile sind tadellos spezifiziert. Norbert schrieb: > Man könnte ja direkt einen (billich, willich) µC nehmen, welcher alle > 2µs einen ADC Wert liefern kann. Nur mal so naiv dahingefragt: welcher würde dir da grade einfallen?
Lothar M. schrieb: > Falk B. schrieb: >> und dann beliebig langsam mittels SAR DAC + Komparator messen. > Man sollte allerdings schon schnell genug fertig sein, um den nächsten > Analogwert nach 10µs samplen zu können. Davon war NICHT die Rede! "Ich möchte in bestimten Momenten eine etwa nur 10 µs andauernde Analogspannung zu erfassen," Das klingt nicht nach 100kHz Abtastrate, sondern einem eher seltenen Ereignis vielleicht alle paar Dutzend bis hunderte von Millisekunden. > Aber wie gesagt: da muss man im Grunde gar nichts basteln. Es gibt > Bauteile, die kosten weniger als man in die eigene Bastelei an Zeit und > Geld hineinstecken müsste. Und diese Bauteile sind tadellos > spezifiziert. In der Tat. Besser, einfacher und billiger wird es nicht, nur viel Bastelei. Wenn das das Ziel ist, los geht's.
ich kann diese Art einfach nicht lassen, aus veralteten, billigen Teilen durch einen genialen Geistesblitz bewunderungswerte Anwendungen zu erfinden:))) Tun euch ja die alten Bausteine im Centbereich und Hunderterpackungen denn nicht Leid, wo habt ihr das Herz!!! :)))
Michal P. schrieb: > ich kann diese Art einfach nicht lassen, aus veralteten, billigen > Teilen durch einen genialen Geistesblitz bewunderungswerte Anwendungen > zu erfinden:))) Das trifft hier nicht zu. Außerdem prellt deine ) Taste. > Tun euch ja die alten Bausteine im Centbereich und Hunderterpackungen > denn nicht Leid, wo habt ihr das Herz!!! :))) Der LM3914 ist nicht so billig. Billig sind nur die Fälschungen.
Zur Anwendung: Multilevel Inverter, AC-Spannung aus seriellem Batterienstrang. Ich wollte bei einem nur sehr kurz durchgeschaltetem MOSFET (bis zu ~50 A, bidirektional möglich!) jeweils den Spannungsabfall (~Ron) erfassen und mit LEDs darstellen, um bei einer Gruppe von ungefähr 50 (!) solcher Switches eventuel Alterungserscheinungen zu diagnostizieren... ja, sehr untypisch, war nur eine Idee. Ich denke auch Temperaturmessung der MOSFETs würde mir eine Degradierung der Ron gut diagnositzieren.
Falk B. schrieb: > Davon war NICHT die Rede! Ja, wie gesagt: Ratestunde. Denn wenn es ausreicht, diese Spannung zu samplen, dann reicht es auch aus, den ADC des µC getriggert von irgendeinem Ereignis rechtzeitig zu starten. Denn in den ersten paar Takten nach Wandlungsstart samplet der sowieso. Michal P. schrieb: > eventuel Alterungserscheinungen zu diagnostizieren Welche Untersuchungen legen nahe, dass sich Alterung (nennenswert) auf den Rdson auswirkt, wenn der Mosfet nicht überlastet wird?
Lothar M. schrieb: > dahingefragt: welcher würde dir da grade einfallen? RP2040 Kann man kontinuierlich per DMA im Kreis laufen lassen und die Ereignisse gegebenenfalls aus dem Ringpuffer picken. Der darf dann auch gerne mal 50.000 Halbworte (ach komm', 100.000 Halbworte) groß sein, falls man die 100/200ms Puffer brauchen sollte. PS. Mit den größeren STM32 geht's noch viel wilder, aber die kosten dann auch… PPS. Er braucht ja nur minimale Auflösung. Das machen wir's natürlich gerne mit reduziertem 8Bit ADC und der Puffer wird bald eine halbe Sekunde groß.
Lothar M. schrieb: > Welche Untersuchungen legen nahe, dass sich Alterung (nennenswert) auf > den Rdson auswirkt, wenn der Mosfet nicht überlastet wird? Ja ich könnte auch ohne jegliche Diagnose die MOSFETs nach programmierten Sequenz stuhr nacheinander schalten und mein AC aus dem Batterienstrang konstruieren. Wollte halt vorsichtig und vorausschauend sein. Bei diesen großen Strömen und kurzen Zeiten hätte ich gerne einen Kontrollmechanisums der sicherstellt dass entsprechende Switches in entsprechenden Zeiten entsprechend niederohmsch wirklich leiten. Welche andere Diagnosemethode fällt euch ein? Nur Temperatur, oder nach Inbetriebnahme-Tests ganz ignorieren?
Axel S. schrieb: > Der LM3914 ist nicht so billig. Billig sind nur die Fälschungen. Und preiswert sind die Nachbauten von HTC oder Xinluda.
Michal P. schrieb: > "Da findet sich ganz leicht ein hinreichend schneller > "richtiger" ADC" - ja, mit mehrfach höherem Preis 3x LM339 werden sogar billiger kosten als LM3914. Response Time 1,3 us.
Maxim B. schrieb: > 3x LM339 werden sogar billiger kosten als LM3914. Da fehlen dann noch Referenz und Hühnerfutter.
Michal P. schrieb: > Ja ich könnte auch ohne jegliche Diagnose die MOSFETs nach > programmierten Sequenz stuhr nacheinander schalten und mein AC aus dem > Batterienstrang konstruieren. > > Wollte halt vorsichtig und vorausschauend sein. > > Bei diesen großen Strömen und kurzen Zeiten hätte ich gerne einen > Kontrollmechanisums der sicherstellt dass entsprechende Switches in > entsprechenden Zeiten entsprechend niederohmsch wirklich leiten. > > Welche andere Diagnosemethode fällt euch ein? Nur Temperatur, oder nach > Inbetriebnahme-Tests ganz ignorieren? Hat jemand noch Anreize fürs eigentliches Thema? Es handelt sich um Multilevel Inverter, AC-Spannung aus seriellem Batterienstrang.
Michal P. schrieb: >> Welche andere Diagnosemethode fällt euch ein? Nur Temperatur, oder nach >> Inbetriebnahme-Tests ganz ignorieren? Da ein Mosfet, wenn er gedenkt, kaputt zu gehen, dies unter Last sicherlich innerhalb von µs oder vielleicht doch satte ms durchzieht, wäre es ohnehin eher sinnlos, die Temperatur als Maß nehmen zu wollen, die ja ziemlich träge ist. Auserdem müsstest du ja auch noch den Strom erfassen, damit die tolle Schaltung oder der µC abschätzen kann, ob dies noch unter konkreter Lastbedingung im Rahmen ist, oder Gefahr droht. Daselbe gilt dann auch für die Rds_on-Erfassung. Next - wenn der Mosfet sperrt, dann liegen über ihm dann auch entsprechend hohe Uds an. Das müsste die Auswertschaltung dann halt entsprechend ausblenden können, wenn die doch sonst nur mV messen will. Ansonsten würde mir noch ein Präzisions-Spitzenwert-Gleichrichter eingefallen, der einen C auf den Spitzenwert auflädt, den der µC nach Messung in Ruhe wieder entladen lassen kann. Also eigentlich eine S&H-Schaltung, die aber eben nur den Spitzenwert hält. Läßt sich aber doof machen, wenn überm Mosfet in den Schaltpausen die volle Uds anliegt ...
Abfangen von hohem UDS habe ich schon konzipiert, vereinfacht geschrieben hochimpedante Buffer mit MOhm-Widerständen zu D-S verbunden. Und deinen Denkweg hatte ich auch schon, eigentlich so was wie Minimumwert S&H wäre gesucht.
H. H. schrieb: > Da fehlen dann noch Referenz und Hühnerfutter. VCC als Referenz, dazu noch 12 Widerstände je 1 cent
Maxim B. schrieb: > VCC als Referenz Unfair. > , dazu noch 12 Widerstände je 1 cent Mit den Pullups des µC wird das ziemlich lahm.
H. H. schrieb: > Mit den Pullups des µC wird das ziemlich lahm. Was für Pullups? Man braucht eine Kette von Widerständen, entweder um VCC zu teilen, oder um VIN zu teilen.
Michal P. schrieb: > Und deinen Denkweg hatte ich auch schon, eigentlich so was wie > Minimumwert S&H wäre gesucht. Es gibt schnelle OPVs und entsprechende Peak Detektorschaltungen. Allerdings sind 10us Signaldauer ja schon ne halbe Ewigkeit. Ein AVR16DD14 sollte das hinbekommen, da solltest du den ADC auch mit externem Signal starten können, also z.B. übers Gate synchronisieren.
H. H. schrieb: > Mit den Pullups des µC wird das ziemlich lahm. LM339 Response Time 1,3 us. Nehmen wir an. Cout_LM339 + Cin_Controller = 10 pF. Dann braucht man für Einstigszeit 1,3 us Pullup-Wert 130 kOhm. Pullups haben in Realität 20 bis 50 kOhm, so ist Einstiegszeit in jedem Fall kleiner als Response Time von LM339. Deshalb braucht man darüber keine Gedanken.
Michal P. schrieb: > Hallo zusammen, hat jemand Erfahrung damit den LM3914 als einen flash > ADC zu misbrauchen? Hallo auseinander, also wenn ich das unbedingt wissen wollte und mir jegliche Angaben fehlten, würde ich mir das IC kaufen, auf einem Steckbrett aufbauen und ein in der Amplitude variables Rechteck auf den Eingang geben und an den Ausgängen mittels Oszilloskop mir die Verzögerungszeit anschauen, um sie auszumessen. Das gelingt schon mittels analogem Oszilloskop, verwedet man ein DSO, kann man schön mit den cursoren hinschrauben und ablesen. Dumm ist nur, daß man das IC vorher kostenaufwändig beschaffen muß. Nimmt man mal die LM339 Komparatoren als Beispiel, ist bei "100-mV input step with 5-mV overdrive " etwa mit 1,3 µs Verzögerungzeit zu rechnen. Beim LM3914 rundet man besser auf 1,5...2 µs auf. Übernimmt der µC die Werte etwa danach oder besser gegen Ende der 10µs Pulse, könnte die Erfassung klappen. Versuch macht kluch. mfg
H. H. schrieb: > Schon daneben. ??? Na gut. Durch schlechte Montage 20 pF. Auch dann 65 kOhm deutlich mehr als üblichen 20 bis 50 kOhm :)
Christian S. schrieb: > Nimmt man mal die LM339 Komparatoren als Beispiel, ist bei "100-mV input > step with 5-mV overdrive " etwa mit 1,3 µs Verzögerungzeit zu rechnen. > Beim LM3914 rundet man besser auf 1,5...2 µs auf. Ich würde das sicherheitshalber am konkreten Exemplar ausmessen. Denn wenn ich als Ingenieur so einen Treiber für eine optische(!) Anzeige konstruieren müsste, dass hätte ich immer im Hinterkopf, dass kein Mensch wesentlich schneller als mit 100Hz gucken kann.
Michal P. schrieb: > Abfangen von hohem UDS habe ich schon konzipiert, vereinfacht > geschrieben hochimpedante Buffer mit MOhm-Widerständen zu D-S verbunden. MOhm? Na dann mache mal eine schöne Frequenzkompensation, damit Du die 10µs trotz Parasitär-Kapazitäten noch mit ausreichender Genauigkeit schaffst ...
Michal P. schrieb: > Abfangen von hohem UDS habe ich schon konzipiert, vereinfacht > geschrieben hochimpedante Buffer mit MOhm-Widerständen zu D-S verbunden. Da würde mich mal die konkrete Schaltung interessieren. Ich kann mir da beim besten Willen nichts vorstellen, was dem Mosfet im Fall einer Überspannung noch helfen könnte. Denn da gibt es innerhalb weniger ns einen kleinen Blitz im Silizium und der Schaden ist da.
Lothar M. schrieb: > Michal P. schrieb: >> Abfangen von hohem UDS habe ich schon konzipiert, vereinfacht >> geschrieben hochimpedante Buffer mit MOhm-Widerständen zu D-S verbunden. > Da würde mich mal die konkrete Schaltung interessieren. Ich kann mir da > beim besten Willen nichts vorstellen, was dem Mosfet im Fall einer > Überspannung noch helfen könnte. Denn da gibt es innerhalb weniger ns > einen kleinen Blitz im Silizium und der Schaden ist da. So habe ich mir die Diagnose vorgestellt: Jetzt denke ich es könnte wirklich sein, dass beim ~ 10 µs Durchschalten des MOSFETs sich der RC-Glied am Eingang des Buffors nicht schnell genug umlädt. Habt ihr andere Idee für einen Kontrollmechanisums der sicherstellt dass entsprechende Switches in entsprechenden Zeiten entsprechend niederohmsch wirklich leiten?
Michal P. schrieb: > So habe ich mir die Diagnose vorgestellt: Was willst du denn da auswerten ? Taugt weder für DS-Spannung noch für Strom. Ja, es gibt eine Überstromabschaltung für MOSFETs durch einen Komparator. Aber der nutzt einen shunt um den Strom zu messen und schaltet direkt den Treiber ab, in möglichst 1us, denn sonst müsste man mit viel zu viel Induktivität am Drain für eine viel langsamere Stromanstiegsgeschwindigkeit sorgen. Deine Schaltung mag zwar irgendwas messen bis 12V, aber du scheinst auf dem Holzweg zu sein dass du damit irgendwas schützen kannst.
Ich denke ich muss mich nur mit einem verlangsamten Selbsttest am Neustart des Geräts zufriedenstellen, und dann während des Laufs vielleicht nur noch MOSFETs Temperaturen überwachen
Michael B. schrieb: > Was willst du denn da auswerten ? war am Anfang: Zur Anwendung: Multilevel Inverter, AC-Spannung aus seriellem Batterienstrang. Ich wollte bei einem nur sehr kurz durchgeschaltetem MOSFET (bis zu ~50 A, bidirektional möglich!) jeweils den Spannungsabfall (~Ron) erfassen und mit LEDs darstellen, um bei einer Gruppe von ungefähr 50 (!) solcher Switches eventuel Alterungserscheinungen zu diagnostizieren. Kontrollmechanismus der sicherstellt dass entsprechende Switches in entsprechenden Zeiten entsprechend niederohmsch wirklich leiten.
Michal P. schrieb: > um bei einer Gruppe von ungefähr 50 (!) solcher > Switches eventuel Alterungserscheinungen zu diagnostizieren. Nochmal: wie kommst du darauf, dass der Rdson bei Mofets irgendwie mit irgendeiner Alterung (oder nennen wir es besser Degradation, denn älter wird der Mosfet auch, wenn er völlig unbelastet im Lager liegt) korreliert?
Ich arbeite bei einem Halbleiterhersteller und Rdson ist der sensitivste Parameter welcher auf Delaminationen / Degradierung der Schichten (zb. Siliziumrückseite-Leadframe) des MOSFETs reagiert. Vielleicht bin ich aber überempfindlich und solch eine Diagnose schaltungstechnisch gar nicht angewendet wird? Man verlässt sich darauf dass der MOSFET für immer und ewig seine Arbeit mit unveränderten Parametern erledigt, auch wenn es sehr schnelles Umschalten von großen Strömen ist? Wenn es so ist dann ist es auch ein Input für mich. Dann würde ich nur einen Selbsttest von allen Switches in besser kontrollierbarem Setup (Teststrom und Messung der Schaltzeiten + Rdson in entspannter ms Zeit) nur beim Neustart konzipieren.
Michal P. schrieb: > Man verlässt sich darauf dass der MOSFET für immer und ewig seine Arbeit > mit unveränderten Parametern erledigt, auch wenn es sehr schnelles > Umschalten von großen Strömen ist? Ja, so wie bei allen anderen Bauteilen auch. Man sorgt dafür, dass man im grünen Bereich der Spec bleibt und lebt mit der MTBF, die der Hersteller dokumentiert hat. > Dann würde ich nur einen Selbsttest von allen Switches in besser > kontrollierbarem Setup (Teststrom und Messung der Schaltzeiten + Rdson > in entspannter ms Zeit) nur beim Neustart konzipieren. Bringt nur was, wenn du dir sicher bist, dass deine Messschaltung eine bessere MTBF hat und die Messergebnisse auf Dauer verlässlich sind. Nichts ist blöder, als laufend eine Warnung oder eine Fehlermeldung, obwohl noch alles passt. Wenn tatsächlich ein Problem wegen des Mosfets oder wegen sonstwas auftritt, dann muss sowieso eine zusätzliche Absicherung daür sorgen, dass nichts abbrennt. Und genau dann muss der Halbleiter ausgetauscht werden. Und richtig: eine Temperaturüberwachung ist bei Leistungshalbleitern nicht falsch.
Michal P. schrieb: > Jetzt denke ich es könnte wirklich sein, dass beim ~ 10 µs Durchschalten > des MOSFETs sich der RC-Glied am Eingang des Buffors nicht schnell genug > umlädt. Ich habe mal ein paar Bauteile willkürlich gegriffen, weil ich die Datenblätter gerade rumliegen habe. BAT41: 2pF CA3140: 4pF Damit hast du mindestens 8pF Kapazität am Buffereingang, mit 1MΩ hast du dann schon ein τ von 8µs … da wird der Buffer mit ziemlicher Sicherheit nicht mehr schnell genug dem zu messenden Wert folgen.
Bitte melde dich an um einen Beitrag zu schreiben. Anmeldung ist kostenlos und dauert nur eine Minute.
Bestehender Account
Schon ein Account bei Google/GoogleMail? Keine Anmeldung erforderlich!
Mit Google-Account einloggen
Mit Google-Account einloggen
Noch kein Account? Hier anmelden.

