Hallo miteinander, ich mache aktuell bei einem Projekt für die Hochschule mit, wo wir einen Audiomixer bauen, was auch bis jetzt sehr gut funktioniert. Für das LED Metering haben wir eine Schaltung aus einem Buch in LTSpice nachgebaut (siehe Screenshot). Unten links haben wir eine Konstantstromquelle und darüber ist eine Schaltung, die uns den Effektivwert des Eingangssignals gibt. Vor den LED haben wir Komperatoren, die bei nebenstehenden Spannungen switchen. Ich habe die Schaltung so verstanden, dass 0,08V bei dem untersten Komperator LM9 diesen Umschalten und somit nun +12V an der Anode und -12V an der Kathode der LED D12 anliegen. Jedoch haben wir dann eine Spannung von 24V über diese LED, was diese doch sofort zerstören würde, oder etwa nicht? Deswegen haben wir diese Schaltung Mal simuliert und sehen, dass der OpAmp beim Schalten nur von -12V auf -11,3V schaltet, also nur genau 0,7V für die LED bereitstellt, damit diese leitet. Meine Frage ist, ist unsere Simulation falsch oder switched der OpAmp wirklich nur auf -11,3V und wenn ja, warum tut er das?
David schrieb: > Ich habe die Schaltung so verstanden, dass 0,08V bei dem untersten > Komperator LM9 diesen Umschalten und somit nun +12V an der Anode und > -12V an der Kathode der LED D12 anliegen. Der LM339 ist open-collector und kann daher keine +12V anlegen. Schau mal ins Datenblatt auf die Innenschaltung.
Als Übungsobjekt OK, aber ich würde das mit weniger Ausgängen bauen. Spart Geld und Arbeit, ohne dass der Lerneffekt darunter leidet. In der Praxis würde man dazu ein fertiges IC verwenden oder einen Mikroconroller. Peter D. schrieb: > Der LM339 ist open-collector und kann daher keine +12V anlegen. Oder anders gesagt: Die Komparatoren sollen den Leuchtdioden ihren Strom weg nehmen.
Monk schrieb: > Als Übungsobjekt OK, aber ich würde das mit weniger Ausgängen bauen. > Spart Geld und Arbeit, ohne dass der Lerneffekt darunter leidet. Wir wollten 10 LED haben, aber das sollte ja keinen Einfluss darauf haben, wie die Schaltung funktioniert. > Peter D. schrieb: >> Der LM339 ist open-collector und kann daher keine +12V anlegen. Die Komperatoren sind alle LM2901. Ich versuche nur zu verstehen, warum über einer LED nicht 24V liegen.
David schrieb: > Komperatoren Das kommt vom lateinischen compare und schreibt sich Komparator. > Ich versuche nur zu verstehen, warum über einer LED nicht 24V liegen. Weil die meiste Spannung dieser 24V am Q1 abfällt, der der Hauptbestandteil so einer Konstantstromquelle ist: - https://www.elektronik-kompendium.de/sites/slt/0210253.htm
Lothar M. schrieb: >> Ich versuche nur zu verstehen, warum über einer LED nicht 24V liegen. > Weil die meiste Spannung dieser 24V am Q1 abfällt, der der > Hauptbestandteil so einer Konstantstromquelle ist: > - https://www.elektronik-kompendium.de/sites/slt/0210253.htm Inwiefern sorgt die Konstantstromquelle dafür, dass nur 0,7V an der LED abfällt?
David schrieb: > Inwiefern sorgt die Konstantstromquelle dafür, dass nur 0,7V an der LED > abfällt? Mit 0,7V würde keine LED leuchten. Die Konstantromquelle sorgt dafür, dass durch die LEDs ein Strom von etwa 0,7 V / 100 Ohm = 7mA fließt. Und dank der lediglich 7mA macht es nichts aus, wenn die Komparatoren Teile der LED-Kette gegen -12V "kurzschließen". Einfach mal ein paar Stunden (oder eben so lange bis der Groschen gefallen ist) über die 5 Bauteile nachgrübeln. Oder im Zweifel sogar nur diesen Schaltungsteil simulieren.
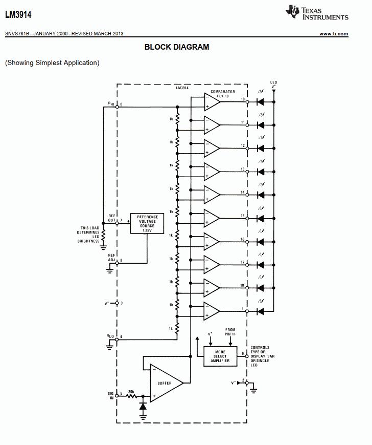
Matthias S. schrieb: > So wirds im LM3914 gemacht, Hmmm... da haben alle LEDs eine gemeinsame Anode, ... > den ihr fast nachgebaut habt. ... während sie beim 'Nachbau' in Serie geschaltet sind. Also doch nur sehr fast. ;)
Michi S. schrieb: > Also doch nur sehr fast. ;) Das sollte eigentlich ein Wink mit dem Zaunpfahl sein. Die Jungs bei NatSemi haben sich damals nämlich Gedanken gemacht.
Matthias S. schrieb: > So wirds im LM3914 gemacht, den ihr fast nachgebaut habt. Beim U2X7BG wird's sogar exakt genauso gemacht wie beim TE, weil da die LEDs ebenfalls über eine Konstantstromquelle laufen. Bei 10 LEDs sind die 24V Versorgungsspannung deshalb auch schon mindestens erforderlich.
David schrieb: > und darüber ist eine Schaltung, die uns den Effektivwert des > Eingangssignals gibt. Kein Effektivwert, aber immerhin ein aktiver Gleichrichter mit RC-Tiefpass, der einen Mittelwert bildet. David schrieb: > Vor den LED haben wir Komperatoren, die bei nebenstehenden Spannungen > switchen. "schalten", sie können nur ein-/ausschalten, und zwar den Ausgang zur negativen Betriebsspannung. Oder eben gar nicht leiten, letzteres kann ein normaler OpAmp nicht. Die Spannung am "Messpunkt" muss alle invertierenden Eingänge treiben, also alle Komparatoreingänge tauschen; jeweils invertierenden mit nicht-invertierenden. Dann funktioniert auch die Schaltung, wie auch die Simulation. David schrieb: > ist unsere Simulation falsch oder switched der OpAmp der Komparator! kann nur eine Polarität an seinem Ausgang "liefern", eben Minus.
David schrieb: > oder switched der OpAmp wirklich nur auf -11,3V und wenn ja, warum tut > er das? Ein OpAmp soll linear verstärken. Das tut er nur in einem Bereich zwischen den Versorgungsspannungen (+/-12V) abzüglich einer Restspannung, mit 0.7V liegt der LM324 schon gut, konventionelle wie uA741 brauchen 2.5V und Rail-To-Rail wie LT1638 kommen mit 0.05V Verlust aus. Besser fahrt ihr also mit Komparatoren wie LM339. Aber wenn euer VU Meter korrekt arbeiten soll, reicht nicht das Aufblitzen von LED sondern man muss mehr beachten, siehe: https://dse-faq.elektronik-kompendium.de/dse-faq.htm#F.30.2
Bitte melde dich an um einen Beitrag zu schreiben. Anmeldung ist kostenlos und dauert nur eine Minute.
Bestehender Account
Schon ein Account bei Google/GoogleMail? Keine Anmeldung erforderlich!
Mit Google-Account einloggen
Mit Google-Account einloggen
Noch kein Account? Hier anmelden.


