Ich verkaufe einen Eigenbau-Sinusgenerator, den ich selbst mal erworben und restauriert habe. Stammt geschätzt aus der Zeit zwischen 1965 bis 1975. Es gibt hier auch einen Thread dazu, wo ich die passenden Transistoren suchte. Ich hatte meinen Spaß mit dem Teil, habe genug damit gespielt und jetzt will ich es verkaufen. Meinen Plan es mit anderen Geräten in eine Vitrine zu stellen habe ich aufgegeben. Ich stelle mir 25€ zzgl. Versand vor. Schaltpläne gibt es dazu. Ich beantworte JEDE Nachricht. Solltet ihr keine Antwort von mir erhalten, kam eure Nachricht nicht bei mir an. Dafür kann ich nichts.
:
Bearbeitet durch User
Damals hatte man noch Zeit und Geduld, da wurden die Drähte genauso sorgfältig verlegt wie Heizungsrohre.
Tim 🔆 schrieb: > Es gibt hier auch einen Thread dazu, wo ich die passenden Transistoren > suchte. Beitrag "[S] ACY23, ACY33, AFY18"
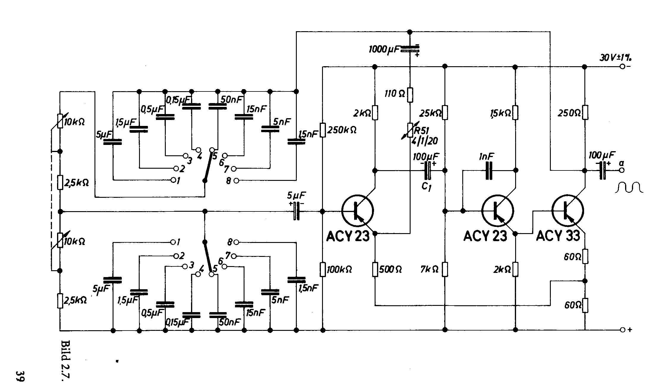
Die Schaltung habe ich in irgendeinem Elektronikbuch aus den frühen 70ern. Wienbrücke mit Thermistor oder ähnlich. mfg
Christian S. schrieb: > Die Schaltung habe ich in irgendeinem Elektronikbuch aus den frühen > 70ern. > Wienbrücke mit Thermistor oder ähnlich. > > mfg https://web.archive.org/web/20180508143245/http://www.rainers-elektronikpage.de/SIEMENS-Fach---u_-Datenbucher/SIEMENS-Schaltbeispiele/SIEMENS_Halbleiter_April_1965.pdf
Bitte melde dich an um einen Beitrag zu schreiben. Anmeldung ist kostenlos und dauert nur eine Minute.
Bestehender Account
Schon ein Account bei Google/GoogleMail? Keine Anmeldung erforderlich!
Mit Google-Account einloggen
Mit Google-Account einloggen
Noch kein Account? Hier anmelden.






