Es geht um den DC-DC wandler SH-PWS33 der mit einer 3.3V PWM angesteuert werden soll. Dazu habe ich mal einen Schaltplan davon erstellt. Der 12V Buckregler ist im Bild part.jpeg oben zu sehen. Da Ganze funktioniert auch soweit gut. Nur interessiert mich aber trotzdem die Funktion des 8-polige Chip (SO8 3.9x4.9) rechts neben der Induktivität. Hat jemand eine Idee dazu? (Die angelöteten Drähte dienten nur zu Testzwecken. Nicht davon irritieren lassen)
Das unbekannte IC im PDF ist ein High/Low Side Gate Treiber. C14 und D1 sind die Charge Pump für den oberen Transistor, da sollten ca. 10V relativ zum Mittelabgriff zwischen den Ausgangstransistoren anliegen. Die DC Messwerte an allen schaltenden Pins sind aussagefrei, die besser weglassen. Die Oszi Messungen für Pin 5 und 7 erscheinen mir komisch, an 5 sollte "Pin 2 mit 0V bis 40V" und an Pin 7 müsste "Pin 2 mit 0V bis 10V" sein.
Harald A. schrieb: > so wie hier vlt: Der IRS2004 passt. Danke Dir! K. S. schrieb: > Die DC Messwerte an allen schaltenden Pins sind aussagefrei, die besser > weglassen. Würde ich so nicht sagen. Damit kann man überprüfen ob die Oszi Werte dazu passen. Evtl. habe ich mich da ja vertan, aber der Tip von Harald reicht mir. Auch Dir Danke!
H. H. schrieb: > Die Gateansteuerung ist so nicht plausibel. Stimmt, das sieht merkwürdig aus. Werde ich bei Gelegenheit mal nachschauen.
Beitrag #8016497 wurde vom Autor gelöscht.
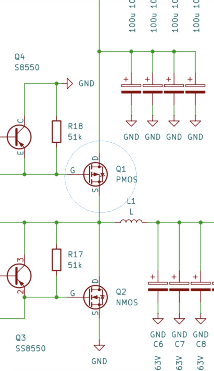
Hier mal die Korrektur. Bei 2 N-channel MOSFets macht das wieder Sinn. Da stand ich etwas auf den Schlauch. Alle Bauteile waren abgeschliffen. Den 12V Buckregler auf dem PCB habe ich mir gespart. Zwar immer noch eine etwas ungewöhnliche Schaltung, aber so sollte es funktionieren.
Andreas B. schrieb: > Zwar immer noch eine etwas ungewöhnliche Schaltung, Bestimmt nicht. > aber so sollte es funktionieren. Nö.
Andreas B. schrieb: > H. H. schrieb: >> Nö. > > Dann tu doch nicht so geheimnisvoll. Hättest ja auch mal die Funktion analysieren können.
H. H. schrieb: > Hättest ja auch mal die Funktion analysieren können. Stimmt, Asche auf mein Haupt. Das sieht jetzt wirklich viel besser aus. So verstehe ich die Schaltung auch. ;-)
Bitte melde dich an um einen Beitrag zu schreiben. Anmeldung ist kostenlos und dauert nur eine Minute.
Bestehender Account
Schon ein Account bei Google/GoogleMail? Keine Anmeldung erforderlich!
Mit Google-Account einloggen
Mit Google-Account einloggen
Noch kein Account? Hier anmelden.




