So habe gerade die Grundschaltung für meinen PIC ohne auf feinheiten zu achten fertig gestellt. Da ich bei der Erstellung der Stromversorgung und beim Anschluß des FT hilfe hier aus dem Forum hatte (die mich sehr weiter gebracht hat) dachte ich ich stell die Schaltung mal hier ein. Vielleicht kann ja mal einer drüber schaun und es hat vielleicht auch jemand verbesserungs vorschläge (für die ich immer offen bin), oder findet vielleicht auch noch einen Fehler den ich übersehn habe. Die Schaltung soll mal in meinem Auto laufen und ein Grafik Display steuern, auf dem mehre Werte erscheinen sollen wie: Öl Temperatur, Öl Druck, Lade Druck, Bordspannung, Drehzahl, Wassertemperatur, spielerein wie GPS Koordinaten (je nach realisierbarkeit) und einiges mehr. Die beschaltung dieser Funktionen ist jedoch bis jetzt noch nicht in der Schaltung vorhanden. Da ich die im Fahrzeug vorhandenen Sensoren weitestgehend benutzen möchte, (jedoch ohne aus Sicherheitsgründen den ganzen Kabelbaum aufzutrennen) Auserdem soll das ganze auch durch Optokopler komplett von der Fahrzeugelektrik getrennt erfolgen. Aber das wird wohl noch ne weile dauern. (Fehlen noch die Ideen) Wäre schon mal froh wenn mir jemand sagen könnte das die Schaltung so wie sie jetzt ist erstmal funktionieren könnte. Vielen Dank im voraus. Gruß Mathias.
Hallo Mathias, Also im Ansatz net schlecht! Wie groß soll die Platine werden? Was ist das für ein PIC? Und wie willst du die Platine herstellen und vorallen wie willst du einen solchen µC selbst verlöten. Denn die herstellung als einzel Stück bei einer Firma und das aufsetzen des PIC`s wird dich ein kleines vermögen Kosten.
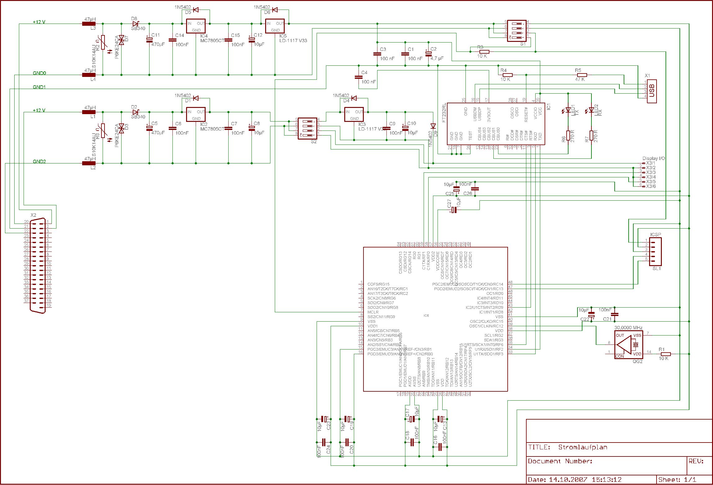
Was soll das mit den verschiedenen GNDs? Es gibt auch GND-Symbole. Warum der Quatsch mit den doppelten Spannungsreglern? Die 10µF am PIC sind auch unnötig.
Hallo, also die verschieden GND´s habe ich einfach zur Leiterbahn entlastung auf der späteren Platine werden sie dann auch einzeln sein oder vielleicht wird es auch eine große Massefläche geben. wie eben am anfang gesagt, Ohne Feinheiten. Mehrere Spannungswandler aus dem Grund das ich nichts gefunden habe für 10- 15V wo ich am Ende stabile 3,3V habe und durch die Trennnung habe ich den vorteil das ich die entstehende Wärme nicht an einnem Punkt abführen muß. Die Zweite Stromversorgung ist nur für das Display wahlweise 5V der 3,3V einfach um den anschluß des displays zu vereinfachen. so habe ich ein Kabel zum display. Und nicht eins zum Display und eins diurchs Cockpit um extra Strom zum Display zu bringen. Ich weiß das es GND Symbole gibt aber jeder zeichnet anders ich mache das halt so. Gruß Mathias
Hallo Robert, Der PIC ist ein dsPIC33FJ256GP506. Die PLatinen größe steht noch nicht fest, So klein wie möglich so groß wie nötig. ;-)) Das Layout schaffe ich hoffentlich selber zumachen die herstellung übernimmt ne kleine Firma hier im Ort die sowas macht die haben mir auch angeboten den PIC aufzulöten mal sehen ob das was wird. Uber den Preis wurde noch nicht gesprochen aber ichb hoffe es bleibt im Rahmen.
Ich würde sagen das kommt dich richtig teuer.... Kann man sowas nicht schon fertig kaufen?
Fertig Kaufen kann jeder. Es gibt aber noch Leute die sowas selber bauen wollen und sich nen kopf machen. Zum Glück!!! Sonst wäre das ein recht leeres und einsames Forum! :-))))
Was ich nicht verstehe sind die beiden Netztteile nicht etwas übertrieben? Würde ja auch ein einziges ausreichend Groß dimensioniertes für die gesamte Schaltung tun oder? Das würde den Bauteil aufwand sehr reduzieren. Welchen 10µF meinst du Obelix zumindest der am VDDCore ist so vogeschrieben laut Datenblatt. Und der rest kann glaube ich nicht schaden oder liege ich da falsch.
Also ich wäre auch für eine einzige Spannungsversorgung schon der Bauteil einsparung wegen. Wofür hast du eigentlich einen USB anschluß und einen Programmieranschluß. Willst du auch einen Pc anschließen?
Warum hat das Display eine eigene Masse, welche nichts mit der µC Masse zu tun hat. R1 am Quarzoszillator führt nur zur Fehl/Nichtfunktion.
Da muß ich Gast recht geben. So Schwingt der zu 99% nicht an. Das das Display ne eigene Masse hat sehe ich aber nicht als problem an Da bei einen einbau im Auto eh alle Masse punkte zusammen laufen ob nun auf der Platine oder erst am Massepunkt der Karosse ist doch eigentlich egal. Oder?
Also ich hab da mal gelesen. Im Datenblatt des LD1117V33 steht das er bis zu 15 V input verträgt. Die Lima im Auto bringt bei vollast max. 14,8 V Wozu also vorher der 5V Regler?
Bitte melde dich an um einen Beitrag zu schreiben. Anmeldung ist kostenlos und dauert nur eine Minute.
Bestehender Account
Schon ein Account bei Google/GoogleMail? Keine Anmeldung erforderlich!
Mit Google-Account einloggen
Mit Google-Account einloggen
Noch kein Account? Hier anmelden.
