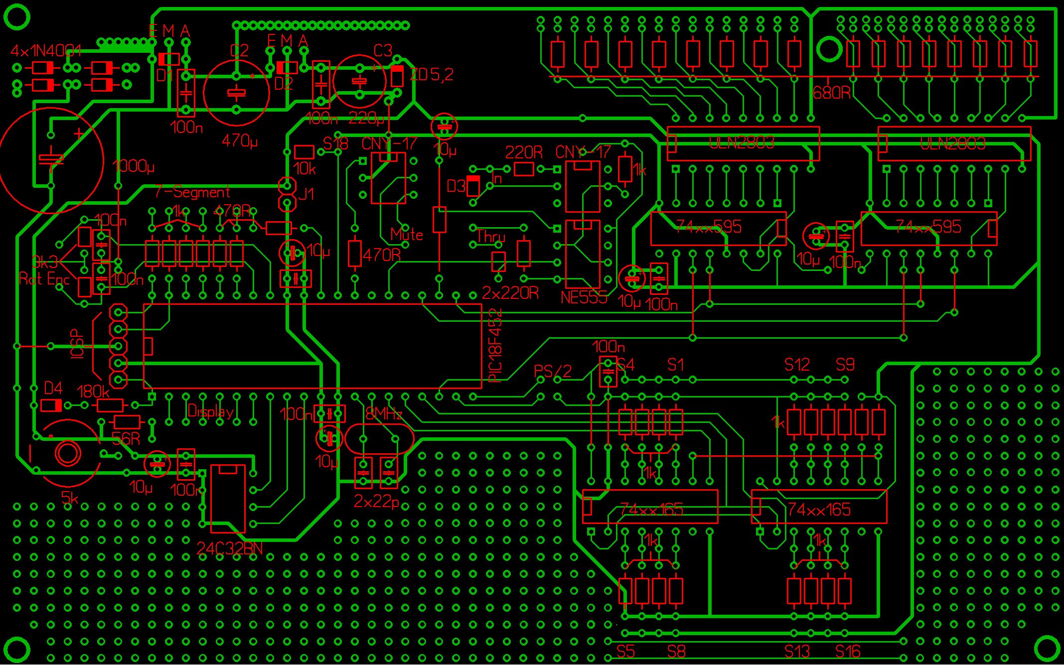
Hi Leute, ich hoffe ich nerve nicht damit. Würde mich sehr freuen wenn jemand vielleicht ein paar Worte zu meinem Layout sagen könnt. Grüße, Jens
nicht übel.... wo du kannst, die Leiterzüge noch eine Nr. dicker Ach ja, du hast nach dem Spannungsregler eine ziemlich große Kapazität 220u + die ganzen 10u parallel zu den 100n - das ist dem Regelverhalten des Spannungsreglers nicht unbedingt zuträglich (und auch nicht nötig)...
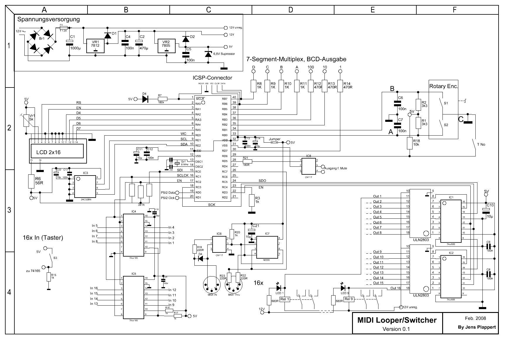
ach ja, ich habe keine Schaltung..aber du hast offensichtlich 2 Spannungsregler hintereinander(?) (der 2. ist 5V?) - was soll die 5.2V Z-Diode ???
Dankeschön. Nun soll man ja einige ICs nochmal mit 10µ Stützen, andere brauchen das nicht. Meinst du in dem all genügt es das einfach für den EEPROM und den NE555? (Der is hier als Trigger beschaltet und sollte deswegen gestützt sein)
Sorry aber bei der Farbwahl wird einem Uebel beim Betrachten. Vielleicht solltest auch noch nen Schaltplan mit zufuegen.
da hat sich ja schon was geändert... wozu ist D3? Als Notbremse, falls der 7805 abraucht? Mal von der Sinnhaftigkeit abgesehen, bräuchtest du dann noch einen Vorwiderstand....
Hast Du die Bruecken auf dem Toplayer in Dimension gezeichnet, weil die alle weiss sind? Da kann man nicht ganz folgen...
D3 war eigentlich nur zum kurzfristigen Schutz für den Controller gedacht, falls es beim Einschalten mal ne kurze Spitze gibt. Die Brücken sind auf dem Bestückungsaufdruck-Layer.
Was meint ihr jetzt weiterhin zu den Kondensatoren? Der 220µF nach dem zweiten Regler ist ja schon draussen.
Hallo, Jens Plappert, meine Vorschläge / Anmerkungen: - Leiterbahnen für Versorgung etwas spendabler (breiter); - Br1 ( Gleichrichterbrücke ) ist falsch gepolt - D3 eher weglassen, Z-Diode D3: eher weglassen, 5,2V kein Normwert, allenfalls eine mit 6,2V nehmen - R21 sollte wohl 180 Ohm sein (?) - Relais mit Freilaufdioden beschalten, falls nicht in IC's vorgesehen - Vorwiderstände für LED1 / LED9 usw. => 1kOhm sollte reichen - S3 Taster => keine Entprell-Vorrichtung nötig ? Viel Spass !
Hallo Nicht_neuer_Hase. Danke für deine Antwort! Nicht_neuer_Hase wrote: > Hallo, Jens Plappert, > > meine Vorschläge / Anmerkungen: > > - Leiterbahnen für Versorgung etwas spendabler (breiter); Wird gemacht > - Br1 ( Gleichrichterbrücke ) ist falsch gepolt > Uuups, sehs grad, ist im schem falsch rum. .... Und auf der Platine auch. Hmpf. > - D3 eher weglassen, Z-Diode D3: eher weglassen, 5,2V kein Normwert, > allenfalls eine mit 6,2V nehmen > Dann werd ich sie wohl weglassen. Der Normwert wäre dann 5,4 oder? Würdest du evtl den nehmen? > - R21 sollte wohl 180 Ohm sein (?) > genau, hab mich vertippt > - Relais mit Freilaufdioden beschalten, falls nicht in IC's vorgesehen > Freilaufdioden sind in den ICs vorhanden > - Vorwiderstände für LED1 / LED9 usw. => 1kOhm sollte reichen > Habe ich extra recht groß Dimensioniert. Die LEDs sitzen in Schaltern hinter buntem Plastikglas. > - S3 Taster => keine Entprell-Vorrichtung nötig ? > S3 wird nur in bestimmten Situationen im Menü gebraucht, bei denen es dann auf Zeit wirklich nicht ankommt. Wollte ich dann in Software entprellen. > Viel Spass ! Danke sehr! Was würdest du zu den 10µF Kondis sagen? Eher weglassen? Oder nur am EEPROM , Controller und NE555 lassen, oder einfach so lassen wies ist? Vielen Dank nochmals und liebe Grüße, Jens
Achso, S3 ist ja der Schalter der die 16 repräsentiert. Der Der wird ja über die ICS eingelesen, und das geschieht nicht allzuoft, sollte also genügen.
Für die Diode D3 wird normalerweise eine Transil oder Transzorb Diode verwendet http://www.reichelt.de/?;ACTION=6;LA=3;ARTICLE=42010;GROUPID=3000;GROUP=A46;SID=29L2-gaKwQAR0AACUmnxw89665aeda0104dc2fa939dfa1e52dcc9 Gruss Helmi
Also, Du solltest für den I2C-Bus zum EEPROM für scl und sda Pull-up spendieren für wc auch. D3 auf jedenfall drin lassen. Eine 1N4148 in Kombination mit 10k reicht. Um Deine Frage nach den STützkondensatoren noch mal zu beantworten: Die schaden nie. Helfen aber nur wenn sie im Layout auch so gesetzt werden das der Strom über die Pads der Kondensatoren fließen "muss". Layout habe ich mir jetzt erstmal nicht angeguckt...
D3 im "neuen" Schaltplan war vorher D4. Die bleibt klar drin. Helmi, bezieht sich deine Antwort jetzt auf die MCLR-Diode oder die Zener (ehemalige D3)? Würdest du mir vielleicht kurz erklären warum man da solche Dioden verwenden würde?
Du hast im Schaltplan zwei Netze EN benannt...??? Die würden verbunden werden wenn Du ein Board generierst....
Die bezieht sich auf deine Z-Diode. Für so etwas nimmt spezielle diese Dioden. Für dein anwendungsfall ist die 6.8V Type geeignet weil die meisten IC für 5V eine maximale Spannung von 7V aushalten. Du solltes aber noch in der Zuleitung eine Sicherung vorsehen. Wenn diese Diode überlastet wird bildet sie normalerweise einen Kurzschluss. In professionellen Geräten werden solche Diode häufig eingesetzt sie können schon mal teuere Bauteile im Falle eines Netzteilfehlers retten. Gruss Helmi
Diese Transil- oder Transobdioden sollen, ich drücke es mal so aus, ESD Impulse "schlucken". Vielleicht legst Du dann noch eine Diode vor den ersten Spannungsregler. Wenn man jetzt das im Bastelbereich noch berücksichtigen will, dann mußte dir auch noch mal deine Eingänge und Ausgänge ansehen. Die Stützkondensatoren an den ICs sollten so angebracht sein: Quelle -> Kondensator -> IC. Bei dir ist es Teilweise so, dass die Spannung direkt auf das IC geht und der Stützkondensator so mit dran hängt... irgendwo. (Soll nur ein Tip sein)
@ Sascha: Ich hab das alles mit Sprint geroutet, deswegen gibt es den Übergang schem/board nur in meinem Kopf ;-) Die Freilaufdioden sind in den Treibern mit drin. Ich weiss dass die Kondensatoren teilweise etwas ungünstig dranhängen. Hab sie dann aber wegen "des guten gewissens" doch reingemacht. Das mit den Transildioden muss ich mir dann nochmal ansehen. Da das Board vielleicht mal ein Bausatz werden soll, wäre diese Überlegung bestimmt nicht verkehrt.
1 x 10u an den 5V reichen, die restlichen 100n sind ok. Hast du eigentlich recht gut gemacht (man hast du einen Platz... mach nur die Leiterzüge dicker (so dick wie der Platz reicht!)!!!!
Leiterzüge sind jetzt auf 0,35mm bzw 0,55 in der Spannungsversorgung. Sollte iegtnlich reichen, oder? Wollte nicht über 0,35 wil ich Fräse, und es somit bei den Leiterbahnen zwischen den IC-Pins nicht reichen würde, ich aber wegen der Optik gerne max 2 Dicken nehmen würde. Es sei denn es spricht natürlich noch was dagegen.
Nochmal wegen den Transildioden, die machen doch im 5V-Zweig mehr sinn als im 12V-Teil, oder? Benötigen solche noch einen Widerstand? Vermute ja schon, oder?
>Nochmal wegen den Transildioden, die machen doch im 5V-Zweig mehr sinn >als im 12V-Teil, oder? JA >Benötigen solche noch einen Widerstand? Vermute ja schon, oder? Nein , bei 6.8V fliesst noch kein Strom aber du solltest eine Sicherung vorsehen Gruss Helmi
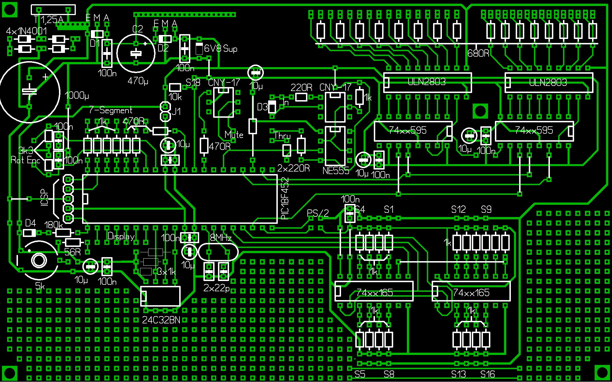
Und das Board. Gibts noch Anregungen? Auf jeden Fall vielen Dank für eure Hilfe!
schon sehr schön... Meine (pers.) Meinung: hau die Z-Diode (6,x) in die Tonne...sie schadet alledings auch nix (nutzen tut sie allerdings auch nix) Scheiß deutsch, ich weiß....
Dankeschön. Naja, die 17 Cent fürs gewissen gönn ich mir (auch wenn die wohl nur fürs gewissen sind). Da das Dingens aber mal einen Bausatz für DIY-Gitarreneektronik-Bastler darstellen soll (Das Teil stellt nen MIDI-Looper dar) denk ich ist das bisschen Sicherheit nun auch nicht so ganz übertriben. Was mich wirklich verwundert ist hier die allgemein recht positive resonanz au das eigentliche Routing. Hätt ich bei meinem Erstlingswerk garnicht erwartet ;-) Mercic nochmal an alle!
is ja auch nicht sooooo schlecht geworden ;-) Glückwunsch, als Erstlingswerk...... meine Layouts sehen heute noch teilweise sehr viel schlechter aus (allerdings bewusst - ich bin Platzspar-Fetischist (jedes DRC erzeugt 1000e Fehler))
Yups... stimmt. Schaut recht ordentlich aus. Ich verstehe nur diese komischen "Bruecken" auf dem Bestueckungslayer teilweise nicht (bei der 7-Segment). Willst Du das Layout selber aetzen? Dann waere es hilfreich, die Clearance zur Masseflaeche noch etwas zu erhoehen, macht Dir das Leben leichter. Nachtrag: Was ist das eigentlich fuer eine Software? Die Pads sehen mir teilweise sehr schmaechtig aus fuer die DILs. Ueberhaupt ziemlich seltsam das alles ;) Lg, Michael
Hab die Maße so hingeknetet dass ichs alles fräsen kann mit den Fräsern die da sind... Da fällt mir ein dass ja noch jemand die Pullups am I2C erwähnt hat, muss ich heut Abend auch mal noch schauen..... Die Brücken dienen mir zur Optik wie Klammern um Zusammenzufassen was zusammengehört. Die Software ist Sprint 5, aber wie gesagt, maße sind selbst umgestrickt.
Jau ich schaetze mal da wirste Probleme bekommen, die Pads sind schon arg mickrig, vor allem beim Bohren wird es die Dir wahrscheinlich wegfetzen.
Hallo Jens Ich gebe dir mal als Tipp ,mach die Loetaugen rechteckig dann bleibt dort mehr Material stehen. Gruss Helmi
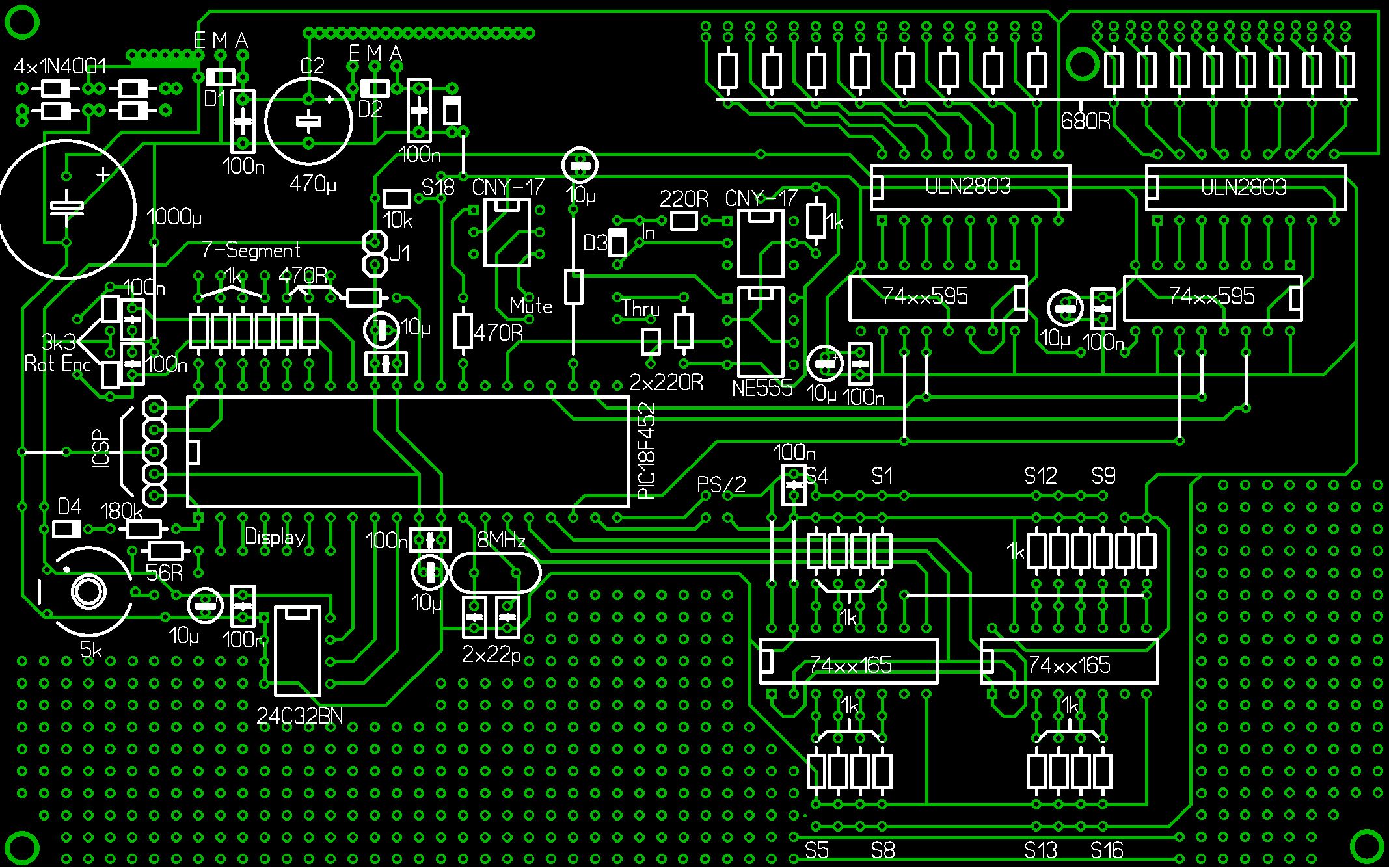
überleg dir mal noch, ob du wc vom EEPROM wirklich am µC brauchst.
achja, wozu brauchst du die ganzen löcher in der leiterplatte?? ;-)
Hmm, stimmt, auf den könnte man eigentlich verzichten.... auf der anderen Seite gibt es recht viele EEPROM-Operationen. Is vl doch nicht ganz so unnötig... hmm...
Schon mal probiert, den 24lc32 um 90 Grad gegen den Uhrzeigersinn zu drehen? Könnte noch etwas Platz sparen. Grüsse Michael
Hallo Jens für die Transzorb- Diode solltes du ein grösseres Rastermass vorsehen (ca 12.5mm und 1.2 Bohrungen) Gruss Helmi
hallo, ich habe mir das mal angesehen. pull-ups am I2C zum EEPROM gibt es aber immer noch nicht...?? oder??
und nur mal so gefragt... die Ausgänge vom µC für das 24C32 sind die Ausgänge für den I2C-Bus...?? Welchen PIC nimmst du?
Ok, die Bauteiltypen stehen im Layout.... ;-) 24c32: SCL und SDA sind "open drain" I/O`s... (pull-ups - ein muss). Siehe Datenblatt. z.B. von Reichelt. RC2 u. RC3 vom PIC ist extra ein I2C-Port... das handling des EEPROM wäre bestimmt einfacher. Die "möchte gerne SPI" für deine I/O-Ports kann man auch so relativ einfach handhaben... da ist der Port nicht zwangsläufig erforderlich. Ich habe mir das Datenblatt (PIC) jetzt nicht wirklich ausführlich durchgelesen, aber vom "Gefühl" her würde ich es lieber ändern...
Ich habe mich so entschieden da ich es eh mit einem Hochsprachencompiler programmiere, aber eben das "SPI" öfter brauche als I2C. Dürte sich nicht viel schenken. Aber die Pullups sind doch mittlerweile mit drin? greets, Jens
Bitte melde dich an um einen Beitrag zu schreiben. Anmeldung ist kostenlos und dauert nur eine Minute.
Bestehender Account
Schon ein Account bei Google/GoogleMail? Keine Anmeldung erforderlich!
Mit Google-Account einloggen
Mit Google-Account einloggen
Noch kein Account? Hier anmelden.








