Hallo guten Abend Ich habe das Problem das Ich das Signal vom Pc zum µC nach Möglichkeit galvanisch trennen möchte. Nur wie, habe schon an Optokoppler gedacht... Kann mir jemand auf dem gebiet weiterhelfen? Im Anhang die Grundschaltung PC-µC.
Nur gut, dass Du (wie hier üblich) kein einziges Wort drüber verlierst... ..um welches Signal es sich handelt ..welche Pegel ..welche Frequenzen ..welche Richtungen ..etc. Sonst könnte Dir am Ende noch jemand helfen, und das wirst Du ja nun wirklich nicht wollen. Jochen Müller
@ Thorsten Weber (goalgetter) >Ich habe das Problem das Ich das Signal vom Pc zum µC nach Möglichkeit >galvanisch trennen möchte. DAS Signal? Forum-Fragenformulierung Netiquette >Nur wie, habe schon an Optokoppler gedacht... Ja, mit einem Optokoppler geht das. >Kann mir jemand auf dem gebiet weiterhelfen? >Im Anhang die Grundschaltung PC-µC. http://gidf.de google rs232 optokoppler + 20 Sekunden http://www.gerald-gradl.de/eprojects/multi/body_multi.html MFg Falk
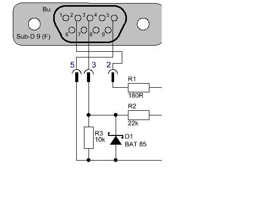
>>Jochen, bei dem Bild kann das doch nur RS232 sein ....
Klar, und...
...wie schnell er es will
...in welche Richtungen
...welche Versorgungsspannungen er hat/will
...welche Pegel (RS232/TTL) er will
das alles sieht man auf dem Bild?
Jochen Müller
ICH GEBS JA EHRLICH ZU WENIGE iNFOS WAR MEIN FEHLER: NACH MÖGLICHKEIT IN ZWEI RICHTUNGEN UND RS232 DIE PICAXE LASSEN SICH DIREKT PROGRAMIEREN: WENN WAS FEHLEN SOLLTE SAGT BESCHEID.....
HEY IST DEINE CAPS LOCK TASTE AUCH IM EIMER?? IST WIE IM REGEN HIER! SHIFT OHNE ENDE!
> IEREN: WENN WAS FEHLEN SOLLTE SAGT BESCHEID..
wenn der pc spinnt, warum kannst du dann punkt und doppelpunkt
schreiben?
Mein Pc steht hier nich zur Debatte! Mir wäre wichtiger eine Antwort auf mein Problem als nur son unnütze Schrott von euch....
ohje, ohje... ich kanns ned anders sagen, sorry. deine antwort findest du von falk im vierten post. soll sie dir einer löten, oder wie darf ich das verstehn?
Bitte melde dich an um einen Beitrag zu schreiben. Anmeldung ist kostenlos und dauert nur eine Minute.
Bestehender Account
Schon ein Account bei Google/GoogleMail? Keine Anmeldung erforderlich!
Mit Google-Account einloggen
Mit Google-Account einloggen
Noch kein Account? Hier anmelden.
