Hallo, ich hab nen Problem mit der Kombination L297 L298 ich hab die Schaltung wie am Anhang aufgebaut, doch es will nicht... Die Outspannung am 298er sind grad mal 5V. Wo liegt der Fehler? Ich suche schon fast zwei Stunden?
> Die Outspannung am 298er sind grad mal 5V.
Bei welcher Versorgungsspannung?
Von wo gegen wo gemessen?
BTW:
Schau dir deinen Schaltplan mal an :-/
Könntest du nicht versuchen, den auf 1 Seite zu bekommen?
Wer dir helfen will, soll ja nicht auch noch ein Puzzle lösen, oder?
Jetzt auf die schnelle sehe ich kein Problem mit dem Puzzel. Was hast du für eine Versorgungsspannung? Also welche Spannung liegt bei X1-1 an?
Andreas Riegebauer wrote: > Jetzt auf die schnelle sehe ich kein Problem mit dem Puzzel. > > Was hast du für eine Versorgungsspannung? Also welche Spannung liegt bei > X1-1 an? anscheinend schon... steht auf Seite 2 -> 12V
> Von wo gegen wo gemessen? Und vor allem: wie gemessen? Mit dem Oszi? Mit dem Multimeter? EDIT: > BTW: > Schau dir deinen Schaltplan mal an :-/ ... EDIT2: Du kannst in Eagle einen Zoom-Faktor zum Ausdruck angeben, setz den mal auf 0.5 dann dürfte das passen.
irgendwie will der das nicht auf A4... Die 5V habe ich mit dem Multimeter gemessen zwischen GND und Spuleanschluss
Bastler007 wrote: > Die 5V habe ich mit dem Multimeter gemessen zwischen GND und > Spuleanschluss Die Kombination L297 und 298 ist ein Stromregler, da kannst du mit dem Multimeter nicht allzuviel ausrichten, weil dauernd ein- und wieder ausgeschaltet wird. Was ist denn das eigentliche Problem?
Lothar das Problem ist das mein Stepper nicht läuft. Ich müßte doch aber am Ausgang 12V und ne Frequenz messen können...
> Ich müßte doch aber am Ausgang 12V und ne Frequenz messen können... Du solltest mehrere Frequenzen messen können: 1) die Chopperfrequenz 2) deine Schrittfrequenz > das Problem ist das mein Stepper nicht läuft. Hat er ein Halte-Moment (an der Motorwelle von Hand drehen)? Spürst du einen Unterschied, abhängig davon, ob deine Schaltung versorgt wird oder nicht?
Der Motor hat keinen Halte-Moment, er läßte sich problemlos drehen... ich hab noch mal den schaltplan angehängt
nimm doch mal eine lange Taktzeit und schaue mit dem Multimeter wie sich die Ausgänge zeitlich verhalten, check auch mal die Inhibiteingänge.
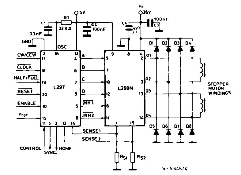
Kontrollier mal die Verbindungen von SENS1 und SENS2 (L297) mit SEN_A, SEN_B (L298). Die sind falsch :-(
Uref = ?? wie eingestellt ? im pdf.pdf sehe ich keinen Spannungsteiler. Nebenbei bemerkt: es gibt L297 und L297A...einige Pins haben verschiedene Funktion !
Im Moment ist Pin 10 offen ich wollt die schaltung damit ein/ausschalten in dem ich den auf masse lege. Pin 17 ist im Moment auf +5V wegen rechtsdrehsinn... Aber warum messe ich am Ausgang 5 V (an allen 4) aber wenn ich meine multimeter auf frequenzmessung stelle springen die Hz von 50-200 Hz rum (auch an allen 4 Pins).Ich wollt doch 12V am ausgang haben...
Danke Lothar für den Tip, aber die waren nur im Schaltplan falsch, aufm Board hab ich sie richtig. Der Spannungsteiler ist doch da! (Poti + wid.) Und es ist auch nen 297
> Ich wollt doch 12V am ausgang haben...
Dein Multimeter misst Mist.
Du hast einen Stromchopper vor dir, da kommst du nur mit einem Oszi
sinnvoll weiter...
Leg den Pin 10 mal auf ein definiertes Potential (im Datenblatt steht
nichts, dass du den einfach offen lassen könntest). Offene Eingänge sind
Käse.
Ich weiß das es mit dem Mulimeter Käse ist, ich hab aber im moment echt keine andere möglichkeit... Pin 10 hab ich mal auf 5v gelegt, das hatte ich vorhin auch schon mal probiert. ich hab jetzt mal die spulen anfänge durch LEDs ersetzt aber kein Reaktion. Ich weiß nicht weiter die Eingänge aam 298er bekommen doch alles was sie brauchen...
> Ich weiß nicht weiter die Eingänge aam 298er bekommen > doch alles was sie brauchen.. Dann probiers mal manuell: Der L298 ist ein ordinärer Schalter. Schalte den mit EnableA = EnableB = 5V mal hart ein. Dann kannst du über die 4 In-Signale jede Endstufe von Hand auf 0V oder 12V schalten. Zuvor jedoch... solltest du sicherstellen, dass dein Schrittmotor 12V auf Dauer abkann. Falls nicht solltest du den vorher abklemmen. Eine Antwort steht noch aus: > Spürst du einen Unterschied (an der Motorwelle), abhängig davon, > ob deine Schaltung versorgt wird oder nicht?
Ist dein Aufbau auf einer geätzten Printplatte oder auf Lochraster oder frei verdrahtet? Ist es dir möglich, ein vernünftiges scharfes Bild deines Aufbaus zu posten? Möglicherweise ist ja doch irgendwas falsch angeschlossen.
also, ich habe mal den L298 einzeln aufgebaut angeschlossen habe ich: Pin 1 nicht angeschlosssen Pin 2 Spule 1 Pin 3 Spule 1 Pin 4 12V Pin 5 Taster A mit 5V Pin 6 5V Pin 7 Taster B mit 5V Pin 8 GND Pin 9 5V Pin 10 Taster mit C 5V Pin 11 5V Pin 12 Taster mit D 5V Pin 13 Spule 2 Pin 14 Spule 2 Pin 15 nicht angeschlossen die Taster hab ich nach der Logiktabelle Taster A C Taster A D Taster B D Taster B C durchgeschalten doch keine Reaktion...
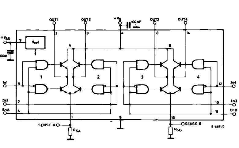
> Pin 1 nicht angeschlosssen > Pin 15 nicht angeschlossen Das ist jetzt aber nicht dein Ernst, oder? Wie soll denn da ein Spulenstrom fliessen können, wenn Pin 1 und Pin 15 in der Luft hängen? Hast du dir das Schaltbild des Chips nicht angesehen?
ich habe mir das schaltbild schon angesehen, aber konnte es nicht eindeutig deuten... Welche Spannung sollte ich anlegen? Welche Aufgabe haben die Sens eingänge
Bastler007 wrote: > Welche Spannung sollte ich anlegen? Welche Aufgabe haben die Sens > eingänge Die Sense-Anschlüsse sind die GND-Anschlüsse des Motorkreises! Ohne die fließt da gar nichts. Im Normalfall kommen da zwischen die Pins und GND die Sense-Widerstände für die Strombegrenzung rein.
Pin1 und Pin 15 sind die zwei Masseanschlüsse der beiden H-Brücken. Ein vereinfachtes Schaltbild einer H-Brücke findest du z.B. hier: http://cyberniklas.de/workshops/weimar/motoransteuerung.pdf Wenn du im ersten Schaltbild den Masseanschluss (Pin1 bzw. Pin 15 beim L298) offen lässt, kannst du die Schalter (im L298 Transistoren) schalten wie du willst, es wird kein Strom fliessen.
Die beiden SENS Ausgänge sind wichtig für die Strombegrenzung. Über diese Widerstände fließt der Strom welcher durch die Spule fließt. Dabei fällt an ihnen eine Spannung ab welche der L297 misst. Wenn der Strom hoch genug ist dann schaltet der L297 den L298 ab! Welche Daten hat denn dein Motor? Spannung, Spulenstrom usw... Hast du ein Oszi? Das wäre wichtig. Vielleicht hast du das Problem das dein L297 und L298 kaputt sind! Du müsstest mal am PIN 16 vom L297 die Frequenz messen. Sollten 20kHz wenn mich jetzt nicht alles täuscht! Wenn dort ein konstantes Potential anliegt dann sind vermutlich beide Chips kaputt.
Andreas Riegebauer wrote:
> Die beiden SENS Ausgänge sind wichtig für die Strombegrenzung.
Nicht nur! Die müssen auch angeschlossen werden, wenn keine
Strombegrenzung verwendet werden soll (s.o.).
ein Oszi hab ich leider noch nicht, ich wollt gern mal zu Testzwecken den L298 alleine probieren ohne L297. Weiß leider nicht so richtig mit Pin 1 und 15 wohin?
Bastler007 wrote: > ein Oszi hab ich leider noch nicht, ich wollt gern mal zu Testzwecken > den L298 alleine probieren ohne L297. Weiß leider nicht so richtig mit > Pin 1 und 15 wohin? Noch mal: An GND Keine Ahnung, was daran jetzt so schwer ist, aber ich habe es oben schon mal geschrieben. Auch ein Schrittmotor braucht einen geschlossenen Stromkreis, und dass die Masse-Anschlüsse des Motorkreises bei diesem Baustein SENSE heißen, liegt eben daran, dass der Baustein zur Verwendung mit einer Strombegrenzungsschaltung vorgesehen ist und dort die Sense-Widerstände angeschlossen werden.
also, ich habe mal den L298 einzeln aufgebaut angeschlossen habe ich: Pin 1 GND Pin 2 Spule 1 Pin 3 Spule 1 Pin 4 12V Pin 5 Taster A mit 5V Pin 6 5V Pin 7 Taster B mit 5V Pin 8 GND Pin 9 5V Pin 10 Taster mit C 5V Pin 11 5V Pin 12 Taster mit D 5V Pin 13 Spule 2 Pin 14 Spule 2 Pin 15 GND die Taster hab ich nach der Logiktabelle Taster A C Taster A D Taster B D Taster B C durchgeschalten doch keine Reaktion...
Schau Dir das im Anhang mal an. Ist ein Auszug aus einer Versuchsanleitung, die ich mal für ein Programmierpraktikum gemacht habe. Da stehen die Grundlagen drin, auch was den L298 angeht.
Bastler007 wrote: > Pin 5 Taster A mit 5V > Pin 7 Taster B mit 5V > Pin 10 Taster mit C 5V > Pin 12 Taster mit D 5V Wie sind die Taster angeschlossen? Pull-Down-Widerstände? Mit anderen Worten: Was liegt an den Anschlüssen an, wenn der betreffende Taster nicht gedrückt ist?
an den entsprechenden Pins liegt nur potential an, wenn der taster betätigt ist. wenn der taster unbetätigt ist der pin offen...
Bastler007 wrote: > an den entsprechenden Pins liegt nur potential an, wenn der taster > betätigt ist. wenn der taster unbetätigt ist der pin offen... Aua! Bitte nicht. Es muss bei solchen Schaltungen immer ein definiertes Potenzial anliegen, sonst kann alles Mögliche passieren!
> Was liegt an den Anschlüssen an, wenn der betreffende Taster > nicht gedrückt ist? Der wird wohl offen sein, weil nichts anderes explizit erwähnt ist :-/ @ Bastler007: Ich zitiere mich ungern, aber >> Offene Eingänge sind Käse. (siehe Beitrag "Re: Kombination L297 u. L298") Als einfache Regel gilt: offen = undefiniert Für Haarspalter (präventiv): von dieser Regel kann/muß u.U. lt. DB in Einzelfällen abgewichen werden. ;-)
das hat ich auch schon versucht klar def. Signale anzulegen. Der bringt mir immer 4V am out egal wie angesteuert... Ich glaub der ist im Arsch...
Ohne Freilaufdioden beförderst du den L298 in den Halbleiterhimmel. Die Freilaufdioden MÜSSEN angeschlossen werden, wenn du eine Induktivität (=Motorspule) anschliesst! Ausserdem gehört an die Logikeingänge (Pin 5, 7, 10, 12) ein Pull-Down-Widerstand. Die Logik-Eingänge sind TTL-Kompatibel, das heisst, ein offener Eingang wird als "High" interpretiert. Wenn du den Taster drückst (auf +5V schaltest), ändert sich am Logikzustand des Eingangs gar nichts: http://de.wikipedia.org/wiki/Transistor-Transistor-Logik Das ist sowieso eine generelle Grundregel: ALLE Logikeingänge IMMER auf definiertes Potential legen. In deiner beschriebenen Schaltung sind alle vier Steuereingänge dauernd auf High. Da fliesst kein Strom in den Motorspulen.
Noch ein paar Ergänzungen. Die Dioden müssen schnell sein! BYV27 zB. Ich kenne den Motor nicht weil ich keine Angaben gelesen habe aber wenn er die beiden SENS Eingänge direkt auf Masse legt und den Motor anschließt dann wird die Spule vermutlich gleich mal gute Nacht sagen! Ich habe zB. einen Motor der nur für 2,5V Ausgelegt ist. Wenn ich da mit den 12V rein Huste is aus mit Motor. Zumindest ohne den L297. Was die Herrn mit fixem Potential meinen ist das was im Anhang zu sehen ist. Jetzt liegen alle Eingänge über einen Widerstand auf Masse. Wenn du einen Taster betätigst dann liegt bei dem Eingang ein High Pegel an. Somit hast du immer ein definiertes Potential am Eingang.
Andreas Riegebauer wrote: > Die Dioden müssen schnell sein! BYV27 zB. Richtig. > Ich kenne den Motor nicht weil ich keine Angaben gelesen habe aber wenn > er die beiden SENS Eingänge direkt auf Masse legt und den Motor > anschließt dann wird die Spule vermutlich gleich mal gute Nacht sagen! Bei 12 V ist das anzunehmen. Das ist aber auch weiter oben von irgendjemandem schon mal erwähnt worden.
Bitte melde dich an um einen Beitrag zu schreiben. Anmeldung ist kostenlos und dauert nur eine Minute.
Bestehender Account
Schon ein Account bei Google/GoogleMail? Keine Anmeldung erforderlich!
Mit Google-Account einloggen
Mit Google-Account einloggen
Noch kein Account? Hier anmelden.


