Hallo Zusammen, hat jemand schon Erfahrungen mit dem TG322450 (nr 120 547) von Pollin? Scheint wieder mal ein Controllerloses LCD mit TOUCH zu sein.
Hat wirklich noch keiner das Ding angerührt? Nichmal Benedikt?
Soweit ich das sehe ist ein Controller eingebaut. - Auflösung 320x240 Pixel - Diagonale 5,7" - Betriebsspannungen 5 V-, 30 V- - 4-Bit und 8-Bit Datenmodus - Spaltentreiber ST8076F6 - Zeilentreiber LC79431 Maße (LxBxH): 127x101x9 mm.
Gast schrieb: > Hat wirklich noch keiner das Ding angerührt? Das Display gibts erst seit 2 Tagen... Christian schrieb: > Soweit ich das sehe ist ein Controller eingebaut. Nein. Das was Pollin an Infos angibt ist für die Tonne. Im Datenblatt stehen ganz andere ICs, und in deren Datenblättern ist auch der (recht seltene) 8bit Modus zu finden. Das Display ist an sich ein Standard controllerloses 4bit Display das zusätzlich auch noch mit 8bit Daten zurecht kommt -> schön per AVR anzusteuern. Das Display scheint recht neu zu sein, da es anders als andere Displays eine positive Spannung von rund 22V benötigt. Allerdings benötigt das Display nicht nur eine Spannung, sondern man muss dem Display alle 6 Teilspannungen liefern -> Etwas mehr Aufwand. Das Datenblatt zu einem ähnlichen Display gibts hier: http://www.dataimagelcd.com/product/tg/doc/tg322450pdf.htm PS: Es gibt auch noch ein WD-H3224V das dem anderen Display recht ähnlich ist.
Kann mir jemand die Bestellnummer eines passenden Steckers bei Farnell o. ä. nennen ?
@Christian Ich würde, bzw. ich werde mir diese Verbinder anschaffen: "FFC/FPC Connector"
Um noch konkreter zu sein, so einer wie der hier:
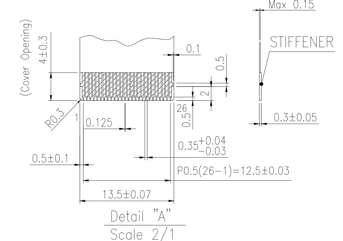
HRS (HIROSE) - FH12-26S-0.5SH(55) - SOCKET FFC/FPC, ZIF, 0.5MM, 26WAY
Farnell Best.Nr.:
1324553
Du darfst dir auch einen günstigeren suchen ;-)
wie könnte man das über einen pc ansteuern ohne eine avr zu benutzen?
Hallo, hat jemand schon mal nachgesehen ob es möglich wäre dieses Display auf LED Hintergrundbeleuchtung umzurüsten? Also CCFL raus, ein paar weiße LEDs rein. Das dürfte der EMV zugute kommen und wäre sehr gut dimmbar. Grüße
hat jemand schon mal nachgesehen ob es möglich wäre dieses Display auf LED Hintergrundbeleuchtung umzurüsten? Ist doch schon eine LED drin.
Hallo zusammen, wollt mal nachfragen, ob jemand von euch mit dem Display TG322450 von pollin jetzt schon nähere Erfahrungen hat bzgl Ansteuerung / Touch-Auswertung??? Was wird an zusätzlicher HW benötigt??? Würde mir gerne dieses Display zulegen und über das TMS320P28016-Board betreiben Merci
Hey @all Ich hab grad mal angefangen was für die digitale Steuerung zu frickeln, kann noch was dauern bis des fertig ist. Meint ihr jemand von euch kriegt es hin einen ordentlichen CCFL Inverter zu bauen? flow
Benedikt K. schrieb: > Das Datenblatt zu einem ähnlichen Display gibts hier: > http://www.dataimagelcd.com/product/tg/doc/tg322450pdf.htm Da im Datenblatt wird einem ein Inverter empfohlen. Zu dem gibts bestimmt auch ein Datenblatt.n Dann einfach einen ähnlichen irgendwo "holen". Die empfohlenen TDK L10L gibts auch atm bei der elektronischen Bucht. \0
Schade das es den TDK L10A nicht gibt jetzt muss ich extra einen 12 Volt step up dran fummeln... Naja aber man will ja nicht wählerisch sein danke, flow
Hallo, ich hänge mich hier mal dran... ich habe es geschafft den im Datenblatt erwähnten L10A Inveter von TDK zu beschaffen und würde den nun nach Möglichkeit gerne mit meinem ATMega regeln. Hat schon jemand Erfahrungen/Schaltpläne/Links gefunden, wie man die Helligkeit ändern kann? Gruß, Christian
hab auch son display da... mich würds auch interessieren obs jemand hinbekommen hat inzwischen?
Hallo nochmal Ich wurde leider von einem anderen ziemlich großen Projekt aufgehalten, aber jetzt habe ich wieder hierfür Zeit. Was meint ihr wär praktischer das Display per Speichererweiterung oder per SPI o.ä. anzusteuern? flow
>Was meint ihr wär praktischer >das Display per Speichererweiterung oder per SPI o.ä. anzusteuern? Wie wärs mit wegwerfen?
Weiß hierzu jemand was neues? Ich bin absoluter Anfänger, wenn es um Displays geht, würde aber gerne einen AVR an ein grafisches Display hängen, und erstmal einfach nur Bilder ausgeben lassen. Wenn das geht will ich mich an Touch wagen. Habe aber wie gesagt 0 Plan, und bin um jeden Tip dankbar. Gruß Dommas
Bitte melde dich an um einen Beitrag zu schreiben. Anmeldung ist kostenlos und dauert nur eine Minute.
Bestehender Account
Schon ein Account bei Google/GoogleMail? Keine Anmeldung erforderlich!
Mit Google-Account einloggen
Mit Google-Account einloggen
Noch kein Account? Hier anmelden.
