Hallo Forum, kann mir jemand sagen, ob ich die Schaltung so wie sie im Anhang ist bauen kann? Vielleicht hab ich irgendwas übersehen? Laut Datenblatt kann der OK bis 10Mbit/s. Die Bautrate der Verbindung liegt jetzt (ohne galv.Trennung) bei 250kBaud, sollte also funktionieren. Grüße Alfred
Sollte so klappen. Zum Platz und Aufwand sparen, kannst du dir auch mal den ADuM1402 anstatt der 4 Optokoppler angucken.
Danke Christian, dein Tipp ist ja Gold wert ;) Die Schaltung und auch das Layout vereinfachen sich dadurch natürlich. Hoffe ich hab es so richtig verstanden? Grüße, Alfred.
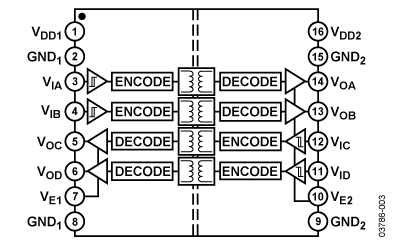
@ Alfred (Gast) >Danke Christian, >dein Tipp ist ja Gold wert ;) Streng genommen nicht. Denn du brauchst ja jeweils zwei Kanäle in jede Richtung. Und die Dinger haben zwar eine gute Isolierung zwischen Ein- und Ausgang, aber nicht zwischen Eingängen. Und die liegen einmal auf der einen und anderen Seite. Du musst zwei von den Dingern mit zwei Kanälen einsetzen, einen für RX und CTS und einen für TX und RTS. MfG Falk
Auf RTS/CTS kann man gut verzichten, dann sind`s nur noch zwei Optokoppler. Wenn's doch Probleme gibt, könnte man immer noch XON/XOFF in Software machen.
Falk Brunner schrieb: > > Streng genommen nicht. Denn du brauchst ja jeweils zwei Kanäle in jede > Richtung. Und die Dinger haben zwar eine gute Isolierung zwischen Ein- > und Ausgang, aber nicht zwischen Eingängen. Und die liegen einmal auf > der einen und anderen Seite. Du musst zwei von den Dingern mit zwei > Kanälen einsetzen, einen für RX und CTS und einen für TX und RTS. > Der ADUM1402 hat 2x2 Kanäle in entgegengesetzter Richtung.
Der 1402 ist extra dafür da. Die Isolierung ist auch zwischen den beiden Richtungen gegeben. Und HW-Handshake hat durchaus seine Berechtigung. Genau für diesen Anwendungsfall gibts die schönen ADuM ja in so vielen Varianten. Der 1401 ist zum Beispiel prima für JTAG geeignet.
Hallo, ich interessiere mich ebenfalls für eine Trennug mit ADuM1402. Nach meiner Meinung hat Alfred den richtigen Typ ausgewählt. @Michael M. @Falk Brunner Wieso werden zwei Bausteine dieses Types benötigt ? Gruß
Michael Leusink schrieb: > @Michael M. > @Falk Brunner > Wieso werden zwei Bausteine dieses Types benötigt ? Die werden nicht benötigt. Diese Info beruht auf der Fehlannahme, dass der ADuM 4 Koppler in der gleichen Richtung eingebaut hätte. Der hat aber 2 von rechts nach links und 2 von links nach rechts.
@Christan R. Also tut's das ?! Vielen Dank für die schnelle Antwort. Gruß
Ich hab erst auch gedacht, dass es nicht funktioniert, weil ich den 1402 erst nicht im Datenblatt gesehen hab :) Werd nächste Woche mal einen Prototypen aufbauen. Danke nochmal!
Michael Leusink schrieb: > @Christan R. > Also tut's das ?! Vielen Dank für die schnelle Antwort. Wenn die Richtungen stimmen ja. Bei RTS/CTS muss ich auch immer nachgucken. Aber das wirst du ja kontrolliert haben. Wir setzen die ADuM sehr oft ein, völlig probemlos.
Hallo Christian R. hab' gerade erfahren, dass wir den ADuM1402 ebenfalls bereits einsetzten, als galvanische Trennung einer RS232. Zusätzlich wird noch eine Pegelanpassung gemacht. Funktioniert auch prima. RTS und CTS sind demnach korrekt. Gruß
@Alfred: Kann es sein, dass du die Richtungen vertausch hast? TXD ist doch beim FTDI ein Ausgang, müsste also beim ADUM auf einen Eingang (z.B. VIA) treffen, usw. usf. Vielleicht habe ich das aber auch durcheinander bekommen - würde ich aber mal checken! - gerd
Bitte melde dich an um einen Beitrag zu schreiben. Anmeldung ist kostenlos und dauert nur eine Minute.
Bestehender Account
Schon ein Account bei Google/GoogleMail? Keine Anmeldung erforderlich!
Mit Google-Account einloggen
Mit Google-Account einloggen
Noch kein Account? Hier anmelden.


