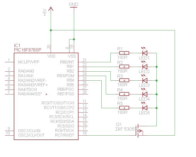
Hallo, ich möchte mit einem PIC einen LL-MOSEFET ansteuern, der dann gegebenenfalls "PLUS" durchschaltet. Zur Verdeutlichung habe ich mal 5 LED´s mit eingezeichnet, die eigentliche Schaltung wird später anderst aussehen. Ist das so richtig, ider brauche uch noch z.B. einen Widerstand zwischen PIC und GATE? Und ist es richtig, dass wenn der PIC HIGH (5V) ausgbit schaltet er durch, wenn er LOW (0V) ausgibt sperrt der Transistor? Bin für alle Verbesserungen dankbar. MFG Klaus M.
Den widerstand am Gate kann man weglassen. Der pFET ist leitend bei Port=0 und nichtleitend bei Port=5V
So, jetzt habe ich den P-Channel durch einen N-Channel ersetzt. Würde der Transistor nun bei anlegen einer 5V Spannung am Gate durchschalten und sonst sperren? MFG Klaus M.
Der n-Kanal leitet jetzt immer durch die Bodydiode. :-) übrigends: Schaltpläne als png sparen ne Menge Platz (1.4MB ist definitiv zu viel).
Gut, demnach müsste der erste Schaltplan mit dem P-Typ ja richtig gewesen sein. Laut dem was ich in der Schule mal gelernt habe müsste der IRF 5305 ein P-Kanal Anreicherungstyp sein und somit selbstsperrend sein. Warum schaltet er dann bei 0V durch und sperrt bei 5V? MFG Klaus M.
> Warum schaltet er dann bei 0V durch und sperrt bei 5V? Wann sollte sonst die notwendige (siehe Datenblatt http://www.irf.com/product-info/datasheets/data/irf5305.pdf) Differenz von -5V zwischen Drain und Gate sein, ausser bei Drain an 5V und Gate an 0V ? Deine Schaltung funktioniert auch nur, wenn die vom PMOPSFET zu schaltende Spannung 5V ist, und nicht etwa 12V. ^ Absicht.
Moin, Floh schrieb: > übrigends: Schaltpläne als png sparen ne Menge Platz (1.4MB ist > definitiv zu viel). GIF ist ein schönes Format. Ich würde es so wie im Anhang machen. Grüße
Statt BUZ11 würde ich noch den IRLU024N oder so etwas in der Kategorie nehmen. Also weniger Strom, dafür LL kompatibel und evtl. ein kleineres Gehäuse als der alte BUZ11 ;-)
Hallo, das geht aber leieder nicht au zwei Gründen: 1. Sind es RGB - LED´s die einen gemeinsamen PLUS haben 2. Will ich ULN2803A verwenden (zwischen PIC und LED´s) MFG Klaus M.
Das passiert, wenn man nicht den richtigen Schaltplan, sondern irgendeine "Veranschaulichung" hier reinstellt. Veranschaulichungen sind für Marketing Leute. Entweder stell nen richtigen Plan rein, oder lass es. So jedenfalls waren die letzten Threadbeiträge mal wieder umsonst.
Wozu mußt Du überhaupt das + der LEDs schalten? LED-Ports auf H schalten, und schon sind'se alle aus.
Jens G. schrieb: > Wozu mußt Du überhaupt das + der LEDs schalten? LED-Ports auf H > schalten, und schon sind'se alle aus. Diese Frage stellte ich mir auch gerade. Aber wahrscheinlich soll das wieder eine dieser schrecklichen LED-Matrizen (oder gar -Würfel) werden. Zu etwas anderem scheinen LEDs in der heutigen Zeit sowieso nicht mehr genutzt zu werden ;-)
hi Klaus M. schrieb: > das geht aber leieder nicht au zwei Gründen: > 1. Sind es RGB - LED´s die einen gemeinsamen PLUS haben > 2. Will ich ULN2803A verwenden (zwischen PIC und LED´s) Dann passt dein erster Entwurf, Gatewiderstand würde ich aber einbauen, Angstwiderstand gegen Schwingneigung des FETs. Der FET ist bei low leitend.
Bitte melde dich an um einen Beitrag zu schreiben. Anmeldung ist kostenlos und dauert nur eine Minute.
Bestehender Account
Schon ein Account bei Google/GoogleMail? Keine Anmeldung erforderlich!
Mit Google-Account einloggen
Mit Google-Account einloggen
Noch kein Account? Hier anmelden.



