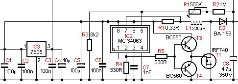
Hallo zusammen, ich habe ein Schaltnetzteil für eine Nixie-Uhr gebaut. Die Schaltung sollte erprobt sein, weil in fast jedem Nixie-Artikel darauf verwiesen wird (meine ist von www.jb-electronics.de). Wenn ich 12V anlege, habe ich am Ausgang meine erwarteten 170 Volt, dann beginnt die Spannung langsam zu sinken und der Transistor wird heiß. Vermutlich schwingt also was. Wo fange ich mit der Fehlersuche an? Ich komme aus der Softwareecke und habe dazu keine wirklichen Kenntnisse. Vielleicht (oder wahrscheinlich) liegt es ja am Layout. Grüße Olaf
Die Spule L1 kann sich bei 170V nicht mehr in der durch C3 vorgegebenen Zeit in den Ausgangselko entladen, ist also zu Beginn des nächsten Zyklus nicht leer. Der Strom steigt immer weiter an, weil IRGENDEIN VOLLIDIOT den Widerstand der Strombegrenzung für Pin 7 "vergessen" hat. Der kostet auch satte 0.5ct. Daß Layout und Bauteilauswahl alles andere als gut sind, kommt da nur noch als Schönheitsfehler hinzu. Ich zitiere mal: Beim MC34063 berechnet man Ct (entgegen dem Datenblatt) so das die Spule massig Zeit hat sich in den Ausgang zu entladen (also off-Zeit festlegen). Die on-Zeit ist dann durch Ct so lang, das sie immer vorzeitig durch Erreichen der Strombegrenzung (Widerstand Rs also passend zum maximalen Spulenstrom dimensionieren) abgebrochen wird. Die Induktivität ist also kleiner als das was sich nach Datenblatt als minimale Induktivität errechnet.
Hallo Mawin, danke für die schnelle Antwort. Da habe ich ja erst mal einen konkreten Anfang. Viele Grüße Olaf
Guckst hier : http://www.niklausburren.ch/wp-content/uploads/2006/08/nixieclock.pdf oder http://www.roehrenkramladen.de/Nixievoltmeter/HBOEX4.html
MaWin schrieb: > Daß Layout und Bauteilauswahl alles andere als gut sind Ich zeichne mal die bekannten Stromkreise ein: http://www.lothar-miller.de/s9y/categories/40-Layout-Schaltregler Fazit: Schlimmer geht nimmer. Einen weiteren Weg (insbesondere im Freilauf, rot) kann der Strom eigentlich nicht mehr nehmen müssen... Dass das schon im Schaltplan so übel aussieht, zeugt nur davon, dass der Sinn der Eingangskondensatoren (links) nicht so richtig verstanden wurde...
Wow - ich fange komplett neu an. Die gleiche Schaltung (auch ohne Diode) findet man übrigens in der letzten Elektor. Nochmals Danke für die Hinweise und viele Grüße Olaf
MaWin schrieb: > Die Spule L1 kann sich bei 170V nicht mehr in der durch C3 vorgegebenen > Zeit in den Ausgangselko entladen, Eigentlich ist es andersrum. Entladen kann sich die Spule als Step-Up mit extremem Spannungsverhältnis immer, da die per Regler/Ct festgelegte Mindestzeit dafür stets länger ist als die Entladezeit der Spule. > Der Strom steigt immer weiter an, weil IRGENDEIN VOLLIDIOT den > Widerstand der Strombegrenzung für Pin 7 "vergessen" hat. Der kostet > auch satte 0.5ct. Jenseits der Anfahrphase kann eine Sättigung durch kumulierende Aufladung nicht eintreten. Empfehlenswert ist der Widerstand aber allein schon deshalb, weil sonst in der Anfahrphase eine temporäre Überlastung auftreten wird. Wenn die Schaltung korrekt dimensioniert wird, dann wird ein Abschaltung durch Rsc nicht erforderlich, weil die Spule innerhalb der durch Ct vorgegegebenen maximalen Einschaltzeit nicht in die Sättigung geht. L und Ct und Isat(L) müssen zusammen passen.
@Olaf K. Ohne Diode? Die Ladung der Spule wird über die Diode in den Ausgangs-C geladen. und verhindert den Rückfluss. Soweit ich es verstehe sollte es nicht ohne gehen.
Doch. Ohne Diode. Wahrscheinlich einfach beim Satz vergessen. Grüße Olaf
Olaf K. schrieb: > Doch. Ohne Diode. Wahrscheinlich einfach beim Satz vergessen. Gibt dann einen Nachtrag... Denn diese Schaltung funktioniert ohne Diode sicher nicht, weil sonst beim Laden der Spule der Ausgangselko über den FET recht unsanft entladen wird.
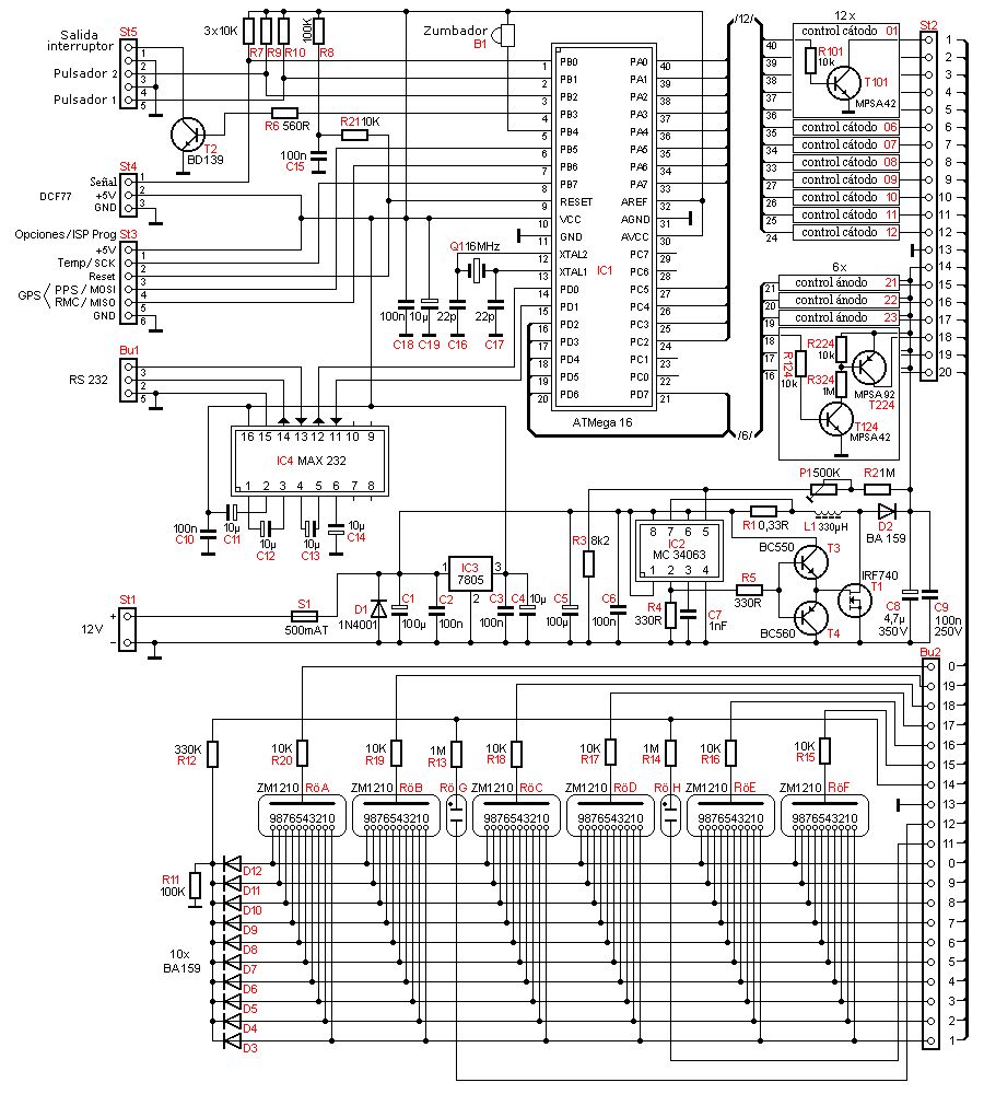
Hallo, der ursprüngliche Beitrag ist ja schon etwas älter und der MC34063 wurde ja hier auch schon zur genüge durchgekaut. Trotzdem möchte ich hier kurz mein Layout posten. Läuft sehr zuverlässig mit einem Wirkungsgrad von 80%, nichts wird über 30 Grad warm und liefert zuverlässig 30mA bei 180V, also 5,4 Watt. Soviel brauche ich zwar für meine IN-12 Nixies gar nicht, aber etwas Reserve schadet nie! Die verwendete Funkentstördrossel wird immer wieder gerne kritisiert, da sie für diesen Verwendungszweck eigentlich ungeeignet ist, aber bei einem Wirkungsgrad von 80% sind mir die Unkenrufe herzlich egal. Leider hat diese Drossel 680uH besser wären eigentlich 330uH (hatte ich halt noch rumliegen). Dadurch musste ich den Timingkondensator auf 3,3nF vergrößern. Das wiederrum hat den Nachteil, das die Taktfrequenz unter 20kHz absinkt. Funktioniert Tip-Top, ist aber aus EMV-Sicht nicht so toll... (Dadurch allerdings auch weniger Umschaltverluste am Mosfet) Am oberen Rand der Platine ist noch ein 7805 mit 3 Kondensatoren verbaut, diese Bauteile haben natürlich mit der 180V Erzeugung gar nichts zu tun. Die 12V Versorgungsspannung sind durchgeschleift, so das am Ausgang 5V für die Logik, 12V für z.B. Hintergrundbeleuchtung mit LED´s, und eben 180V für die Nixies zur verfügung stehen. Gruß, Andreas
@ andrewr Hallo Andreas, Da ich auch gerade an einem Nixie-Projekt dran bin und noch nach einem geeignetem Netzteil suche bin ich grad auf deinen Post gestoßen. Das Layout würde perfekt passen, da ich auch 5 Volt für den uC und 12 Volt für eine LED Beleuchtung benötige. Hast du zu deiner Platine evtl. auch einen Stromlaufplan rumliegen? Würde mir sehr weiterhelfen ;) ! Viele Grüße
Christian Ehrhardt schrieb
> Hast du zu deiner Platine evtl. auch einen Stromlaufplan rumliegen?
Leider nein, so einfache Schaltungen setze ich immer gleich in
Sprint-Layout um. Da ist aber auch wirklich nichts dran... Mein Layout
habe ich ja mit Bestückung gepostet. Solltest du wirklich den
Stromlaufplan benötigen, musst du das leider aus dem Layout rückwärts
raussuchen.
Ist aber weitestgehend nach beigefügtem Schaltplan. (nicht von mir)
Haupsächlich Unterschiede:
T3 und T4 andere Typen.
10 Ohm Widerstand vor dem Gate von T1
R4 1Kohm
L1 680uH
passend dazu Timingkondensator C7 3,3nF
Spannungsteiler P1, R2, R3 andere Werte
Auf Shuntwiderstand R1 verzichtet. (also 0 Ohm)
C1 und C5 zusammengefasst zu 470uF
C4 weggelassen da in meiner folgenden Schaltung sehr viele 100nF
Kondensatoren sind.
Ich habe noch ein weiteres Netzteil gebaut, was einen leicht besseren
Wirungsgrad hat. Mit:
L1 440uH (2 x 220uH SMD powerinduktivität in Reihe)
C7 2nF (2 x 1nF parallel)
Gruß,
Andreas
> nixie.gif Das ist mal ein wesentlich sinnvollerer Schaltplan, deiner Änderungen daran bedarf es nicht, sie sind sogar kriminell "Auf Shuntwiderstand R1 verzichtet". > Trotzdem möchte ich hier kurz mein Layout posten. Die Spule ist ungeeignet, du baust einen massiven Störsender. Solche Spulen sind zum Filtern von Gleichströmen, denn dabei bleibt das Magnetfeld nahezu konstant. Nimm lieber einen Ringkern oder einen Schalenkern.
MaWin schrieb > Das ist mal ein wesentlich sinnvollerer Schaltplan, > deiner Änderungen daran bedarf es nicht, sie sind > sogar kriminell "Auf Shuntwiderstand R1 verzichtet". Hast du eigentlich noch was anderes zu tun als ständig allen hier auf den Keks zu gehen? (Siehe auch Ausslassungen dich betreffend im Thread Beiträge bewerten 279169) Hast Du eigentlich selber schon mal was auf die Beine gestellt oder schlaumeierst du nur so rum? Mein Schaltpan ist fast identisch. Meine Änderungen gegenüber dem Schaltplan sind marginal. Auf den Shunt habe ich bewusst verzichtet. Ich weiss was ich tue! Ich habe nicht empfohlen darauf zu verzichten! > Die Spule ist ungeeignet, du baust einen massiven Störsender. > Solche Spulen sind zum Filtern von Gleichströmen, denn dabei bleibt das > Magnetfeld nahezu konstant. > Nimm lieber einen Ringkern oder einen Schalenkern. Das die ungeeignet ist weiss ich selber! Das habe ich auch dazugeschrieben! Die hatte ich halt gerade rumliegen. Allerdings betreibe ich im Abstand von wenigen cm mehrere DCF77 Antennen und ein Radio. Nirgendwo gibt es Störungen!!! Zudem werden die Hälfte aller PROFESSIONEL auf dem Markt vertriebenen Nixie-Uhren mit solchen Drosseln gebaut. Siehe Beispiel-Bild. So hochdramatisch ist das also nicht! Andreas Reinert schrieb > L1 440uH (2 x 220uH SMD powerinduktivität in Reihe) > C7 2nF (2 x 1nF parallel) nicht gelesen???
Man kann sich auch mit der angehängten Schaltung behelfen. So läuft es in meiner Uhr mit 4 Röhren und das Biest wird nicht mal handwarm. Daß der Mosfet warm wird, liegt daran, daß seine Gatekapazität nur mit einem Widerstand nach Masse nicht schnell genug entladen wird. Dadurch wird es kein anständiger Schalterbetrieb bei hohen Frequenzen und dessen Verlust- leistung steigt an. Andreas schroban MaWin >Hast du eigentlich noch was anderes zu tun als ständig allen hier auf >den Keks zu gehen? MaWin ist gelernter Choleriker und gibt ab und zu eine Probe seines Könnens. ;-) MfG Paul
Paul Baumann schrieb > Daß der Mosfet > warm wird, liegt daran, daß seine Gatekapazität nur mit einem Widerstand > nach Masse nicht schnell genug entladen wird Ich hatte auch Anfangs versucht um einen Gate-Treiber herumzukommen. Allerdings musste ich den Versuch oberhalb 15mA aus oben genanntem Grund abbrechen. Der nun verwendete Gate-Treiber löst das Problem und besteht gerade mal aus 2 Widerständen und 2 Transistoren, ist also nicht dramatisch... (zumal man schlimmstenfalls auch noch den Gate-Widerstand weglassen kann) So komme ich nun auf 30mA (brauche max. 19mA) ohne das irgendetwas merklich warm wird. > MaWin ist gelernter Choleriker und gibt ab und zu eine Probe seines > Könnens. ;-) Schön das ich mit meiner Einschätzung nicht alleine dastehe ;-) Gruß, Andreas
Andreas Reinert schrieb: >> MaWin ist gelernter Choleriker und gibt ab und zu eine Probe seines >> Könnens. ;-) Was ihn nicht minder hilfreich macht. Er ist wohl Perfektionist, in diesem Beruf/Hobby ist das allerdings eine ehere wünschenswerte Einstellung. Andreas Reinert schrieb: > Zudem werden die Hälfte aller PROFESSIONEL auf dem Markt vertriebenen > Nixie-Uhren mit solchen Drosseln gebaut. Naja so richt "PROFESSIONEL" werden eig. gar keine Nixie Uhren vertrieben so weit ich weiss? Ach ja wie kommt der mit nur 2 Treiber aus? Werden die Röhren etwa im Multiplex Betrieb verwendet?
Electronics'nStuff schrieb > Naja so richt "PROFESSIONEL" werden eig. gar keine Nixie Uhren > vertrieben so weit ich weiss? Na ja, kommt darauf an was man genau unter professionel versteht, aber ja, die werden regulär verkauft. z.B. http://www.luedeke-elektronic.de/products/Elektronik-Bausaetze/Sonstiges/Nixie-Roehren-Uhr-Velleman-K8099-SONDERSERIE.html http://nixiekitworld.com/ http://www.amazon.de/s/?ie=UTF8&keywords=nixie+uhr&tag=googhydr08-21&index=aps&hvadid=16534371865&hvpos=1o1&hvexid=&hvnetw=g&hvrand=1438394189202989375&hvpone=&hvptwo=&hvqmt=e&ref=pd_sl_67klggd9si_e Electronics'nStuff schrieb > Ach ja wie kommt der mit nur 2 Treiber aus? Werden die Röhren etwa im > Multiplex Betrieb verwendet? Ich kann dir absolut überhaupt nicht folgen!!! Wir sprechen vom Gatetreiber des Mosfets im DC-DC-Wandler. Von was sprichst du? Nein, die Nixies werden nicht gemultiplext. Electronics'nStuff schrieb > Ach ja, ist die Platine gefräst? Ja, ich fräse alle meine Platinen!
@ Electronics'nStuff Andreas Reinert schrieb > Von was sprichst du? > Nein, die Nixies werden nicht gemultiplext. Oder meinst du das Beispiel-Bild? Das ist nicht meine Uhr, sondern ein käuflich zu erwerbendes Beispiel aus dem Internet. Ja, die käuflichen Dinger sind durch die Bank fast alle gemuliplext. Ich mach das mit Schieberegistern und statischer Ansteuerung.
Andreas Reinert schrieb: > Oder meinst du das Beispiel-Bild? Das ist nicht meine Uhr, sondern ein > käuflich zu erwerbendes Beispiel aus dem Internet. Ja, die käuflichen > Dinger sind durch die Bank fast alle gemuliplext. Siehste. Wenn die "professionellen" eine Röhre multiplexen (was man einfach nicht macht), dann können sie auch gleich noch eine Müll-Drossel draufklatschen. Es ging mir ledigilch darum zu zeigen, dass es nicht besser ist nur weil die professionellen so was verbauen. Ich muss allerdings auch sagen, dass ich bei meiner Uhr ziemlich die gleiche Drossel verwendet habe, die tut es auch. Ist einfach eine Frage der Einstellung ob du das passende Bauteil nimmst oder das was "halt gerade rumliegt" :) Andreas Reinert schrieb: > Electronics'nStuff schrieb >> Ach ja, ist die Platine gefräst? > Ja, ich fräse alle meine Platinen! Ach, interessant. Darf man erfahren, was du für Equipment benutzt? Ist ein wenig Offtopic, schon klar.
> Hast du eigentlich noch was anderes zu tun als ständig allen hier auf > den Keks zu gehen? Ich gehe genau einer Sorte von Mensch auf den Keks: Die selbstüberheblichen, die ihre Unkenntniss als Lösung verkaufen wollen. Weil ich auf die Probleme hinweise und das deren Ego nicht passt. > Ich weiss was ich tue! Offenbar nicht. Du hast einen nicht kurzschluss- und überlastfesten Wandler gebaut. Und das ohne Not, nur weil du zu faul warst, den einen Widerstand aus der guten Originalschaltung zu übernehmen. > Hast Du eigentlich selber schon mal was auf die Beine gestellt Was meinst du denn, woher die Erfahrung kommt, dass das was du baust so nicht gut ist? > Zudem werden die Hälfte aller PROFESSIONEL auf dem Markt vertriebenen > Nixie-Uhren mit solchen Drosseln gebaut. Es gibt auch professionell vertriebene sauerstoffreie mondscheingerflochtene abgeschirmte Atomstromnetzkabel.
Electronics'nStuff schrieb > Ach, interessant. Darf man erfahren, was du für Equipment benutzt? Ist > ein wenig Offtopic, schon klar. Na, meine selbstgebauten Platinenfräsmaschinen. Diese: https://www.youtube.com/watch?v=ndct5cyp9d0&list=UU-5HTdaSo9iAf0idu_llidQ&index=14 ...ist mittlerweile verkauft, Und diese Selbstgebaute nutze ich jetzt. https://www.youtube.com/watch?v=SZwVg5KI5OU&list=UU-5HTdaSo9iAf0idu_llidQ&index=3 Einzelteile für Beide hergestellt mit meiner selbstgebauten "Großen" https://www.youtube.com/watch?v=Al6vmLA6mZA&list=UU-5HTdaSo9iAf0idu_llidQ&index=20 Gruß, Andreas
Sieht ganz gut aus, Respekt. Ich finde es aber ein wenig Schade, dass man bei deinem Video das Endergebnis nicht sieht.
MaWin schrieb > Ich gehe genau einer Sorte von Mensch auf den Keks: Die > selbstüberheblichen, die ihre Unkenntniss als Lösung verkaufen wollen. > Weil ich auf die Probleme hinweise und das deren Ego nicht passt. Du müsstest nur die Texte Lesen, dann wüsstest du: 1. Das ich mein Layout nicht als DIE Lösung anpreise sondern nur als eine von vielen Möglichkeiten! In diesem Fall die Lösung die ICH für MEINE Anwendung einsetze! MaWin schrieb > Du hast einen nicht kurzschluss- und überlastfesten Wandler gebaut. > Und das ohne Not, nur weil du zu faul warst, den einen Widerstand aus > der guten Originalschaltung zu übernehmen. 2. Völlig falsch! Ich habe genau wissend das ich einen nicht Kurzschluss- und Überlastfesten Wandler baue ABSICHTLICH auf diesen Widerstand verzichtet. Dieser Wandler wird NUR in meiner Nixie-Uhr fest verbaut. Da gibt es keine unerwarteten Zustände, zumal das ebenfalls fest verbaute 12V Netzteil schon bei etwas über 700mA abschaltet. Somit ist die Schaltung letztendlich doch kurzschlussfest! Das Restrisiko nehme ich billigend in Kauf. Weder aus Dummheit noch aus Faulheit! Ausserdem verkaufe ich das nicht als eine Wunderlösung, sondern habe den Original-Schaltplan an den meine Lösung weitestgehen angelehnt ist gepostet und nur angesprochen was ich für meine Zwecke anders gemacht habe! Somit kann jeder für sich selber entscheiden ob er lieber das Original oder meine Lösung verwenden möchte. 3. Habe ich ganz klar gepostet das diese Drossel zweckfremd ist und auf bessere Lösungen hingewisen. Man kann die Sache auch dramatisieren. Die Schaltung funktioniert mit einem Wirkungsgrad von über 80%. Mit SMD Powerinduktivitäten liege ich bei ca. 83%. So schlimm ist die Drossel also nicht, wenn auch zweckfremd! MaWin schrieb > Ich gehe genau einer Sorte von Mensch auf den Keks... Wenn schon Threads mit einem Pseudonym "WaMin" gestartet werden... ...würde ich mir gedanken machen!
Und der ganze Zirkus wegen EINEM Widerstand. Ach ja, die sind ja aus GOLD!!!
Beitrag "Re: Stepup 180V - sackt völlig zusammen" Mit Strombegrenzung und passendem MOSFET-Treiber, wie bereits von anderen gepostet.
Falk Brunner schrieb > Und der ganze Zirkus wegen EINEM Widerstand. Ach ja, die sind ja aus > GOLD!!! Richtig, ist auf meinen Bedarf ausgelegt, ich brauch ihn nicht, also lass ich ihn weg! Verkauf das aber nicht als glücklichmachende Lösung, sondern als "so hab ich´s für mich gemacht Lösung". Und funktioniert mehr als zufriedenstellend! Wie du an meiner Lösung erkennen kannst habe ich dafür einen Gate-Widerstand vor dem Mosfet... Meist gibt nicht nur eine glücklich machende Lösung für eine "Problem". Deshalb aber alles was nicht dem Stand der modernen Weltraumforschung entspricht als Mist abzustempeln ist einfach nur borniert!
Falk Brunner schrieb > Mit Strombegrenzung und passendem MOSFET-Treiber, wie bereits von > anderen gepostet. Dagegen ist auch überhaupt nichts einzuwenden. Nur brauche ICH keine Strombegrenzung wenn MEINE Spannungsquelle "tödliche" Stromstärken gar nicht liefern kann!
@ Electronics'nStuff Electronics'nStuff schrieb > Ich finde es aber ein wenig Schade, dass man bei deinem Video das > Endergebnis nicht sieht. Stimmt, bei irgendeinem Video hatte ich das mal... Wie dem auch sei, hier mal 2 Bilder von gefrästen Platinen. Gruß, Andreas
@ Falk Brunner
Falk Brunner schrieb
> Beitrag "Re: Stepup 180V - sackt völlig zusammen"
Anbei mal DEIN Bild aus diesem Thread.
Na, wenn da mal nicht eine völlig ungeeignete Drossel verwendet wurde
;-)
Lass mich raten, die hattest du genau wie ich zufällig gerade
rumliegen!?
diese lötstellen sind sehr unsauber und auch ebenso unzweckmäßig
Andreas Reinert schrieb: > Wie dem auch sei, hier mal 2 Bilder von gefrästen Platinen. Schönes Ergebnis.. Andreas Reinert schrieb: > Anbei mal DEIN Bild aus diesem Thread. > Na, wenn da mal nicht eine völlig ungeeignete Drossel verwendet wurde > ;-) > Lass mich raten, die hattest du genau wie ich zufällig gerade > rumliegen!? Naja, vllt. hast du bemerkt, dass das einfach nur ein zusammengeklatschter Versuchsaufbau war, den er nicht einmal selber benötigt hatte.. Den hat er eig. nur gemacht um zu helfen.
Electronics'nStuff schrieb > Naja, vllt. hast du bemerkt, dass das einfach nur ein > zusammengeklatschter Versuchsaufbau war, den er nicht einmal selber > benötigt hatte.. Weiss ich doch! ...ich kenn den Thread...
Andreas Reinert schrieb: > Weiss ich doch! ...ich kenn den Thread... Na dann sei doch so nett und reiss das nicht einfach so aus dem Zusammenhang :)
Hallo, hier mal 2 Originale von Stefan Kneller! http://www.stefankneller.de/ Die Originaldaten hat er dort zum Download als ZIP-Datei bereitgestellt. ...ohne Kommentar...
@ Electronics'nStuff Electronics'nStuff schrieb > Na dann sei doch so nett und reiss das nicht einfach so aus dem > Zusammenhang :) Ich glaube da verstehst du was falsch! Darum geht es gar nicht. Falk hat damals um jemandem auf die Sprünge zu helfen, zwischen Tür und Angel mal eben was aus seiner Bastelkiste zusammengeschustert. Das ist sehr nett! Und hilft ganz sicher weiter als einfach nur immer rumzuklugscheissern. Und was ist da eingebaut? Eine Funkenstördrossel... Macht man nicht, funktioniert aber! Macht der "grosse" Falk Brunner so etwas, halten alle andächtig die Luft an. Macht ein eher unbekannter so etwas und das auch noch mit dem Vermerk auf mangelnde Eignung des Bauteils, kann er sicher sein hier von Klugscheissern, die sich nicht mal die Mühe machen den Text komplett zu lesen, einen auf den Sack zu kriegen...
Andreas Reinert schrieb: > Macht der "grosse" Falk Brunner so etwas, halten alle andächtig die Luft > an. Du erkennst also keinen Unterschied zwischen "Endgültige Lösung, die ich euch zum Nachbau anbiete" und "Rasch zusammengepappt und nachher in die Tonne geworfen"? Es ist ja nett, dass du das anbietest aber wenn du was anbietest musst du halt auch mit Kritik rechnen.
@ Electronics'nStuff Electronics'nStuff schrieb > Du erkennst also keinen Unterschied zwischen "Endgültige Lösung, die ich > euch zum Nachbau anbiete" und "Rasch zusammengepappt und nachher in die > Tonne geworfen"? Ich glaube auch du hast den Text nicht gelesen!!! Andreas Reinert schrieb > Die verwendete Funkentstördrossel wird immer wieder > gerne kritisiert, da sie für diesen Verwendungszweck eigentlich > ungeeignet ist, aber bei einem Wirkungsgrad von 80% sind mir die > Unkenrufe herzlich egal. > Leider hat diese Drossel 680uH besser wären eigentlich 330uH (hatte ich > halt noch rumliegen). Ich weise sogar explizit darauf hin!!! Was soll dann der Spruch??? MaWin schrieb > Die Spule ist ungeeignet, ... Richtig, mit DIESER Kritik kann ich tatsächlich nichts anfangen. Das ist in meinen Augen einfach nur noch Wichtigtuerei!!!
Andreas Reinert schrieb: > Ich glaube auch du hast den Text nicht gelesen!!! Ich gebe keine Antwort auf etwas, was ich nicht gelesen habe. Du scheinst allerdings nicht fähig sein, auf meine Aussagen einzugehen und wiederholst seit gefühlten 10 Beiträgen, dass du ja darauf verwiesen hast. Und abgesehen davon eine Unterhaltung in der jeder zweite Satz mit "!!!" endet geht mir ein bisschen auf den Keks, darum lasse ich das jetzt mal so sein. Reg' dich einfach nicht auf und freue dich, dass du den meisten damit einen Gefallen getan hast. Bedanken tun' sich nämlich die wenigsten.
So, ich habe jetzt mal mit dem MC34063 ohne externe Transistoren einen DC-DC Wandler aufgebaut der aus 5V -> 170V erzeugt. Gedacht ist diese Platine für eine Single-Tube-Nixie-Uhr. Die Platine ist noch nicht ganz auf Durchmesser beschnitten. Das mache ich erst wenn die anderen Platinen fertig sind. Dem geübten Auge wird auffallen, das der Timing-Kondensator fehlt. Der MC34063 läuft mit ca. 80KHz wenn man diesen Kondensator weglässt. (Getestet mit 10 Exemplaren). Die Drossel ist selber gewickelt mit 14 Windungen 2 fach verzwirbeltem 0,3mm Draht für die erste Wicklung und mit 45 Windungen 0,3mm Draht für die 2. Wicklung. Der Kern kommt aus einer verstorbenen Energiesparlampe. D-aussen 10mm, D-innen 6mm, höhe 4mm, Al wert ca. 1200nH. Kein Bauteil auf der Platine erwärmt sich und die Schaltung liefert stabile 2mA bei 170V! Gruß, Andreas
Andreas Reinert schrieb > Der MC34063 läuft mit ca. 80KHz wenn man diesen Kondensator weglässt. Entschuldigung, der "Variabelregler" für die Zeitbasis meines Oszilloskops stand nicht ganz auf Null. der MC34063 läuft ohne Timingkondensator mit 100KHz.
> der MC34063 läuft ohne Timingkondensator mit 100KHz. Dein Scope Bild müsste nach den von dir gelieferten Daten ungefähr so aussehen wie im angehängten Bild. D.h. deine Spule hat zu viele Windungen. Es ist keine gute Idee, den Timingkondenstaor wegzulassen, es spart weder Geld noch Platz. Selbst wenn du nur 100pF nehmen solltest. Es ist auch keine gute Idee, einen Tantal-Tropfenelko an einen Schaltregler zu bauen, denn die sind nicht schaltfest und lösen sich gerne mal in Rauch auf. Aber wie kommst du zu einem MC34064 ohne Aufdruck ?
MaWin schrieb > Dein Scope Bild müsste nach den von dir gelieferten Daten Ja, ziemlich genau so sieht das Scopebild aus. > D.h. deine Spule hat zu viele Windungen. Ja, schon möglich. Ich habe auch erst mit gerechneten Werten angefangen und mich dann experimentel Windung für Windung an bessere Ausgangswerte (Strombelastbarkeit, Wirkungsgrad) herangetastet. Das ist dabei rausgekommen... Bisweilen laufen Theorie und Praxis etwas auseinander. > Es ist keine gute Idee, den Timingkondenstaor wegzulassen, es spart weder > Geld noch Platz. Selbst wenn du nur 100pF nehmen solltest. Wie du siehst ist der Platz für den Kondensator auf der Platine vorgesehen. Ich hab´s mit diversen kleinen C´s probiert. Entweder gar kein Effekt oder aber verschlechterung der Ausgangswerte. Also hab ich erst mal darauf verzichtet. > Es ist auch keine gute Idee, einen Tantal-Tropfenelko an einen > Schaltregler zu bauen, denn die sind nicht schaltfest und > lösen sich gerne mal in Rauch auf. Danke für den Hinweis, ich schau mal was meine Bastelkisten noch an kleinen Elkos hergeben. > Aber wie kommst du zu einem MC34064 ohne Aufdruck ? lol, weiß der Henker wie meine Kamera das geschafft hat. Selbstverständlich hat der einen Aufdruck. Bei einem Bild aus einer Anderen Perspektive ist der gestochen scharf zu erkennen. Ich möchte nochmals darauf hinweisen, das der MC34064 in meiner Schaltung schon ziemlich "vergewaltigt" wird und stellenweise schon im Grenzbereich bzw. leicht darüber betrieben wird. Ein Langzeittest wird zeigen wie lange er das Spiel mitmacht. Im Zweifelsfall sind halt 0,30€ für die Tonne...
@MaWin MaWin schrieb > ...so aussehen wie im angehängten Bild. D.h. deine Spule hat zu viele > Windungen. Ähhh, wie kommst du auf 300uH? Ich komme bei einem Al-Wert von 1200nH bei 14 Windungen auf 235uH! Und genau diesen Wert habe ich messtechnisch dann auch am lebenden Objekt ermittelt!
Das sind doch ungefähr 300. (Übrigens nicht zu viele Windungen, sondern zu wenige, also mehr Windungen, oder andersrum: Mehr Strom).
Bitte melde dich an um einen Beitrag zu schreiben. Anmeldung ist kostenlos und dauert nur eine Minute.
Bestehender Account
Schon ein Account bei Google/GoogleMail? Keine Anmeldung erforderlich!
Mit Google-Account einloggen
Mit Google-Account einloggen
Noch kein Account? Hier anmelden.


















