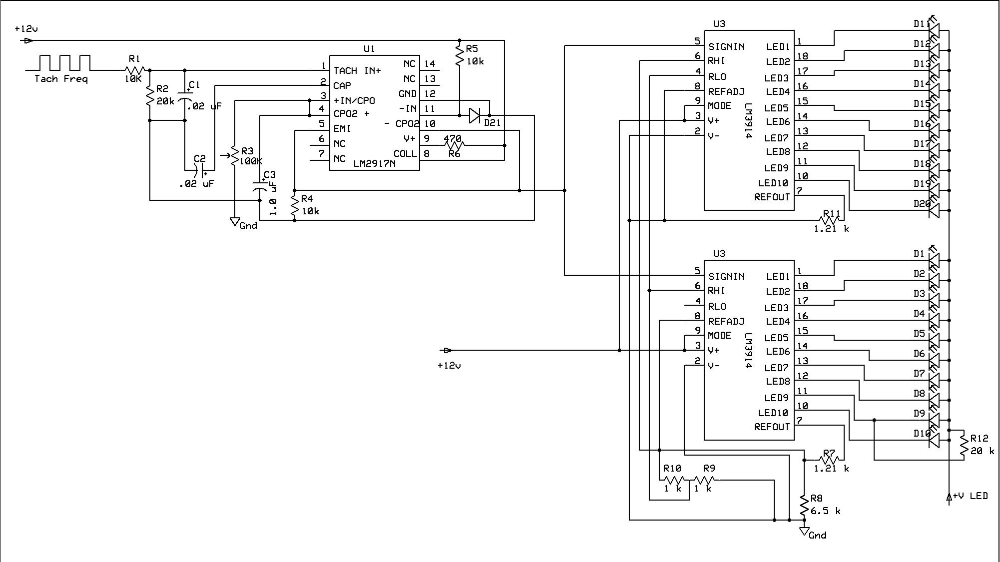
Hallo, weiß nicht ob im obigen Stromlaufplan der lm 3914 richtig kaskadiert ist!? Datenblatt hab ich angehängt. Wäre schön, wenn ihr mir weiter helfen könnt...
Jochen M. schrieb: > Hallo, > > weiß nicht ob im obigen Stromlaufplan der lm 3914 richtig kaskadiert > ist!? > Datenblatt hab ich angehängt. Wäre schön, wenn ihr mir weiter helfen > könnt... Hast Du denn den Schaltplan aus dem Datenblatt genommen? Gruss Harald
nein, das steht nicht eindäutig drin wie man den kaskadieren kann. Zumindest versteh ich nicht wie man den richtig kaskadiert...
Jochen M. schrieb: > nein, das steht nicht eindäutig drin wie man den kaskadieren kann. > Zumindest versteh ich nicht wie man den richtig kaskadiert... Seite 8 und Seite 14. Es gibt nur wenige Datenblätter, wo die Funtion eines ICs derart gründlich besprochen werden. Da bleibt eigentlich keine Frage offen. Gruss Harald
Du kannst auch mal einen Blick in das Datenblatt des LM3916 / Seite 17 werfen. Dort ist die Kaskadierung gezeigt. Die Funktion der LM3915/16/17 ist gleich, der Unterschied liegt in der Art/Auflösung der Anzeige. Du wirst aber die Wiederstände R3/R4 anpassen müssen. Sonst erreichst du keinen sauberen Übergang zwischen den Einzelnen IC's. Wichtig ist weiterhin die Verbindungen zwischen den LED's und IC's so kurz wie möglich zu halten. Das System neigt, vor allem im Dot Mode, bei langen Leitungen zum schwingen.
Dietmar schrieb: > Die Funktion der LM3915/16/17 ist gleich, der Unterschied liegt in der > Art/Auflösung der Anzeige. Es warren die LM3914/15/16 gemeint. Sorry.
Vergiss diese veralteten Chips und mach es mit einem AVR oder einem PIC. Mit dem ADC ansaugen und je nachdem wieviele LED es sein sollen, direkt ansteuern, oder ueber eine Kette von 74HC595 seriell.
Bitte melde dich an um einen Beitrag zu schreiben. Anmeldung ist kostenlos und dauert nur eine Minute.
Bestehender Account
Schon ein Account bei Google/GoogleMail? Keine Anmeldung erforderlich!
Mit Google-Account einloggen
Mit Google-Account einloggen
Noch kein Account? Hier anmelden.
