Hallo, ich bin ein relativer Neuling in Sachen Mikrokontroller, kenne mich aber etwas mit Elektronik aus und kenne mich (sehr) gut mit C aus. Um einzusteigen möchte ich folgendes Projekt zunächst nur nachbauen: http://www.expli.de/anleitung/mini-led-adventskranz-fuer-geeks-3088/ Dazu brauch ich einen ATtiny13V. Kurze Frage dazu: * Ist der hier der richtige: http://www.conrad.de/ce/de/product/154139/? Und dann brauche ich noch einen ISP, um den ATtiny13V zu programmieren. * Dazu habe ich mir diesen Stick hier ausgeschaut: http://shop.myavr.de/Programmer/mySmartUSB%20light.htm?sp=article.sp.php&artID=200006. Doch wie verbinde ich damit den Mikrokontoller? * Was würdet Ihr mir empfehlen, damit ich den ATtiny relativ einfach und günstig programmieren kann? (Ich habe das "Lernpaket Mikrocontroller - Technik mit Bascom" von Franzis zu Hause; kann ich den ISP davon irgendwie verwenden??) Beste Grüße, mythbu
Hallo mythbu. Um den µC per ISP zu programmieren, bzw. erst einmal zu verbinden, braucht es etwas mehr als nur den blossen Chip. Dafür musst Du die entsprechenden Pins des µC erst einmal herausführen, sei es über eine entsprechend aufgesetzte Experimentierplatine oder auf einem Breadboard. Ich habe Dir einmal den entsprechenden Aufbau dafür als Anlage hinzugefügt. Ob Dein "Lernpaket Mikrocontroller" dafür geeignet ist, kann ich aus der Produktbeschreibung leider nicht entnehmen. Alternativ kannst Du Dir aber auch das Pollin Atmel Eval Board [1] zulegen, das ist bereits für 15€ (Bausatz) zu haben; damit solltest Du Deinen Tiny13 angebunden bekommen (wenngleich in der Beschreibung des Boards der Tiny13 nicht unter den "unterstützten" µCs gelistet wird, sollte es funktionieren, da die Pins des entsprechenden Sockels auf dem Board kompatibel zum Tiny13 sind, vgl. Datenblatt [2]). Mit Deinem ISP Stick alleine wirst Du hingegen auch nicht glücklich - das ist eigentlich nur ein USB Adapter. Dazu musst Du wissen, dass ISP traditionell über den seriellen Port angesprochen wird - so ist es bei dem o.g. Pollin Board auch realisiert, die Platine wird über einen vorhandenen seriellen Anschluss an den PC angeschlossen. Ist kein solcher vorhanden, dann kannst Du mit einem solchen Stick, wie Du ihn Dir da herausgesucht hast, den ISP z.B. bei dem Pollin Board über eine entsprechende Pfostenleiste abgreifen und über eine USB Schnittstelle (eben gewandelt durch Deinen Stick) ansprechen. Da Du Dich selbst als Neuling beschrieben hast, würde ich mir die Anschaffung der o.g. Pollin Platine überlegen - damit bekommst Du (entgegen etlicher Unkenrufe zu dem Ding) erst einmal eine recht günstige Möglichkeit zur Programmierung diverser Atmel µCs. ----- [1] http://www.pollin.de/shop/dt/MTY5OTgxOTk-/Bausaetze_Module/Bausaetze/ATMEL_Evaluations_Board_Version_2_0_1_Bausatz.html [2] http://www.atmel.com/dyn/resources/prod_documents/doc2535.pdf
Hallo der_nachbauer, vielen Dank erstmal für Deine ausführliche Antwort! Aus Deiner Antwort schließe ich folgendes: * Der von mir ausgesuchte ATtiny13V (von Conrad) ist passend. * Mit dem "Pollin Atmel Eval Board" kann ich von meinem Computer aus den ATtiny13V programmieren (ich stecke ihn auf das Board) und dann in die ausgesuchte "Schaltung" löten (d.h. das Board ist nur ein "großer" ISP). Das hört sich sehr gut an! ABER: ich habe keinen Computer, der einen COM-Port hat. Was mache ich dann? Denn das Pollin Atmel Eval Board hat ja nur serielle Anschlüsse ... Gruß, mythbu P.S.: Noch mal vielen Dank für die superausführliche Antwort!! :-)
mythbu schrieb: > das Board ist nur ein "großer" ISP). > Das hört sich sehr gut an! > ABER: ich habe keinen Computer, der einen COM-Port hat. Genau dafür nimmst Du dann den Stick, den Du in Deinem ersten Posting genannt hattest - der bringt das "COM ISP" auf "USB ISP" ;) mythbu schrieb: > Der von mir ausgesuchte ATtiny13V (von Conrad) ist passend. Tjaaa - la liegt der Hase im Pfeffer. Ich habe mir Dein Projekt eben noch einmal genau angesehen. Mit dem von Dir augesuchten Tiny13 (ohne V) mag es zwar auch gehen, aber der Projektersteller hatte wohl bewusst einen Tiny13V gewählt, da er als Stromversorgung eine Knopfzelle mit 3V einsetzt. [Der Tiny13V läuft bereits mit 1.8V, der Tiny13 erst ab 2.7V.] Auch nicht weiter wild, suchst Du halt bei Reichelt [1], da gibt's den von Dir gesuchten Tiny13*V* [wie so oft] sogar ein wenig günstiger als beim grossen C. Viel Erfolg ! Martin ----- [1] http://www.reichelt.de/Atmel-Attiny-AVRs/ATTINY-13V-10PU/index.html?;ACTION=3;LA=444;GROUP=A362;GROUPID=2958;ARTICLE=68165;START=0;SORT=artnr;OFFSET=500;SID=10TWA4tn8AAAIAAENB5LM2cd1018d2eccab43540d1ea13bcebea7
Man kann auch den ATtiny13A verwenden. Der ersetzt ATtiny13 und ATtiny13V
Martin Schröer schrieb: > Auch nicht weiter wild, suchst Du halt bei Reichelt [1], da gibt's den > von Dir gesuchten Tiny13*V* [wie so oft] sogar ein wenig günstiger als > beim grossen C. Und bei www.csd-electronics gibt´s den nochmal günstiger und mit weniger Versandkosten.
Hallo, also: * Könnte ich nicht auch das AMTEL Evaluations-Board V2.0.1 nehmen (kann ich das selber zusammenbauen, oder soll ich den Fertigbausatz nehmen?) und dazu einen USB-Adapter auf Seriell (http://www.pollin.de/shop/dt/NTY5ODcyOTk-/Computer_und_Zubehoer/Hardware/Kabel_Stecker_Adapter/USB_Adapterkabel_auf_Seriell.html)? * Irgendwie haben die bei Pollin keine Auswahl an Mikrocontrollern, oder? Den ATTiny13 habe ich nicht gefunden (es gibt nur sechs). D.h. ich müsste nochmals extra bei Reichelt bestellen, oder? Gruß, mythbu
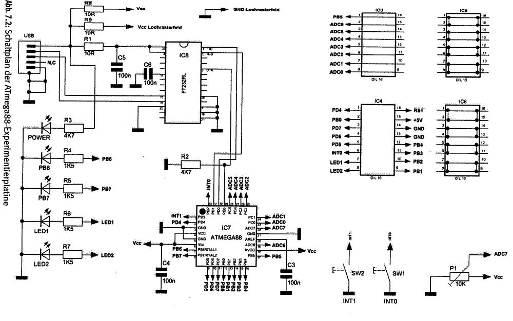
Hallo, anbei der Plan der Experimentierplatine des Lernpakets Mikrokontoller - Technik mit Bascom. Aber ich glaube, dass ich da nirgendwo einen anderen Mikrocontroller anklemmen kann, da der verwendete ATMEGA88 einen integrierten USB <-> Seriell-Wandler hat. Aber was ist denn mit diesem Produkt [1] von Reichelt? An das graue Kabel kommt dann der Mikrochip? Gruß, mythbu ----- [1] http://www.reichelt.de/Programmer-Entwicklungstools/AT-AVR-ISP/index.html?ACTION=3&GROUPID=2969&ARTICLE=45040&SHOW=1&START=0&OFFSET=500&;PROVID=2402
Ok, Du hast dir ja den folgenden Programmer ausgesucht: http://shop.myavr.de/Programmer/mySmartUSB%20light... Und wenn du Schaust: Auf dem Pollin Evaluationsport ist eine Buchse namens ISP. Die ist gedacht um Controller in fertigen Schaltungen zu Programmieren. Jedoch kannst du auch deinen ausgewählten Programmer benutzen (einfach an der Buchse einstecken), und dann per USB deine Chips programmieren Beachte bei meiner Methode: Du brauchst noch einen Adapter von den 6poligen zum 10poligen ISP Stecker. Mfg
> Könnte ich nicht auch das AMTEL Evaluations-Board V2.0.1 nehmen > (http://www.pollin.de/shop/dt/NTY5ODcyOTk-/Computer...)? Ist irgendwie genau das, was dir Martin Schröer empfohlen hat: > Alternativ kannst Du Dir aber auch das Pollin Atmel Eval Board [1] > zulegen > (kann ich das selber zusammenbauen, oder soll ich den Fertigbausatz nehmen?) Du musst ja nicht alles bestücken. Eigentlich nur die Dinge die du für den Betrieb deines Controllers brauchst. Wenn dir allerdings das Löten zu aufwendig ist, dann kannst du auch den Baustein nehmen. > und dazu einen USB-Adapter auf Seriell Das Pollin EVAL-Bord hat einen MAX232 Pegelwandler drauf. Da kannst du über die serielle Schnittstelle debuggen (siehe unterer Sub-D-Anschluss). Wenn du allerdings die kompliziertere Variante über USB bevorzugst, musst du noch einen USB-Debugger anschließen. > da der verwendete ATMEGA88 einen > integrierten USB <-> Seriell-Wandler hat. Der ATmega88 ist mit TXD und RXD mit dem FT232RL (IC8) verbunden. Dieser ist für den USB zuständig. >* Irgendwie haben die bei Pollin keine Auswahl an Mikrocontrollern, > oder? Den ATTiny13 habe ich nicht gefunden (es gibt nur sechs). Pollin hat den ATtiny13 nicht im Sortiment. Du kannst auch einen mit etwas mehr I/O Pins nehmen. Z.B. den ATtiny2313 Bestell-Nr.: 100 911 (http://www.pollin.de/shop/dt/ODgwOTk4OTk-/Bauelemente_Bauteile/Aktive_Bauelemente/Microcontroller/Microcontroller_ATTiny_2313.html) > D.h. ich müsste nochmals extra bei Reichelt bestellen, oder? Wenn du unbedingt den ATtiny13 haben willst, musst du ihn wohl wo anders bestellen (z.B. bei Reichelt, CSD-electronics, ...). > Aber was ist denn mit diesem Produkt [1] von Reichelt? An das graue > Kabel kommt dann der Mikrochip? Das graue Ding ist ein 6-poliges Flachbandkabel. Daran musst du deinen Chip anschließen, um ihn zu programmieren. Das blaue Ding ist der ISP, über den du den Chip dann über USB programmieren kannst. Das brauchst du aber auch nicht, weil das Pollin EVAL-Board schon einen ISP drauf hat (siehe oberer Sub-D-Anschluss). ==> Kauf dir das Pollin EVAL-Board! Sorry. Jetzt haben wir das doppelt.
Hallo, also: ich kaufe mir das ATMEL Evaluations-Board Versiobn 2.0.1 [1] von Pollin. @"Selber zusammenlöten": kann ich das als Anfänger? (Ich habe einen Lötkolben und Zinn und habe sogar schon etwas an einem Wecker repariert. Aber habe ich genügend Erfahrung für soetwas? Wenn die Gefahr groß ist, dass es nachher nicht funktioniert, dann lasse ich es sein und gebe lieber 7 Euro mehr aus ...) >> und dazu einen USB-Adapter auf Seriell > Das Pollin EVAL-Bord hat einen MAX232 Pegelwandler drauf. Da kannst du > über die serielle Schnittstelle debuggen (siehe unterer > Sub-D-Anschluss). Wenn du allerdings die kompliziertere Variante über > USB bevorzugst, musst du noch einen USB-Debugger anschließen. Das verstehe ich nicht so ganz. Zunächst will ich nur mein Programm irgendwie auf den Chip bekommen. Und mein PC hat nur USB Anschlüsse. Das bedeutet doch, dass ich noch einen COM <-> USB Adapter brauche. Undzwar den hier [2], oder? Also muss ich schließlich [1] und [2] kaufen, um Mikrocontroller zu programmieren, oder? Vielen Dank für die Hilfe, mythbu ----- [1] http://www.pollin.de/shop/dt/MTY5OTgxOTk-/Bausaetze_Module/Bausaetze/ATMEL_Evaluations_Board_Version_2_0_1_Bausatz.html [2] http://www.pollin.de/shop/dt/NTY5ODcyOTk-/Computer_und_Zubehoer/Hardware/Kabel_Stecker_Adapter/USB_Adapterkabel_auf_Seriell.html
mythbu schrieb: > Das verstehe ich nicht so ganz. Zunächst will ich nur mein Programm > irgendwie auf den Chip bekommen. Und mein PC hat nur USB Anschlüsse. Das > bedeutet doch, dass ich noch einen COM <-> USB Adapter brauche. Undzwar > den hier [2], oder? Pascal Haury schrieb: > Ok, Du hast dir ja den folgenden Programmer ausgesucht: > http://shop.myavr.de/Programmer/mySmartUSB%20light... > > Und wenn du Schaust: Auf dem Pollin Evaluationsport ist eine Buchse > namens ISP. Die ist gedacht um Controller in fertigen Schaltungen zu > Programmieren. > Jedoch kannst du auch deinen ausgewählten Programmer benutzen (einfach > an der Buchse einstecken), und dann per USB deine Chips programmieren > > Beachte bei meiner Methode: > Du brauchst noch einen Adapter von den 6poligen zum 10poligen ISP > Stecker. Ich hab dir hier beschrieben wie es geht. ganz einfach. mythbu schrieb: > @"Selber zusammenlöten"... Ich habs mir damals selbst zusammengelötet. Man muss sich halt etwas Zeit nehmen. Ich würde sagen: Spar dir die 7€, nimm dir einen (oder mehr) Nachmittage Zeit und löte es selbst. Mfg
Pascal Haury schrieb: > Ich hab dir hier beschrieben wie es geht. ganz einfach. Ich glaube, dass wir aneinander vorbeireden! 1.) Du meinst, dass wenn ich mir mySmartUSB [1] kaufe, kann ich meinen Computer per USB anschließen und dann in den Schwarten Anschluss einen entsprechenden Stecker einstecken, um meinen Microcontroller anzuschließen. Somit kann ich ihn programmieren. Kostet: 28,00 Euro (+ Versand, + "Adapter" von 6 -> 10) _Ich meine aber folgendes:_ 2.) Ich kaufe mir das Pollin Evaluationsboard, wo ich meinen Microcontroller draufstecken kann, um ihn zu Programmieren. Und mit dem USB-Adapterkabel auf Seriell stelle ich die Verbindung zwischen PC und Evaluationsboard/Microcontroller her. Kostet: 14,95 (Evaluationsboard) + 4,95 (Adapter) = 19,90 (+ Versand) Ich würde gerne die zweite Lösung wählen, da sie günstiger ist, ich die Mikrokontroller einfach nur aufstecken muss und dann gleich den ATtiny mitbestellen kann! Meine einzige Frage ist nur, ob ich mit der zweiten Lösung ein funktionsfähiges System bekomme, um meinen Mikrokontroller zu programmieren. Gruß, mythbu P.S.: @Selber zusammenlöten: ist denn da auch eine Beschreibung dabei, was wo hin? ----- [1] http://shop.myavr.de/index.php?404;http://myavr.de:80/shop/article.php?artDataID=36
Naja ich bin halt mit den RS232 zu USB Wandlern sehr skeptisch, da diese Bitbanging nicht bzw. sehr sclecht/langsam unterstützen. Wenn der Wandler also kein Bitbanging kann, geht das Pollin Eval. Board nicht. siehe z.B. Beitrag "Atmel Evaluatoions Board V.2.0.1 Hilfe" mythbu schrieb: > P.S.: @Selber zusammenlöten: ist denn da auch eine Beschreibung dabei, > was wo hin? Ein Schaltplan ist im Paket dabei. Man kann ihn auch auf der Produktseite vom Board Downloaden. Mfg
Hat dein Computer/ Laptop keinen RS232-Anschluss, oder warum möchtest du über USB programmieren?
Marcel claudio Binder schrieb: > Hat dein Computer/ Laptop keinen RS232-Anschluss, oder warum möchtest du > über USB programmieren? mythbu schrieb: > ABER: ich habe keinen Computer, der einen COM-Port hat. Was mache ich > dann? Denn das Pollin Atmel Eval Board hat ja nur serielle Anschlüsse Wer lesen kann hat mehr vom Leben ^^ Mfg
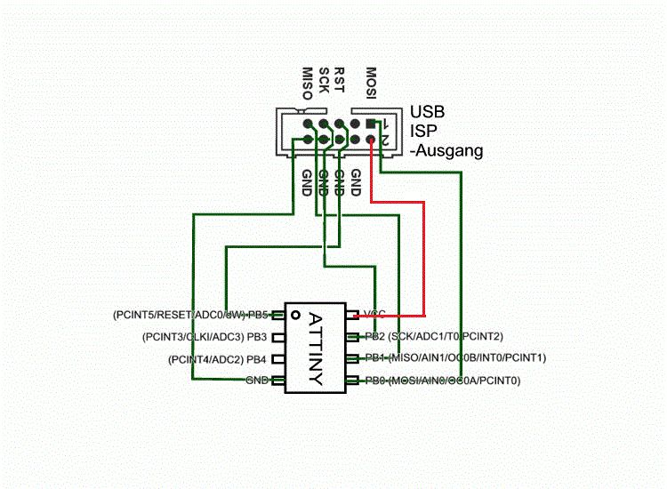
Marcel claudio Binder schrieb: > Hat dein Computer/ Laptop keinen RS232-Anschluss, oder warum möchtest du > über USB programmieren? Mein MacBook hat nur 2 USB Anschlüsse und der andere PC ist eine MSI WindBox. Beide haben kein COM/RS232 oder die Möglichkeit diesen Nachzurüsten. D.h. ich kann das Pollin-Board nicht benutzen. OKAY! ABER: ich verstehe das nicht! Im der ersten Antwort (zweites Posting auf dieser Seite) steht, dass ich den den Stick "mySmartUSB light" [1] irgendwie nicht nehmen kann. WARUM? Also: ich habe da mein Experimentierboard, da steckt der Mikrocontroller drauf mit seinen 8 Pins. Wenn ich weiß, welche Pins für die Programmierung per ISP zuständig sind (woher weiß ich das?), kann ich doch diese mit dem grauen Kabel verbinden (also eher mit einem Wannenstecker, wo ich das graue Kabel rein stecke), dass mitgeliefert wird, und dann an den Stick kommt. Dann habe ich doch eine Verbindung von PC und Mikrocontroller, oder? Und so sieht das dann aus: PC <-> USB-Adapter "mySmartUSB light" <-> graues Kabel mit 6 Adern <-> Mikrocontroller. Anbei noch ein Beispielbild zur besseren Vorstellung. Und hier die Frage: kann ich so meinen ATtiny13A-PU programmieren? Gruß, mythbu ----- [1] http://www.conrad.de/ce/de/product/191406/
Hey mythbu. mythbu schrieb: > Und mit dem > USB-Adapterkabel auf Seriell stelle ich die Verbindung zwischen PC und > Evaluationsboard/Microcontroller her. Nein. Das klingt zunächst schlüssig, funktioniert aber oft nicht, weil eben die "Umsetzer" von USB auf seriell dazwischenfunken. Marcel claudio Binder schrieb: > Du kannst auch einen mit > etwas mehr I/O Pins nehmen. Z.B. den ATtiny2313 Bestell-Nr.: 100 911 > (http://www.pollin.de/shop/dt/ODgwOTk4OTk-/Baueleme...) So in der Richtung habe ich auch schon mal gedacht, für sein Projekt [siehe erster Beitrag] aber wäre der 2313 zu gross [Abmessungen], abgesehen davon muss / soll das Ganze über eine 3V Knopfzelle betrieben werden - da müsste also wohl in jedem Falle ein xxV µC her. mythbu schrieb: > @"Selber zusammenlöten": kann ich das als Anfänger? Klar, das sollte kein allzu grosses Problem darstellen - bei dem Bausatz ist eine Beschreibung mit Schaltplan und Aufbauplan dabei, die Platine ist anständig beschriftet und Hilfestellung für bestimmte Bauteile [Anode ? Kathode ? IC Pin 1 ?] gibt's in der Anleitung dazu auch noch. Ausserdem ist's eine schöne Übung und ein wunderbares Gefühl, wenn's dann am Schluss funktioniert [ "Hab' ich selbst (kaputt) gemacht !" ] --- Mythbu, um es noch einmal zusammenzufassen: Für Dein Projekt brauchst Du a) irgendeine Möglichkeit, den µC zum Beschreiben zu verbinden, dazu kannst Du Dir entweder selbst eine einfache Platine mit einem Sockel mit entsprechend heraus geführten Anschlüssen bauen [siehe Schaltplan in meinem ersten Posting], oder auf Evaluationsboards wie das von Pollin zurückgreifen. b) da Du keine serielle Schnittstelle am PC hast, brauchst Du eine Alternative. Da es mit einem USB-seriell Wandler nicht (gut) funktioniert, bleibt als Lösung ein USB-ISP "Programmer" (eigentlich sind's nur Adapter) - das sind jene Teile, welche Du selbst schon angeführt hattest, [1] in Deinem ersten Posting und [2] später - letzterer wäre schon einer der "offiziellen" Programmer von AVR selbst, für beide bräuchtest Du, da sie einen 6-poligen Anschluss mitbringen, irgendeinen "Adapter" zum 10-poligen Anschlussfeld auf dem Eval-Board von Pollin. Dieser kann aber auch ein stinknormales Kabel mit aufgecrimpten Kontaten sein - bei Pollin bekommst Du zu einer seriellen Anschlussbuchse [3] solch ein Kabel z.B. mit dabei (0.25€). Bei diesem kannst Du einfach die Kontakte aus dem Stecker ziehen, mit Schrumpfschlauch oder Isolierband schützen und dann auf die entsprechenden Pins auf beiden Seiten aufstecken. [Ich weiss jetzt nicht, ob Pollin die Strippen auch so führt, ich hab' sie jetzt nicht gefunden und wusste von der beschriebenen Buchse, da ich die Leitung von so einer erst letztens für ein eigenes Projekt "missbraucht" habe...] c) natürlich auch den µC selbst - und achte darauf, dass es wirklich ein Tiny13*V* ist - die anderen Modelle brauchen mehr Spannung, sonst klappt's am Schluss nicht an der 3V Knopfbatterie. Gruss, Martin ----- [1] http://shop.myavr.de/Programmer/mySmartUSB%20light.htm?sp=article.sp.php&artID=200006 [2] http://www.reichelt.de/Programmer-Entwicklungstools/AT-AVR-ISP/index.html?ACTION=3&GROUPID=2969&ARTICLE=45040&SHOW=1&START=0&OFFSET=500&;PROVID=2402 [3] http://www.pollin.de/shop/dt/MzQxODcyOTk-/Computer_und_Zubehoer/Hardware/Kabel_Stecker_Adapter/RS232_Einbaubuchse.html
Zeitüberschneidung mit Deinem Post, daher noch ein schneller Nachtrag: mythbu schrieb: > ABER: ich verstehe das nicht! Im der ersten Antwort (zweites Posting auf > dieser Seite) steht, dass ich den den Stick "mySmartUSB light" [1] > irgendwie nicht nehmen kann. WARUM? Steht da nicht. Da steht, dass Du "damit alleine auch nicht glücklich wirst" - eben weil Dir selbst zum Anschluss davon noch ein paar "Kleinigkeiten" fehlen [siehe Anhang zum zweiten Posting]. Und die wiederum sind z.B. auf dem Pollin Eval Board schon vorhanden. mythbu schrieb: > Wenn ich weiß, welche Pins für die > Programmierung per ISP zuständig sind (woher weiß ich das?) Datenblatt: [1] mythbu schrieb: > PC <-> USB-Adapter "mySmartUSB light" <-> graues Kabel mit 6 Adern <-> > Mikrocontroller. Fast. Es fehlt immer noch die ISP Schaltung vor dem µC [siehe oben] - es muss noch ein klein wenig mehr dran, als nur der blosse Chip. ----- [1]: http://www.atmel.com/dyn/resources/prod_documents/2535S.pdf
Martin Schröer schrieb: > Fast. Es fehlt immer noch die ISP Schaltung vor dem µC [siehe oben] - es > muss noch ein klein wenig mehr dran, als nur der blosse Chip. D.h. ich soll folgendes tun: PC <-> USB-Adapter "mySmartUSB light" <-> graues Kabel mit 6 Adern <-> COM-Anschluss <-> Pollinboard mit aufgestecktem Mikrocontroller. Wenn ich das richtig verstanden habe, ist es so: An den PC wird der "mySmartUSB light" Stick angeschlossen, an welchen aus dem 6-Poligen Kabel noch ein COM-Anschluss draufgesetzt wird. Daran kann ich dann die "Schaltung" aus dem 1. Beispiel oben anschließen und da hinter den Mikrocontroller? Und warum steht davon nichts in der Produktbeschreibung zum "mySmartUSB light"? Gruß, mythbu
Marcel claudio Binder schrieb: >> da der verwendete ATMEGA88 einen >> integrierten USB <-> Seriell-Wandler hat. > Der ATmega88 ist mit TXD und RXD mit dem FT232RL (IC8) verbunden. Dieser > ist für den USB zuständig. Kann man das nicht für die jetzigen Zwecke recyceln? Der ATMEGA88 sitzt ja jetzt auch inter dem FT232RL (= USB<->Seriell Wandler ??)? Irgendwie ist das doof. mythbu
Hallo, und was ist, wenn man es folgendermaßen macht: Man nimmt diesen Bausatz [1] und klemmt daran dem Mikrocontroller nach dem angehangenem Schema? Dann hätte man: PC <-USB-> Bausatz <-Kabel-> Mikrocontroller Geht das auch nicht? Gruß, mythbu ----- [1] http://www.ulrichradig.de/home/index.php/avr/usb-avr-prog
Martin Schröer schrieb: > mythbu schrieb: >> Der von mir ausgesuchte ATtiny13V (von Conrad) ist passend. > > Tjaaa - la liegt der Hase im Pfeffer. > Ich habe mir Dein Projekt eben noch einmal genau angesehen. > Mit dem von Dir augesuchten Tiny13 (ohne V) mag es zwar auch gehen, aber > der Projektersteller hatte wohl bewusst einen Tiny13V gewählt, da er als > Stromversorgung eine Knopfzelle mit 3V einsetzt. > [Der Tiny13V läuft bereits mit 1.8V, der Tiny13 erst ab 2.7V.] Ich hab mal irgendwo gelesen, dass der einzige Unterschied zwischen "V" und "ohne V" die "Übertaktbarkeit" bis 20Mhz ist (d.h. beide Versionen können bei 1 MHz auf jeden Fall mit 1.8V), die ohne "V" laufen aber bei genügend Spannung (5V) auch mit bis zu 20MHz. Soll also nur ein Marketing-Trick sein, um die, die nicht so viel MHz schaffen auch verkaufen zu können (als besonders "sparsam").
Einfach das Datenblatt befragen: ATtiny13V: 0 - 4 MHz @ 1.8 - 5.5V, 0 - 10 MHz @ 2.7 - 5.5V ATtiny13: 0 - 10 MHz @ 2.7 - 5.5V, 0 - 20 MHz @ 4.5 - 5.5V ATTiny13A: – 0 - 4 MHz @ 1.8 - 5.5V – 0 - 10 MHz @ 2.7 - 5.5V – 0 - 20 MHz @ 4.5 - 5.5V
Hans schrieb: > Einfach das Datenblatt befragen Ich denke, die haben sich beim Tiny13 einfach nur den "0 - 4 MHz"-Teil gespart, dann würde da auch 1.8 - 5.5V stehen ;)
Hallo, ich fürchte, dass das Problem den richtigen ATtiny zu finden ist das Geringere. Zunächst sollte ich es erst mal hin bekommen einen ISP zusammenzustellen. mythbu schrieb: > Hallo, > > und was ist, wenn man es folgendermaßen macht: > > Man nimmt diesen Bausatz [1] und klemmt daran dem Mikrocontroller nach > dem angehangenem Schema? Dann hätte man: > > PC <-USB-> Bausatz <-Kabel-> Mikrocontroller > > Geht das auch nicht? > > Gruß, > mythbu > > ----- > > [1] > http://www.ulrichradig.de/home/index.php/avr/usb-avr-prog Was haltet Ihr davon? Bester Gruß, mythbu
Ziegenpeter schrieb: > Ich denke, die haben sich beim Tiny13 einfach nur den "0 - 4 MHz"-Teil > gespart, dann würde da auch 1.8 - 5.5V stehen ;) <Ironie> Du könntest auch versuchen, den µC in einen Trockeneisblock einzufrieren und dann mit 80MHz zu betreiben - im Datenblatt steht ja nichts davon, dass das nicht geht. </Ironie> --- Mythbu, Du gehst in die falsche Richtung. Der Bausatz, den Du da verlinkt hast, ersetzt Dir nur den USB Adapter. Es fehlt dann aber immer noch die Anbindung des µC über ISP. Dazu braucht es zwar praktisch nur einen Transistor, über den per ISP der Reset des µC geschaltet wird, aber ich würde Dir dennoch empfehlen, da erst einmal auf etwas halbwegs komplettes zurückzugreifen, bevor Du eigene Aufbauten wagst. Also bleibt es dabei: - µC - den Tiny13V - Pollin Board für Sockel und ISP Anschluss - USB Adapter für die Verbindung mit Deinem PC [- Adapter (einfaches Kabel, wie oben beschrieben reicht -- vorzüglich funktionieren auch alte PC Steckverbindungen, etwa alte Festplattenkabel o.ä.]
Liebe Experten, um ein Ende zu finden; ich kaufe: ein "myMultiProg MK2" [1] und ein "mySmartUSB MK2" [2]. Kann ich dann das zusammengesteckte Board (muss an "mySmartUSB MK2" noch etwas drangelötet werden?) per USB an den PC anschließen und den Mikrocontroller auf die entsprechende Halterung stecken und dann programmieren? Ist das jetzt eine komfortable "Komplettlösung"? Bester Gruß, mythbu ----- [1] http://www.conrad.de/ce/de/product/191536/ [2] http://www.conrad.de/ce/de/product/191510/
Kauf dir doch das Pollin EVAL-Board. Da brauchst du nicht für über 30 € noch irgendeinen USB-ISP dazuzukaufen! Oder hat dein Computer/ Laptop keinen RS232-Anschluss?
für den Anfang kann man es so belassen. Aus erfahrung herraus bleibt es nicht beim Attiny13. Daher können diese Boards genommen werden. Die µC werden von Zeit zu Zeit immer größer. Allerdings würde auch für den Anfang dein mySmartUSB light reichen. Einfach den Ausgang des Programmers so mit dem Attiny13 Verbinden, wie du bereits schon oben in der Grafik angegeben hast. sowas kann man auch auf einer Lochraster aufbauen
Hallo, so, JETZT VERSTEHE ICH ÜBERHAUPTNICHTSMEHR! Also, nach smufte reicht es, wenn ich mir den "mySmartUSB light" (USB-Stick für 15 Euro) kaufe und an das 6-polige Kabel den Mikrocontroller nach der Zeichnung anschließe und den Stick an meinen Computer. Also folgendes Anschlussbild: 'PC <-> USB-Stick "mySmartUSB light" <-> Mikrocontroller'. Oben haben wir doch herausgearbeitet, dass das nicht ausreicht und ich noch eine Schaltung hinter dem Stick brauche (zweiter Post) ... Hääää??? :-| Gruß, mythbu
Hallo, ich habe da mal was mit Paint gemalt. Zunächst habe ich die Belegung portiert auf den 6-Port-Ausgang. Richtig gemacht (Bei Ground habe ich nicht genau gewusst und auch nicht beim roten)? Und bedeutet das jetzt, dass wirklich nur der Stick reicht (zweiter Teil der Grafik) und ein Paar drähte zum Mikrocontroller (gerne auch auf Lochraster)? Und warum haben wir da oben herausbekommen, dass noch eine Schaltung davor muss? In der zweiten angehangenen Grafik ist es ja dargestellt. Das Zielsystem ist also nur der Mikrochip? Auf Seite 14 der Anleitung [1] steht ja was von "mySmartUSB light mit der myAVR Stamp PLUS und Zielsystem". Da ist das Zielsystem einfach ein großer Chip auf einer Platine vorbereitet, oder? Gruß, mythbu P.S.: Und wenn ich das 6-Port-Kabel auf eine 10-Port-Kabel umlegen möchte, wird einfach nur der Ground auf 4 Ports gelegt und einer frei gelassen, oder? ----- [1] http://www.myavr.info/download/produkte/mysmartusb_light/techb_mySmartUSB-light_de_en.pdf
mythbu schrieb: > Auf Seite 14 der Anleitung [1] steht ja was von "mySmartUSB light mit > der myAVR Stamp PLUS und Zielsystem". Genau dies ersetzt das Pollin Board. Und noch ein bisschen mehr. mythbu schrieb: > P.S.: Und wenn ich das 6-Port-Kabel auf eine 10-Port-Kabel umlegen > möchte, wird einfach nur der Ground auf 4 Ports gelegt und einer frei > gelassen, oder? So in etwa - Du musst nur die 6 "Ports" Deines Kabels auf die richtigen 6 des 10-poligen Anschlusses legen. Summa summarum - hier steht eigentlich schon [mehrfach] alles, was Du wissen musst. Nochmal: Martin Schröer schrieb: > Also bleibt es dabei: > - µC - den Tiny13V > - Pollin Board für Sockel und ISP Anschluss > - USB Adapter für die Verbindung mit Deinem PC > [- Adapter (einfaches Kabel, wie oben beschrieben reicht -- vorzüglich > funktionieren auch alte PC Steckverbindungen, etwa alte Festplattenkabel > o.ä.]
Hallo, das muss ich kaufen: Martin Schröer schrieb: >> Also bleibt es dabei: >> - µC - den Tiny13V >> - Pollin Board für Sockel und ISP Anschluss >> - USB Adapter für die Verbindung mit Deinem PC >> [- Adapter (einfaches Kabel, wie oben beschrieben reicht -- vorzüglich >> funktionieren auch alte PC Steckverbindungen, etwa alte Festplattenkabel >> o.ä.] Aber ich habe gelesen (hier im Forum) und auch smufte hat geschrieben, dass es reicht den ATtiny direkt an den USB-Adapter anzuschließen. Dann würde ja das Pollin Board wegfallen, oder? Und der ATtiny würde direkt angeschlossen. Und weil hier ausführlich (mehrmals) steht, dass das nicht geht bin ich irgendwie iritiert. Geht das denn nun, oder nicht? Gruß, mythbu P.S.: Aber mit "myMultiProg MK2" und "mySmartUSB MK2" bin ich doch sowieso auf der sicheren Seite, oder (aber eben 50 Euro)?
Hallo, also, ich habe einen Entschluss gefasst: ich kaufe mir myMultiProg MK2 und mySmartUSB MK2. Und dazu habe ich noch einige wenige Fragen (;-)): * Das ist doch ein All-in-One Paket, oder? Einfach per USB an PC anschließen und Mikrocontroller draufstecken, oder? (Alles inklusive: USB<->Seriell, ISP-Beschaltung) * Das mySmartUSB MK2_ wird ja in _myMultiProg MK2 gesteckt. Muss ich da noch zwei "Pinleisten" anlöten, damit die gesteckt werden können? (Welche?) * Das Ding hat ja Standardmäßig 5V. Kann man damit den ATtiny programmieren, oder ist die Spannung zu hoch? * Irgendwelche negativen Vorfälle über dieses Gerät bekannt? Gruß, mythbu
AVRISP mkII kaufen, funktioniert, macht keinen ärger und kommt direkt vom Hersteller. Die ollen 10-20 Euro die du durch irgendwelche anderen Programmer sparen kannst, sind den Ärger in keinster weise wert.
Oemmel schrieb: > AVRISP mkII kaufen, funktioniert, macht keinen ärger und kommt direkt Ja, aber fehlt mir dann nicht wieder eine Beschaltung vor dem Mikrocontroller? Oder kann ich dann den Mikrocontroller mit dem grauen Kabel auf der Lochrasterplatte verbinden? > vom Hersteller. Die ollen 10-20 Euro die du durch irgendwelche anderen > Programmer sparen kannst, sind den Ärger in keinster weise wert. Stimme ich zu! Das teuerste ist am Ende das günstigste. Das hier ist doch das richtige, oder: http://www.reichelt.de/Programmer-Entwicklungstools/AT-AVR-ISP/index.html?ACTION=3&GROUPID=5100&ARTICLE=45040&SHOW=1&START=0&OFFSET=16&;PROVID=2402
nein keine beschaltung. der Programmer gibt dir vom alles was du brauchst. 1.) die Spannung (5V oder wahlweise 3,3V) 2.) die Datenleitung Das Board legt nur die Datenleitungen an den richtigen Pins des µC. Auch den Programmer von Reichelt kannst du nehmen. ich selbst nutze den hier http://cgi.ebay.de/AVR-USB-ISP-Programmer-ATMEL-ATMEGA-STK500-Neu-ATTINY-/370490000223?pt=Wissenschaftliche_Ger%C3%A4te&hash=item5642ecc35f und noch keine Probleme gehabt.
Jup, das ist der Richtige. Alles was du dazu noch brauchst ist ein 10k Ohm Widerstand. Der Programmer kommt mit CD und Anleitung. Einfach Treiber installieren, dann erst den Programmer an den Rechner anschließen (über USB, Kabel sind alle dabei). Dann kannst du direkt deinen Controller programmieren. Der Programmer unterstützt alle Attiny Attmega und Xmega Controller von Atmel. Wie jemand weiter oben schon bemerkte, bei einem Attiny wirds nicht bleiben ;) ich hoffe natürlich, dass du Spaß an der Sache hat und noch viele Controller folgen. Dazu gibts noch die kostenlose Entwicklungsumgebung AVRStudio. Du kannst dann wahlweise in Assembler oder C programmieren :) viel Spaß Oemmel
Oemmel schrieb: > Jup, das ist der Richtige. Welcher? Der "ATMEL ATMEGA STK500" oder der "AVR Programming Tool AT AVR ISP2 mit USB"? > Alles was du dazu noch brauchst ist ein 10k > Ohm Widerstand. Wo kommt der hin? > ich hoffe natürlich, dass du Spaß an der Sache hat und noch > viele Controller folgen. Das hoffe ich natürlich auch! > Dazu gibts noch die kostenlose Entwicklungsumgebung AVRStudio. Du kannst > dann wahlweise in Assembler oder C programmieren :) Habe ich schon installiert! Gruß, mythbu
smufte schrieb: > nein keine beschaltung. > > der Programmer gibt dir vom alles was du brauchst. > > 1.) die Spannung (5V oder wahlweise 3,3V) > 2.) die Datenleitung Achso! D.h. also, dass ich den Stick (mySmartUSB light) nehmen kann? Denn da komme ich am einfachsten dran. Eins verstehe ich immernochnicht: wenn Du sagst, dass ich den Stick ohne Beschaltung nehmen kann, warum wird denn weiter oben so wehement behauptet, dass ich noch zwischen Stick und Mikrocontroller eine Schaltung packen muss (z.B. das Pollin-Board)? Gruß, mythbu
musst du nicht zum Programmieren Kannst du den Stick direkt an den Controller hängen. Theoretisch kannst du die Verbindung so herstellen, wie es auf der Grafik zu erkennen ist. mit dem Board kannst du warscheinlich noch Funktionen nutzen wie z.B. UART und hast wohl noch das Eine oder andere Lämpchen oder Taster zum Spielen gleich mit drauf. Aber für deinen Zweck ist das so wie Abgebildet ausreichend.
Hallo smufte, ich fasse es nochmals zusammen: es reicht, wenn ich mir den "mySmartUSB light Stick" kaufe? (nur um sicher zu gehen :-)) Gruß, mythbu P.S.: Und den "Atmel Microcontroller ATtiny13A-PU DIP8" von ELV (http://www.elv.de/output/controller.aspx?cid=74&detail=10&detail2=32347&flv=1&bereich=&marke=). Der geht ja "0 – 4 MHz @ 1.8 – 5.5V" wie der ATtiny13V. Oben stand ja auch, dass das der Nachfolger ist.
ja Controller und Programmer kannst du nehmen. du solltetst dur dann nur noch gedanken machen, wie du vom programmer auf dem Controller gehst. http://www.flickr.com/photos/laen/2567185672/lightbox/
wvs swsef schrieb: > ja Controller und Programmer kannst du nehmen. SUPER! Dann kann ich ja endlich loslegen und auch noch für kleines Geld! :-) > du solltetst dur dann nur noch gedanken machen, wie du vom programmer > auf dem Controller gehst. Genau wie auf dem Bild wollte ich das machen. Auf einer Lochrasterplatine wollte ich einen Wannenstecker und so einen Sockel für den ATtiny auflöten und dann noch die Kabel verbinden. Und schon klappt es! Gruß, mythbu
Der Stick ist schon auf dem Weg zu mir! Toll :-) Gruß, mythbu P.S.: Super vielen Dank für die echt freundliche und hilfsbereite Unterstützung hier im Forum!
Hallo Leute, mit großem Interesse habe ich mir die vielen Kommentare zu AVR = ISP reingezogen und als Anfänger vieles gelernt. Vor Jahren war ich nur den Pics (12C und 16C Serie) verfallen. Habe etwa 15 Stück Ortungspieper für Modellflugzeuge erstellt und nun hat es mich gepackt mit den Atmels. Auch wie mythbu das Lernpacket vom Franzis-Verlag mit Demo-Bascom kommen lassen und eine LED zum blinken gebracht. Nun bin ich im Besitz von myAVR das Experimentierbord in dessen Sockel nur ein 28 pol. ATmega8 passt. Ein Modellkran von Märklin zum laufen gebracht. Aber nun zu meiner Frage: Auf dem myAVR Bord sitzt Huckepack ein mySmart USB MK2 Modul, steckbar zum abnehmen. Außerdem die ISP Schnittstelle, von wo ich abgehen könnte evtl. über ein Kabel oder das ganze Modul auch steckbar auf eine Rasterplatine mit 8 pol. Sockel für einen Tiny13. Auf dem Modul existieren auch die Leitungen RXD + TXD; aber die benötige ich doch garnicht, zumal der Tiny sie nicht hat ODER? Dann würde ich den ersten Ortungspieper erstellen. Wichtig wäre erst mal die Hardware mit einem einfachen Blinkprogramm. Hab ich nun in meinen Überlegungen einen Denkfehler oder was meint Ihr! Viele Grüße Rolf
Bitte melde dich an um einen Beitrag zu schreiben. Anmeldung ist kostenlos und dauert nur eine Minute.
Bestehender Account
Schon ein Account bei Google/GoogleMail? Keine Anmeldung erforderlich!
Mit Google-Account einloggen
Mit Google-Account einloggen
Noch kein Account? Hier anmelden.









